123456 (592829), страница 3
Текст из файла (страница 3)
Одним из наиболее распространенных нагревательных устройств является камерная печь.
В камерной печи заготовки 2 укладывают на под 1 печи через окно 4 и после прогрева до заданной температуры извлекают через то же окно. Рабочее пространство печи нагревают сжиганием газа с помощью горелок 3, служащих для смешения газа с воздухом и подачи смеси в печь. Продукты сгорания отводят через дымоход 5 в рекуператор – теплообменник, в котором поступающий к горелкам воздух нагревается теплотой горячих уходящих газов. Подогрев воздуха до температуры 350-500
С позволяет экономить до 25 % топлива. Камерные печи периодического действия применяют на производств, где часто меняется типоразмер нагреваемых заготовок. Для нагрева очень крупных заготовок используют камерные печи с выдвижным подом. Наиболее распространены камерные печи с неподвижным подом, применяемые в кузнечных цехах. Рабочее пространство этих печей выполняют в форме параллелепипеда длиной 0,6-2 м, шириной 0,6-1,5 м и высотой до 1 м. производительности печей – 70-600 кг/ч, расход тепла – 5000-7000 кДж/кг.
Камерная нагревательная печь.
1.7 Оборудование для горячей объемной штамповки
Для горячей объемной штамповки применяют молоты, кривошипные горячештамповочные прессы, горизонтально-ковочные машины, гидравлические прессы, винтовые прессы и машины для специализированных процессов штамповки.
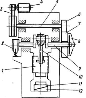
Кривошипный горячештамповочный пресс
Кинематическая схема приведена на рисунке.
Кинематическая схема кривошипного горячештамповочного пресса
Электродвигатель 4 передает движение клиновыми ремнями на шкив 3, сидящий на приемном (промежуточном) валу 5, на другом конце которого закреплено малое зубчатое колесо 6. это колесо находится в зацеплении с большим зубчатым колесом 7, свободно вращающимся на кривошипном валу 9. С помощью пневматической фрикционной дисковой муфты 8 зубчатое колесо 7 может быть сцеплено с кривошипным валом 9; тогда последний придет во вращение. Посредством шатуна 10 вращение кривошипного вала преобразуется в возвратно-поступательное движение ползуна 1.
Для остановки вращения кривошипного вала после выключения муфты служит тормоз 2. Стол пресса 11, установленный на наклонной поверхности, может перемещаться клином 12 и тем самым в незначительных пределах регулировать высоту штампового пространства. Для облегчения удаления поковки из штампа прессы имеют выталкиватели в столе и ползуне. Выталкиватели срабатывают при ходе ползуна вверх.
Кривошипные прессы имеют постоянный ход, равный удвоенному радиусу кривошипа. Поэтому в каждом ручье штампуют за один ход пресса, и производительность штамповки на прессах выше, чем на молотах. Наличие постоянного хода приводит к большей точности поковок по высоте, а высокая жесткость конструкции пресса, отсутствие ударов и сотрясений делают возможным применение направляющих колонок у штампов, что практически исключает сдвиг. Штамповочные уклоны у поковок также меньше, так как на прессах предусмотрены выталкиватели. При штамповке на кривошипных прессах имеются большие возможности для механизации и автоматизации процесса, чем при штамповке на молотах.
Наряду с перечисленными преимуществами штамповка на кривошипных прессах имеет и недостатки. Ввиду жесткого хода ползуна на прессах при многоручьевой штамповке нельзя применять такие ручьи, как протяжной, подкатной и отрезной.
Заготовка перед штамповкой на прессе должна быть полностью очищена от окалины, так как деформация происходит за один ход пресса; при наличии окалины она заштамповывается в поверхность поковки. Стоимость кривошипного горячештамповочного пресса в 3-4 раза выше стоимости эквивалентного по мощности молота.
На кривошипных прессах возможна штамповка всех видов поковок, штампуемых на молотах. Однако при штамповке поковок с удлиненной осью и большой разностью площадей поперечных сечений по длине требуется применение предварительно профилированных заготовок.
Ввиду худшего заполнения полостей при штамповке сложных поковок на прессах применяют большее число ручьев, чем в молотовых штампах. Штампы на прессах не должны смыкаться на величину, равную толщине заусенца, поэтому полость для него делается открытой, в отличии от молотовых штампов.
Благодаря наличию выталкивателей на прессах удобно штамповать в закрытых штампах выдавливанием и пришивкой. Кривошипные горячештамповочные прессы строят усилием 6,3-100 Мн; такие прессы успешно заменяют штамповочные молоты с массой падающих частей 0,63-10 т.
1.8 Отделочные операции горячей объемной штамповки
1.8.1 Обрезка заусенца и пробивка пленок
Все поковки, штампуемые в открытых штампах, имеют заусенец в плоскости разъема, а в поковках с внутренними отверстиями остаются пленки между наметками (исключая поковки, штампуемые на горизонтально-ковочных машинах).
Обрезку заусенца и пробивку пленок выполняют с помощью штампов, устанавливаемых на кривошипных прессах, по принципу действия аналогичных кривошипным штамповочным прессам.
При обрезке заусенца (рисунок а) поковку 3 укладывают в матрицу 4 так, что она своим заусенцем ложится на режущие кромки матрицы. При нажатии пуансоном 1 на поковку 3 режущие кромки матрицы срезают заусенец по всему периметру поковки, которая после этого проваливается вниз. Заусенец остается на матрице, а чтобы он не застревал на пуансоне, применяют съемник 2.
При пробивке пленки (рисунок б) поковку 3 укладывают в матрицу 4 и с помощью пуансона 1 пробивают; отход проваливается через отверстие матрицы в тару, установленную под столом пресса.
Существуют штампы совмещенного действия, в которых обрезают заусенец и пробивают пленки за один ход пресса.
Обрезку и пробивку поковок можно выполнять в холодном и горячем состояниях: для мелких поковок из низкоуглеродистой и низколегированной сталей – в холодном состоянии. В остальных случаях обрезают заусенец и пробивают пленку сразу же после штамповки на обрезном прессе, установленном непосредственно около штамповочной машины.
Схемы обрезки заусенца (а) и пробивки пленки (б)
1.8.2 Правка штампованных поковок
Правку штампованных поковок выполняют для устранения искривлений осей и искажения поперечных сечений, возникающих при затрудненном извлечении поковок из штампа, после обрезки заусенца, а также после термической обработки. Крупные поковки и поковки из высокоуглеродистых и высоколегированных сталей правят в горячем состоянии, либо на обрезном прессе (обрезной штамп совмещается с правочным), либо на отдельной машине (установленной рядом со штамповочным оборудованием).
Мелкие поковки можно править в холодном состоянии после термической обработки.
1.8.3 Очистка поковок от окалины
Очистка поковок от окалины облегчает условия работы режущего инструмента при последующей обработке резанием, а также контроль поверхности поковок. Очистку осуществляют в барабанах, дробью, травлением.
В барабанах поковки очищают следующим образом. Поковки загружают в барабан с наклонной осью вращения, в котором находятся стальные звездочки. При вращении барабана поковки трутся и ударяются друг о друга и о звездочки, благодаря чему окалина сбивается. При очистке тяжелых поковок на их поверхности образуются забоины, поэтому таким способом их не очищают.
Дробеструйная очистка заключается в том, что металлическая дробь размером 1-3 мм с большой скоростью ударяет о поверхность поковки и сбивает с нее окалину. Скорость дроби сообщает сжатый воздух в специальных аппаратах. Этим способом очищают мелко- и среднегабаритные поковки.
Травлением в водных растворах кислот, нагретых до 40-60
С, очищают крупногабаритные поковки сложных конфигураций.
1.8.4 Калибровка поковок
Калибровка поковок повышает точность размеров всей поковки или отдельных ее участков. Таким образом, последующая механическая обработка устраняется полностью или ограничивается только шлифованием. Различают плоскостную и объемную калибровку.
Плоскостная калибровка служит для получения точных вертикальных размеров на одном или нескольких участках поковки, ограниченных горизонтальными плоскостями (рисунок б). При плоскостной калибровке поковку правят в холодном состоянии на кривошипно-коленных прессах (рисунок а). Механизм кривошипно-коленного пресса обеспечивает получение больших усилий на ползуне 2 при сравнительно малом крутящем моменте на валу 1.
Поскольку калибруют с небольшой степенью деформации (менее 5-10%), необходимо заранее при штамповке предусматривать припуск на калибровку. Причем с увеличением припуска точность размеров после калибровки уменьшается, а качество поверхности улучшается. Обычная точность после калибровки составляет
, а допуск при калибровке с повышенной точностью в 2 раза меньше.
Объемной калибровкой (рисунок в) повышают точность размеров поковки в разных направлениях и улучшают качество ее поверхности. Калибруют в штампах с ручьями, соответствующими конфигурации поковки.
Кинематическая схема кривошипно-коленного пресса (а) и схемы плоскостной (б) и объемной (в) калибровок.
1.8.5 Контроль качества
Контроль качества необходим не только для готовых поковок, но и для условий их изготовления на всех этапах, начиная от получения исходных заготовок.
При контроле готовых поковок их осматривают, выборочно измеряют геометрические размеры, твердость. Несколько поковок из партии иногда подвергают металлографическому анализу и механическим испытаниям. Внутренние дефекты в поковках определяют ультразвуковым методом контроля и рентгеновским просвечиванием.
1.9 Расчётная часть
Деталь, подлежащая изготовлению, представляет собой зубчатое колесо.
Материал детали – сталь 40 ГОСТ 1050-88.
Производство серийное.
В качестве заготовки используем поковку, штампуемую на паровоздушном молоте двойного действия в открытом штампе.
Нагрев заготовок – индукционный.
Определение массы детали.
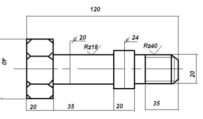
Для определения массы детали найдём объём поковки. Для этого разбиваем деталь на геометрически простые части (рис.1).
Рис.1.Расчётный эскиз детали.
V1= 20*40=800 мм3
V2= 20*35=700 мм3
V3= 20*24=480 мм3
V4= 20*35=700 мм3
V5= (120-20-20-35-35)*20=300 мм3
Объём детали
Vд=V1+V2+V3+V4+V5=800+700+480+700+300=2980мм3=3 см3
Масса детали
Mд=ρVд, где ρ=7,85г/см3 – плотность стали,
Mд=7,85*3=23,55 г = 0.024 кг.
Конструирование поковки.
Определяем расчётную массу поковки
Mпр=Mд*Kр,
Для поковки зубчатого колеса принимаем Kр=1,7, тогда Mпр=0,024*1,7=0,04 кг
Основные припуски на обработку цилиндрических поверхностей колеса:
1) Ø40 – 2,7 мм
2)120 – 2,3 мм.
Основные припуски на обработку торцов поковки в размер:
1)60(Ra2,5)
Торец А детали находится на расстоянии 25 мм от её базовой поверхности. Поэтому припуск на обработку этого торца равен 2,0 мм.
Торец Б удален от базовой плоскости на 28 мм. Припуск на обработку торца Б-2,3 мм
Расстояние между плоскостью С зубчатого колеса и базовой плоскостью – 6 мм. Припуск на подрезку торца С равен 2,0 мм. Аналогично припуск на подрезку торца D равен 2,0 мм.
Дополнительный припуск на обработку поковки зубчатого колеса, учитывающий:
1)Смещение плоскости разъёма штампа-0,3 мм.
2)Отклонение от плоскостности – 0,5 мм.
Величина штамповочного уклона для поковки, штампованной на молоте
-на наружной поверхности-70
-на внутренней поверхности - 100
Определение номинальных размеров поковки.
Диаметральные размеры поковки:
1) 40+(2,7+0,3)*2=46 мм;
2) 120-(2,3+0,3)*2=114,8 мм. Принимаем 115 мм.
3) расстояние от базовой плоскости до торца А заготовки
25+2+0,5=27,5 мм
расстояние от базовой плоскости до торца Б заготовки
25+2+0,5=27,5 мм.
Соответственно расстояние от базовой плоскости до торцов С и D поковки
6+2+0,5=8,5 мм.
















