123357 (592801), страница 5
Текст из файла (страница 5)
Податливость прокладки находим :
=
МН/м(3.81.)
Податливость болтов находим:
- расчетная длина болта, м (3.82.)
где
=
- длина болта между опорными поверхностями головки болта и гайки, м (3.83.)
= 2∙40+2=82 мм = 0,082м
= 82 + 0,28∙20 = 87,67мм = 0,0876м
, (3.84.)
где
- расчетная площадь поперечного сечения болта по внутреннему диаметру резьбы,
=16 – число болтов
=
МН/м
Параметры фланца
Эквивалентная толщина втулки
Коэффициенты:
(3.85)
(3.86.)
(3.87.)
(3.88.)
Угловую податливость фланца находим:
(3.89.)
Где
(3.90.)
МПа – модуль продольной упругости для стали.
ВСт 3 сп при t = 20˚C
=
м/Н∙мм
Плечи момента находим:
(3.91.)
Коэффициент жесткости фланцевого соединения
Фланцевое соединение , нагруженное внутренним давлением:
(3.92.)
(3.93.)
Расчет нагрузок.
Равнодействующая внутреннего давления:
(3.94.)
Находим реакцию прокладки в рабочих условиях:
(3.95.)
Находим нагрузку, возникающую от температурных деформаций:
+2
(3.96.)
=
, (3.97.)
где
˚С – температура фланца (3.98.)
˚С – температура болтов
(3.85)
Болтовая нагрузка Рб в условиях монтажа принимается большей из следующих значений:
, (3.99.)
где M=0 – изгибающий момент
F=0 – осевая сжимающая сила
= 1,74∙50783+35432+4925,4=128719,82Н
= 0,5
(3.100.)
=
(3.101.)
Приращение нагрузки в болтах в рабочих условиях находим:
(3.102.)
= (1-1,74)∙50783 - 4925,4= -42504,82Н
Расчет болтов
Проверяем прочность болтов в условиях монтажа:
(3.103.)
, (3.104.)
где
МПа – допускаемое напряжение для болтов при t=20˚C
МПа - допускаемое напряжение для болтов при t=100˚C
=
МПа < 130 МПа
=
МПа< 126 МПа
Условие выполняется.
3.3.2. Расчет теплообменника
3.3.2.1 Целью расчета является определение толщины стенок кожуха, толщины трубной решетки, расчет опор
3.3.2.2 Исходные данные
Наружный диаметр кожуха D=325мм
Диаметр трубок d=20x2мм
Шаг отверстий в решетке
= 0,026м
Давление трубы (избыточное) :
в межтрубном пространстве
= 0,02МПа
в трубном пространстве
= 0,1МПа.
Расчетная температура :
в межтрубном пространстве
˚С
в трубном пространстве
˚С
Материал деталей сталь ВСт 3 сп
Расчетная схема приведена на рисунке 3.7.
3.3.2.3 Расчет обечайки кожуха
Толщину стенки кожуха определяем по формуле:
, (3.105.)
где
=151,2 МПа - допускаемые напряжения при t = 65˚С для стали ВСт 3 сп
=
Для условий гидроиспытаний в качестве расчетного принимают пробное давление из условия
(3.106.)
= 154 МПа – допускаемое напряжение для стали ВСт 3 сп при t = 20˚С.
Тогда:
Исполнительную толщину стенки кожуха принимаем Sк = 8мм.
Допускаемое внутреннее избыточное давление определяется по формуле:
, (3.107.)
где с – прибавка для компенсации коррозии и эрозии.
Для материалов, стойких к данной среде, при отсутствии данных о проницаемости рекомендуется принимать с = 2мм.
.
Рисунок 3.7. Расчетная схема аппарата
Допустимое внутреннее избыточное давление существенно превышает рабочее давление и давление гидроиспытаний.
3.3.2.4 Расчет трубной решетки
Толщину трубной решетки, исходя из условий закрепления труб развальцовкой с обваркой, определяем по формуле [8]:
(3.108.)
= 0,02м - наружный диаметр трубок
= 0,026м - шаг отверстий в решетке
=
> 0,01м
Толщина трубной решетки, исходя из условий прочности решетки:
(3.109.)
φ0 – коэффициент ослабления решетки отверстиями.
= 0,415м – средний диаметр прокладки.
φ0 =
, (3.110.)
где
= 20,8мм – диаметр отверстий в решетке
φ0 =
= 0,238∙0,415∙
Исполнительную толщину трубной решетки с учетом прибавки на коррозию из конструктивных соображений принимаем Sp = 20мм.
3.3.2.5 Расчет седловых опор аппарата
Вес аппарата с учетом теплоизоляции принимаем
. Усилия на опоры будут максимальными при гидроиспытаниях аппарата.
Вес жидкости определим по формуле :
тогда общая нагрузка на опоры:
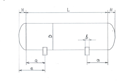
По [6] выбираем: опора 20-167-1, число опор 2 шт, L=2600мм, D=325мм, Н=85мм,
а = 500мм, е = 1000мм, в =180мм
Нагрузка балки определяется по формулам:
; (3.111.)
(3.112.)
=
= 2,983
Опорное усилие:
(3.113.)
Момент над опорами :
(3.114.)
Максимальный момент между опорами:
(3.115.)
-
Рисунок 3.8. К расчету седловых опор
Поперечное усилие в сечении над опорами :
(3.116.)
Проверим несущую способность обечайки в сечении между опорами :
Условие прочности :
, (3.117.)
Где К9 = 1,1 – коэффициент, учитывающий частичное заполнение жидкостью
<151 МПа
Условие выполняется.
Проверим несущую способность обечайки в области опорного узла. Для этого определим параметры:
=2,83
(3.118.)
=
(3.105)
Общее осевое мембранное напряжение изгиба, действующее в области опорного узла
(3.119.)
Условие прочности:
,(3.120.)
где
- допускаемые опорные усилия от нагружения в осевом и окружном направлениях.
, (3.121.)
где К10 = 0,25 - коэффициент, учитывающий влияние ширины пояса опоры.
К12 = 0,84 - коэффициент, учитывающий влияние угла охвата.
- предельные напряжения изгиба, МПа
, (3.122)
Где
и
- коэффициенты:
=1,2 ;
=1
=1,2
, тогда
, где
К14 = 0,46 - коэффициент, учитывающий влияние угла охвата.
К16 = 0,96 - коэффициент, учитывающий влияние расстояния до днища
К17 = 0,29 - коэффициент, учитывающий влияние ширины пояса опоры.
- предельные напряжения изгиба, МН
=
, где
= 0,52 ;
= 1 (3.123.)
= 0,52
=
Тогда условие
имеет вид
, т.е. условие выполняется.
Условие устойчивости:
(3.124.)
Где Fe - эффективное осевое усилие от мембранных напряжений, действующих в области опоры:
, К13 = 0,17; К15 =1 (3.125.)
= 4047
Допускаемую осевую силу определяем по формуле:
, где (3.126.)
- допустимая осевая сила из условия прочности, МН
- допустимая осевая сила из условия устойчивости, МН
=
(3.127.)
=3,14∙(0,325+(8-2)∙10-3)∙(8-2)∙10-3∙151=0,9 МН
=
(3.128.)
тогда
Допускаемый изгибающий момент определим по формуле:
(3.129.)
Где
- допускаемый момент из условия прочности, МН∙м
- допускаемый момент из условия устойчивости, МН∙м
= 0,25∙D∙
(3.130.)
= 0,25∙0,325∙0,94=0,08 МН∙м
=
(3.131.)
=
Допускаемая поперечная сила:
, (3.132.)
Где
- допускаемая поперечная сила из условия прочности, МН
- допускаемая поперечная сила из условия устойчивости, МН
= 0,25∙π∙D∙(S-c)∙
(3.133.)
= 0,25∙3,14∙0,325∙(8-2)∙10-3∙151=0,23 МН
=
(3.134.)
=
огда условие
примет вид :
<1
Условие выполняется.
Таким образом, принятая толщина стенки кожуха обеспечит прочность и устойчивость обечайки кожуха в местах установки опор без подкладных листов.
4. Расчет и выбор стандартизированного вспомогательного оборудования
4.1. Подбор насоса
Подберем насос для подачи обводненного растворителя.
Исходные данные:
- Расход экстракта V=1,2∙10-3 м3/с
- Плотность
= 850 кг/м3
- Вязкость
= 0,65∙10-3 Па∙с
Геометрическая высота подъема экстракта Н1 = 10м,расчет ведем согластно [11];
Общий напор, развиваемый насосами считаем так:
(4.1)
Где Р1 и Р2 - давление в пространстве нагнетания и всасывания, Р1 = Р2
- напор , затрачиваемый на создание скорости или преодоления трения и всех местных сопротивлений.
=
(4.2)
Где
- коэффициент трения
- сумма коэффициентов всех местных сопротивлений.
Принимаем скорость движения жидкости в нагнетательном трубопроводе
Тогда диаметр трубопровода:
=
;
=
Принимаем трубу
Уточняем скорость:
=
Величина критерия Рейнольдса:
;
=
(4.3)
Принимаем шероховатость труб
, для стальных труб с незначительной коррозией.
Величины:
;
Имеем
<
<
, т.е. течение происходит в зоне для которой
(4.4)
Принимаем длину трубопровода
=40м
Трубопровод имеет 8 отводов с углом φ = 90˚С, 7 вентилей прямоточных и измерительную диафрагму, тогда:
=
Н=15+0,63=15,63м
Мощность потребляемая насосом.
;
кВт
Выбираем насос НК 8/30, с характеристикой:
м3/с ; Н=24м ;
= 4 кВт; n = 48,3 с-1
4.2. Подбор емкости
Подберем емкость сбора растворителя.
Необходимый объем емкости определим по формуле :
, (4.5)
где G = 0,4 кг/с – расход растворителя;
кг/м3 – плотность раствора;
= 10800 с – время заполнения емкости;
= 0,8 – коэффициент заполнения.
Выбираем емкость [6] диаметром D = 1800м, номинальный объем
,
Н=2550мм
5. Монтаж оборудования
5.1. Монтаж колонны.
5.1.1 Исходные данные
Колонна имеет диаметр 500мм и длину 13980мм, масса колонны 3640 кг. Место установки: Нижегородская область, г.Кстово, промзона, завод ОАО «ЛУКОЙЛ-Нижегороднефтеоргсинтез».
5.1.2. Выбор способа монтажа
При выборе способа монтажа колонны учитываем длительность работ и приведенные затраты.
Наиболее экономично вести подъем колонны краном способом скольжения. При подъеме аппарата способом скольжения очень мал объем подготовительных работ. Но при таком способе грузоподъемность крана должна быть больше массы аппарата, а вот высота вылета стрелы может быть меньше высоты аппарата.
Подъем колонны осуществляется краном «Камаз-JONES» грузоподъемностью 25 тонн, который обладает хорошей проходимостью и маневренностью, и может передвигаться с грузом на крюке, а удельное давление на грунт невелико.
5.1.3 Описание технологии монтажа
Перед проведением работ должна быть подготовлена монтажная площадка, изготовлены фундаменты, площадка покрыта сборными железобетонными плитами. При монтаже выполняют строповку ниже вершины аппарата за специальные монтажные упоры, но выше центра тяжести. Аппарат выкладывают относительно фундамента таким образом, чтобы точка крепления и ось фундамента находились на одной окружности описываемой стрелой крана (рисунок 5.1).
Подъем ведут в такой последовательности:
Сначала поднимают вершину аппарата при одновременном подтаскивании его нижней части лебедкой или трактором. Для обеспечения горизонтального перемещения нижняя часть укладывается на монтажные сани. Скорость подтаскивания согласовывается со скоростью подъема, чтобы грузовой полиспаст находился в вертикальном положении. Плавный переход в вертикальное положение в этом случае производят после того, как аппарат в наклонном положении устанавливают на фундамент. Перевод осуществляется с помощью тормозной системы, которая начинает работать, когда достигается неустойчивое равновесие аппарата. После установки колонны на фундамент, производится нивелировка и окончательная выверка вертикального положения колонны и крепление его к основанию анкерными шпильками. Вертикальность колонны выверяют по уровню или отвесу.
5.1.4 Характеристика применяемого грузоподъемного оборудования и такелажной оснастки
Для монтажа колонны выбираем кран марки «Камаз-JONES» со следующими характеристиками:
- максимальный вылет стрелы – 28 метров;
- высота стрелы – 20 метров;
- грузоподъемность – 25 тонн.
При монтаже колонны использовались троса марки ТК 6x61 со следующими характеристиками:
- диаметр – 12 мм;
- площадь сечения – 564,9 мм2 ;
- разрывное усилие – 11350 кг.
Соответствие между вылетом стрелы, грузоподъемностью и радиусом приведены в таблице 5.1.
5.2. Монтаж теплообменника
Теплообменный аппарат устанавливают на фундамент, который представляет из себя два железобетонных столба с анкерными болтами под опоры.
Теплообменник устанавливают на подвижную и неподвижную опору, поэтому болты перемещаются в овальном отверстии подвижной опоры в направлении температурного удлинения аппарата. Гайки на болтах не затягивают на 1÷2 мм, чтобы аппарат мог свободно перемещаться в горизонтальной плоскости [18].
Монтаж теплообменника осуществляется с помощью крана «Камаз-JONES». Вертикальность аппарата выверяют по уровню или отвесу, а горизонтальность только по отвесу. Чтобы исключить влияние местных неровностей корпуса на качество выверки, уровень следует прикладывать к привалочным поверхностям фланцев корпуса или в нескольких местах к корпусу [18].
После установки и выверки производят контрольную разборку аппарата. При этом проверяют наличие прокладок, комплектность съемных деталей, правильность их взаимного расположения, наличие зазоров, расстояния мест вальцовки труб в трубных решетках.
При гидравлическом испытании контролируется плотность соединений и прочность аппарата.
Рисунок 5.1. Схема монтажа колонны
Рис.5.2 Высотные характеристики крана Jones 20 RT
6. Ремонт оборудования
6.1. Годовой график ППР
Годовой график ППР блока регенерации представлен в таблице 6.1.
6.2. Ремонт колонны
6.2.1 Подготовка колонны к ремонту
Перед началом ремонта полностью отключаются аппараты и трубопроводы установки от рабочей части схемы цеха. Остановку колонны осуществляет эксплуатационный персонал. Колонна пропаривается паром, а затем продувается инертным газом.
Отключение колонны от коммуникаций заглушками производит ремонтный персонал согласно соответствующей в цехе схеме установки заглушек под руководством начальника цеха. После подготовительных операций (пропарка, промывка) открываются люки колонны. Люки нужно открывать в строгой последовательности, начиная с верхнего когда колонна находится под паром, для предотвращения тока воздуха через колонну при одновременном открытии нижнего и верхнего люков. После пропаривания колонна промывается водой и проветривается. Проветривание необходимо для охлаждения колонны и доведения концентрации продуктов в ней до допустимых санитарных норм. После окончания проветривания нужно провести анализ проб воздуха, взятых из колонны на разных высотных отметках. К работам внутри колонны разрешается приступить только тогда, когда анализ покажет, что концентрация вредных газов и паров не превышает предельно допустимых санитарных норм.
Перед проведением капитального ремонта до остановки агрегата, механик цеха или мастер по ремонту оборудования, выполняющий ремонт, обязан составить дефектную ведомость, которая должна отвечать типовым объемам работ. Подготовленный к ремонту аппарат принимает механик цеха от начальника смены по акту передачи оборудования в ремонт. Перед проведением такого ремонта, за сутки до начала работ механик цеха обязан письменно поставить в известность начальника цеха в необходимости остановки и подготовки аппарата к ремонту в указанное и согласованное время с начальником цеха сроком. Выполнение работ фиксируется механиком в ремонтном журнале.
6.2.2 Текущий ремонт
В ходе выполнения текущего ремонта колонны производятся следующие виды работ:
- наружный осмотр аппарата;
- частичная смена шпилек и гаек;
- ремонт изоляции аппарата.
6.2.3 Капитальный ремонт колонны
Царговые колонны при капитальном ремонте демонтируются на отдельные царги, демонтируются внутренние устройства колонны(тарелки), производится чистка колпачков, при необходимости производится полная замена колпачков, при сильном износе производится полная замена тарелки.
Ремонт колонны заканчивается ее испытанием. При гидравлическом испытании колонна заполняется водой при открытой воздушке, установленной в верху колонны. Появление воды в воздушке свидетельствует о заполнении колонны. После закрытия воздушки давление в колонне медленно повышают до контрольной величины. При этом давлении аппарат выдерживается 5 минут, затем давление снижают до рабочего. Аппарат считается выдержавшим гидроиспытание если не обнаружено:
а) течи, трещин, потения в сварных швах и на основном металле;
б) течи в фланцевых соединениях;
в) видимых остаточных деформаций;
г) падения давления по манометру.
ГРАФИК ППР
| Наименование Оборудования, номер позиции на технологической схеме | Дата и вид последнего ремонта (КР) | Нормативы ресурса между ремонтами и ТО, час | Нормативы простоя в ремонте и ТО, час | График ремонтов и ТО | Годовой простой в ремонте и ТО, час | Годовой фонд рабочего времени, часы | ||||||||||||||||||||||||||||||
| январь | февраль | март | апрель | май | июнь | июль | август | сентябрь | октябрь | ноябрь | декабрь | |||||||||||||||||||||||||
| КР | ТР | ТО | КР | ТР | ТО | |||||||||||||||||||||||||||||||
| Ректификационная колонна К-8 | 29.04.06 | 69120 | 2880 | - | 240 | 48 | - | - | - | - | тр | - | - | - | тр | - | - | - | тр | 144 | 8496 | |||||||||||||||
| Дренажная емкость Е-10 | 29.04.06 | 69120 | 2880 | - | 240 | 48 | - | - | - | - | тр | - | - | - | тр | - | - | - | тр | 144 | 8496 | |||||||||||||||
| Емкость исх раствора Е-7а | 29.04.06 | 51840 | - | 2160 | 96 | - | 18 | - | - | то | - | - | то | - | - | то | - | - | то | 72 | 8566 | |||||||||||||||
| Емкость растворителя Е-6 | 29.04.06 | 51840 | - | - | 54 | 8 | - | - | тр | - | тр | - | тр | - | тр | - | тр | - | тр | 48 | 8596 | |||||||||||||||
| Теплообменник Т-18, 20 | 29.04.06 | 51840 | - | - | 54 | 8 | - | - | тр | - | тр | - | тр | - | тр | - | тр | - | тр | 48 | 8596 | |||||||||||||||
| Насос подачи исходной смеси Н-12 (Н-13) | 29.04.06 | 17280 | 1440 | - | 48 | 8 | - | - | - | - | тр | - | - | - | тр | - | - | - | тр | 24 | 8596 | |||||||||||||||
| Насос подачи флегмы Н-10 | 29.04.06 | 17280 | - | - | - | тр | - | - | - | тр | - | - | - | тр | 24 | 8596 | ||||||||||||||||||||
| Насос дренажный Н-9 | 29.04.06 | 17280 | - | - | - | тр | - | - | - | тр | - | - | - | тр | 24 | 8596 | ||||||||||||||||||||
6
Изм.
Лист
№ докум.
Подпись
Дата
Лист
.3. Ремонт теплообменника6.3.1 Характеристика дефектов
В процессе длительной работы теплообменный аппарат подвергается загрязнению и износу. Поверхность теплообменника покрывается накипью и маслом.
С увеличением отложений возрастает термическое сопротивление стенки и ухудшается теплообмен.
Износ теплообменного аппарата выражается в следующем:
1) уменьшение толщины стенки корпуса, днища, трубных решеток;
2) выпучины и вмятины на корпусе и днищах;
3) свищи, трещины, прогары на корпусе, трубках и фланцах;
4) увеличение диаметра отверстий для труб в трубной решетке;
5) прогиб трубных решеток и деформация трубок;
6) нарушение термоизоляции.
6.3.2 Подготовка теплообменника к ремонту
Подготовка к ремонту включает в себя выполнение следующих мероприятий:
- снижают избыточное давление до атмосферного и аппарат освобождается от продукта;
- отключается арматура и ставятся заглушки на всех проводящих и отводящих трубопроводах;
- проводится продувка водяным паром с последующей промывкой водой и продувкой воздухом;
- выполняется анализ на наличие ядовитых и взрывоопасных продуктов;
- составляется акт сдачи в ремонт.
6.3.3 Текущий ремонт теплообменника
При текущем ремонте выполняются следующие виды работ:
а) снимается крышка с распределительной камеры для проверки исправности перегородки;
б) производится ревизия запорной арматуры;
в) частичная замена изоляции.
6.3.4 Капитальный ремонт теплообменника
При капитальном ремонте выполняются следующие виды работ:
1) работы выполняемые при текущем ремонте;
2) выявление дефектов вальцовки и сварки гидравлическим испытанием на рабочее давление;
3) частичная смена или отключение дефектных трубок, крепление труб вальцовкой или сваркой, для чего извлекают трубный пучок из корпуса теплообменного аппарата с помощью тракторной лебедки и автомобильного крана.
Демонтаж производится в следующей последовательности:
- снимаются крышки теплообменного аппарата;
- проводится предварительный сдвиг трубчатки;
- тракторной лебедкой трубный пучок извлекается из аппарата;
- при помощи хомутов и стропов трубчатка подвешивается к крюку автомобильного крана, который после окончательного извлечения трубного пучка опускает его на прицеп для транспортировки на место очистки и ремонта. При ремонте трубного пучка допускается установка пробок на 15% трубок. Применение бывших в употреблении трубок допускается , если они потеряли вследствие износа не более 30% первоначального веса.
4) Чистка внутренней поверхности корпуса аппарата и его дефектация. Корпус аппарата, имеющий различные выпучены и вмятины выправляется ударами кувалды по медной прокладке. Если невозможно устранить указанные выше дефекты ударами и нагревом, то поврежденные участки удаляются или на них ставят накладки. Свищи и трещины устраняются путем заварки или постановкой накладок с предварительным удалением дефектного участка. При помощи цветной дефектоскопии определяют протяженность и положение концов трещин, обнаруженных в корпусе. Эти концы до заварки засверливаются сверлами диаметром 3÷5 мм. Несквозные трещины глубиной не более 0,4 толщины стенки разделываются под заварку односторонней вырубкой на максимальную глубину трещины со снятием кромок под углом 50-60˚. При трещине более 100мм сварку проводят обратноступенчатым методом. Сквозные и несквозные трещины глубиной более 0,4 толщины стенки разделывают на всю толщину вырубкой зубилом или газорезкой. При появлении гнездообразных трещин поврежденные места вырезаются и закрываются заплатами без острых углов. Заплаты ввариваются заподлицо с основным металлом. Площадь заплаты не должна превышать 1/3 площади листа аппарата.
Чистка межтрубного пространства осуществляется химическим методом без вскрытия и разборки теплообменника 5-15% раствором соляной кислоты с добавкой ингибитора. По окончании ремонта проводится гидроиспытание.
7. Технология изготовления фланца
Исходные данные:
Рабочий чертеж детали.
Материал детали – сталь ВСт 3 сп
Заготовка – листовой прокат.
Маршрут изготовления фланца приведен на чертеже. Припуск на размеры заготовки фланца составляет 10 мм.
Определение режимов наружного продольного точения с ø470 до ø460 мм.
Величину подачи определяем в соответствии с рекомендациями при черновом точении в зависимости от глубины резания и диаметра детали. Глубина резания t =
2 мм. Принимаем подачу S = 1,1 мм/об.
Скорость резания определяем по формуле :
,
где
= 340 - коэффициент
x = 0,15 - коэффициент
y = 0,45 – коэффициент
Т= 60 мин – среднее значение стойкости режущего инструмента
m = 0,2 - коэффициент
- общий поправочный коэффициент на скорость резания
=
Для расчетов
можно применить :
≈1
тогда
=
м/мин
Частота вращения заготовки определяется по формуле :
n=
, где
D = 470 мм – диаметр обрабатываемой поверхности.
Подставляем численные значения, получим :
n =
об/мин
Определяем тангенциальную составляющую усилия резания по формуле:
, где
Cp = 300 – коэффициент
x = 1,0 – коэффициент
y = 0,75 – коэффициент
n = - 0,15 – коэффициент
Kp - общий поправочный коэффициент на скорость резания
Kp =
,
где
= 0,98
= 1,15 коэффициент, учитывающий влияние геометрических
= 1 параметров режущей части инструмента на усилие резания.
= 1
-коэффициент, учитывающий влияние механических свойств обрабатываемого материала на усилие резания.
=
=
Кp = 0,86∙0,98∙1,15∙1∙1=0,97
= 10∙300∙21∙1,10,75∙129-0,15∙0,97=2989,15Н
Мощность резания N, кВт, определяется по формуле: N =
N =
кВт
Необходимая мощность на приводе станка определяется по формуле:
Nст =
, где η = 0,85 – КПД привода станка.
Nст =
кВт.
По справочнику в зависимости от мощности привода и размеров заготовки подбираем станок токарно-винторезный модели 16 К 25, с мощностью эл. двигателя главного привода 11 кВт.
Расчет технической нормы времени.
Штучное время для нашей операции определяется по формуле :
, где
- время оперативное, мин
- процент от оперативного времени, выражающий время технического обслуживания
= (0,8 ÷ 2,5)%
- процент от оперативного времени, выражающий время организационного обслуживания рабочего времени,
=(2÷13) %
;
- процент от оперативного времени, выражающий время перерывов на отдых,
=(4 ÷ 6)%
.
На основе рекомендации принимаем:
=1,5% ;
=8 % ;
= 4,5 %.
Время оперативное определяется по формуле :
Где
- основное время, затраченное на изготовление детали, мин
-вспомогательное время, вспомогательные действия рабочего непосредственно связанные с основной работой.
=
, где L = 32мм – ширина обрабатываемой поверхности
= 5 мм – величина врезания и перебега инструмента.
n = 88 об/мин – число оборотов
S= 1,1- мм/об – подача
Тогда получим:
=
мин
На основе проверочных данных вспомогательное время на весь комплекс действий для обработки заготовки на токарно-винторезном станке 16К25 составляет:
=5 мин
Тогда оперативное время составляет :
=5 + 0,38 = 5,38 мин.
Определим штучное время для данной операции:
= 5,38
мин
Заключение
В проекте разработано основное оборудование блока регенерации растворителя установки депарафинизации масел колонна и теплообменник. В колонне взамен S-образных тарелок использованы колпачковые тарелки с повышенным КПД, кроме того, с переходом на двухгодичный цикл работы оборудования, увеличивается количество рабочих дней, что позволило увеличить выпуск готовой продукции с 175712 т/год до 183396 т/год.
Принятые в проекте решения подтверждены технологическими и прочностными расчетами.
Экономические расчеты показали целесообразность замены изношенного оборудования: себестоимость снизилась с 3830 руб/тон до 3710 руб/тон; уровень рентабельности увеличился с 30,5% до 34,7% (на 4,2%). Годовая прибыль выросла на 30997 тыс. руб., при сроке окупаемости капитальных вложений в течение одного года.
Принятые в проекте решения подтверждены технологическими и прочностными расчетами. Экономические расчеты показали целесообразность модернизации: снизилась себестоимость продукции, срок окупаемости составил 1,0 год;
Годовая прибыль выросла на 30997 тыс. рублей.
СПИСОК ЛИТЕРАТУРНЫХ ИСТОЧНИКОВ
1. Гальперин Н.И. Основные процессы и аппараты химической технологии. - М.: Химия, 1981. - 812 с.
2. Основные процессы и аппараты химической технологии: Пособие по
проектированию / Под ред. Ю.И.Дытнерского. - М.: Химия, 1991.- 494 с.
3. Примеры и задачи по курсу "Машины и аппараты химических
В.М. Ульянова; НГТУ Н.Новгород, 2003. - 391с.
4. Саблина З И. Состав и химическая стабильность моторных топлив. М. Химия. 1972 г -277с.
5.Генкин А. Э. Оборудование химических заводов. Учебное пособие. - М.:
Высшая школа . 1986. - 280 с.
6. Дытнерский Ю,М. Процессы и аппараты химической технологии. Ч.2 Массообменные процессы и аппараты. - М.: Химия, 1995.
7. Плановский А, Н, Рамм В. Н., Коган С. З. Процессы и аппараты химической технологии. Учебник для вузов 3 изд. М. Химия 1987г. 496 с.
8. Павлов К.Ф., Романков П.Г., Носков А.А. Примеры и задачи по курсу
процессов и аппаратов химической технологии. - Л.: Химия, 1981. - 560 с.
9. Лащинский А.А. Конструирование сварных химических аппаратов:
Справочник. - Л.: Машиностроение, 1981. - 382 с.
10. ГОСТ 14249-89. Сосуды и аппараты. Нормы и методы расчёта на
прочность.
11. ГОСТ 24755-89.Сосуды и аппараты. Нормы и методы расчёта на
прочность укрепления отверстий.
12. ГОСТ 24756-81. Сосуды и аппараты. Нормы и методы расчёта на
прочность. Определение расчётных усилий для аппаратов колонного типа от ветровых нагрузок и сейсмических воздействий.
13. ОСТ 26-291-94. Сосуды и аппараты стальные сварные.
Общие технические условия.
14. ОСТ 26-373-78. Нормы и методы расчёта на прочность фланцевых
соединений сосудов и аппаратов.
15. Дятлов В.Н. Коррозионная стойкость металлов и сплавов: Справ. - М.:
Машиностроение, 1984. - 352 с.
16. Система технического обслуживания и ремонта оборудования
предприятий химической промышленности. - М.: Химия, 1986. - 352 с.
17. Гальперин М.И., Артемьев В.И., Местечкин Л.М. Монтаж
технологического оборудования нефтеперерабатывающих заводов. - М.:
Стройиздат, 1982. - 352 с.
нефтеперерабатывающих заводов. - М.: Химия, 1988.
19. Справочник технолога-машиностроителя. - М.: Машиностроение,
1985. - 496 с.
18. Фарамазов С.А. Ремонт и монтаж оборудования химических и
нефтеперерабатывающих заводов. - М.: Химия, 1988.
19. Справочник технолога-машиностроителя. - М.: Машиностроение,
1985. - 496 с.
20. Автоматизация технологических процессов.- М.: Химия, 1988. - 382с
21. Технологическая схема установки 39/2 с автоматизацией процесса
ОАО "ЛУКОЙЛ-Нижегороднефтеоргсинтез"
22. ГОСТ 12.0.003-74. Система стандартов безопасности труда. Опасные,
вредные производственные факторы. Классификация. - М.: Издательство стандартов, 1974.
23. Регламент установки. ПЛАС. Технологическая карта. Материалы
преддипломной практики. Основная часть расчётно-пояснительной
записки к дипломному проекту.
24. СНиП 2.04.09-84. Пожарная автоматика зданий и сооружений. – М.:
ЦИТП Госстроя СССР, 1985.
25. ГОСТ 12.1.007-76. Вредные вещества. Классификация и общие
требования безопасности. - М.: Изд-во стандартов, 1976.
26. Лазарев Н.В. Вредные вещества в промышленности. – Л.: Химия, 1976.
27. Средства индивидуальной защиты: Справ. / Под ред. Каминского С.Л.
Л.: Химия, 1989.
28. Сафонова Н.А. Спецодежда и спецобувь. – М.: Химия, 1984.
29. ГОСТ 12.10.05-88. Система стандартов безопасности труда. Общие
требования к воздуху рабочей зоны. - М.: Изд-во стандартов,1988.
30. Методические указания по выполнению расчетной части раздела "Охрана
труда" в дипломных проектах. Ч.1 и 2 / ГПИ. Горький:, 1983 (4).
31. СНиП 2.04.05-91. Отопление, вентиляция и кондиционирование. – М.: ГП
ЦПП, 1994.
32. ГОСТ 12.1.003-83. Шум. Общие требования безопасности. – М.: Изд-во
стандартов, 1983.
33. ГОСТ 12.1.012-90. Вибрационная безопасность. Общие требования. – М.:
Изд-во стандартов, 1990.
34. СНиП 23-05-95. Естественное и искусственное освещение. – М.:
Минстрой России, 1995.
35. Правила устройства электроустановок. (ПУЭ). – М.: Энергоатомиздат,
1985.
36. Статическое электричество в химической промышленности / Под ред.
Сажина Б.И. – Л.: Энергия, 1977.
37. Правила защиты от статического электричества в производствах
химической, нефтяной и нефтеперерабатывающей промышленности. –
М.: Химия, 1973.
38. Инструкция по проектированию и устройству молниезащиты зданий и
сооружений (РД 34.12.122-87). – М.: Госстрой, 1983.
39. Баратов А.Н., Иванов Е.Н. Пожаротушение на предприятиях химической и нефтеперерабатывающей промышленности. – М.: Химия, 1979.
40. Правила устройства и безопасной эксплуатации сосудов, работающих
под давлением. (ПБ 10-115-96). – М.: ПИО ОБТ, 1996.
41. Пожарная опасность веществ и материалов, применяемых в химической промышленности. Справ. / Под ред.Рябова И.В. - М.: Химия, 1970.
42. Справочник нефтепереработчика. / Под ред. Ластовкина Г.А., Радченко
Е.Д., Рудина М.Г. - Л.: Издательство Химия, 1986.
43. ГОСТ 12.1.011-78. Смеси взрывоопасные. Классификация. – М.: Изд-во
стандартов, 1978.
44. НПБ 105-95. Определение категорий зданий и помещений по
взрывопожарной опасности. - М.: Главное управление Государственной
противопожарной службы МВД России, 1996.
45. Строительные нормы и правила. Нормы проектирования.
Противопожарные нормы. (СНиП 2-01.02-85). – М.: ЦИТП Госстроя
СССР, 1986.
46. Торочешников Н.С. и др. Техника защиты окружающей среды. – М.:
Химия, 1981.
47. Атаманюк В.Г., Ширшев Л.Г., Акимов Н.И. Гражданская оборона. – М.: Высшая школа, 1986.
48. Тихомиров М.И. Гражданская оборона предприятий химической
промышленности. – М.: НИИТЭХИМ, 1970.
49. СНиП II-11-77 . Защитные сооружения гражданской обороны. – М.:
ЦИТП Госстроя СССР, 1985.
50. Методические указания по выполнению организационно-экономической части дипломных проектов конструкторского направления для студентов спец. 170500 всех форм обучения / НГТУ; Сост.: Л.Е. Зимина и др. Н.Новгород, 2002. - 14 с.
51. Калькуляция продукции установки39/2 и её экономические показатели
ОАО "ЛУКОЙЛ-Нижегороднефтеоргсинтез"
52. Колонные аппараты: Каталог / ЦИНТИхимнефтемаш, М., 1978. - 30 с.
53. Стандартные, кожухотрубчатые теплообменные аппараты общего
назначения: Каталог / ЦИНТИхимнефтемаш, М., 1978. - 14 с.
54. Стандарт предприятия. Проекты (работы) дипломные и курсовые. Общие требования к оформлению пояснительных записок и чертежей. СТП 1-У НГТУ-04 / НГТУ Н.Новгород, 2004. - 25с.
55. Попова Г.Н., Алексеев С.Ю. Машиностроительное черчение. Справ. -
СПб.: Политехника, 1999. - 453 с.
56. ГОСТ 2.001-93 ЕСКД. Общие положения.
57. ГОСТ 2.105-95 ЕСКД. Общие требования к тестовым документам.
58. Дипломные проекты конструкторского направления: Метод. указания по дипломному проектированию для студентов спец. 170500 всех форм обучения / НГТУ; Сост.: А.И. Пронин и др. Н.Новгород, 2004. - 43 с.
, где
С1П = 3,83 тыс.руб. Себестоимость единицы продукции по Аналогу, тыс.руб.;
С2n = 3,71 тыс.руб. Себестоимость единицы продукции по проекту, тыс.руб.;
В2 = 183369 т/год – выпуск готовой продукции по проекту, тыс.руб.
тыс.руб.
В период капитального ремонта смонтированы новые тарелки в К-8, теплообменник с У-образными трубками, новые киновские сборки, общей стоимостью капитальных затрат – 2703,96 тыс.руб.
Определим ориентировочным экономическим расчетом окупаемости предполагаемых капитальных вложений, Ток, лет по формуле:
1 год
Срок окупаемости в течение 1 года. Приведенные показатели свидетельствуют о целесообразности и эффективности предлагаемой модернизации
-
Описание технологии производства и конструкций разрабатываемого оборудования
В дипломном проекте были разработаны два аппарата: ректификационная колонна и теплообменник с U-образными трубками.
-
Устройство и принцип работы колонны
Тарельчатый колонный аппарат (см. чертеж БРР 01.00.000.СБ) состоит из вертикального корпуса, эллиптического днища, крышки и жестко скрепленной с корпусом опорной обечайки цилиндрической формы. Обводненный растворитель подается на 17-ю тарелку кетоновой колонны К-8. В низ колонны подается острый пар. С верха колонны К-8 пары растворителя со следами воды конденсируются и охлаждаются в конденсаторе – холодильнике Т-17(Т-20). Затем охлажденный конденсат направляется в емкость Е-6 для дальнейшего использования. Вода из нижней части колонны К-8, содержащая следы растворителя, дренируется автоматически в ПЛК.
2.2.Устройство и принцип работы теплообменника
Теплообменник типа U (см. чертеж БРР 03.00.000.CБ) состоит из кожуха и трубного пучка. Трубная решетка соединена фланцевым соединением с кожухом и распределительной камерой. Камера закрыта эллиптической крышкой. При нагревании трубки удлиняются за счет U-образного исполнения.
Теплообменник нагрева исходной смеси работает следующим образом : пар через штуцер проступает в трубное пространство теплообменника, по мере продвижения по трубам пар нагревает исходный раствор который подается в межтрубное пространство. Нагретый исходный раствор выходит из теплообменника и направляется в колонну.
-
Выбор конструкционных материалов
В качестве конструкционных материалов для изготовления аппаратов выбираем листовой прокат, а для изготовления патрубков – трубный прокат.
Основным критерием при выборе конструкционного материала для химической аппаратуры является его химическая и коррозионная стойкость в рабочей среде. Наряду с этим к конструкционным материалам одновременно предъявляются требования высокой механической прочности, жаростойкости, сохранение пластичных свойств при высоких и низких температурах. Необходимо также учитывать физические свойства материалов (теплопроводность, линейное температурное расширение), а также некоторые другие соображения технико-экономического порядка, такие как дефицитность, стоимость материала. Также должна обеспечиваться хорошая свариваемость материалов.
Среда в колонне – обводненный растворитель (ацетон), температура рабочей среды 100˚С, давление - 0,7 МПа. В теплообменнике – в трубном пространстве пар, в межтрубном обводненный растворитель, которые малоагрессивны.
Выбираем материал для изготовления аппаратов в целом – сталь ВСт 3сп по ГОСТ 380-71. Эта сталь хорошо свариваемая, обладает хорошей коррозионной стойкостью в данной среде. Способ сварки для днищ с обечайкой - стыковкой с двухсторонним сплошным проваром, выполненными автоматической сваркой. Материал проволоки Св-08 по ГОСТ 2246-70, марка флюса АН-348 по ГОСТ 9087- 69 .
Для сварки патрубков, фланцев к корпусу аппарата способ сварки тавровый, вручную электродуговой сваркой. Так электродов Э 42 по ГОСТ 0467-70. Крепежные детали для фланцевых соединений по ГОСТ 7798-70, гайки по ГОСТ 5915-70. Материал сталь 35.
6. Ремонт оборудования
6.1. Годовой график ППР
Годовой график ППР блока регенерации представлен в таблице 8.1.
6.2. Ремонт колонны
6.2.1 Подготовка колонны к ремонту
Перед началом ремонта полностью отключаются аппараты и трубопроводы установки от рабочей части схемы цеха. Остановку колонны осуществляет эксплуатационный персонал. Колонна пропаривается паром, а затем продувается инертным газом.
Отключение колонны от коммуникаций заглушками производит ремонтный персонал согласно соответствующей в цехе схеме установки заглушек под руководством начальника цеха. После подготовительных операций (пропарка, промывка) открываются люки колонны. Люки нужно открывать в строгой последовательности, начиная с верхнего когда колонна находится под паром, для предотвращения тока воздуха через колонну при одновременном открытии нижнего и верхнего люков. После пропаривания колонна промывается водой и проветривается. Проветривание необходимо для охлаждения колонны и доведения концентрации продуктов в ней до допустимых санитарных норм. После окончания проветривания нужно провести анализ проб воздуха, взятых из колонны на разных высотных отметках. К работам внутри колонны разрешается приступить только тогда, когда анализ покажет, что концентрация вредных газов и паров не превышает предельно допустимых санитарных норм.
Перед проведением капитального ремонта до остановки агрегата, механик цеха или мастер по ремонту оборудования, выполняющий ремонт, обязан составить дефектную ведомость, которая должна отвечать типовым объемам работ. Подготовленный к ремонту аппарат принимает механик цеха от начальника смены по акту передачи оборудования в ремонт. Перед проведением такого ремонта, за сутки до начала работ механик цеха обязан письменно поставить в известность начальника цеха в необходимости остановки и подготовки аппарата к ремонту в указанное и согласованное время с начальником цеха сроком. Выполнение работ фиксируется механиком в ремонтном журнале.
6.2.2 Текущий ремонт
В ходе выполнения текущего ремонта колонны производятся следующие виды работ:
- наружный осмотр аппарата;
- частичная смена шпилек и гаек;
- ремонт изоляции аппарата.
6.2.3 Капитальный ремонт колонны
Царговые колонны при капитальном ремонте демонтируются на отдельные царги, демонтируются внутренние устройства колонны(тарелки), производится чистка колпачков, при необходимости производится полная замена колпачков, при сильном износе производится полная замена тарелки.
Ремонт колонны заканчивается ее испытанием. При гидравлическом испытании колонна заполняется водой при открытой воздушке, установленной в верху колонны. Появление воды в воздушке свидетельствует о заполнении колонны. После закрытия воздушки давление в колонне медленно повышают до контрольной величины. При этом давлении аппарат выдерживается 5 минут, затем давление снижают до рабочего. Аппарат считается выдержавшим гидроиспытание если не обнаружено:
а) течи, трещин, потения в сварных швах и на основном металле;
б) течи в фланцевых соединениях;
в) видимых остаточных деформаций;
г) падения давления по манометру.
6.3. Ремонт теплообменника
6.3.1. Характеристика дефектов
В процессе длительной работы теплообменный аппарат подвергается загрязнению и износу. Поверхность теплообменника покрывается накипью и маслом.
С увеличением отложений возрастает термическое сопротивление стенки и ухудшается теплообмен.
Износ теплообменного аппарата выражается в следующем:
1) уменьшение толщины стенки корпуса, днища, трубных решеток;
2) выпучины и вмятины на корпусе и днищах;
3) свищи, трещины, прогары на корпусе, трубках и фланцах;
4) увеличение диаметра отверстий для труб в трубной решетке;
5) прогиб трубных решеток и деформация трубок;
6) нарушение термоизоляции.
6.3.2 Подготовка теплообменника к ремонту
Подготовка к ремонту включает в себя выполнение следующих мероприятий:
- снижают избыточное давление до атмосферного и аппарат освобождается от продукта;
- отключается арматура и ставятся заглушки на всех проводящих и отводящих трубопроводах;
- проводится продувка водяным паром с последующей промывкой водой и продувкой воздухом;
- выполняется анализ на наличие ядовитых и взрывоопасных продуктов;
- составляется акт сдачи в ремонт.
6.3.3 Текущий ремонт теплообменника
При текущем ремонте выполняются следующие виды работ:
а) снимается крышка с распределительной камеры для проверки исправности перегородки;
б) производится ревизия запорной арматуры;
в) частичная замена изоляции.
6.3.4 Капитальный ремонт теплообменника
При капитальном ремонте выполняются следующие виды работ:
1) работы выполняемые при текущем ремонте;
2) выявление дефектов вальцовки и сварки гидравлическим испытанием на рабочее давление;
3) частичная смена или отключение дефектных трубок, крепление труб вальцовкой или сваркой, для чего извлекают трубный пучок из корпуса теплообменного аппарата с помощью тракторной лебедки и автомобильного крана.
Демонтаж производится в следующей последовательности:
- снимаются крышки теплообменного аппарата;
- проводится предварительный сдвиг трубчатки;
- тракторной лебедкой трубный пучок извлекается из аппарата;
- при помощи хомутов и стропов трубчатка подвешивается к крюку автомобильного крана, который после окончательного извлечения трубного пучка опускает его на прицеп для транспортировки на место очистки и ремонта. При ремонте трубного пучка допускается установка пробок на 15% трубок. Применение бывших в употреблении трубок допускается , если они потеряли вследствие износа не более 30% первоначального веса.
4) Чистка внутренней поверхности корпуса аппарата и его дефектация. Корпус аппарата, имеющий различные выпучены и вмятины выправляется ударами кувалды по медной прокладке. Если невозможно устранить указанные выше дефекты ударами и нагревом, то поврежденные участки удаляются или на них ставят накладки. Свищи и трещины устраняются путем заварки или постановкой накладок с предварительным удалением дефектного участка. При помощи цветной дефектоскопии определяют протяженность и положение концов трещин, обнаруженных в корпусе. Эти концы до заварки засверливаются сверлами диаметром 3÷5 мм. Несквозные трещины глубиной не более 0,4 толщины стенки разделываются под заварку односторонней вырубкой на максимальную глубину трещины со снятием кромок под углом 50-60˚. При трещине более 100мм сварку проводят обратноступенчатым методом. Сквозные и несквозные трещины глубиной более 0,4 толщины стенки разделывают на всю толщину вырубкой зубилом или газорезкой. При появлении гнездообразных трещин поврежденные места вырезаются и закрываются заплатами без острых углов. Заплаты ввариваются заподлицо с основным металлом. Площадь заплаты не должна превышать 1/3 площади листа аппарата.
Чистка межтрубного пространства осуществляется химическим методом без вскрытия и разборки теплообменника 5-15% раствором соляной кислоты с добавкой ингибитора. По окончании ремонта проводится гидроиспытание.
151>1>














