123156 (592769), страница 3
Текст из файла (страница 3)
030 Контрольная
032 Фрезерная Станок фрезерный 676П
035 Фрезерная Станок фрезерный 676П
040 Слесарная
045 Фрезерная Станок фрезерный 676П
050 Фрезерная Станок фрезерный 676П
055 Слесарная
060 Фрезерная Фрезерный обрабатывающий центр Mini Mill
065 Слесарная
070 Фрезерная Станок фрезерный 676П
072 Слесарная
075 Фрезерная Станок фрезерный 676П
080 Фрезерная Станок фрезерный 676П
085 Слесарная
090 Фрезерная Станок фрезерный 676П
095 Слесарная
100 Фрезерная Станок фрезерный 676П
105 Фрезерная Станок фрезерный 676П
110 Слесарная
115 Фрезерная Фрезерный обрабатывающий центр Mini Mill
120 Слесарная
125 Фрезерная Фрезерный обрабатывающий центр Mini Mill
130 Слесарная
135 Фрезерная Фрезерный обрабатывающий центр Mini Mill
040 Слесарная
145 Фрезерная Фрезерный обрабатывающий центр Mini Mill
Обоснование выбора схем базирования
Базирование – это придание заготовке или изделию требуемого положения относительно выбранной системы координат. Поверхности детали, которые участвуют в базировании детали и принадлежат, обрабатываемой заготовке называются базами. Базирование реализуется за счет наложения на заготовку геометрических связей, лишающих ее степеней свободы. Для того чтобы полностью сориентировать заготовку необходимо и достаточно наложить на нее 6 двухсторонних связей, т.е. лишить ее шести степеней свободы (3 перемещения и 3 поворота). Геометрические связи, лишающие заготовку шести степеней свободы, обеспечиваются шестью точками, находящимися в контакте с установочными элементами. С этой целью применяют основные опоры, число которых должно быть равно числу устраняемых степеней свободы. Для повышения жесткости и виброустойчивости дополнительно используют вспомогательные регулируемые и самоустанавливающиеся опоры. Суммарное число основных и вспомогательных опор может быть больше шести.
Технологическая база – поверхность, линия или точка, которые используются для установки детали при механической обработке.
Стабильность положения заготовки в процессе ее обработки обеспечивается закреплением. Под закреплением понимают приложенные к заготовке силы, обеспечивающие постоянство контакта базовых поверхностей заготовки и установочных элементов. В массовом и крупносерийном производстве установка заготовок обычно производят без выверки. Ее правильное положение относительно режущего инструмента обеспечивается установочными элементами.
Станочные приспособления применяют для установки заготовок на металлорежущие станки. Точность обработки деталей по параметрам отклонений размеров, формы и расположения поверхностей увеличивается за счет применения специальных приспособлений точных, надежных, обладающих достаточной собственной и контактной жесткостью, с уменьшенными деформациями заготовок и стабильными силами их закрепления. Применение приспособлений позволяет обоснованно снизить требования к квалификации станочников основного производства, объективно регламентировать длительность выполняемых операций и расценки, расширить технологические возможности оборудования.
Установку заготовок плоской поверхностью применяют при обработке корпусов, рам, плит, пластин на фрезерных, сверлильных, расточных и некоторых других станках.
1.9 Расчет режимов резания и нормирование
Операция 045 Фрезерная
Переход №1 (Т01): Фрезерование поверхности.
Инструмент – фреза торцовая насадная, материал режущей части – Р6М5.
1) Глубина резания t и ширина фрезерования В (при маятниковой подаче):
2) Подача, в зависимости от параметров фрезы и обрабатываемого материала, будет равна (табл. 37, стр. 285 [2]):
.
Подача на зуб:
3) Скорость резания:
, где
;
;
; (табл. 4, стр. 263 [2])
= 0,9; (табл. 5, стр. 263 [2])
=1,0; (табл. 6, стр. 263 [2])
;
;
(табл. 39, стр. 289 [2])
мин;
4) Частота вращения:
;
Корректируем частоту вращения по паспортным данным станка:
, тогда
;
5) Главная составляющая силы резания:
; (табл. 10, стр. 265 [2])
(табл. 41, стр. 291 [2])
;
Принимаем:
6) Силы
,
,
,
:
7) Крутящий момент:
;
8) Мощность резания:
9) Реальная мощность:
кВт;
кВт;
;
;
10) Основное время:
, где
– длина резания
– врезание инструмента
– перебег инструмента
Операция 115 Фрезерная с ЧПУ
Переход №1,2,3,4,5 (Т01): Сверление отверстии
.
Инструмент – спиральное сверло, материал режущей части – Р6М5.
-
Глубина резания определяется по формуле:
,
где
– диаметр сверла.
-
Подача в зависимости от
и твердости обрабатываемого материала (HB<100) будет равна (табл. 25, стр. 277 [2]):
,
-
Расчетная скорость резания определяется по формуле:
,
где
– значение коэффициента и показателей степени (табл. 28, стр. 278, [2]);
- стойкость инструмента (табл. 30, стр. 280, [2]);
– поправочный коэффициент,
где
; (табл. 4, стр. 263 [2]) – коэффициент на обрабатываемый материал,
=1,0; (табл. 6, стр. 263 [2]) – коэффициент на инструментальный материал
(табл. 31, стр. 280, [2]) – коэффициент, учитывающий глубину сверления:
(табл. 31, стр. 280, [2]).
-
Расчетная частота вращения сверла:
.
Принимаем фактическую частоту вращения по паспорту станка:
.
Тогда фактическая скорость резания будет равна:
.
-
Крутящий момент и осевую силу определим следующим образом:
Крутящий момент:
,
где
(табл. 32, стр. 281, [2]);
(табл. 10, стр. 265, [2]) – поправочный коэффициент,
Осевая сила:
где
(табл. 32, стр. 281, [2]);
-
Мощность резания определяется по формуле:
-
Реальная мощность:
кВт;
кВт;
;
;
-
Основное время:
, где
где
- величина врезания;
– длина обрабатываемой поверхности;
– количество рабочих ходов.
Переход №6,7 (Т02): Сверление отверстии
.
Инструмент – спиральное сверло, материал режущей части – Р6М5.
-
Глубина резания определяется по формуле:
,
где
– диаметр сверла.
-
Подача в зависимости от
и твердости обрабатываемого материала (HB<100) будет равна (табл. 25, стр. 277 [2]):
,
-
Расчетная скорость резания определяется по формуле:
,
где
– значение коэффициента и показателей степени (табл. 28, стр. 278, [2]);
- стойкость инструмента (табл. 30, стр. 280, [2]);
– поправочный коэффициент,
где
; (табл. 4, стр. 263 [2]) – коэффициент на обрабатываемый материал,
=1,0; (табл. 6, стр. 263 [2]) – коэффициент на инструментальный материал
(табл. 31, стр. 280, [2]) – коэффициент, учитывающий глубину сверления:
.
-
Расчетная частота вращения сверла:
.
Принимаем фактическую частоту вращения по паспорту станка:
.
Тогда фактическая скорость резания будет равна:
.
-
Крутящий момент и осевую силу определим следующим образом:
Крутящий момент:
,
где
(табл. 32, стр. 281, [2]);
(табл. 10, стр. 265, [2]) – поправочный коэффициент,
Осевая сила:
где
(табл. 32, стр. 281, [2]);
-
Мощность резания определяется по формуле:
-
Реальная мощность:
кВт;
кВт;
;
;
-
Основное время:
, где
где
- величина врезания;
– длина обрабатываемой поверхности;
– количество рабочих ходов.
Переход №8,9,10,11,12 (Т03): Сверление отверстии
Инструмент – спиральное сверло, материал режущей части – Р6М5.
-
Глубина резания определяется по формуле:
,
где
– диаметр сверла.
-
Подача в зависимости от
и твердости обрабатываемого материала (HB<100) будет равна (табл. 25, стр. 277 [2]):
,
-
Расчетная скорость резания определяется по формуле:
,
где
– значение коэффициента и показателей степени (табл. 28, стр. 278, [2]);
- стойкость инструмента (табл. 30, стр. 280, [2]);
– поправочный коэффициент,
где
; (табл. 4, стр. 263 [2]) – коэффициент на обрабатываемый материал,
=1,0; (табл. 6, стр. 263 [2]) – коэффициент на инструментальный материал
(табл. 31, стр. 280, [2]) – коэффициент, учитывающий глубину сверления:
.
-
Расчетная частота вращения сверла:
.
Принимаем фактическую частоту вращения по паспорту станка:
.
Тогда фактическая скорость резания будет равна:
.
-
Крутящий момент и осевую силу определим следующим образом:
Крутящий момент:
,
где
(табл. 32, стр. 281, [2]);
(табл. 10, стр. 265, [2]) – поправочный коэффициент,
Осевая сила:
где
(табл. 32, стр. 281, [2]);
-
Мощность резания определяется по формуле:
-
Реальная мощность:
кВт;
кВт;
;
;
-
Основное время:
, где
где
- величина врезания;
– длина обрабатываемой поверхности;
– количество рабочих ходов.
Переход №13,14,15,16,17 (Т04): Цекование отверстия
Инструмент – зенковка с направлением (цековка), материал режущей части – Р6М5.
Для данной операции примем режимы резания, рекомендуемые «Справочником по режимам резания» под редакцией В.И. Гузеева
Диаметр отверстия – 3,9 мм, диаметр цекуемого отверстия – 6 мм, глубина – 3,5 мм
Подача на оборот –
Скорость резания –
Осевая сила – Р = 810Н
Мощность
кВт
Переход №18,19,20,21,22,23,24,25 (Т05): Получение фаски 0,5х45˚
Инструмент – сверло Ø5, материал режущей части – Р6М5.
-
Глубина резания:
.
-
Подача будет равна (табл. 26, стр. 277 [2]):
,
-
Расчетная скорость резания определяется по формуле:
,
где
– значение коэффициента и показателей степени (табл. 29, стр. 279, [1]);
- стойкость инструмента (табл. 30, стр. 280, [1]);
;
; (табл. 4, стр. 263 [2])
= 0,9; (табл. 5, стр. 263 [2])
=1,0; (табл. 6, стр. 263 [2])
;
-
Расчетная частота вращения зенковки:
.
Принимаем фактическую частоту вращения по паспорту станка:
.
Тогда фактическая скорость резания будет равна:
.
-
Крутящий момент и осевую силу определим следующим образом:
Крутящий момент:
,
где
(табл. 32, стр. 281, [1]);
(табл. 10, стр. 265, [2]) – поправочный коэффициент,
Осевая сила:
где
(табл. 32, стр. 281, [2]);
-
Мощность резания определяется по формуле:
-
Реальная мощность:
кВт;
кВт;
;
;
-
Основное время:
, где
где
- величина врезания;
– длина обрабатываемой поверхности;
- величина перебега;
– количество рабочих ходов.
Переход №26,27,28,29,30 (Т06): Нарезание резьбы М3–7Н в отверстиях
Инструмент – метчик с цилиндрическим хвостовиком, материал режущей части – Р6М5.
-
Подача при нарезании резьбы равна шагу резьбы отверстия.
,
-
Расчетная скорость резания определяется по формуле:
,
где
– значение коэффициента и показателей степени (табл. 49, стр. 296, [2]);
- стойкость инструмента (табл. 30, стр. 280, [2]);
– поправочный коэффициент,
где
; (табл. 4, стр. 263 [2]) – коэффициент на обрабатываемый материал,
=1,0; (табл. 6, стр. 263 [2]) – коэффициент на инструментальный материал
(табл. 31, стр. 280, [2]) – коэффициент, учитывающий глубину сверления:
.
-
Расчетная частота вращения метчика:
.
Принимаем фактическую частоту вращения по паспорту станка:
.
Тогда фактическая скорость резания будет равна:
.
-
Крутящий момент следующим образом:
Крутящий момент:
,
где
(табл. 32, стр. 281, [2]);
(табл. 10, стр. 265, [2]) – поправочный коэффициент,
-
Мощность резания определяется по формуле:
-
Реальная мощность:
кВт;
кВт;
;
;
-
Основное время:
, где
где
- величина врезания;
– длина обрабатываемой поверхности;
- величина перебега;
– количество рабочих ходов.
Переход №31,32,33,34,35,36 (Т07): Нарезание резьбы М4–7Н в отверстиях
Инструмент – метчик с цилиндрическим хвостовиком, материал режущей части – Р6М5.
-
Подача при нарезании резьбы равна шагу резьбы отверстия.
,
-
Расчетная скорость резания определяется по формуле:
,
где
– значение коэффициента и показателей степени (табл. 49, стр. 296, [2]);
- стойкость инструмента (табл. 30, стр. 280, [2]);
– поправочный коэффициент,
где
; (табл. 4, стр. 263 [2]) – коэффициент на обрабатываемый материал,
=1,0; (табл. 6, стр. 263 [2]) – коэффициент на инструментальный материал
(табл. 31, стр. 280, [2]) – коэффициент, учитывающий глубину сверления:
.
-
Расчетная частота вращения метчика:
.
Принимаем фактическую частоту вращения по паспорту станка:
.
Тогда фактическая скорость резания будет равна:
.
-
Крутящий момент следующим образом:
Крутящий момент:
,
где
(табл. 32, стр. 281, [2]);
(табл. 10, стр. 265, [2]) – поправочный коэффициент,
-
Мощность резания определяется по формуле:
-
Реальная мощность:
кВт;
кВт;
;
;
-
Основное время:
, где
где
- величина врезания;
– длина обрабатываемой поверхности;
- величина перебега;
– количество рабочих ходов.
Переход №37,38 (Т08): Развертывание отверстий
Инструмент – развертка, материал режущей части – Р6М5.
Для данной операции примем режимы резания, рекомендуемые «Справочником по режимам резания» под редакцией В.И. Гузеева
Диаметр отверстия – 3,7 мм, диаметр развертываемого отверстия – 4 мм, глубина – 7 мм
Глубина резания –
Подача на оборот –
Скорость резания –
Осевая сила – Р = 22Н
Мощность
кВт
Операция 135,145 Фрезерная с ЧПУ (расчет режимов резания для данных операций проведем совместно, т. к. они выполняются на одном и том же станке, приспособлении, и обработка ведется одним и тем же инструментом)
Переход №1,2,3,4,5,18,19,20 (Т03): Сверление отверстии
Инструмент – спиральное сверло, материал режущей части – Р6М5.
-
Глубина резания определяется по формуле:
,
где
– диаметр сверла.
-
Подача в зависимости от
и твердости обрабатываемого материала (HB<100) будет равна (табл. 25, стр. 277 [2]):
,
-
Расчетная скорость резания определяется по формуле:
,
где
– значение коэффициента и показателей степени (табл. 28, стр. 278, [2]);
- стойкость инструмента (табл. 30, стр. 280, [2]);
– поправочный коэффициент,
где
; (табл. 4, стр. 263 [2]) – коэффициент на обрабатываемый материал,
=1,0; (табл. 6, стр. 263 [2]) – коэффициент на инструментальный материал
(табл. 31, стр. 280, [2]) – коэффициент, учитывающий глубину сверления:
.
-
Расчетная частота вращения сверла:
.
Принимаем фактическую частоту вращения по паспорту станка:
.
Тогда фактическая скорость резания будет равна:
.
Крутящий момент и осевую силу определим следующим образом:
Крутящий момент:
,
где
(табл. 32, стр. 281, [2]);
(табл. 10, стр. 265, [2]) – поправочный коэффициент,
Осевая сила:
где
(табл. 32, стр. 281, [2]);
-
Мощность резания определяется по формуле:
-
Реальная мощность:
кВт;
кВт;
;
;
-
Основное время:
, где
где
- величина врезания;
– длина обрабатываемой поверхности;
– количество рабочих ходов.
Переход №6,7,8,9,10,11,12,23,24,25 (Т02): Получение фаски 0,5х45˚
Инструмент – сверло Ø5, материал режущей части – Р6М5.
-
Глубина резания:
.
-
Подача будет равна (табл. 26, стр. 277 [2]):
,
-
Расчетная скорость резания определяется по формуле:
,
где
– значение коэффициента и показателей степени (табл. 29, стр. 279, [1]);
- стойкость инструмента (табл. 30, стр. 280, [1]);
;
; (табл. 4, стр. 263 [2])
= 0,9; (табл. 5, стр. 263 [2])
=1,0; (табл. 6, стр. 263 [2])
;
-
Расчетная частота вращения зенковки:
.
Принимаем фактическую частоту вращения по паспорту станка:
.
Тогда фактическая скорость резания будет равна:
.
-
Крутящий момент и осевую силу определим следующим образом:
Крутящий момент:
,
где
(табл. 32, стр. 281, [1]);
(табл. 10, стр. 265, [2]) – поправочный коэффициент,
Осевая сила:
где
(табл. 32, стр. 281, [2]);
-
Мощность резания определяется по формуле:
-
Реальная мощность:
кВт;
кВт;
;
;
-
Основное время:
, где
где
- величина врезания;
– длина обрабатываемой поверхности;
- величина перебега;
– количество рабочих ходов.
Переход №13,14,15,16,17,26,27,28 (Т03): Нарезание резьбы М4–7Н в отверстиях
Инструмент – метчик с цилиндрическим хвостовиком, материал режущей части – Р6М5.
-
Подача при нарезании резьбы равна шагу резьбы отверстия.
,
-
Расчетная скорость резания определяется по формуле:
,
где
– значение коэффициента и показателей степени (табл. 49, стр. 296, [2]);
- стойкость инструмента (табл. 30, стр. 280, [2]);
– поправочный коэффициент,
где
; (табл. 4, стр. 263 [2]) – коэффициент на обрабатываемый материал,
=1,0; (табл. 6, стр. 263 [2]) – коэффициент на инструментальный материал
(табл. 31, стр. 280, [2]) – коэффициент, учитывающий глубину сверления:
.
-
Расчетная частота вращения метчика:
.
Принимаем фактическую частоту вращения по паспорту станка:
.
Тогда фактическая скорость резания будет равна:
.
-
Крутящий момент следующим образом:
Крутящий момент:
,
где
(табл. 32, стр. 281, [2]);
(табл. 10, стр. 265, [2]) – поправочный коэффициент,
-
Мощность резания определяется по формуле:
Реальная мощность:
кВт;
кВт;
;
;
-
Основное время:
, где
где
- величина врезания;
– длина обрабатываемой поверхности;
- величина перебега;
– количество рабочих ходов.
Переход №21,22 (Т04): Сверление отверстии
.
Инструмент – спиральное сверло, материал режущей части – Р6М5.
-
Глубина резания определяется по формуле:
,
где
– диаметр сверла.
-
Подача в зависимости от
и твердости обрабатываемого материала (HB<100) будет равна (табл. 25, стр. 277 [2]):
,
-
Расчетная скорость резания определяется по формуле:
,
где
– значение коэффициента и показателей степени (табл. 28, стр. 278, [2]);
- стойкость инструмента (табл. 30, стр. 280, [2]);
– поправочный коэффициент,
где
; (табл. 4, стр. 263 [2]) – коэффициент на обрабатываемый материал,
=1,0; (табл. 6, стр. 263 [2]) – коэффициент на инструментальный материал
(табл. 31, стр. 280, [2]) – коэффициент, учитывающий глубину сверления:
.
-
Расчетная частота вращения сверла:
.
Принимаем фактическую частоту вращения по паспорту станка:
.
Тогда фактическая скорость резания будет равна:
.
-
Крутящий момент и осевую силу определим следующим образом:
Крутящий момент:
,
где
(табл. 32, стр. 281, [2]);
(табл. 10, стр. 265, [2]) – поправочный коэффициент,
Осевая сила:
где
(табл. 32, стр. 281, [2]);
-
Мощность резания определяется по формуле:
-
Реальная мощность:
кВт;
кВт;
;
;
-
Основное время:
, где
где
- величина врезания;
– длина обрабатываемой поверхности;
– количество рабочих ходов.
Переход №31,32 (Т05): Цекование отверстия
Инструмент – зенковка с направлением (цековка), материал режущей части – Р6М5.
Для данной операции примем режимы резания, рекомендуемые «Справочником по режимам резания» под редакцией В.И. Гузеева
Диаметр отверстия – 3,7 мм, диаметр цекуемого отверстия – 7 мм, глубина – 1,2 мм
Подача на оборот –
Скорость резания –
Осевая сила – Р = 810Н
Мощность
кВт
Переход №33,34,35,36 (Т06): Сверление отверстии
.
Инструмент – спиральное сверло, материал режущей части – Р6М5.
-
Глубина резания определяется по формуле:
,
где
– диаметр сверла.
-
Подача в зависимости от
и твердости обрабатываемого материала (HB<100) будет равна (табл. 25, стр. 277 [2]):
,
-
Расчетная скорость резания определяется по формуле:
,
где
– значение коэффициента и показателей степени (табл. 28, стр. 278, [2]);
- стойкость инструмента (табл. 30, стр. 280, [2]);
– поправочный коэффициент,
где
; (табл. 4, стр. 263 [2]) – коэффициент на обрабатываемый материал,
=1,0; (табл. 6, стр. 263 [2]) – коэффициент на инструментальный материал
(табл. 31, стр. 280, [2]) – коэффициент, учитывающий глубину сверления:
(табл. 31, стр. 280, [2]).
-
Расчетная частота вращения сверла:
.
Принимаем фактическую частоту вращения по паспорту станка:
.
Тогда фактическая скорость резания будет равна:
.
-
Крутящий момент и осевую силу определим следующим образом:
Крутящий момент:
,
где
(табл. 32, стр. 281, [2]);
(табл. 10, стр. 265, [2]) – поправочный коэффициент,
Осевая сила:
где
(табл. 32, стр. 281, [2]);
-
Мощность резания определяется по формуле:
-
Реальная мощность:
кВт;
кВт;
;
;
-
Основное время:
, где
где
- величина врезания;
– длина обрабатываемой поверхности;
– количество рабочих ходов.
Переход №37,38,39,40,41,42 (Т07): Получение фаски 0,5х45˚
Инструмент – сверло Ø6, материал режущей части – Р6М5.
-
Глубина резания:
.
-
Подача будет равна (табл. 26, стр. 277 [2]):
,
-
Расчетная скорость резания определяется по формуле:
,
где
– значение коэффициента и показателей степени (табл. 29, стр. 279, [1]);
- стойкость инструмента (табл. 30, стр. 280, [1]);
;
; (табл. 4, стр. 263 [2])
= 0,9; (табл. 5, стр. 263 [2])
=1,0; (табл. 6, стр. 263 [2])
;
-
Расчетная частота вращения зенковки:
.
Принимаем фактическую частоту вращения по паспорту станка:
.
Тогда фактическая скорость резания будет равна:
.
-
Крутящий момент и осевую силу определим следующим образом:
Крутящий момент:
,
где
(табл. 32, стр. 281, [1]);
(табл. 10, стр. 265, [2]) – поправочный коэффициент,
Осевая сила:
где
(табл. 32, стр. 281, [2]);
-
Мощность резания определяется по формуле:
-
Реальная мощность:
кВт;
кВт;
;
;
-
Основное время:
, где
где
- величина врезания;
– длина обрабатываемой поверхности;
- величина перебега;
– количество рабочих ходов.
Переход №26,27,28,29,30 (Т08): Нарезание резьбы М3–7Н в отверстиях
Инструмент – метчик с цилиндрическим хвостовиком, материал режущей части – Р6М5.
-
Подача при нарезании резьбы равна шагу резьбы отверстия.
,
-
Расчетная скорость резания определяется по формуле:
,
где
– значение коэффициента и показателей степени (табл. 49, стр. 296, [2]);
- стойкость инструмента (табл. 30, стр. 280, [2]);
– поправочный коэффициент,
где
; (табл. 4, стр. 263 [2]) – коэффициент на обрабатываемый материал,
=1,0; (табл. 6, стр. 263 [2]) – коэффициент на инструментальный материал
(табл. 31, стр. 280, [2]) – коэффициент, учитывающий глубину сверления:
.
-
Расчетная частота вращения метчика:
.
Принимаем фактическую частоту вращения по паспорту станка:
.
Тогда фактическая скорость резания будет равна:
.
-
Крутящий момент следующим образом:
Крутящий момент:
,
где
(табл. 32, стр. 281, [2]);
(табл. 10, стр. 265, [2]) – поправочный коэффициент,
-
Мощность резания определяется по формуле:
-
Реальная мощность:
кВт;
кВт;
;
;
-
Основное время:
, где
где
- величина врезания;
– длина обрабатываемой поверхности;
- величина перебега;
– количество рабочих ходов.
Переход №29,30 (Т09): Развертывание отверстий
Инструмент – развертка, материал режущей части – Р6М5.
Для данной операции примем режимы резания, рекомендуемые «Справочником по режимам резания» под редакцией В.И. Гузеева
Диаметр отверстия – 3,7 мм, диаметр развертываемого отверстия – 4 мм, глубина – 4,5 мм
Глубина резания –
Подача на оборот –
Скорость резания –
Осевая сила – Р = 22Н
Мощность
кВт
1.10 Количественная оценка технологичности
Основные показатели оценки технологичности:
-
– уровень технологичности по трудоемкости изготовления деталей
,
где
– суммарная трудоемкость изготовления деталей по новому варианту
– суммарная трудоемкость изготовления деталей по базовому варианту
т.к.
– технологический процесс изготовления детали по новому варианту технологичен с точки зрения трудоемкости изготовления детали.
-
– уровень технологичности по себестоимости изготовления детали.
,
где
– себестоимость изготовления детали по новому технологическому процессу;
– себестоимость изготовления детали по базовому технологическому процессу.
т. к.
– технологический процесс изготовления детали по новому варианту технологичен с точки зрения себестоимости изготовления детали.
Дополнительные показатели оценки технологичности:
-
– коэффициент удельной трудоемкости изготовления детали:
,
где
– трудоемкость изготовления детали;
– масса детали.
Базовый технологический процесс:
Совершенствуемый технологический процесс:
Т.к.
– технологический процесс изготовления детали по новому варианту более технологичен с точки зрения удельной трудоемкости изготовления детали по сравнению с базовым технологическим процессом.
-
– коэффициент удельной себестоимости изготовления детали:
,
где
– себестоимость изготовления детали;
– масса детали.
Базовый технологический процесс:
Совершенствуемый технологический процесс:
Т.к.
– технологический процесс изготовления детали по новому варианту более технологичен с точки зрения удельной себестоимости изготовления детали по сравнению с базовым технологическим процессом.
-
– коэффициент использования металла:
,
где
– масса заготовки;
– масса детали.
1.11 Организация контроля результатов обработки
Поступающие на обработку заготовки должны соответствовать утвержденным техническим условиям. Поэтому заготовку подвергают техническому контролю по соответствующей инструкции, устанавливающей методы контроля, периодичность, количество проверяемых заготовок в процентах к выпуску и т.д.
Проверке подвергают химический состав, механические свойства материала, структуру, наличие внутренних дефектов, размеры, массу заготовки. Заготовки детали проверяют на соответствие техническим условиям.
Визуально проверяют наличие видимых дефектов (раковины,
трещины). Они не должны превышать указанных на чертеже
размеров. Процент контроля‑ 100%.
Периодически проверяют химический состав, механические свойства (по мере его поступления на завод).
Контроль результатов обработки необходим для выявления той или иной погрешности обработки и отклонений полученной детали от параметров, заданных на чертеже детали конструктором и необходимых для выполнения той или иной рабочей функции.
Контроль детали осуществляется после выполнения каждой из операций. Контролер проверяет соответствие полученных на данной операции размеров размерам, которые задал технолог и которые должны получиться после выполнения данной операции.
Помимо этого получаемые размеры контролируются рабочим в процессе обработки и при несоответствии вводиться необходимая поправка.
После механической обработки детали мы должны удостовериться, соответствует ли она тем требованиям, которые указаны на чертеже. Для этого вводиться контрольная операция: проверяются визуально чистота обработанных поверхностей, проверяются диаметральные, линейные, угловые размеры, радиальное и торцовое биение, отсутствие острых кромок и размер фасок.
2. Конструкторская часть
2.1 Приспособление для операции 035 Фрезерная:
Выбор установочных элементов, обеспечивающих реализацию выбранной схемы базирования
Под установкой заготовок понимают процесс базирования и закрепления.
Базирование – это придание заготовке или изделию требуемого положения относительно выбранной системы координат. Базирование реализуется за счет наложения на заготовку геометрических связей, лишающих ее степеней свободы. Для того чтобы полностью сориентировать заготовку необходимо и достаточно наложить на нее 6 двухсторонних связей, т.е. лишить ее шести степеней свободы (3 перемещения и 3 поворота). Геометрические связи, лишающие заготовку шести степеней свободы, обеспечиваются шестью точками, находящимися в контакте с установочными элементами. Стабильность положения заготовки в процессе ее обработки обеспечивается закреплением. Под закреплением понимают приложенные к заготовке силы, обеспечивающие постоянство контакта базовых поверхностей заготовки и установочных элементов. В массовом и крупносерийном производстве установку заготовок обычно производят без выверки. Ее правильное положение относительно режущего инструмента обеспечивается установочными элементами. Таким образом, установочными элементами называются детали (механизмы приспособления), обеспечивающие правильное и однообразное положение заготовок относительно режущего инструмента.
Установка производится на упоры пластины, до упора. Преимущества такой установки: простота конструкции приспособления, возможность соблюдения принципа постоянства баз. Эта схема обеспечивает свободный подвод режущего инструмента к обрабатываемой заготовке. Заготовка закрепляется приложением силы, находящейся в одной плоскости с базовой поверхностью. Базовую плоскость заготовки подвергают обработке с шероховатостью поверхности
.
Требования, предъявляемые к установочным элементам:
-
Количество и расположение установочных элементов должно обеспечить необходимую ориентацию заготовки в пространстве, устойчивость и жесткость.
-
Рабочие поверхности установочных элементов должны обладать высокой износостойкостью.
-
Конструкция установочных элементов должна предусматривать быструю их замену при износе или повреждении.
-
Установочные элементы должны быть жесткими и обеспечивать жесткость их сопряжения с корпусом приспособления.
-
Установочные элементы не должны портить базовые поверхности при установке на обрабатываемую поверхность.
-
Рабочие поверхности установочных элементов должны быть по возможности небольших размеров, чтобы исключить влияние макрогеометрии базовой поверхности на точность установки.
Материал установочных элементов: инструментальная углеродистая сталь У10А, У8А, У7А с последующей закалкой до HRC 50–55.
Выбор зажимных элементов.
Основное назначение зажимных устройств приспособлений – обеспечение надежного контакта заготовки с установочными элементами, предупреждение ее смещения и вибраций в процессе обработки. Введением дополнительных зажимных устройств увеличивают жесткость технологической системы, что повышает точность и производительность обработки. В данном случае зажимным устройством являются губки.
Требования, предъявляемые к зажимным устройствам:
1. Зажимные устройства должны быть надежными в работе, просты по конструкции и удобны в обслуживании.
2. Зажимные устройства не должны деформировать закрепляемые заготовки и портить их поверхности.
3. Закрепление и открепление заготовок должно быть с минимальной затратой сил и времени.
4. Зажимные устройства должны обеспечивать равномерный зажим заготовок, особенно в многоместных приспособлениях.
5. Зажимные устройства не должны сдвигать заготовку при ее закреплении и по возможности воспринимать силы резания.
Описание приспособления.
Данное приспособление относится:
1. По целевому назначению – к станочному;
2. По степени специализации – к специализированному;
3. По количеству одновременно устанавливаемых заготовок – к одноместному.
Специальные приспособления применяются в производствах, где по условиям работы станки на значительное время закрепляют за определенной операцией.
Закрепление заготовки необходимо для надежного контакта заготовки с установочными элементами приспособления, для предотвращения смещения заготовки под действием внешних сил, для увеличения жесткости технологической системы и устранения вибраций.
К столу станка приспособление крепится при помощи 2 станочных болтов, для чего предусмотрены специальные отверстия.
Установка детали производится на поверхность плиты и расположенные с ней в одной плоскости стойки. Это установочная база. Направляющей базой служит боковая поверхность детали, упирающаяся в стенку приспособления.
Расчёт приспособления
Силовой расчёт
Рассмотрим схему закрепления детали. В момент, когда фреза совершает рабочее движение, возникает дополнительная сила, прижимающая деталь к стойке. При движении фрезы в обратном направлении, возникает составляющая силы, стремящаяся оторвать деталь от плиты. Эта составляющая направлена против силы закрепления.
Т. о., в процессе обработки возникают 2 составляющие силы резания. Одна составляющая стремиться оторвать деталь от плиты. Вторая – стремится сдвинуть относительно оси.
Схема действия сил.
Сила закрепления:
– сила, предотвращающая отрыв заготовки
– сила, предотвращающая сдвиг заготовки,
где
– коэффициент запаса;
– коэффициент трения в местах контакта зажимных элементов с поверхностью заготовки;
– коэффициент трения в местах контакта установочных элементов с базовой поверхностью заготовки.
.
где
– коэффициент, учитывающий неточности расчётов;
– коэффициент, учитывающий влияние случайных факторов на величину силы резания;
– коэффициент, учитывающий прогрессирующий износ инструмента;
– коэффициент, учитывающий нестабильность силы резания при прерывистой обработке;
– коэффициент, учитывающий непостоянство развиваемой силы закрепления;
– коэффициент, учитывающий удобство расположения рукояток в ручных зажимных устройствах;
– коэффициент, учитывающийся при наличии моментов стремящихся провернуть заготовку.
, где
– коэффициент, учитывающий неточность расчёта максимальной силы резания;
– коэффициент, учитывающий неточность расчёта силы закрепления;
– коэффициент, учитывающий внезапные факторы возникающие при обработке.
, значит расчет ведем по
Сила закрепления на губках зажима будет равна
Прочностной расчёт
Наиболее нагруженным звеном является стойка (опорная база). Опасное сечение находится в резьбовой части М10.
Условие прочности резьбы:
, где
– внутренний диаметр резьбы
Рдоп – предельно допустимая сила, действующая вдоль оси
– допускаемое напряжение при растяжении (сжатии)
Принимаем М10.
Точностной расчёт
Схема расчёта погрешности установки:
Под погрешностью установки детали в приспособление понимается отклонение фактически достигнутого положения заготовки от требуемого, появляющееся в процессе базирования и закрепления.
- погрешность базирования появляется вследствие несовпадения технологической и измерительной базы.
- погрешность, вызванная силами закрепления
- погрешность приспособления
Погрешность базирования, является следствием не совпадения технологической и измерительной баз.
, т. к.технологическая и измерительная база совпадает.
, т. к.технологическая и измерительная база совпадает.
, т. к. размер обеспечивается инструментом.
Погрешность закрепления – это разность между наибольшим и наименьшим смещением измерительной базы, возникающим под действием сил закрепления.
, т. к. данная погрешность является систематически повторяющейся и её можно компенсировать.
Погрешность приспособления включает в себя следующие погрешность: погрешность изготовления и монтажа установочных элементов
; погрешность, вызванная прогрессирующим износом установочных элементов
; погрешность установки приспособления на станок
.
.
Погрешность установки и монтажа характеризует неточность изготовления и сборки установочных элементов. Технологически возможно обеспечить эту погрешность в пределах:
– для приспособлений нормальной точности,
– для приспособлений повышенной точности.
Для дальнейшего расчета примем
.
Величина износа зависит от количества установок заготовок в приспособлении, от материала и массы обрабатываемых заготовок, от состояния базовых поверхностей заготовок, от условий установки в приспособление, а так же от конструкции установочных элементов.
Величина износа определяется по следующей формуле:
, где
коэффициент, учитывающий вид опоры, условия работы опор по нагрузке, путь сдвига состояние базовых поверхностей заготовок;
;
число контактов заготовки с опорой,
;
.
.
выражает погрешность установки приспособления на станке, обусловленную смещением корпуса приспособления на столе станка.
Технологически возможно обеспечить
.
Погрешность приспособления:
.
Погрешности установки заготовки в приспособление
.
Данная схема установки обеспечивает требуемую точность.
2.2 Приспособление для операции 120:
Установка детали производится на плоскость кондукторной плиты, и ориентируется на ней при помощи упоров и штифтов. Далее деталь прижимается к плите кондуктора при помощи откидных болтов и прижима. Так же закрепление детали осуществляется по средствам 2х винтов, расположенных по бокам кондукторной плиты.
Описание приспособления.
Данное приспособление относится:
1. По целевому назначению – к станочному;
2. По степени специализации – к специальному;
3. По количеству одновременно устанавливаемых заготовок – к одноместному.
Специальные приспособления применяются в производствах, где по условиям работы станки на значительное время закрепляют за определенной операцией.
Закрепление заготовки необходимо для надежного контакта заготовки с установочными элементами приспособления, для предотвращения смещения заготовки под действием внешних сил, для увеличения жесткости технологической системы и устранения вибраций.
Расчет приспособления
Силовой расчет
Во время обработки необходимо создать такую силу закрепления, чтобы предотвратить смещение детали в направлении подачи. Для этого необходимо рассчитать максимальную силу резания на данной операции. Такой силой будет сила резания при сверлении отверстия
.
-
Крутящий момент:
-
Осевая сила:
Расчет силы закрепления, предотвращающей смещение
Q*f1+Q*f2=k*P0
где
– коэффициент запаса;
– коэффициент трения в местах контакта зажимных элементов с поверхностью заготовки;
– коэффициент трения в местах контакта установочных элементов с базовой поверхностью заготовки.
.
где
– коэффициент, учитывающий неточности расчётов;
– коэффициент, учитывающий влияние случайных факторов на величину силы резания;
– коэффициент, учитывающий прогрессирующий износ инструмента;
– коэффициент, учитывающий нестабильность силы резания при прерывистой обработке;
– коэффициент, учитывающий непостоянство развиваемой силы закрепления;
– коэффициент, учитывающий удобство расположения рукояток в ручных зажимных устройствах;
– коэффициент, учитывающийся при наличии моментов стремящихся провернуть заготовку.
, где
– коэффициент, учитывающий неточность расчёта максимальной силы резания;
– коэффициент, учитывающий неточность расчёта силы закрепления;
– коэффициент, учитывающий внезапные факторы возникающие при обработке.
Прочностной расчёт
Наиболее нагруженным звеном является откидной болт. Опасное сечение находится в резьбовой части М6.
Условие прочности резьбы:
, где
– внутренний диаметр резьбы
Рдоп – предельно допустимая сила, действующая вдоль оси
– допускаемое напряжение при растяжении (сжатии)
Принимаем резьбу М6.
Точностной расчёт
Схема расчёта погрешности установки
Под погрешностью установки детали в приспособление понимается отклонение фактически достигнутого положения заготовки от требуемого, появляющееся в процессе базирования и закрепления.
- погрешность базирования появляется вследствие несовпадения технологической и измерительной базы.
- погрешность, вызванная силами закрепления
- погрешность приспособления
Погрешность базирования, является следствием не совпадения технологической и измерительной баз.
, т. к.технологическая и измерительная база совпадает.
, т. к.технологическая и измерительная база совпадает.
, т. к.технологическая и измерительная база совпадает.
, т. к.технологическая и измерительная база совпадает.
, т. к.технологическая и измерительная база совпадает.
, т. к.технологическая и измерительная база совпадает.
Погрешность закрепления – это разность между наибольшим и наименьшим смещением измерительной базы, возникающим под действием сил закрепления.
, т. к. данная погрешность является систематически повторяющейся и её можно компенсировать.
Погрешность приспособления включает в себя следующие погрешность: погрешность изготовления и монтажа установочных элементов
; погрешность, вызванная прогрессирующим износом установочных элементов
; погрешность установки приспособления на станок
.
.
Погрешность установки и монтажа характеризует неточность изготовления и сборки установочных элементов. Технологически возможно обеспечить эту погрешность в пределах:
– для приспособлений нормальной точности,
– для приспособлений повышенной точности.
Для дальнейшего расчета примем
.
Величина износа зависит от количества установок заготовок в приспособлении, от материала и массы обрабатываемых заготовок, от состояния базовых поверхностей заготовок, от условий установки в приспособление, а так же от конструкции установочных элементов.
Величина износа определяется по следующей формуле:
, где
коэффициент, учитывающий вид опоры, условия работы опор по нагрузке, путь сдвига состояние базовых поверхностей заготовок;
;
число контактов заготовки с опорой,
;
.
.
выражает погрешность установки приспособления на станке, обусловленную смещением корпуса приспособления на столе станка.
Технологически возможно обеспечить
.
Погрешность приспособления:
.
Погрешности установки заготовки в приспособление
.
3. Научно-исследовательская часть
Обработка отверстий на станках с ЧПУ
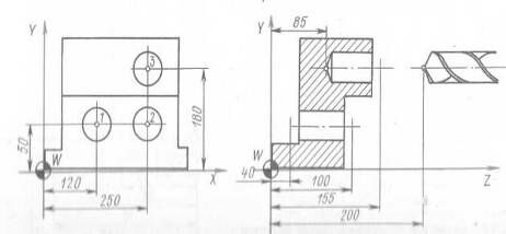
Программирование сверлильных (расточных) операций, так же как и других, начинается с составления расчетно-технологической карты, определения координат опорных точек и т.д. Эскиз обрабатываемой детали представляют в двух системах координат: станка и детали. Для сравнительно простых операций на расчетно-технологических картах показывают исходное положение всех используемых инструментов (указывают также их вылет) из шпинделя.
На рис. 1 показана расчетно-технологическая карта для обработки в детали типа «крышка» двух отверстий диаметром 10Н8, трех резьбовых отверстий М6, и отверстия диаметром 22 мм. В табл. 1 приведены исходные координаты центров всех отверстий в системах координат детали и станка.
Таблица 1. Координаты опорных точек (центров отверстий) при обработке отверстий в детали типа «крышка»
| Отверстие | Координата, мм | ||||
|
|
|
|
|
| |
| 1 | 20 | 20 | 50 | 105 | 175 |
| 2 | 150 | 20 | 180 | 105 | 175 |
| 3 | 105 | 40 | 135 | 125 | 175 |
| 4 | 52,5 | 70,31 | 82,3 | 155,31 | 175 |
| 5 | 52,5 | 9,69 | 82,5 | 94,69 | 175 |
| 6 | 70 | 40 | 100 | 125 | 175 |
Рис. 1. Рассчетно-технологическая карта для обработки отверстий в детали «крышка»
Общая методика программирования сверлильных операций
До расчета траектории инструментов при сверлильной обработке сначала определяют предварительный состав переходов для каждого отверстия и выбирают инструмент, затем уточняют состав переходов и общую их последовательность. Далее строят схемы осевых перемещений инструментов относительно опорных точек (центров отверстий) и назначают режим резания.
Например, предварительный состав типовых переходов для обработки отверстий 1–6 в детали типа «крышки» может быть принят следующим: центрование (рис. 2, а, б), сверление (рис. 2, в, г, ж), нарезание резьбы (рис. 2, е) и развертывание (рис. 2, д). В связи с этим выбранный инструмент Т01 – T06 может быть размещен в гнездах шестипозиционной револьверной головки сверлильного станка.
Рис. 2. Типовые переходы работы инструмента для обработки отверстий детали «крышка»
Состав инструментальной наладки: (по гнездам): 1) сверло (
) диаметром 16 мм; 2) сверло диаметром 9,9 мм; 3) развертка диаметром 10Н8; 4) сверло диаметром 5 мм; 5) метчик М6; 6) сверло диаметром 22 мм. Общая последовательность переходов может быть следующей: центрование с зенкованием отверстий 1–5, сверление и развертывание отверстий 1 и 2, сверление отверстий 3–5 и нарезание в них резьбы, сверление отверстии 6. Схемы осевых перемещений для расчета опорных точек траектории инструментов при обработке отверстий 1–6 приведены на рис. 2.
На этих схемах цифрами 1–3 показаны последовательности опорных точек траектории инструментов, стрелками – направления рабочих (
) и холостых (
) ходов и направления вращения шпинделя. Знаком «х» обозначен выстой инструмента. Режимы резания для участков траектории приведены в табл. 2.
Таблица 2. Типовые переходы при обработке отверстий в детали типа «крышка»
| Переход | Номер отверстия (см. рис. 1) | Инструмент | Схема на рис. 2 | Участок траектории | sM, мм/мин | п, об/мин |
| Центрование с зенкованием | 1; 2 | Т01 | а | 1–2 | 40 | 500 |
| 3; 4; 5 | б | |||||
| Сверление | 1; 2 | Т02 | в | 1–2 | 100 | 710 |
| 2–3 | 80 | |||||
| 3; 4; 5 | Т04 | г | 1–2 | 100 | 1400 | |
| 2–3 | 80 | |||||
| 6 | Т06 | д | 1–2 | 60 | 355 | |
| Развертывание | 1; 2 | ТОЗ | 1–2 | 50 | 125 | |
| Нарезание резьбы | 3; 4- 5 | Т05 | е | 1–2 | 25 | 25 |
Кодирование информации
В общем случае кодирование информации УП для сверлильных станков сводится к кодированию процесса замены инструмента, кодированию перемещений (позиционирования) инструмента от одной опорной точки (центра отверстия) к другой и введению в действие циклов обработки отверстий в моменты, когда инструмент располагается над требуемой точкой.
Конкретная методика кодирования определяется моделью УЧПУ и ее возможностями. Рассмотрим общие положения.
Режимы движения и позиционирования задают с помощью подготовительных функций G60 – G69 (см. гл. 1). Согласно такой функции УЧПУ обеспечивает соответствующий характер подхода инструмента к заданной точке и остановку его в конкретной юно, которой и определяет точность позиционирования. В общем случае функции G60 – G64 задают позиционирование с ускоренного хода, а функции G65 – G69 – с рабочей подачи. Эти функции используют, если, например, на станках рассматриваемого типа выполняется операция прямоугольного формообразования, в частности фрезерование. Из рассмотренных функций наиболее часто применяют G60 (точное позиционирование со стороны движения) и G62 (позиционирование с ускоренного хода – грубое позиционирование).
Напомним, что при точном позиционировании обеспечивается ступенчатое снижение скорости движения: от ускоренной (или заданной) до минимальной скорости подхода к заданной точке. При грубом позиционировании происходит отключение подачи ускоренного ходи в зоне остановки, в результате чего возможен или перебег, или недобег.
Например, если необходимо последовательно позиционировать инструмент от точки к точке, то записывают:
N{i} G90 G60 Х(Х1) Y(Y1) LF
N {i+1} Х(Х2) Y(Y2) LF
N {i+2} Х(Х3) Y(Y3) LF
Реализация постоянных циклов обработки отверстий
Такие циклы реализуются заданием подготовительных функции G81‑G89. Каждая из них, согласно ГОСТ 20999–83 (СТ СЭВ 3585–82), определяет конкретную операцию или переход (с перемещением по оси Z): сверление или центрование (G81), сверление или зенкерование с паузой в конце рабочего хода (G82), глубокое сверление (G83), G84 – нарезание резьбы и др. Как правило, в современных УЧПУ подпрограммы для реализации указанных функций постоянно находятся в памяти УЧПУ и достаточно указать в кадре УП требуемую функцию и числовое значение формальных параметров, необходимых для выполнении конкретной операции. Для большинства постоянных циклов этих параметров два: R и z. Параметр R в большинстве УЧПУ определяет координату, с которой начинается рабочая подача при исполнении заданного постоянного цикла. Эта величина сохраняется в памяти УЧПУ до считывания нового значения R. Параметр z в постоянном цикле определяет координату точки, в которую инструмент смещается на рабочей подаче.
При введении постоянных циклов существенное значение для параметров R и z имеет расположение нуля станка (начало координатной системы станка) относительно обрабатываемой детали в направлении оси Z.
В УЧПУ с фиксированным началом координат станка параметры R и z в постоянных циклах отсчитываются от нулевой плоскости в одном направлении (рис. 3, а). Поэтому кадр задания постоянного цикла, например сверления, имеет вид
N{i} G81 Z157.5 R177. LF
В кадре указываются координаты точки 1 (R) и конечной точки 2 (z).
Программирование постоянных циклов значительно удобнее для станков с УЧПУ, имеющих «плавающий нуль». В таких УЧПУ по командам УП или с пульта УЧПУ можно смещать, нуль станка в любую точку по всем осям, в частности по оси Z. В ряде УЧПУ по оси Z смещается нулевая плоскость XMY (рис. 3, б). Тогда в кадре, предшествующем кадру с указанием постоянного цикла, должна быть команда на смещение нуля по оси Z. После смещения нуля точка М начала координат станка будет располагаться в плоскости, параллельной плоскости детали (в точке М, рис. 3, б). Для рассмотренного случая величина R будет равна нулю, а значение z будет со знаком минус (в отсчете вниз от новой системы координат X'M'Z):
N{i} G59 Z177. LF
N {i+1} G81 Z‑19.5 R0. LF
Определенные удобства создаются дли программирования, если УЧПУ имеют команды на сдвиг нуля, кодируемые функциями G92, G54‑G59. В этом случае при программировании постоянных циклов нулевую плоскость совмещают с верхней плоскостью детали. (рис. 3, в).
Рис. 3. Схемы задания параметров R и z в постоянных циклах
Тогда при задании цикла указывают величину R, которая означает здесь недоход инструмента до обрабатываемой поверхности, и величину z – рабочий ход инструмента. При этом полный рабочий ход, так же как и обратный – холостой ход, будет равен сумме R+z. При таком задании цикла достаточно просто обрабатывать одинаковые отверстия, расположенные на ступенчатой поверхности. Например, кадры УП для обработки трех отверстий 1–3, расположенных рядом (рис. 3, г), имеют вид:
N{i} G59 Z115. LF
N {i+1} G81 R3. Z‑19.5 LF
N {i+2} G60 Х54. LF
N {i+3} R3. X‑22. LF
N {i+4} R14. LF
N {i+5} Х72. LF
Как видно из программы, действие команды G81 (постоянный цикл) распространяется на последующие кадры. Действующий постоянный цикл отменяется указанием функции G80. В рассматриваемом примере смещение нуля кодируется функцией G59. Эта команда сохраняется в УП до введения аналогичной команды с новым числовым значением или до команды G53 (отмена смещения, но только для кадра, где G53 записано). Смещение нуля лишь в одном кадре обычно записывается функцией G92. При использовании функции G59 возврат нуля в систему координат станка кодируется этой же функцией (G59) с нулевым числовым значением:
N{1} G59 Z0. LF
Кодирование процесса замены инструмента
Эта задача во многом зависит от конструктивных особенностей станка и УЧПУ. В большинстве случаев требуются как минимум, две команды, задаваемых в последовательных кадрах УП. В первой команде с адресом Т указывается требуемый инструмент, а по второй команде (М06) он устанавливается в шпинделе. По команде М06, кроме того, снимается отработавший инструмент и возвращается в магазин (при наличии магазина на станке).
Как правило, процесс замены инструмента у станков выполняется только в определенном (безопасном) положении шпинделя (шпиндельной бабки). В это положение шпиндель автоматически приходит по команде М06 или по специальной команде, которую надо указывать в кадрах УП, предшествующих команде М06.
Указание инструмента в кадрах УП обычно сопровождается указаниями по его коррекции. Как уже говорилось, совместно с кодом инструмента указывается номер его корректора. Так, для инструмента с кодом Т08 и корректором 06 общая запись команды на инструмент имеет вид Т0806.
Для задания осепараллельной коррекции длины инструмента, что характерно для станков сверлильной группы, используют подготовительные функции G43 и G44. Для коррекции вылета инструмента (рис. 4) в корректор заносится абсолютная разность между расчетной и действительной аппликатами вершины инструмента (z0 – z1)=Δz или (z0 – z2)=Δz и в УП записывается
N{1}… G44…Z{Z0}… Т0806…
если инструмент короче запрограммированного. Если же инструмент длиннее запрограммированного, то кадр будет таким:
N{i}… G43…Z{Z0}… Т0806…
При этом предполагается, что величина Δz установлена на корректоре указанного номера (в данном примере на корректоре 06).
В современных УЧПУ, однако, в большинстве случаен коррекция па длину инструмента задается с адресом Н. В этом случае функция G43 определяет, что числовое значение смещении, установленное на корректоре (со знаком + или –), прибавляется к заданной координате. Функция G44 означает, что величина смещения, установленная на корректоре с адресом Н, отнимается от заданного в данном кадре значения координатного размера.
Напомним, что в ряде случаев корректор инструмента может указываться отдельным адресом, например D.
Р
ис. 4. Схема для определения коррекции вылета инструмента
Подготовка УП по общей методике
Проследим общую методику кодирования информации УП для обработки детали, которая показана на рис. 1, а выбранные типовые переходы – на рис. 2.
Первыми переходами, согласно принятой схеме операции, являются переходы по центрованию всех отверстий, причем отверстия 1, 2 должны быть зацентрированы на глубину 6 мм, а отверстия 3–5 – на глубину 3,5 мм (см. рис. 2, а, б и табл. 2).
На примере программирования работы первого инструмента (сверло диаметром 16 мм, кодовый номер Т01, корректор 01) рассмотрим порядок кодирования информации для случаев без смещения нуля системы координат по оси Z:
% LF
N1 G60 G80 Т0101 LF
N2 F40. S500 М06 LF
N3 G44 Z390. LF
N4 Х50. Y105. LF
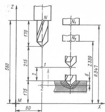
В первом кадре указаны работающий инструмент и подготовительные функции G60 (точное позиционирование) и G80 (отмена постоянных циклов) Последнее обязательно для того, чтобы очистить рабочую память УЧПУ от ранее запрограммированных команд по постоянным циклам Во втором кадре дана команда на смену инструмента (М06), указаны режимы его работы: подача 40 мм/мин и частота вращения шпинделя 500 об/мин. Третий кадр указывает на необходимость коррекции. При этом дается расчетный вылет инструмента (положение вершины) по оси Z и указывается функция коррекции G44 для укороченных инструментов. Четвертым кадром инструмент позиционируется в точку 1, определенную в системе координат станка координатами хс = 50 мм, ус= 105 мм (см. табл. 1). Следующим кадром необходимо вывести вершину инструмента в точку, которой соответствует недоход над плоскостью детали 2 мм. Чтобы вершина данного инструмента пришла в эту точку, необходимо сместить точку N шпинделя (см. рис. 1).
При работе в абсолютной системе координат программируется перемещение базовых точек узлов станка и перемещения этих точек выводятся на индикацию. В данном случае базовой для всех инструментов принята плоскость положения базовой точки N шпинделя, определенная координатой z= 560 мм. При положении торца шпинделя в этой плоскости происходит и смена инструментов. Для вывода сверла диаметром 16 мм (с расчетным вылетом 170 мм) в точку начала работы по циклу необходимо позиционировать шпиндель (его точку N) по оси Z в точку Ni с координатой R = 347 мм (560 – 213 = 347) – рис. 5. Координата положения торца шпинделя в конце рабочего хода сверла (точка N2) определится координатой z = 347 – 8 = 339 мм. Эти данные и следует записать с адресами R и z при программировании постоянного цикла:
N5 G82 R347. Z339. LF
После исполнения команды кадра N5 торец шпинделя будет расположен в плоскости, определенной координатой R=347 мм
Рис. 5. Схема для определения перемещений при центровании отверстий
Для обработки следующих отверстий по заданному циклу G82 достаточно теперь программировать только перемещения по осям X и Y. В кадрах, где изменяется координата z (центрование отверстий 3–5), следует ее указать. Естественно, что указанная в кадре N7 величина z отрабатывается в последующих кадрах тоже:
N6 Х180. Y105. LF
N7 Х135. Y125. Z341.5 LF
N8 Х82.3 Y155.31 LF
N9 Х82.5 Y94.69 LF
N10 Х100. Y125. L.F
N11 G80 Т0202 LF
Кадр N11 отменяет цикл G82 и задает новый инструмент.
Упрощенная методика программирования сверлильных операций
Рассмотренная методика программирования сравнительно сложна, требует пересчета некоторых размеров, а главное, определения и учета вылета инструмента в процессе программирования. Ее применяют, когда действительные вылеты инструментов мало отличаются от расчетных, когда применима система предварительной регулировки вылета инструмента в специальных приспособлениях. Программирование становится значительно проще, если использовать возможности УЧПУ по смещению нуля и вводить коррекцию на инструмент в период наладки (настройки) станка исходя из действительного его вылета. Это не только облегчает кодирование информации, но в значительной мере упрощает составление РТК (рис. 8.6): нет необходимости задаваться вылетом инструментов, не нужен пересчет координат точек из системы координат детали в систему координат станка и т.д.
Все это объясняется тем, что нуль станка смещается в начало координат до тали (из точки М в точку W) и отсчет программируемых перемещений и процессе отработки УП ведется от точки W, т.е. так, как это задано на чертеже детали. Кроме того, при настройке станка вылет каждого инструмента вводится (с обратным знаком) в корректор этого инструмента. Делается это просто. Инструмент доводят до касания вершины Р с верхней плоскостью заготовки, установленной в приспособлении. На табло, предназначенном для индикации перемещения по оси Z, высвечиваются цифры, определяющие расстояние от плоскости нового нуля до базовой точки шпинделя, т.е. величина zWN – l. А это и есть действительный вылет инструмента (например, для сверла диаметром 16 мм он равен 172 мм). Если теперь на корректоре инструмента набрать величину zWN – l (172 мм), то на табло индикации по оси Z будут нулевые показания, т.е. базовая точка N совместится с вершиной Р инструмента. Подобную настройку (с касанием инструмента острием или торцом поверхности детали) проводят для каждого инструмента, и значения соответствующих вылетов набирают на соответствующих корректорах. Таким образом, для всего набора инструментов на данную операцию справедливо положение: при нахождении вершины инструмента в плоскости нового нуля табло индикации по оси Z показывает нули.
При настройке достаточно просто также совмещать ось шпинделя с началом координат детали.
Подготовка УП по упрощенной методике
Приняв во внимание сказанное выше, программу обработки рассматриваемой детали можно представить следующим образом:
% LF
N1 G60 G80 Т0101 LF
N2 F40. S500 М06 LF
N3 G59 ХЗО. Y85. Z175. LF
В кадрах N1 – N3 задают инструмент Т01, условия его работы и указывают на смещение нуля (G59) по трем осям.
N4 Х20. Y20. LF
N6 G82 R2. Z‑6.LF
В кадре N5 задают постоянный цикл и шипения параметров в соответствии со схемой на рис. 2, а
В кадре N7 дают команды на позиционирование в точку 3 и исполнение заданного цикла (G82) с новым значением z (–3,5 мм).
N8 Х52.5 Y70.31 LF
N9 Y9.69 LF
N10 Х70. Y40. LF
N11 G80 ТО202 LF
Кадр N11 завершает работу сверлом диаметром 16 мм (ТО 101) и готовит к вводу новый инструмент – сверло диаметром 9,9 мм (Т0202).
N12 F100. S710 М06 LF
N13 Х20. Y20. М08 LF
Кадры N12 и N13 задают режимы инструмента и установку его в шпиндель (команда М06). Выполнено позиционирование сверла в точку /, включено охлаждение (команда М08).
N14 G83 R2 Z‑10. LF
N15 Z‑17.5 F80. LF
Кадр N14 указывает постоянный цикл глубокого сверления (G83) и его параметры. Указывать параметр R необходимо, поскольку он определяет точку выхода (на ускоренном ходу) инструмента с позиции замены в рабочую позицию по оси Z. Кадр N15 дополняет кадр N14, указывая координату второго хода с измененной подачей (согласно принятой схеме обработки – рис. 2, в, подача на выходе сверла уменьшается до 80 мм/мин).
N16 X150. Y20. Z‑10. F100. LF
N17 Z‑17.5 F80. LF
Кадрами N16 и N17 программируется сверление по циклу G83 отверстия с центром в точке 2.
N18 G80 Т0404 LF
В кадре N18 готовится к вводу сверло диаметром 5 мм (Т0404) и задаются режимы его работы
N19 F100. S1400 М06 LF
N20 Х105. Y40. LF
N21 G83 R2. Z‑9. LF
N22 Z‑13.5 F80. LF
N23 Х52.5 Y70.31 Z‑9. F100. LF
N24 Z‑13.5 F80. LF
N25 G80 Т0606 LF
Кадры N19‑N24 программируют обработку сверлом диаметром 5 мм по циклу G83 отверстий в ТкЗ, 4, 5. Кадр N25 указывает новый инструмент – сверло диаметром 22 мм (Т0606).
N26 F60. S355 М06 LF
N27 Х70. Y40. LF
N28 G81 R2. Z‑22. LF N29 G80 Т0303 LF
Кадры N26 – N28 программируют сверление отверстия диаметром 22 мм с центром в точке 6. Указывается новый инструмент – развертка диаметром 10Н8 (Т0303).
N30 F50. S125 М06 LF
N31 Х20. Y20. LF
N32 UUU R2. Z‑18. LF
Кадр N32 вводит цикл развертывания (G89) с рабочим ходом R + z, выдержкой в конце рабочего хода и отводом на быстром ходу (рис. 2, д)
N33 Х150. LF
N34 G80 Т0505 LF
Кадром N33 запрограммировано развертывание отверстия в точке 2. Кадр N34 готовит новый инструмент – метчик Мб (Т0505).
N35 F250. S250 М06 LF
N36 Х105. Y40. LF
N37 G84 R2. Z‑17. LF
N38 Х52.5 Y70.31 LF
N39 Y9.69 LF
N40 G80 G59 ХО. Y0. Z0. М09 LF
N41 G00 ХО. YO. Z560. MOO LF
Кадры N35 – N39 программирует нарезание резьбы в отверстиях 3–5 в соответствии с постоянным циклом G84. Цикл обеспечивает рабочий ход с рабочей подачей, остановку и реверсивное вращение шпинделя в конечной точке, возврат инструмента с рабочей подачей.
Кадры N40, N41 отменяют смещение нуля, отключают охлаждение и выводят шпинделя в нулевую точку станка с координатой z = 560 мм.
Программирование расточных операций
Программирование обработки отверстий на расточных станках и кодирование информации УП практически аналогичны рассмотренным выше, хотя для расточных станков характерно значительно большее число возможных команд, расширение и усложнение постоянных циклов и др. Наличие у расточных станков дополнительных (вторичных) управляемых осей, необходимость закреплять (для повышения жесткости) гильзу шпинделя или столы (при некоторых видах обработки) несколько усложняют программирование. У ряда станков управляемым является также •поворот стола, смена приспособлений-спутников и др.
Рассмотрим три примера программирования обработки отверстий при использовании расточных станков.
Сверление трех отверстий диаметром 18 мм одним сверлом в детали типа «угольник» (рис. 7).
X
Рис. 7. Схема для программирования сверления отверстий в детали типа «угольник»
Фрагмент программы:
N100 G90 G43 G81 D60 Х120. Y50.
Z40. R100. F40. S120 МОЗ М08 LF
По команде кадра N100 ранее установленным сверлом сверлится отверстие 1 (рис. 8.7) с координатами х=120 мм, у = 50 мм; глубина сверления определена координатой z = 40 мм; R = 100 мм. Отсчет размеров – абсолютный (G90). Вводится коррекция на длину инструмента (G43) (корректор 60 с адресом D). Корректор 60 должен быть закреплен за используемым в данной программе сверлом. Подача сверления 40 мм/мин (F40); частота вращения шпинделя 120 об/мин (S120); вращение шпинделя правое (М03). Включается охлаждение (М08).
4. Проектирование участка механической обработки
4.1 Расчет потребного количества и составление ведомости оборудования
Определение приведённой годовой программы запуска в производство всех деталей, выпускаемых на участке
– коэффициент, учитывающий возможный брак
– коэффициент, учитывающий незавершённое производство
– количество типоразмеров деталей, составляющих номенклатуру участка
Определение расчётного такта выпуска деталей на участке
– действительный годовой фонд времени работы оборудования
– число рабочих смен
Определение расчётного количества станков, необходимого для обработки партии деталей-представителей и расчётного количества станков, необходимого на участке
Определение расчётного количества станков, необходимого для обработки партии деталей-представителей
,
где
– штучно-калькуляционное время выполнения каждой i‑той операции спроектированного технологического процесса;
– расчетный такт выпуска детали – представителя,
где
– приведенная годовая программа запуска в производство детали – представителя;
коэффициент, учитывающий непрогнозируемый простой оборудования, связанный с поломками, перебоями энергии и т.д.
Определение расчётного количества станков, по каждой операции для всего участка
– штучно калькуляционное время для каждой
операции спроектированного технологического процесса для детали-представителя
– расчётный такт выпуска детали-представителя
– коэффициент, учитывающий непрогнозируемые простои оборудования, связанные с поломками, перебоями энергии и т.д.
– для универсальных станков
– для одношпиндельных автоматов и полуавтоматов и станков с ЧПУ
– для многошпиндельных автоматов и полуавтоматов и специальных агрегатных станков
Определение принятого количества станков на участке и для выпуска детали-представителя.
Просуммируем количество оборудования для одноименных операций и получим расчетное количество станков, необходимых для обработки партии детали – представителя: (принятое количество станков получается округлением расчетного количества станков в большую сторону до ближайшего целого числа. Округление в меньшую сторону производится, если дробная часть меньше 0,1.)
Просуммируем количество оборудования для одноименных операций и получим расчетное количество станков на участке:
Определение коэффициента загрузки оборудования по каждой операции на участке
Определение среднего коэффициента загрузки оборудования на участке
Построение диаграммы загрузки оборудования
Составление ведомости производственного оборудования
| №п/п | Наименование оборудования | Модель | Сп | Kз | Габаритные размеры |
| 1 | Фрезерный | 676П | 3 | 0,99 | 1200х1240х1780 |
| 3 | Фрезерный ОЦ с ЧПУ | Mini Mill | 6 | 0,91 | 1524х1860х2400 |
Определение основных и вспомогательных рабочих и ИТР на участке
Определение количества основных рабочих
Определение количества станочников
– действительный годовой фонд времени работы оборудования
– действительный годовой фонд времени работы рабочего
– число рабочих смен
– коэффициент многостаночного обслуживания, назначается в зависимости от вида преобладающего оборудования
– универсальные станки
– станки с ЧПУ, обрабатывающие центры, револьверные полуавтоматы
– агрегатные станки
Число наладчиков
Слесари для выполнения разметки и межоперационной сборки
примем
, т. к. работа 2х-сменная
Общее количество основных рабочих
Определение количества вспомогательных рабочих
ИТР
Составление ведомости работающих на участке
| Группы рабочих | Число рабочих | |
| всего | в том числе в I смену | |
| 1. Производственные рабочие – станочники – остальные | 12 | 6 |
| 8 | 4 | |
| 4 | 2 | |
| 2. Вспомогательные рабочие | 2 | 1 |
| Всего | 14 | 7 |
| 3. ИТР | 2 | 1 |
| ВСЕГО РАБОТАЮЩИХ | 16 | 8 |
Определение потребной площади участка
Определение величины производственной площади, занимаемой станками
,
где
- количество малых станков на участке (800х1800 мм);
- количество средних станков (2000х4000 мм);
- количество крупных станков (4000х8000 мм);
Примем
Определение площади необходимой для складирования заготовок и готовых деталей
,
,
Определение площади, занимаемой ИТР и работниками ОТК
,
Величину площади, отводимой для размещения ИТР определяют по удельным нормативам из расчета 5–6 м2 на одного инженерно-технического работника.
,
Определение потребной площади участка
,
Определение способа уборки стружки
Перед определением способа и выбором оборудования для уборки стружки необходимо определить объем стружки, производимой на участке за один час, по формуле:
,
где
- масса заготовки детали представителя, кг;
- масса детали представителя, кг;
- расчетный такт выпуска детали представителя.
Так как выход стружки достаточно мал, то нет необходимости в конвейере для ее уборки. Достаточно установить возле каждого станка тару для сбора стружки.
Назначение средств внутрицехового и межоперационного транспорта. Составление ведомости подъемно-транспортных механизмов (ПТМ) участка.
ПТМ следует выбирать исходя из конструктивных особенностей обрабатываемых деталей, формы организации производства на участке.
На участке обрабатываются в основном детали типа «корпус» массой до 1 кг, поэтому нет необходимости в использовании подъемно-транспортных механизмов.
Для данного участка предложены следующие ПТМ:
1. Электрические авто – и электрические тележки;
Электрические тележки предназначены для перемещения детали по участку: от одной операции к другой. После того как при помощи тележек деталь доставлена на рабочее место ее необходимо установить.
В качестве внутрицехового транспорта принимаем мостовой кран с электроталью, грузоподъемностью Qкр = 10 тонн.
Выбор длины и ширины участка, ширины пролета.
Составление схемы расчета и определение высоты здания.
Длина участка по соображениям пожарной безопасности не должна превышать 50…60 м. Сетка колонн характеризует размеры ширины пролета и шага колонн.
В зависимости от типа производства, массы и габаритов выпускаемых деталей принимаем:
Ширина пролета – L = 18 м;
Шаг колонн – t = 12 м;
Значит сетка колонн: 18 * 12 м.
Ширину участка принимаем равной ширине пролета L = 18 м.
Длину участка определяем в зависимости от найденной площади участка:
,
Округляем в большую сторону до стандартизованного размера. Принимаем Lуч = 12 м.
Высота пролета цеха определяется исходя из размеров изделий, габаритов оборудования (по высоте), размеров и конструкции кранов, а также из санитарно-гигиенических требований.
В = Н1 + h, (28)
Н1 = А1 + А2 + А3 + А4 + А5, (29)
где А1 = 2,94 м – высота наиболее высокого станка;
А2 = 0,5 м – расстояние между транспортируемым изделием и самым высоким станком;
А3 =0,05 м – высота максимального транспортируемого изделия;
А4 =1 м – длина строп крана;
А5 =0,5 м – расстояние от центра крюка до верхней кромки подкранового рельса.
h = h1 + h2, (30)
где h1 =2,3 м – высота крана от подкранового рельса;
h2 =0,1 м – расстояние между верхней кромкой крана и нижней кромкой перекрытия.
Н1=2,94+0,5+0,05+1,0+0,5=5.0 м
h= 2,3+0,1=2,4 м
В=5.0+2,4=7,4 м
Рис. 8 Эскиз участка в поперечном сечении
В дипломном проекте спроектировано рабочее место оператора фрезерного ОЦ с ЧПУ модели Mini Mill.
Необходимо уделять внимание улучшению организации рабочих мест. Улучшение оснащенности, рациональная планировка, хорошо налаженное обслуживание рабочих мест являются важными факторами повышения производительности труда и снижения утомляемости работающего.
Основной задачей проектирования организации рабочего места является создание такой конструкции организационной оснастки и такого расположения оборудования, заготовок, готовых деталей и оснастки, при которых отсутствуют лишние и нерациональные движения и приемы (повороты, нагибания, приседания и т.д.), максимально сокращаются расстояния перемещения рабочего.
Применение типовых планировок позволяет сэкономить производственную площадь, устранить лишние движения рабочего, сократить время поиска инструмента и приспособлений.
При многостаночной работе планировка рабочего места должна обеспечить наиболее удобное для рабочего расположение органов управления всех обслуживаемых станков и минимальную затрату времени на переходы рабочего от одного станка к другому.
Рис. 9. Планировка рабочего места оператора станка с ЧПУ
5. Организационно-экономическая часть
Данная организационно-экономическая часть посвящена определению экономической целесообразности перевода обработки детали «Корпус» с универсальных станков на станки с ЧПУ.
Необходимость замены базового технологического процесса вызвана следующими причинами:
-
Обработка корпуса по действующему технологическому процессу осуществляется на универсальном оборудовании и тем самым сопровождается большим количеством установок.
-
Действующий технологический процесс обработки корпуса буксы является неэффективным и экономически не выгодным, т. к. имеются потери времени на вспомогательное время (установка, закрепление / снятие детали, транспортировка) и операционное, которые можно избежать, соблюдая принцип концентрации переходов и операций.
-
Имеются операции, которые можно объединить в одну, а не разбивать на несколько, при этом теряя время на транспортировку, установку, закрепление, базирование детали.
При изготовлении детали обработка резьбовых отверстий ведется на 3 станках, а именно настольно-сверлильном станке НС‑12А, агрегатно-сверлильном станке КПМЗ.101.012. и резьбонарезном станке Leinen. Лучшим вариантом было бы осуществить концентрацию этих операций на одном высокопроизводительном станке, например фрезерном обрабатывающем центре Mini Mll. Это бы позволило осуществить обработку резьбовых отверстий за один установ, а так же сократить время на транспортные операции, что привело бы к сокращению основного и вспомогательного времени.
Расчеты приведены в ценах 2009 года на базе предприятия ФГУП «КЗТА».
5.1 Технико-экономическое обоснование разработанного варианта технологического процесса.
Исходные данные
Таблица №8.1. Базовый вариант
| № | № опер | Название операции | Оборудование | Разряд станочника | Тшт, мин | Часовая тарифная ставка |
| 1 | 032 | Фрезерная | 676П | 3 | 7,3 | 20,08 |
| 2 | 035 | Фрезерная | 676П | 3 | 7,8 | 20,08 |
| 3 | 045 | Фрезерная | 676П | 3 | 6,1 | 20,08 |
| 4 | 050 | Фрезерная | 676П | 3 | 4,5 | 20,08 |
| 5 | 060 | Фрезерная | 6520Ф3 | 4 | 8,2 | 25,7 |
| 6 | 070 | Фрезерная | 676П | 3 | 3,4 | 20,08 |
| 7 | 075 | Фрезерная | 676П | 3 | 4,7 | 20,08 |
| 8 | 080 | Фрезерная | 676П | 3 | 3,6 | 20,08 |
| 9 | 090 | Фрезерная | 676П | 3 | 2,2 | 20,08 |
| 10 | 100 | Фрезерная | 676П | 3 | 3,5 | 20,08 |
| 11 | 105 | Фрезерная | 676П | 3 | 2,3 | 20,08 |
| 12 | 118 | Сверлильная | КПМЗ.101.012 | 4 | 1,2 | 17,6 |
| 13 | 120 | Сверлильная | НС‑12А | 4 | 2,5 | 17,6 |
| 14 | 125 | Сверлильная | НС‑12А | 4 | 10,3 | 17,6 |
| 15 | 130 | Сверлильная | НС‑12А | 4 | 7,4 | 17,6 |
| 16 | 135 | Сверлильная | НС‑12А | 4 | 5,1 | 17,6 |
| 17 | 150 | Сверлильная | НС‑12А | 4 | 1,7 | 18,9 |
| 18 | 155 | Сверлильная | НС‑12А | 4 | 0,6 | 18,9 |
| 19 | 160 | Резьбонарезная | «Leinen» | 4 | 35,8 | 18,9 |
| 20 | 165 | Резьбонарезная | «Leinen» | 4 | 10,4 | 18,9 |
| 21 | 170 | Резьбонарезная | «Leinen» | 4 | 8,1 | 18,9 |
Таблица 8.2. Усовершенствованный вариант
| № | № опер | Название операции | Оборудование | Разряд станочника | Тшт, мин | Часовая тарифная ставка |
| 1 | 032 | Фрезерная | 676П | 3 | 7,3 | 20,08 |
| 2 | 035 | Фрезерная | 676П | 3 | 7,8 | 20,08 |
| 3 | 045 | Фрезерная | 676П | 3 | 6,1 | 20,08 |
| 4 | 050 | Фрезерная | 676П | 3 | 4,5 | 20,08 |
| 5 | 060 | Фрезерная с ЧПУ | Mini Mill | 4 | 8,2 | 25,7 |
| 6 | 070 | Фрезерная | 676П | 3 | 3,4 | 20,08 |
| 7 | 075 | Фрезерная | 676П | 3 | 4,7 | 20,08 |
| 8 | 080 | Фрезерная | 676П | 3 | 3,6 | 20,08 |
| 9 | 090 | Фрезерная | 676П | 3 | 2,2 | 20,08 |
| 10 | 100 | Фрезерная | 676П | 3 | 3,5 | 20,08 |
| 11 | 105 | Фрезерная | 676П | 3 | 2,3 | 20,08 |
| 12 | 115 | Фрезерная с ЧПУ | Mini Mill | 3 | 12,3 | 21,6 |
| 13 | 125 | Фрезерная с ЧПУ | Mini Mill | 3 | 37,2 | 21,6 |
| 14 | 135 | Фрезерная с ЧПУ | Mini Mill | 3 | 31 | 21,6 |
Общие положения.
Технико-экономическое обоснование разработанного варианта технологического процесса представляет собой сравнение двух вариантов техпроцесса – базового (заводского) и усовершенствованного. Сравнение поможет доказать выгоду изменения технологического процесса. Критерием сравнения служит критическая программа выпуска.
Для расчета критической программы выпуска воспользуемся технологической себестоимостью производства детали по базовому и усовершенствованному технологическим процессам.
;
- технологическая себестоимость для базового техпроцесса;
- переменные расходы, приходящиеся на единицу продукции по базовому техпроцессу;
- годовая сумма постоянных расходов по базовому техпроцессу;
- годовая программа выпуска изделий, N=540 шт.;
;
- технологическая себестоимость для нового техпроцесса;
- переменные расходы, приходящиеся на единицу продукции по новому техпроцессу;
- годовая сумма постоянных расходов по новому техпроцессу;
Общая сумма сопоставимых расходов по-новому техпроцессу:
;
по базовому техпроцессу:
;
При равенстве сопоставимых расходов, т.е. при:
;
находится критическая программа выпуска
:
;
тогда
;
Расчет отдельных элементов сопоставимой себестоимости изготовления детали «Корпус» по базовому технологическому процесу.
Переменные затраты:
1. Затраты на материал
;
где a – норма расхода на материал или заготовку, кг/дет.;
b – вес отходов материала, подлежащих утилизации, кг.;
- цена материала, руб./кг.;
-цена возвратных отходов, руб./кг.;
=0,07 кг;
= 50 руб./кг;
=0,5 руб./кг;
2. Заработная плата основных рабочих (за 1 деталь):
где С – часовая тарифная ставка соответствующего разряда выполняемых работ, руб./час;
- время на операцию, мин.
1) Фрезерные работы:
руб.;
2) Сверлильные работы:
руб.;
3) Резьбонарезные работы:
руб.
руб.
3. Дополнительная заработная плата:
руб.
4. Расходы на электроэнергию, потребляемую двигателями станков
;
где
- суммарная установленная мощность э/двигателей данного станка, кВт;
- коэффициент использования электродвигателей данного станка;
- стоимость 1 кВт/ч электроэнергии,
= 1.27 руб./кВч.
1) Для фрезерных станков: N= 10 кВт,
= 0,65;
2) Для сверлильных станков: N=6 кВт,
= 0,6
3) Для резьбонарезных станков: N=3 кВт,
= 0,6;
руб.;
руб.;
руб.;
руб.;
-
Расходы на смазочно-охлаждающую жидкость (СОЖ).
Dгод. – величина годового расхода СОЖ в год, руб.;
Fд. ст. – действительный годовой фонд времени работы станка, час:
Постоянные затраты.
1. Расходы по эксплуатации приспособлений:
универсальных:
специальных:
где
- стоимость приспособления или себестоимость его изготовления, руб.;
пр – действительный годовой фонд времени работы приспособления, час
-коэффициент, определяющий время использования приспособления на данной операции;
-штучное время на данной операции, мин.
N – годовая программа выпуска деталей, шт.
В базовом технологическом процессе при изготовлении детали «Корпус» используются в основном специальные приспособления.
2. Расходы по наладке приспособления:
руб.
3. Заработная плата наладчика за час при изготовлении данной детали:
- часовая тарифная ставка наладчика, руб./час.
;
4. Амортизационные отчисления за год.
;
где
- стоимость станка, руб.;
Стоимость станков:
Фрезерный 676П
=65 000 руб.
Резьбонарезный Leinen
=54 000 руб.
Настольно-сверлильный НС‑12А
=10 500 руб.
Фрезерный с ЧПУ 6520Ф3
=230 000 руб.
Агрегатный сверлильный КПМЗ 101.012.
=270 000 руб.
руб.;
руб.;
руб.;
руб.;
руб.;
руб.;
Расчет отдельных элементов сопоставимой себестоимости изготовления детали «Корпус» по проектируемому технологическому процессу.
Переменные затраты:
-
Затраты на материал
;
где a – норма расхода на материал или заготовку, кг/дет.;
b – вес отходов материала, подлежащих утилизации, кг.;
- цена материала, руб./кг.;
-цена возвратных отходов, руб./кг.;
=0,07 кг;
= 50 руб./кг;
=0,5 руб./кг;
2. Заработная плата основных рабочих (за 1 деталь):
где С – часовая тарифная ставка соответствующего разряда выполняемых работ, руб./час;
- время на операцию, мин.
1) Фрезерные работы:
руб.;
2) Фрезерные (с ЧПУ) работы:
руб.;
руб.
3. Дополнительная заработная плата:
руб.
4. Расходы на электроэнергию, потребляемую двигателями станков
;
где
- суммарная установленная мощность э/двигателей данного станка, кВт;
- коэффициент использования электродвигателей данного станка;
- стоимость 1 кВт/ч электроэнергии,
= 1.27 руб./кВч.
1) Для фрезерных станков: N= 10 кВт,
= 0,65;
2) Для фрезерных станков с ЧПУ: N= 5,6 кВт,
= 0,65;
руб.;
руб.;
руб.;
-
Расходы на смазочно-охлаждающую жидкость (СОЖ).
Dгод. – величина годового расхода СОЖ в год, руб.;
Fд. ст. – действительный годовой фонд времени работы станка, час:
Постоянные затраты.
1. Расходы по эксплуатации приспособлений:
универсальных:
специальных:
где
- стоимость приспособления или себестоимость его изготовления, руб.;
пр – действительный годовой фонд времени работы приспособления, час
-коэффициент, определяющий время использования приспособления на данной операции;
-штучное время на данной операции, мин.
N – годовая программа выпуска деталей, шт.
В базовом технологическом процессе при изготовлении детали «Корпус» используются в основном специальные приспособления.
-
Расходы по наладке приспособления:
руб.
-
Заработная плата наладчика за час при изготовлении данной детали:
- часовая тарифная ставка наладчика, руб./час.
;
-
Амортизационные отчисления за год.
;
где
- стоимость станка, руб.;
Стоимость станков:
Фрезерный 676П
=38 200 руб.
Фрезерный ОЦ с ЧПУ Mini Mill
=1100 000 руб.
руб.;
руб.;
руб.;
Себестоимость изготовления детали «Корпус»
| № | Вид расходов | Базовый ТП, руб. | Новый ТП, руб. |
| I | Переменные расходы | ||
| 1 | Затраты на материал | 22,96 | 22,96 |
| 2 | Заработная плата основных рабочих за одну деталь | 47,3 | 46,1 |
| 3 | Дополнительная заработная плата | 20,8 | 20,2 |
| 4 | Расходы на электроэнергию, потребляемую станками | 9,4 | 10,04 |
| 5 | Расходы на смазочно-охлаждающую жидкость (СОЖ) | 2,34 | 2,29 |
| Итого: | 102,8 | 101,95 | |
| II | Постоянные расходы | ||
| 1 | Расходы на эксплуатацию приспособлений | 51,27 | 24,54 |
| 2 | Расходы по наладке оборудования | 2,56 | 1,22 |
| 3 | Заработная плата наладчиков | 10,79 | 10,58 |
| 4 | Амортизационные отчисления | 6,23 | 28,07 |
| Итого: | 70,85 | 64,41 | |
Расчет критической программы выпуска:
шт.;
Nкр – показывает критическую величину программы, при которой сопоставимые варианты равноценны.
Общая себестоимость:
-
базовый ТП:
SI=VI*N+CI=102,8*540+70,85=55582,85 руб.;
-
проектируемый ТП:
SII=VII*N+CII=101,95*540+64,41=55117,4 руб.;
Экономический эффект:
-
на одно изделие:
Э1=(CI – CII)+(VI – VII)=(70,85–64,41)+(102,8–101,95)=
=6,44+0,85=7,29 руб.;
-
на годовую программу:
ЭN=(CI – CII)+(VI – VII)*N=)=(70,85–64,41)+(102,8–101,95)*540
=465,44 руб.;
1 ‑ кривая расходов, соответствующая базовому ТП;
2 – кривая расходов, соответствующая проектируемому ТП;
На основе полученных данных можно сделать вывод, что обработку детали более целесообразно проводить по вновь спроектированному ТП при любой программе выпуска. При этом, экономический эффект на одно изделие составит 7,29 руб., а на всю программу выпуска 465,44 руб. Такой эффект объясняется заметным снижением расходов на эксплуатацию приспособлений по новому ТП относительно базового ТП, что в свою очередь объясняется сокращением числа операций, за счет введения в ТП станков с ЧПУ. Отсюда можно сделать вывод, что применение станков с ЧПУ, и применение метода концентрации операций экономически оправдано.
100>100>100>100>100>100>
– уровень технологичности по трудоемкости изготовления деталей
– уровень технологичности по себестоимости изготовления детали.
– коэффициент удельной трудоемкости изготовления детали:
– коэффициент удельной себестоимости изготовления детали:
– коэффициент использования металла:
,
– штучно-калькуляционное время выполнения каждой i‑той операции спроектированного технологического процесса;















