114647 (591659), страница 15
Текст из файла (страница 15)
При роботі в p-n переході може спостерігатися його пробій при зворотній напрузі, оскільки при зростанні зворотної напруги зростає напруженість внутрішнього поля переходу, яке веде до зростання рухливості носіїв, що формують зворотний струм. При їх достатній швидкості через розрив ковалентних зв'язків утворюються додаткові електрони і дірки, які, в свою чергу при зіткненнях можуть створювати нові і нові носії. Цей процес називається лавинним розмноженням і веде до швидкого наростання зворотного струму. Даний процес є зворотним, поки він не перейшов в тепловий. Наявність об'ємних зарядів і електричного поля в збідненому шарі надає p-n переходу властивості електричної ємності (т.з. бар'єрна ємність p-n переходу). Вона залежить від площі переходу і напруги, що подається до нього.
, (А.2)
де
– питома електрична проникність, S – площа p-n переходу, d – ширина запірного шару.
Фізичні характеристики, такі як струм пробою, допустимі температури роботи, допустима потужність розсіяння, потужність приладу і т.п. залежать від матеріалу і способу виготовлення приладу.
А.4 Біполярні транзистори
Біполярний транзистор – монокристал напівпровідника, в якому створені три ділянки з типами провідності, що чергуються (p-n-p або n-p-n). Середню ділянку називають базою, а крайні – колектором і емітером. Перехід між емітером і базою – емітерний перехід, між базою і колектором – колекторний.
Призначення емітерного переходу – уприскування (інжекція) основних носіїв емітера в базову ділянку.
Інжекція емітерного переходу оцінюється через коефіцієнт інжекції:
, (А.3)
відношення емітерного струму, обумовленого носіями емітера до загального струму емітера, створеного як основними носіями емітера, так і основними носіями бази.
Для підвищення ефективності емітера і зменшення складової струму основних носіїв бази, ділянку емітера роблять з більшою концентрацією основних носіїв, ніж ділянка бази.
Для бази носії, які інжектувалися емітером, є неосновними. При прямому зсуві емітерного переходу поблизу нього в базі виникає значне зростання неосновних носіїв. Створюється дифузійний потік від емітерного переходу до колекторного (де їх навпаки — не вистачає). Під дією прискорюючого поля неосновні носії бази втягуються в ділянку колектора, що створює керований колекторний струм Iкк в його ланцюзі.
Коефіцієнт переносу показує, яка частина інжектованих емітером носіїв досягає колекторного переходу (оскільки зрозуміло, що досягають не всі). Цей коефіцієнт визначається як відношення керованого колектором струму до струму емітера, створеного основними носіями.
(А.4)
Також важливим параметром є коефіцієнт передачі струму емітера (приріст струму колектора до приросту струму емітера при незмінній напрузі на колекторному переході).
(А.5)
Цей коефіцієнт мало відрізняється від одиниці (від 0,95 до 0,99). Але окрім колекторного струму, створеного інжекцією, в колекторному ланцюзі тече ще і невеликий за величиною зворотний струм колекторного переходу Iкзв, обумовлений неосновними носіями колектора і бази. При зміні навколишньої температури зворотний струм порушує стабільність роботи транзистора, оскільки Iк = Iкк + Iкзв.
Можна також згадати, що кожен транзистор має ряд параметрів. Частину з них можна назвати параметрами транзисторів при малих струмах, а інші – фізичними параметрами транзистора.
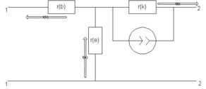
Розглянемо спершу параметри при малих струмах. При малих струмах транзистор можна розглядати як лінійний активний чотириполюсник.
Рисунок А.7 – Чотириполюсник
До фізичних параметрів транзисторів відносяться: r(е) – опір емітерного переходу з урахуванням об'ємного опору емітерної області (звичайно – декілька десятків Ом); r(k) – опір колекторного переходу (від декількох сотень кілоом до мегаома); r(b) – об'ємний опір бази (декілька сот Ом).
Також будь-який транзистор має т.з. граничні характеристики: граничну температуру переходів (для кремнієвих транзисторів до 200 градусів за Цельсієм, для германієвих – до 100) і максимальну потужність, що розсіюється транзистором:
, (А.6)
де Tнав – температура навколишнього середовища, RTнав – тепловий опір, Tnmax – гранична температура переходів.
Від температури залежать і інші характеристики транзисторів. Наприклад, при підвищенні температури на 10 градусів струм Iкзв зростає в 2 рази, що порушує режим роботи транзистора у бік великих струмів. Тому в промисловості застосовуються транзистори з більш термостійких матеріалів (кремнієві) і різні методи охолоджування схеми.
Проте, біполярні транзистори мають вельми невеликий вхідний опір і високу інерційність. Тому в комп'ютерах використовуються в основному польові транзистори, які (до того ж) набагато легше піддаються мініатюризації. Біполярні транзистори дають більшу швидкодію.
А.5 Польові транзистори
Польові транзистори бувають двох типів – канальні і з ізольованим затвором. Останні і застосовуються в комп'ютерах, їх ми і розглянемо.
Рисунок А.8 – Польові транзистори (канальний та з ізольованим затвором)
Тут (рис. А.8) і далі сірим кольором позначається оксид кремнію SiO2.
Металевий електрод затвору ізольований від каналу тонким шаром діелектрика (двоокисом кремнію SiO2). Концентрація домішків в областях стоку і витоку значно більше, ніж в каналі. Основою для транзистора служить напівпровідник p-типу. Витік, стік і затвор мають металеві відводи, за допомогою яких транзистор і підключається до схеми. Такий транзистор також називається МОН-транзистором (метал-окис-напівпровідник).
МОН-транзистори характеризуються такими статичними параметрами режиму насичення:
, при Uc=const, (А.7)
де S – крутизна характеристик,
– зміна струму стоку,
– зміна напруги на затворі при постійній напрузі на стоці.
,при Uзі=const, (А.8)
де Ri – внутрішній опір,
– зміна напруги на стоці,
– зміна струму стоку при постійній напрузі на затворі.
, при Iс=const, (А.9)
де – коефіцієнт посилення, що показує, в скільки разів сильніше впливає на струм стоку зміна напруги на затворі, ніж зміна напруги на стоці.
Uзі від – зворотна напруга на затворі (напруга відсічення), при якому струмопровідний канал стає перекритим.
Вхідна напруга між затвором і витоком визначається при максимально допустимій напрузі між цими електродами.
На високих частотах також дуже важливими є міжелектродні ємності: вхідна, прохідна і вихідна.
До найважливіших переваг польових транзисторів відносяться:
- Високий вхідний опір (до
Ом).
- Малий рівень власних шумів.
- Висока стійкість до температурних і радіоактивних дій.
- Висока щільність елементів при використанні в інтегральних схемах.
- Низька інерційність.
А.6 Реалізація інших напівпровідникових приладів в інтегральних схемах
Конденсатор (використовується бар'єрна місткість обернено включеного p-n переходу).
Рисунок А.9 – Конденсатор Рисунок А.10 – Резистор
Резистор (базові – високоомні, емітерні – низькоомні. Як змінний резистор можна використовувати уніполярний транзистор).
Індуктивність звичайно не використовується, оскільки схеми проектують так, щоб уникнути її використання, проте, якщо все ж таки виникає необхідність введення в схему окремої індуктивності, то її наносять на поверхню оксиду кремнію металевої спіралі.
Рисунок А.11 – Діоди з різними видами підключення
Діоди b і e – на основі колекторного переходу мають найбільшу зворотну напругу. На основі емітерного переходу (а, d) – мають найбільшу швидкодію і найменший зворотний струм. На основі паралельного включення переходів (с) – найменшу швидкодію і найбільший прямий струм.
Таким чином, за допомогою транзисторів в мікросхемах виконуються практично всі необхідні радіоелементи.
Додаток Б
Фотоелектричний ефект
Фотоефект – явище випускання електронів речовиною під дією світла, було відкрито в 1887 Г.Герцем, який виявив, що іскровий розряд в повітряному проміжку легше виникає за наявності поблизу іншого іскрового розряду. Герц експериментально показав, що це пов'язано з ультрафіолетовим випромінюванням іншого розряду. У 1889 Дж.Томсон і Ф.Ленард встановили, що при освітленні поверхні металу у відкачаній посудині вона випускає електрони. Продовжуючи ці дослідження, Ленард продемонстрував в 1902, що число електронів, що вилітають за 1 с з поверхні металу, пропорційно інтенсивності світла, тоді як їх енергія залежить лише від світлової довжини хвилі, тобто кольору. Обидва ці факти суперечили виведенням теорії Максвела про механізм випускання і поглинання світла. Згідно цієї теорії, інтенсивність світла є мірою його енергії і, звичайно, повинна впливати на енергію електронів, що випускаються. В 1905 А.Эйнштейн, ґрунтуючись на попередній роботі М.Планка, присвяченій тепловому випромінюванню, висунув гіпотезу, згідно якої поведінка світла певним чином схожа з поведінкою хмари частинок, енергія кожної з яких пропорційна частоті світла. Пізніше ці частинки були названі фотонами. Їх енергія (квант енергії, згідно Планку і Ейнштейну) дається формулою
, де h – універсальна стала, вперше введена Планком і названа його ім'ям, а
– частота світла. Ця гіпотеза добре пояснює результати дослідів Ленарда: якщо кожен фотон в результаті зіткнення вибиває один електрон, то інтенсивнішому світлу даної частоти відповідає більше число фотонів і таке світло вибиватиме більше електронів; проте енергія кожного з них залишається такою ж.
Ейнштейн висловив припущення, що електрони, виходячи з поверхні металу, втрачають певну енергію W, звану роботою виходу. Крім того, більшість електронів передають частину своїй енергії навколишнім електронам. Таким чином, максимальна енергія фотоелектрона, що вибивається фотоном даної частоти, описується виразом
, де W – величина, залежна від природи металу і стану його поверхні. Цей закон одержав надійне експериментальне підтвердження, особливо в дослідах Р.Міллікена в 1916 році. За роботи у області фотоефекту Ейнштейну була присуджена Нобелівська премія з фізики у 1922 році.
За певних умов фотоефект можливий в газах і атомних ядрах, з яких фотони з достатньо високою енергією можуть вибивати протони і народжувати мезони. Фотоелектричні властивості поверхні металу широко використовуються для керування електричним струмом за допомогою світлового пучка, при відтворенні звуку із звукової доріжки кіноплівки, а також в численних приладах контролю, лічбі і сортування. Фотоелементи знаходять застосування також в світлотехніці.
При опромінюванні напівпровідників світлом в них можна викликати провідність. Фотострум з енергією
, яка більша або дорівнює ширині забороненої зони
переводить електрони з валентної зони в зону провідності. Пара електрон-дірка, що утворюється при цьому, є вільною і бере участь в створенні провідності. На рисунку Б.1 показана схема утворення фотоносіїв у власному, донорному і акцепторному напівпровідниках. Таким чином, якщо
<
– для власних напівпровідників;
<
– для домішкових напівпровідників, то з'являються додаткові носії струму і провідність підвищується. Ця додаткова провідність називається фотопровідністю. Основна провідність, обумовлена тепловим збудженням носіїв струму, називається темновою провідністю. З наведених формул можна визначити мінімальну частоту
або максимальну довжину хвилі
, при якій світло збуджує фотопровідність.
Рисунок Б.1 – Схеми утворення фотосистем















