63741 (589027)
Текст из файла
УТВЕРЖДАЮ
Зав. кафедрой
ПОЯСНИТЕЛЬНАЯ ЗАПИСКА К ДИПЛОМНОМУ ПРОЕКТУ
на тему: Проектирование управляющей ИМС для импульсных источников питания по типу TDA16846.
Задание на дипломный проект
Студент:
1 Тема: Проектирование управляющей ИМС для импульсных источников питания по типу TDA16846.
Утверждена приказом по
2 Срок представления проекта к защите:
3 Исходные данные для проектирования: схема электрическая принципиальная, фотография кристалла ИМС TDA16846, проектные нормы на разработку топологии.
4 Содержание пояснительной записки:
Введение.
4.1 Общие принципы построения импульсных источников питания
4.2 Анализ структурной схемы и алгоритма работы ИМС TDA16846.
4.3 Анализ схемы электрической принципиальной ИМС TDA16846.
4.4 Разработка физической структуры кристалла и технологического маршрута изготовления ИМС.
4.5 Разработка топологии ИМС.
4.5.1 Разработка библиотеки элементов
4.5.2 Компоновка элементов и блоков и трассировка
4.6 Организационно-экономический раздел: расчет сметы затрат на проектирование ИМС.
4.7 Экологичность и безопасность дипломного проекта: анализ опасных и вредных факторов при работе с ПК.
4.8 Заключение.
5 Перечень графического материала:
5.1 Схема структурная ИМС TDA16846.
5.2 Схема электрическая принципиальная ИМС TDA16846.
5.3 Схема включения ИМС в составе импульсного источника питания.
5.4 Топология ИМС.
5.5 Временные диаграммы работы ИМС.
6 Приложения:
6.1 Схема структурная ИМС TDA16846.
6.2 Схема электрическая принципиальная ИМС TDA16846.
6.3 Схема включения ИМС в составе импульсного источника питания.
6.4 Топология ИМС.
6.5 Временные диаграммы работы ИМС.
Руководитель проекта к.т.н., доцент _________________________
Консультанты по разделам:
Организационно-экономический ____________________________
Экологичность и безопасность _______________________________
Задание принял к исполнению ________________________________
Реферат
Пояснительная записка содержит листов, рисунка, таблиц, источников, приложений.
ИМПУЛЬСНЫЙ ИСТОЧНИК ПИТАНИЯ, МИКРОСХЕМА, АНАЛИЗ, ЭЛЕКТРИЧЕСКАЯ ПРИНЦИПИАЛЬНАЯ СХЕМА, СТРУКТУРНАЯ СХЕМА, СИЛОВОЙ ТРАНЗИСТОР, КОРРЕКЦИЯ КОЭФФИЦИЕНТА МОЩНОСТИ ИМПУЛЬСНЫЙ ТРАНСФОРМАТОР,TDA16846.
Объектом разработки является ИМС для управления импульсным источником питания.
Цель работы – проектирование ИМС для управления импульсным источником питания.
В процессе работы проводился анализ схемы электрической принципиальной, моделирование схемы и разработка топологии на ПК.
В результате проведенной работы выполнен анализ схемы электрической принципиальной, разработана физическая структура кристалла, технологический маршрут изготовления и топология ИМС для управления импульсным источником питания.
Основные конструктивные и технико-эксплутационные характеристики: число элементов электрической принципиальной схемы – 660 в том числе 350 транзисторов, 296 резисторов, 11 конденсаторов, 5 диодов, размеры кристалла ИМС - 2,3 x 2,3 мм.
Применение разработанной ИМС возможно в схемах блоков питания телевизоров, стационарных радиоприемников, мониторов персональных компьютеров.
Содержание
Введение
1 Общие принципы построения импульсных источников питания
1.1 Функции и особенности микросхемы TDA16846
1.1.1 Описание ИМС
1.1.2 Особенности и достоинства микросхемы
1.1.3 Назначение выводов микросхемы
1.1.4 Краткое описание функций выводов
1.1.5 Предельно допустимые характеристики ИМС
2 Анализ алгоритма работы ИМС TDA16846
2.1 Поведение устройства в момент запуска
2.2 Инициализация тока первичной обмотки, ограничение тока
2.3 Управление по цепи обратной связи
2.4 Схема управления временем выключения
2.5 Усилитель ошибки, мягкий запуск
2.6 Фиксирование частоты и схема синхронизации
3 Анализ принципиальной электрической схемы
3.1 Анализ схемы включения ИМС TDA16846
3.2 Электрические характеристики микросхемы TDA16846
3.2 Анализ электрической принципиальной схемы ИМС TDA16846
4 Разработка физической структуры кристалла и технологического
маршрута изготовления ИМС
5 Разработка топологии ИМС
5.1 Разработка библиотеки элементов
5.2 Компоновка элементов и блоков
6 Расчет сметы затрат на проектирование ИМС
6.1 Организационная часть
6.2 Экономическая часть
7 Анализ опасных и вредных факторов при работе с ПЭВМ
Заключение
Список использованных источников
Приложение А
Приложение Б
Приложение В
Введение
Целью дипломного проекта является проектирование управляющей ИМС для импульсных источников питания по типу TDA16846.
Существует класс блоков электропитания, в которых напряжение сети сначала преобразуется трансформатором, а затем поступает во вторичные цепи. В таких блоках питания трансформатор имеет значительные размеры, поэтому цепи питания составляют ощутимую долю массы радиоустройства в целом. Так, например, в мощных устройствах блоки питания могут составлять 25 — 30%. всей массы.
Решение проблемы снижения материалоемкости и энергопотребления бытовой радиоэлектронной аппаратуры связано с использованием импульсных источников вторичного электропитания. Их преимущества по сравнению с традиционными источниками электропитания обеспечиваются заменой силового трансформатора, работающего на частоте промышленной сети 50 Гц, малогабаритным импульсным трансформатором, работающим на частотах 20 — 100 кГц, а также использованием импульсных методов стабилизации вторичных напряжений взамен компенсационных. Это приводит к снижению материалоемкости в 3 - 4 раза и повышению КПД до 85 — 90%.
На сегодняшний день разработка импульсных источников питания в основном связана с разработкой микросхем контроллеров, которые управляют работой источника. Существует не мало микросхем подобного рода, но все они зарубежного производства, в том числе взятая за основу проектирования TDA16846, поэтому имеют высокую стоимость (для TDA16846 порядка 2-х долларов).
Изготовление подобной микросхемы на предприятии ОАО “Орбита” позволит получить конкурентоспособный аналог, имеющий меньшую цену, и позволит обеспечить предприятия отечественной радиоэлектронной промышленности данным прибором на взаимовыгодных условиях.
Исходя из вышеизложенного следует, что разработка и усовершенствование импульсных источников питания является на сегодняшний день актуальной проблемой.
1 Общие принципы построения импульсных источников питания
Для получения постоянных напряжений с помощью импульсных источников питания (ИИП) в них осуществляется тройное преобразование напряжения. Переменное напряжение сети выпрямляется и сглаживается. Полученное постоянное напряжение преобразуется в импульсное прямоугольное напряжение частотой несколько десятков килогерц, которое трансформируется с соответствующим коэффициентом на вторичную сторону, выпрямляется и сглаживается.
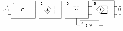
Функциональная схема импульсного источника питания приведена на рисунке 1.1 [1]. Его основными функциональными частями являются: входной помехоподавляющий фильтр (1), сетевой выпрямитель со сглаживающим емкостным фильтром (2), ключевой преобразователь напряжения с импульсным трансформатором (3), схема управления (4), цепи вторичных напряжений (5).
1 – помехоподавляющий фильтр;
2 – выпрямитель со сглаживающим фильтром;
3 – ключевой преобразователь напряжения с импульсным трансформатором;
4 – схема управления;
5 - цепи вторичных напряжений.
Рисунок 1.1 - Структурная схема импульсного источника питания
Напряжение первичной электросети поступает через помехоподавляющий фильтр (1) на выпрямитель (2), откуда после выпрямления и сглаживания пульсаций C-фильтром поступает на ключевой каскад (3) и схемы управления (4). Ключевой каскад преобразует постоянное напряжение в импульсное высокой частоты, которое через импульсный трансформатор поступает на выпрямители выходных цепей (5). Благодаря высокой рабочей частоте габариты и масса у импульсного трансформатора гораздо меньше, чем у трансформатора такой же мощности, работающего при частоте 50 Гц.
Выпрямительная секция ИИП, как правило, выполняется по мостовой схеме. На входе выпрямителя устанавливается LC-фильтр, назначение которого — ослабить уровень помех, поступающих от источника питания в сеть.
На выходе выпрямителя ставится C-фильтр служащий для сглаживания пульсаций.
Необходимо отметить, что через конденсатор фильтра протекает также импульсная составляющая тока транзисторов преобразователя, работающего на частоте 20 — 100 кГц. Как правило, конструкция высоковольтных электролитических конденсаторов не обеспечивает достаточно малого полного сопротивления на этих частотах, поэтому конденсаторы могут перегреваться из-за протекания высокочастотных импульсных токов. Для устранения перегрева электролитический конденсатор фильтра обычно шунтируется конденсатором пленочного или керамического типа.
В зависимости от назначения и заданных параметров, ИИП может содержать различные дополнительные блоки и цепи: стабилизаторы напряжений, устройства защиты от перегрузок и аварийных режимов, цепи первоначального запуска, подавления помех и др. Однако определяющим узлом любого ИИП является ключевой преобразователь напряжения и в первую очередь его силовая часть. Выходные каскады преобразователей напряжения можно разделить на два больших класса: однотактные и двухтактные.
Силовая часть однотактного преобразователя может быть выполнена двумя способами, по которым следует различать прямоходовые и обратноходовые преобразователи.
В прямоходовых преобразователях ток подзарядки накопительных емкостей во вторичной цепи протекает во время открытого состояния ключевого транзистора, а в обратноходовых - во время закрытого состояния этого транзистора.
Рассмотрим подробнее работу импульсного источника питания.
Более подробная функциональная схема ИИП приведена на рисунке 1.2 [2].
Рисунок 1.2 - Более подробная функциональная схема ИИП.
Итак, напряжение сети поступает на сетевой выпрямитель (рисунок 1.2) со сглаживающим емкостным фильтром С1-СФ. С конденсатора фильтра выпрямленное напряжение через обмотку W1 трансформатора Т1 поступает на коллектор транзистора VT1, выполняющего функцию ключевого преобразователя постоянного напряжения в импульсное с частотой повторения 20-100 кГц.
Ключевой преобразователь представляет собой импульсный генератор, работающий в режиме самовозбуждения. На рисунке 1.3 приведены временные диаграммы преобразователя [2].
Рисунок 1.3 - Временные диаграммы работы преобразователя
В течение времени ΔТ, когда транзистор открыт, через первичную обмотку W1 трансформатора протекает линейно нарастающий ток IИ. В сердечнике трансформатора запасается энергия магнитного поля.
Когда транзистор закрывается, на верхнем по схеме выводе вторичной обмотки трансформатора W2 появляется положительный потенциал и накопленная энергия передается в нагрузку через диод VD2.
Изменяя ΔТ, т. е. время, в течение которого открыт транзистор преобразователя, можно регулировать выходное напряжение. Размахи импульсов тока через транзистор и диод зависят от индуктивности первичной обмотки трансформатора. При оптимальном ее значении максимальный ток через первичную обмотку вдвое превышает средний ток через нее. При этом ток через диод прекращается в момент открывания транзистора.
Изменять ΔТ можно разными способами. Наиболее подходящий способ регулирования величины выходного напряжения – широтно-импульсная модуляция (ШИМ) [2]. Принцип ШИМ (см. рисунок 1.3) состоит в регулировании времени, в течение которого ключевой транзистор открыт, при этом происходит регулировка количества накопленной трансформатором энергии. Основные достоинства ШИМ – постоянство периода повторений Т и простота реализации.
Рассмотрим случай, когда в установившемся режиме ток нагрузки увеличился. Это означает, что энергия, запасенная трансформатором будет расходоваться быстрее, чем обычно, т.е. время закрытого состояния ключа уменьшится. А для увеличения накопленной энергии нужно увеличить время открытого состояния ключа, чтобы в трансформаторе накопилось больше энергии. В результате общее время Т = const. Аналогично при уменьшении тока нагрузки.
Из за видимых преимуществ ШИМ применяют практически во всех конструкциях ИИП. По этой причине другие способы регулировки рассматривать не будем.
Схема запуска. Необходимость схемы запуска вызвана тем, что при включении ИИП самовозбуждение автогенератора невозможно, так как разряженные конденсаторы фильтров импульсных выпрямителей представляют собой короткое замыкание для импульсов, снимаемых с вторичных обмоток трансформатора. Пусковые токи могут достигать 50...100А, что создает аварийный режим работы для автогенератора.
Устройство запуска обеспечивает принудительное включение и выключение автогенератора в течение нескольких циклов, за время действия которых происходит заряд конденсаторов фильтров импульсных выпрямителей. Одновременно это исключает возможность возникновения аварийной ситуации, так как автогенератор плавно выходит на номинальный режим работы.
В импортных схемах наибольшее распространение нашли схемы подачи начального открывающего смещения на ключ [2]. В момент подачи питания через резисторы от «+» сетевого выпрямителя на базу ключа подается начальное смещение, достаточное для создания начального тока через ключ. За счет обмотки обратной связи происходит нарастание тока через ключ до насыщения, при этом диоды вторичных выпрямителей заперты и не мешают процессу. Как только ключ входит в режим насыщения, нарастание тока прекращается, напряжение на базе ключа становится равным начальному, коллекторный ток ключа резко уменьшается, что приводит к изменению полярности на обмотках трансформатора, в том числе появляется минус на выводе обмотки обратной связи, подключенной к базе ключа, ключ закрывается, диоды импульсных выпрямителей открываются и энергия, накопленная трансформатором, через диоды переходит в разряженные конденсаторы фильтров импульсных выпрямителей. Так как конденсаторы представляют собой в этот момент короткое замыкание, то энергия трансформатора убывает очень быстро. После нескольких циклов заряда конденсаторов автогенератор переходит в нормальный режим и больше схема запуска не используется. Во многих импортных ИИП цепь запуска не отключается, что иногда приводит к выходу из строя ключа при неисправности одного из вторичных выпрямителей, если не применяется схема защиты от короткого замыкания.
Иногда в качестве схемы запуска ИИП применяется генератор на транзисторе [2]. В течение некоторого времени, задаваемого схемой и достаточного для надежного запуска автогенератора, генератор вырабатывает импульсы, которые подаются на базу ключа как начальное смещение и вызывают запуск цикла работы автогенератора. Если неисправность отсутствует, то конденсаторы фильтров заряжаются и автогенератор входит в нормальный режим работы. Иначе схема запуска отключится и ИИП не запустится.
Схема управления. На схемы управления возлагается функция отслеживания уровня выходного напряжения, выработка сигнала ошибки и, часто, непосредственного управления ключом. Обычно схема управления представляет собой схему сравнения реального выходного напряжения и образцового, выработанный сигнал ошибки подается на исполнительную схему, управляющую непосредственно ключевым транзистором (см. рисунок 1.4) [2].
Характеристики
Тип файла документ
Документы такого типа открываются такими программами, как Microsoft Office Word на компьютерах Windows, Apple Pages на компьютерах Mac, Open Office - бесплатная альтернатива на различных платформах, в том числе Linux. Наиболее простым и современным решением будут Google документы, так как открываются онлайн без скачивания прямо в браузере на любой платформе. Существуют российские качественные аналоги, например от Яндекса.
Будьте внимательны на мобильных устройствах, так как там используются упрощённый функционал даже в официальном приложении от Microsoft, поэтому для просмотра скачивайте PDF-версию. А если нужно редактировать файл, то используйте оригинальный файл.
Файлы такого типа обычно разбиты на страницы, а текст может быть форматированным (жирный, курсив, выбор шрифта, таблицы и т.п.), а также в него можно добавлять изображения. Формат идеально подходит для рефератов, докладов и РПЗ курсовых проектов, которые необходимо распечатать. Кстати перед печатью также сохраняйте файл в PDF, так как принтер может начудить со шрифтами.















