62407 (588782), страница 3
Текст из файла (страница 3)
разрядного диода VD;
низкочастотного сглаживающего фильтра LС;
схемы управления и обратной связи, осуществляющей стабилизацию напряжения или тока.
Другое известное название чопперной схемы - импульсный последовательный стабилизатор понижающего типа. Как видно из рис.2.1, ключевой элемент Кл и дроссель фильтра L включены последовательно с нагрузкой Rн. Рабочий цикл чоппера состоит, как показано на рис.2.2, из двух фаз: фазы накачки энергии и фазы разряда на нагрузку. Рассмотрим их подробнее.
Рисунок 2.2 - Фазы работы чопперного стабилизатора
Фаза 1 - накачки энергии.
Эта фаза протекает на протяжении времени tи. Ключевой элемент замкнут и проводит ток Ін, который течет от источника питания Uп к нагрузке через дроссель L, в котором в это время происходит накопление энергии. В это же время подзаряжается конденсатор С. Работа элементов в этой фазе показана на рис.2.3
Рисунок 2.3 - Фаза накачки энергии
Фаза 2 - разряд.
Любой индуктивный элемент при скачкообразном изменении характеристик цепи (обрыв, замыкание на нагрузку с другим значением сопротивления) всегда стремится воспрепятствовать изменению направления и величины тока, протекающего через его обмотку. Поэтому, когда по окончании фазы 1 происходит размыкание ключа Кл, ток Ін, поддерживаемый индуктивным элементом, вынужден замыкаться через разрядный диод VD. Поскольку источник питания отключен, дросселю неоткуда пополнять убыль энергии, поэтому он начинает разряжаться по цепи "диод-нагрузка", как показано на рис.2.4
Рисунок 2.4 - Фаза разряда на нагрузку
Отсюда и идет название диода - "разрядный". Через некоторый промежуток времени tп ключ вновь замыкается и процесс повторяется.
Рабочая частота стабилизатора задается схемой управления и определяется
(2.1)
где Т - рабочая частота схемы управления.
Введем новое понятие, которое очень поможет нам при дальнейшем анализе схемы. Итак, отношение длительности открытого состояния ключа, при котором происходит накачка энергии, к периоду коммутации называется коэффициентом заполнения
(2.2)
где f - рабочая частота схемы управления.
Управляя длительностью открытого состояния ключа tи возможно регулировать величину напряжения, питающего нагрузку. Любой однополярный сигнал (как частный случай несимметричного двухполярного сигнала) имеет замечательное свойство - наличие в его спектре постоянной составляющей, которую можно выделить, пропустив этот сигнал через низкочастотный фильтр. На сегодняшний день известно великое множество фильтров разного качества и сложности. В нашем случае мы используем классическую Г-образную схему LC фильтра.
Операция выделения постоянной составляющей эквивалентна определению среднего значения сигнала. Напряжение на входе фильтра имеет импульсный характер и при фильтрации постоянной составляющей происходит усреднение сигнала. Математически операция сглаживания выглядит следующим образом
(2.3)
где i (t) - мгновенное значение тока в нагрузке.
Подынтегральное выражение - это мгновенное значение напряжения на нагрузке, которое вычисляется для каждого момента времени внутри периода, а затем, после сложения, усредняется по времени периода. Сглаживающие фильтры проектируются так, чтобы на их выходе остаточные пульсации были как можно меньше и приближали выходной сигнал к идеалу. Вычислим среднее значение напряжения на нагрузке чоппера, учитывая, что ток i (t) обладает постоянством во времени:
i (t) =
- постоянный максимальный ток в нагрузке, который протекает, когда ключ замкнут на длительное время, то есть схема управления не работает.
Получим
(2.4)
Как видно из формулы (2.4), напряжение на нагрузке прямо пропорционально ширине импульса tu. Когда ключ открыт на длительное время, Uн = Un. Когда ключ на длительное время закрыт, Un = 0. Отсюда
. (2.5)
Таким образом, при наличии хорошего сглаживающего фильтра, управляя только коэффициентом заполнения, увеличивая или уменьшая длительность открытого состояния ключа, можно легко регулировать напряжение на нагрузке [2].
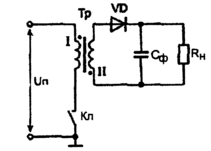
Чопперную схему нельзя использовать в цепях без гальванической развязки от сетевого напряжения. Радиоэлектронные приборы принято проектировать так, что проводник схемы, называемый "общим", всегда подключается к шасси прибора, выполненного из металла. Нередко корпус прибора также не изолируется от шасси. С другой стороны, водопроводные трубы и батареи центрального отопления принято "заземлять", то есть подключать к ним заземленную нейтраль трехфазной сети [4]. Один из контактов сетевой однофазной розетки всегда "нулевой", другой - всегда "фазный". Человек, дотронувшийся до прибора и случайно коснувшийся батареи, окажется под напряжением 220 В. Чтобы не возникало таких опасных для жизни и здоровья человека ситуаций, входные цепи чопперного преобразователя должны быть гальванически развязаны с выходными, то есть не иметь общих проводников. Для гальванической развязки используется трансформатор с независимыми первичной и вторичной обмотками. Такие схемы могут быть однотактными или двухтактными, в зависимости от требуемой мощности преобразователя. Однотактные схемы называются так потому, что электрическая энергия передается на выход преобразователя в течение одной части периода преобразования. В двухтактных схемах электрическая энергия передается в течение двух частей периода. Если энергия передается в тот момент, когда силовой ключ замкнут, такой преобразователь называют прямоходовым (forward). Если же энергия передается, когда ключ разомкнут - преобразователь называют обратноходовым (flyback). Рассмотрим прямоходовую схему (рис.2.5).
Цикл ее работы состоит из двух частей: передачи энергии (фаза 1) и холостого хода (фаза 2) (рис.2.6). В фазе 1 ток i1 индуцирует ток i2 во вторичной обмотке трансформатора.
Рисунок 2.5 - Прямоходовая (forward) схема преобразователя
Рисунок 2.6 - Фазы работы прямоходовой схемы
Поскольку диод VD в этом случае оказывается включенным в прямом направлении, ток i2 заряжает емкость Сф. При размыкании ключа Кл самоиндукция "переворачивает" полярность на выводах трансформатора, диод VD блокируется, ток нагрузки поддерживается исключительно за счет разряда емкости Сф.
Данная схема имеет несколько существенных недостатков. Во-первых, работа с однополярными токами в обмотках трансформатора требует мер по снижению одностороннего намагничения сердечника. Во-вторых, при размыкании ключа энергия, накопленная в индуктивности намагничения трансформатора, не может "разрядиться" самостоятельно, поскольку все выводы трансформатора "повисают в воздухе". В этом случае возникает индуктивный выброс - повышение напряжения на силовых электродах ключевого транзистора, что может привести к его пробою. В-третьих, короткое замыкание выходных клемм преобразователя обязательно выведет силовую часть из строя, следовательно, требуются тщательные меры по защите от КЗ.
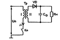
Обратноходовая схема (рис.2.7) очень похожа на прямоходовую с той лишь разницей, что "начала" и "концы" вторичных обмоток трансформатора Тр включены наоборот (с обратной фазировкой). В данном случае фаза накопления энергии и фаза передачи ее в нагрузку разделены во времени.
Рисунок 2.7 - Обратноходовая (fly-back) схема преобразователя
Во время накопления энергии трансформатором (фаза 1) ключ Кл замкнут, в первичной обмотке течет ток I. Закон накопления энергии мы можем математически записать исходя из уже известного нам соотношения
(2.6)
где L1 - индуктивность первичной обмотки.
Мы видим, что на этом участке ток первичной обмотки линейно нарастает. Фаза передачи энергии (фаза 2) наступает при размыкании ключа Кл (рис.2.8).
Рисунок 2.8 - Фазы работы прямоходовой схемы
В этот момент полярность на выводах трансформатора благодаря явлению самоиндукции меняется на противоположную. Открывается диод VD, ток i2 заряжает конденсатор фильтра Сф, закон спада тока вторичной обмотки математически очень похож на закон нарастания тока первичной обмотки
(2.7)
где
- ток первичной обмотки, пересчитанный во вторичную. Его величина фиксируется в тот момент, когда происходит размыкание ключа;
L2 - индуктивность вторичной обмотки.
Видно, что в процессе работы конвертора токи трансформатора нарастают и спадают линейно. Чтобы обеспечить требуемые значения тока и напряжения на нагрузке, необходимо связать процессы, происходящие в первичной цепи, с реакцией на них вторичной цепи.
При выборе конкретной схемы преобразователя можно воспользоваться графиком для выбора типа преобразователя в зависимости от входного напряжения и выходной мощности, изображенным на рис.2.9 [5].
Рисунок 2.9 - Выбор типа преобразователя
Как видно из рисунка, в области малых значений выходной мощности применяются обратноходовые преобразователи, причем с ростом напряжения питания увеличивается и мощность, которую преобразователь может отдать в нагрузку. С ростом выходной мощности целесообразно перейти на прямоходовую схему построения преобразователя. Еще большие мощности могут обеспечить только двухтактные преобразователи напряжения.
Согласно техническому заданию входное рабочее напряжение модуля DC/DC преобразователя составляет 48 - 72 В, а максимальная выходная мощность 30 Вт - следовательно, целесообразно использовать схему обратноходового однотактного преобразователя.
2.1.2 Расчет схемы электрической и выбор элементной базы устройства
Правильно сделанный выбор элементов во многом определяет надежность модуля, технологичность его конструкции и, в конечном счете, экономичность разрабатываемой конструкции в целом.
Целью применения модуля является снижение стоимости аппаратуры ЦАТС за счет применения в ТЭЗах Б5 и Б5/1 модулей питания отечественного производства взамен используемых в настоящее время модулей PKE 4411 PI и PKG 4611 PI производства фирмы ERICSSON Microelectronics.
Чтобы снизить общую себестоимость модуля, целесообразно применять в нем современные специализированные микросхемы, предназначенные для импульсных источников питания, включающие в себя:
ШИМ контроллер;
силовой транзистор;
схему защиты от короткого замыкания на выходе;















