62277 (588758), страница 2
Текст из файла (страница 2)
В тонких оксидних плівках значно впливає на властивості окислу межа розділу фаз.
Здатність шару SiO2 служити локальним маскуючим покриттям при дифузії атомів легуючої домішки при підвищених температурах – дуже корисна властивість для технології формування ІС. В процесі маскування поверхні кремнію від дифузії домішки, оксид перетворюється в склоподібну фазу – так зване домішковосилікатне скло.
Значення дифузійних констант для різних легуючих домішок в SiO2 від концентрації домішок, властивостей та структури SiO2.
Найчастіше для створення в кремнію областей з провідністю n-типу застосовують Р, Sb та As, а для формування області з провідністю р-типу – В. ці домішки мають малі коефіцієнти дифузії в оксиді, тому оксид може застосовуватись для маскуванні при дифузії домішки в кремнію. Що стосується галію та алюмінію, то при їх використанні застосовувати окисел кремнію для маскування не можна. Найчастіше плівки оксиду, що використовують для маскування традиційних домішок в стандартних технологічних процесах формування напівпровідникових приладів, мають товщину 0.5-0.7 мкм.
-
Заряд в окислі.
Межа розділу Si-SiO2 є перехідною областю між кристалічним кремнієм і аморфним кварцевим склом, як щодо положення атомів, так і щодо стехіометрії. Різні за природою заряди та пастки носіїв супроводжують термічно окислений кремній, частина з них зв’язана з перехідною областю. Заряд на межі розділу може індукувати заряд протилежної полярності в розташованій під нею області кремнію, впливаючи на і деальність характеристик МОН-приладу та цим самим на вихід якісних виробів і їх надійність.
На рис. 1.4. показані основні види зарядів, зв’язаних з оксидом. Вони записуються:
N=Q/q,
де Q(Кл/см2) – результуючий ефективний заряд на одиницю площі на межі розділу – Si-SiO2; N (см-2) – результуюче число зарядів на одиницю площі на межі розділу Si-SiO2; q – заряд електрона.
Заряд поверхневих станів - це заряд електронних станів, що локалізовані на границі розділу SI-SiO2 і енергія яких лежить в глибині забороненої зони напівпровідника. Ці поверхневі стани (їх називають також швидкими) можуть досить швидко перезаряджатися, обмінюючись електронами (дірками) з кремнієм. Поверхневі стани зумовлені надлишковими атомами кремнію, надлишковим киснем або домішковими атомами. Основною причиною виникнення цих станів є те, що сама межа розділу є порушенням просторової періодичності кристалічної решітки. В сучасних МОН-структурах, які отримують шляхом термічного окислення кремнію, більша частина поверхневого заряду нейтралізується в процесі низькотемпературного відпалу (450 °С) в атмосфері водню. В кращих зразках величина Nit не перевищує 1010 см-2, що відповідає одному захопленому заряду на кожні 105 атомів межі розділу.
Поверхневі стани вважаються донорними, якщо, віддаючи електрон, вони стають нейтральними або позитивно зарядженими. Акцепторними називають поверхневі стани, які стають нейтральними або негативно зарядженими, захоплюючи електрон.
Еквівалентна електрична схема МОН-структури, що враховує вплив поверхнева станів, показана на рис.2.2.
На цьому малюнку Сi і Сd ємності ізолятора та збідненого шару напівпровідника. Еквівалентна ємність Сs, і еквівалентний опір Rs, залежать від поверхневого потенціалу і описують перезарядку поверхневих станів. Добуток СsRs, визначає час релаксації заповнення поверхневих пасток та залежність процесу перезарядки поверхневих станів. Паралельні гілки електричної схеми на рис. 2.2 можна показати в вигляді залежної від частоти еквівалентної ємності:
Cp=Cd+Cs/(1+w2),
включеної паралельно з провідністю:
Cp/w= Cswt/(1+w22),
де =СsRs.
Активна та реактивна складові повної комплексної провідності еквівалентах схем, показаних на рис. 2.2 :
Yig=Gin+jwCin,
визначаються виразами:
Gin=w2CsCi2/[Ci+Cd+Cs)2+w2t2(Ci+w2t2(Ci+Cd)2],
Cin=Ci{Cd+Cs[(Ci+Cd+Cs)2+w22Cd(Ci+Cd)]/[( Ci+Cd+Cs)2+ w22Cd(Ci+Cd)]}/
[(Ci+Cd+Cs)…
Для визначення величини заряду, захопленого на поверхневі пастки, можна використовувати вимірювання вхідної ємності МДН-структури та вимірювання ЇЇ вхідної провідності. Метод провідності дозволяє точніше визначати густину поверхневих станів. Це особливо важливо при дослідженні МОН-структур з відносно малою (~1010 см-2еВ-1) густиною поверхневих станів. Перевага ємнісних методів полягає в тому, що з їх допо-
могою можна порівняно легко визначити зсув напруги плоских зон та величину повного захопленого заряду Оit.
На рис. 2.2 проілюстроване витягування С-V-характеристики МОН-структури за рахунок поверхневого захопленого заряду. При високих частотах (wt>>1) заряд на поверхневих станах не встигає за змінами тестуючої напруги. В цьому випадку вираз для значення С набуде вигляду:
С=СiCd/( Сi+Cd) (Ф/см2).
Високочастотна вольт-фарадна залежність МОН-структури, в яку не входить
ємність поверхневих станів Сs зображена на рис.2.2 штриховою лінією. Але і в цьому випадку поверхневі стани впливають на форму вольт-фарадної характеристики, зсовуючи ї вздовж осі напруг. При наявності зв'язаного поверхневого заряду вимагається відповідне збільшення заряду на металі.
По формі високочастотної вольт-фарадної залежності густина поверхневих станів визначаеться за допомогою виразу:
Dit=Ci[(dBs/dV)-1-1]/q-Cd/q (см/еВ)
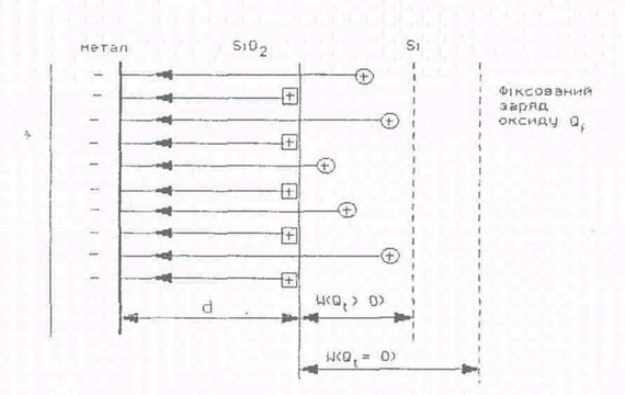
Фіксований заряд в окислі Qf (звичайно додатній) розміщений на відстані ~3 нм від межі розділу Si-SiO2. Він не може збільшуватись або зменшуватись. Густина його знаходитьcя в діапазоні від 1010 до 1012 см-2 та залежить від режиму окислення і умов відпалу, а також від орієнтації підкладки. Виникнення Qf пов'язане безпосередньо з самим процесом окислення.
Рис. 1.2.3. Зміна С-V-кривих під впливом заряджених поверхневих станів.
Рис. 1.2.4. Зсув С-V-кривих вздовж осі напруг, зумовлений
додатнім або від'ємним фіксованим зарядом оксиду:
а) для напівпровідника р-типу;
б) для напівпровідника n-типу.
Припускається, що фіксований заряд Qf зумовлений або надлишковим (тривалентним) кремнієм, або надлишковим (не зв'язаним із загубленим одним електроном) киснем в приповерхневому шарі SiO2 . При аналізі електричних характеристик МОН-структур фіксований заряд Qf можна розглядати як заряджений шар, локалізований на межі розділу Si-SiO2.
На рис.1.2.4 приведені високочастотні вольт-фарадні залежності, зсунуті вздовж осі напруг в результаті наявності додатнього або від'ємного фіксованого заряду Qf на межі розділу. Положення цих кривих характеризує так званий зсув напруги плоских зон, визначеннй по відношенню до С-V -характеристики ідеальної МДН-структури з Qf =0.
Незалежно від типу провідності підкладки позитивний заряд Qf зсуває С-V-характеристику в бік від'ємних напруг зміщення, а від'ємний заряд Qf - в бік додатніх.
Характер впливу фіксованого заряду Qf на С - V -характеристики можна легко пояснити за допомогою рис. 1.2.5., де умовно показаний "поперечний переріз" МОН-структури з позитивним Qf при негативній напрузі зміщення.
Для повної електронейтральності структури необхідно, щоб кожний від'ємний заряд на ії металічному електроді компенсувався рівним за величиною та протилежним за знаком зарядом в діелектрику або в напівпровіднику. В ідеальній МДН-структурі Qf = О, та ця компенсація здійснюється тільки за рахунок заряду іонізованих донорів в збідненому шарі напівпровідника. В реальній МОН-структурі з позитивним Qf частина зарядів на металічному електроді компенсується фіксованим зарядом окисла, що приводить до відповідного зменшення глибини області збіднення в порівнянні з ідеальною.
МДН-структурою при цій же напрузі зміщення. Оскільки глибина області збіднення зменшується, вся С - V -крива зсувається по відношенню до ідеальної в бік від'ємних напруг при від'ємних Qf С -V - в протилежному напрямку. Абсолютна величина цього зсуву:
Vf=Qf/Ci.
Заряд, захоплений в шарі окислу, Q0t, приводить до зсуву С-V-характсристик МОН-структур. Цей заряд зумовлений структурними дефектами в шарі окислу. Пастки в окислі, як правило, нейтральні, але можуть заряджатися, захоплюючи електрони та дірки. На рис. 1.2.6 зображена зонна діаграма розподілу заряду, електричного поля та потенціалу в МОН-структурі, що містить як фісований заряд, так і заряд, захоплений в окислі. Зсув напруги, зумовлений зарядом, захопленим в окислі, записується у вигляді:
V0t=Q0t/Ci=1/ Ci[1/d
x0t(x)dx],
Рис. 1.2.5. Вплив фіксованого заряду окислу на властавості МДН-структур.
Рис. 1.2.6. МДН-структура з фіксованимта захопленим в оксиді зарядами:
а) зонна діаграма;
б) розподіл заряду;
в) електричне поле;
г) потенціал.
Де Q0t - ефективна поверхнева густина цього заряду, приведена до одиниці площі межі розподілу Si-SiO2; 0t - істинна об'ємна густина заряду, захопленого в окислі.
Результуючий зсув напруги плоских зон Vfb, зумовлений всіма компонентами зарфду в окислі:
Vfb=Vf+Vm+V0t=Q0/Ci,
де Q0= Qf+ Qm+ Q0t - сума відповідних ефективних зарядів на одиницю площі розподілу Si-SiO2.
В ідеальній МДН-структурі різниця роботи виходу електрона з металу і напівпровідника дорівнює 0:
ms=m-(x+Eg/2q-b).
Якщо ця різниця відмінна від 0, а крім того, в діелектрику МДН-структури присутній заряд Q0, С-V-характеристики реальної МДН-структури будуть зсунуті вздовж осі напруг відносно ідеальної С -V -кривої на величину:
Vfb=ms- Q0/Сi=ms-( Qf+ Qm+ Q0t)/Ci,
що називається зсувом напруги плоских зон.
Встановлено, що ширина забороненої зони SiO2 приблизно дорівнює 9 еВ, а спорідненість до електрону qXi=0.9 еВ. Робота виходу з металу в МОН-структурах |звичайно визначається за результатами фотовідклику або вольт-фарадних характерик.
Висота енергетичного бар'єру на межі Si-SiO2 практично не залежить від кристалічної орієнтації підкладки (в межах похибки 0.1еВ)
Різниця робіт виходу ms може складати відчутну міру спостережуваного зсуву напруг плоских зон МОН-структури, і тому її необхідно враховувати при оцінках величини фіксованого заряду окисла за зсувом С-V -характеристик.
1.3. ГЕТЕРУВАННЯ ДЕФЕКТІВ В ТЕХНОЛОГІЇ НАПІВПРОВІДНИКОМ ВИХПРИЛАДІВ.
Однією з найважливіших задач напівпровідникової електроніки є забезпечення високої міри чистоти та досконалості кристалічної структури напівпровідникових матеріалів, що використовують для виробництва дискретних приладів та інтегральних мікросхем.
Сучасна технология забезпечує отримання практично бездислокаційних монокристалів напівпровідників. Але при цьому різко зростає роль точкових дефектів-вакансій, домішкових атомів та їх кластерів. При відсутності дислокацій, що є стоком для точкових дефектів, в ході технологічного процесу виготовлення приладів відбувається постійне збільшення концентрації вакансій та небажаних домішок натрію, калію, міді, золота та ін., в напівпровідниковому матеріалі. Наявність точкових дефектів і їх кластерів приводить до погіршення характеристик напівпровідникового матеріалу, деградації параметрів приладів, сприяє утворенню структурних дефектів при термічній обробці.















