49319 (588645), страница 4
Текст из файла (страница 4)
В принципе схема усовершенствованного варианта ничем не будет отличаться от схемы, которая была до усовершенствования, лишь параллельно рабочему вентилятору подключиться вводимый вентилятор.
При тестировании работы вентиляторов до усовершенствования и после.
Рисунок 2.3 - Схема блока питания ПК до усовершенствования
Были получены следующие варианты температур, которые изображены на графике (Рис.2.4).
Рисунок 2.4 - Зависимость температуры БП до усовершенствования (ряд 1) и после усовершенствования (ряд 2); на вертикальной оси ˚С
На сегодняшний день существует два пути для облегчения работы охлаждающего процессор вентиляторов: софтовое охлаждение и использование реобасов.
Софтовое охлаждение подразумевает инсталляцию специальной утилиты (например WaterFall, CPUIdle и пр), которая отслеживает время, в которое процессор простаивает, и в этот временной промежуток как бы переводит его в режим сна, то есть снижает количество его тактов (MHz) и подаваемое на CPU напряжение. Но такое применение в современных операционных системах теряет актуальность, так как управлением процессора занимается сама ОС.
Очень полезным прибором для мониторинга и регулировки скорости вращения вентиляторов является реобас. Это панелька, которая вставляется в свободный 5”-отсек. На ней размещается жк-дисплей (или циферблаты со стрелочками), показывающий температуру CPU, GPU и системы (при установке на эти компоненты термодатчиков), скорость всех вентиляторов, которые подключены к реобасу и крутящиеся рукоятки, управляющие скоростями вентиляторов.
Панелька проводами соединяется проводами со всеми регулируемыми компонентами системы и с БП. Недостаток в том, что тут нет никакой автоматики: нам придется следить за температурой, скажем БП, и если она позволяет, при желании занижать количество оборотов.
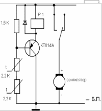
Для того, чтобы оградить БП от перегрева разработаем простейшую схему включения вентилятора (Рисунок 2.5).
Конечно можно разработать и более сложную и надежную схему управления вентилятором, например на микроконтроллере, но при этом существенно увеличиться стоимость разрабатываемого устройства. Конструкция собрана для того, чтобы вентилятор не работал постоянно.
Если температура опуститься ниже 30˚С вентилятор отключиться.
Схема не содержит дорогих и дефицитных элементов. Питается схема от общей схемы питания компьютера +12В. Спецификация элементов приведена в Приложении А.
Рисунок 2.5 - Схема принципиальная электрическая термореле для включения вентилятора жесткого диска
Транзистор КТ814А можно закрепить непосредственно на корпусе компьютера предварительно освободив "площадку" от краски - получится своего рода теплоотвод. Терморезисторы ММТ подверглись небольшой доработке. Паяльником нагреваем корпус и извлекаем сам терморезистор - так он быстрее будет реагировать на изменение температуры. Разместим терморезисторы на БП приклеяв их эпоксидной смолой к корпусу БП, а если рядом находится еще один блок, который требует обдува вентилятором, второй резистор можно разместить на последнем. Резистор 1,5 КОм подобран экспериментально, на температуру срабатывания около 30 градусов. Данное устройство можно применить и в других блоках компьютера, когда требуется охлаждение, а постоянная работа вентилятора нежелательна.
Подключение вентилятора и термореле.
Вентиляторы охлаждения компьютера стандартно запитываются напряжением +12 В. Питание подаётся при помощи специальных трёх - или четырёхконтактных разъёмов, или разъёмов для питания жёстких дисков и оптических приводов (их часто называют молекс, по имени разработавшей их фирмы Molex) (Рисунок 2.6).
Рисунок 2.6 - Разъемы фирмы Molex
Ключом разъёма служат скошенные углы с одной из сторон. Провода подключены следующим образом: два центральных - "земля", общий контакт (чёрный провод); +5 В - красный, +12 В - жёлтый. Для питания вентилятора через молекс-разъём используются только два провода, обычно чёрный ("земля") и красный (напряжение питания). Подключая их к разным контактам разъёма, можно получить различную скорость вращения вентилятора. Стандартное напряжение в 12 В запустит вентилятор со штатной скоростью, напряжение в 5-7 В обеспечивает примерно половинную скорость вращения.
Часто для ограничения скорости вращения вентилятора примеряются постоянные или переменные резисторы, включенные последовательно в цепи питания. Изменяя сопротивление переменного резистора, можно регулировать скорость вращения: именно так устроены многие ручные регуляторы скорости вентиляторов. Конструируя подобную схему нужно помнить, что, во-первых, резисторы греются, рассеивая часть электрической мощности в виде тепла, - это не способствует более эффективному охлаждению; во-вторых, электрические характеристики электродвигателя в различных режимах работы (запуск, разгон, стабильное вращение) не одинаковы, параметры резистора нужно подбирать с учётом всех этих режимов. Чтобы подобрать параметры резистора, достаточно знать закон Ома; использовать нужно резисторы, рассчитанные на ток, не меньший, чем потребляет электродвигатель. Не приветствуем ручное управление охлаждением, так как считаем, что компьютер - вполне подходящее устройство, чтобы управлять системой охлаждения автоматически, без вмешательства пользователя.
Рисунок 2.7 - Схема блока питания после усовершенствования
Кроме рассмотренного нами активного охлаждения можно применить относительно блока питания и пассивную систему охлаждения.
Пассивными системами охлаждения принято называть такие, которые не содержат вентиляторов. Пассивным охлаждением могут довольствоваться отдельные компоненты компьютера, при условии, что их радиаторы помещены в достаточный поток воздуха, создаваемый "чужими" вентиляторами: например, микросхема чипсета часто охлаждается большим радиатором, расположенным вблизи места установки процессорного кулера. Популярны также пассивные системы охлаждения (Рисунок 2.8).
Рисунок 2.8 - Пассивное охлаждение
Очевидно, чем больше радиаторов приходится продувать одному вентилятору, тем большее сопротивление потоку ему нужно преодолеть; таким образом, при увеличении количества радиаторов часто приходится увеличивать скорость вращения крыльчатки. Эффективнее использовать много тихоходных вентиляторов большого диаметра, а пассивные системы охлаждения предпочтительнее избегать. Несмотря на то, что выпускаются пассивные радиаторы для процессоров, видеокарты с пассивным охлаждением, даже блоки питания без вентиляторов (FSP Zen), попытка собрать компьютер совсем без вентиляторов из всех этих компонент наверняка приведёт к постоянным перегревам. Потому, что современный высокопроизводительный компьютер рассеивает слишком много тепла, чтобы охлаждаться только лишь пассивными системами. Из-за низкой теплопроводности воздуха, сложно организовать эффективное пассивное охлаждение для всего компьютера, разве что превратить в радиатор весь корпус компьютера, как это сделано в Zalman TNN 500A (Рисунок 2.8).
Возможно, полностью пассивного охлаждения будет достаточно для маломощных специализированных компьютеров (для доступа в интернет, для прослушивания музыки и просмотра видео, и т.п.)
Поэтому для охлаждения блока питания при увеличении мощности обдува вентиляторами можно увеличить размер радиатора, но это вызовет сложные переделки и модернизации.
Рисунок 2.9 - Корпус-радиатор компьютера Zalman TNN 500A
Можно использовать стенки блока питания, как радиатор, но тогда возникает проблема обдува этого радиатора.
Более того, мечты о "пассиве", то есть полностью пассивном охлаждении блока питания, при котором вообще не используются вентиляторы и кулеры, с каждым днем становятся все ближе. Уже есть компании, выпускающие баснословно дорогие корпуса-радиаторы, безвентиляторно рассеивающие своими стенками тепло от блока питания и процессора. Для корпусов подешевле можно приобрести высокоэффективные беспропеллерные блоки питания, немало на рынке и относительно мощных видеокарт с полностью пассивным охлаждением. В ряде случаев можно отказаться и от корпусных вентиляторов. Но вот активный кулер на десктопном процессоре - вещь пока что почти незаменимая.70-100 Вт в активной работе сами не уйдут, тут явно требуется помощь - принудительный обдув радиатора, установленного на процессоре.
Очередную попытку отказаться от активного охлаждения процессорного кулера предприняла широко известная компания "Cooler Master". Ее новое творение Hyper Z600 (RR-600-NNU1-GP), представленное в марте 2008 г. на выставке CeBIT в Ганновере.
Радиатор изделия состоит из 20 больших и 27 малых алюминиевых ребер крестообразной формы толщиной 0,5 мм. Ориентировочная поверхность теплорассеивания равна 9400 кв. см. Весьма внушительная цифра. Ребра отстоят друг от друга достаточно далеко, чтобы не затруднять естественный воздухоток и не собирать пыль хлопьями. Производитель утверждает, что форма ребер радиатора "аэродинамическая", то есть воздушный поток проходит между ними более быстро, нежели "обычно": крестообразная форма ребер способствует снижению тылового давления воздуха, а оптимальный зазор между ними улучшает воздухоток.
Рисунок 2.10 - Радиатор компании "Cooler Master"
3. Технико-экономическое обоснование объекта разработки
Первичными исходными данными для определения стоимости проекта являются показатели, которые используются на предприятии ГПО "МОНОЛИТ" г. Харьков.
Эти показатели сведены в таблицу 3.1
Таблица 3.1 - Данные предприятия ГПО "МОНОЛИТ" г. Харьков. состоянием на 01.01.2010 г.
| Статьи расходов | Усл. обоз. | Единицы измер. | Величина |
| 1 | 2 | 3 | 4 |
| Разработка (проектирование) КД | |||
| Тарифная ставка конструктора - технолога | Зсист | грн. | 1200 |
| Тарифная ставка обслуживающего персонала | Зперс | грн. | 1200 |
| Зарплата других категорий рабочих, задействованных в процессе разработки КД | Зин. роб. | грн. | 1500 |
| Тариф на электроэнергию | Се/е | грн. | 0,56 |
| Мощность компьютера, модема, принтера и др. | WМ | квт /час. | 0,3 |
| Стоимость ЭВМ, принтера, модема для базового и нового изделия (IBMPentium/32/200/ SVG) | Втз | грн. | 3200,00 |
| Амортизационные отчисления | Ааморт | % | 10 |
| Стоимость 1-го часа использования ЭВМ | Вг | грн. | 6,5 |
| Норма дополнительной зарплаты | Нд | % | 10 |
| Отчисление на социальные мероприятия | Нсоц | % | 37,2 |
| Общепроизводственные (накладные) расходы | Ннакл | % | 25 |
| 1 | 2 | 3 | 4 |
| Транспортно-заготовительные расходы | Нтрв | % | 4 |
| Время обслуживания систем ЭВМ | То | час/год | 180 |
| Норма амортизационных отчислений на ЭВМ | На | % | 10 |
| Отчисление на удерживание и ремонт ЭВМ | Нр | % | 10 |
3.1 Расчет расходов на стадии проектирования (разработки) КД нового изделия
а) Трудоемкость разработки КД нового изделия















