48017 (588515), страница 3
Текст из файла (страница 3)
Для подключения устройства к последовательному порту ПК необходимо преобразовать логические уровни сигналов уровни, используемые в интерфейсе RS-232. Для этого необходим преобразователь, собранный на микросхеме MAX232.
Цифровой термометр подключен к 3 и 4 битам порта C.
Силовые ключи на симисторах подключены к 1, 2, 3 5 битам порта C.
ИК-приёмник подключен к 0 биту порта B. К 1 биту данного порта подведена линия от выпрямителя для подачи пульсирующего напряжения для синхронизации в режиме СИФУ.
Внешние датчики подключены к остальным линиям портов ввода-вывода.
4. Построение принципиальной схемы
По построенной структурной схеме и выбранной элементной базе строю принципиальную схему. Схема электрическая принципиальная и перечень элементов приведены в ПРИЛОЖЕНИИ В.
За ядро всего устройства выбран PIC контроллер серии PIC18F452. Данный выбор придаёт устройству гибкость, низкую стоимость, упрощает процесс проектирования. Частоту тактового генератора для микроконтроллера выбираю 4 МГц для оптимальной настройки внутренних таймеров, используемых при опросе ИК-приёмника, внешних датчиков и обмене данными с ПК.
4.1 Построение блока питания
Блок питания состоит из трансформатора Т1, диодного моста VD1, ограничивающего диода VD2, конденсаторов C1 и C2, стабилизатора в интегральном исполнении LM7806. Переменное напряжение с трансформатора поступает на диодный мост, выпрямляется и через диод VD2 поступает на стабилизатор. Данный диод необходим для того, чтобы сглаживающий конденсатор C1 не оказывал влияние на пульсирующее напряжение, подаваемое на вход синхронизации для работы СИФУ.
4.2 Построение блока индикации
Для построения блока индикации использован ЖК-модуль MT16S2D фирмы МЭЛТ. Данный ЖКИ позволяет отображать две строки по 16 символов и имеет встроенный знакогенератор, что значительно упрощает написание процедуры для вывода информации на дисплей. Данный ЖКИ имеет сравнительно невысокую стоимость, малое энергопотребление и, что самое главное, наглядное отображение информации. Резистор R19 необходим для задания контрастности ЖКИ. Чем меньше сопротивление данного резистора, тем выше контрастность и наоборот.
4.3 Построение преобразователя уровня
В качестве преобразователя уровня использована микросхема MAX232 фирмы MAXIM. Она преобразует сигналы ТТЛ уровня в уровни последовательного порта ПК. Данная микросхема имеет малое количество внешних элементов, сравнительно невысокую стоимость и не требует настройки. Конденсаторы C3…C6 необходимы для задания рабочего режима микросхемы.
В качестве ИК-приёмника использована микросхема TSOP1730 фирмы VISHAY TELEFUNKEN. Данный приёмник имеет на входе частотный фильтр на 36 кГц, который необходим для подавления помех от нагревательных приборов и иных источников инфракрасного излучения. Данный приёмник позволяет производить приём данных на скорости до 1200 бит\с.
4.4 Подключение различных датчиков
Цифровой термометр выполнен на микросхеме DS1621 фирмы Dallas semiconductor. Данная микросхема подключается по интерфейсу I2C в качестве ведомого устройства и позволяет производить обмен данными на скорости до 400 кГц (высокоскоростной режим работы). Микросхема имеет встроенную функцию термостата и позволяет подключать к сильноточному порту вывода ключ для управления нагрузкой. Максимальный втекающий ток порта 1мА, вытекающий – 4мА. Диапазон измеряемых температур лежит в пределах от -55о до +125о С. Подтягивающие резисторы R17 и R18 необходимы для правильного функционирования интерфейса I2C.
Оптроны DA3 и DA4, подключенные к портам микроконтроллера, служат для гальванической развязки при подключении внешних датчиков разбития окна и открывания двери. К остальным входам портов подключены подтягивающие резисторы R4, R9…R16, которые служат для создания потенциала логического “0”. Оптроны на данных входах отсутствуют. Это сделано для снижения себестоимости всего устройства и при необходимости гальваническая развязка может быть установлена вне ОС.
К портам ввода вывода могут быть подключены различные датчики. Если один из датчиков срабатывает, он должен выставлять на данный порт логическую “1”, в противном случае он остается в состоянии логического “0”. На каждой линии ввода-вывода, куда подключаются датчики, установлены подтягивающие резисторы для исключения влияния наводок и помех на работу микроконтроллера.
4.5 Построение блока управления
Для управления нагрузкой используются силовые ключи, выполненные на оптосимисторах DA6…D8 и мощных симисторах VS1…VS4. Оптосимисторы необходимы для гальванической развязки микроконтроллера с высоковольтной частью схемы. Резисторы R21…R22 служат для ограничения тока, протекающего через внутренние светодиоды оптосимисторов. Мощные симисторы позволяют коммутировать нагрузку, мощностью до 1 кВт на каждый канал, если установлены на теплоотвод.
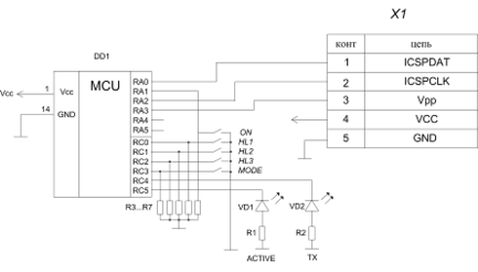
4.6 Построение ПДУ
Для управление ОС необходимо создать ПДУ, которое будет выдавать четыре различных команды. Его схема приведена на рисунке 4.6.1.
Рисунок 4.6.1 – принципиальная схема ПДУ.
ПДУ построено на микроконтроллере PIC16F630. Данный микроконтроллер выбран из-за его низкой стоимости.
К порту RC4 подключен ик-диод, формирующий импульсы, которые создают пакет данных. К порту RC5 подключен красный светодиод, предназначенный для индикации рабочего режима. RA0, RA2, RA3 подключены к разъёму внутрисхемного программирования. Это позволяет производить перепрограммирование памяти данных микроконтроллера, в которой храниться передаваемый пароль. Формат передаваемого пакета подробно описан в разделе 6.1. Для передачи команды необходимо сначала нажать клавишу “ON”, после чего загорится светодиод на 5 секунд. В это время необходимо нажать клавишу для передачи команды, иначе светодиод погаснет и ПДУ переходит в SLEEP режим для снижения энергопотребления. Это сделано для того чтобы увеличить срок службы батарей, от которых питается ПДУ.
4.7 Расчёт потребляемой мощности
Потребляемая мощность схемы определяется по формуле:
(4.7.1)
где Рсх – потребляемая мощность схемы, Вт;
Рпот. I – потребляемая мощность i-ой группы элементов, Вт;
n – количество групп.
Потребляемая мощность группы элементов определяется по формуле:
Рпот = Р * m, (4.7.2)
где Р – потребляемая мощность одним элементом, Вт;
m – количество элементов.
Вначале считаем мощность потребляемую резисторами по формуле:
(4.7.3)
где
– мощность i-ого резистора, мВт;
- ток, протекающий через резистор;
U – напряжение на i-том резисторе.
Ток, протекающий через i-й элемент рассчитывается по формуле:
(4.7.3)
где
– сопротивление i-ого резистора, мВт;
– ток, протекающий через i-й резистор;
U– напряжение на i-ом резисторе.
Все расчеты, произведённые по данным формулам занесены в таблицу 4.7.1.
Таблица 4.7.1 – расчёт мощности на резисторах
| № | Сопротивление, Ом | Протекающий ток, мА | Потребляемая мощность, мВт |
| 1 | 10000 | 0,5 | 2,5 |
| 2 | 10000 | 0,5 | 2,5 |
| 3 | 10000 | 0,5 | 2,5 |
| 4 | 10000 | 0,5 | 2,5 |
| 7 | 270 | 18,5 | 92,4 |
| 8 | 270 | 18,5 | 92,4 |
| 9…16 | 10000 | 0,5 | 2,5 |
| 17, 18 | 10000 | 0,5 | 2,5 |
| 19 | 1000 | 5 | 25 |
| 20…23 | 270 | 18,5 | 92,4 |
| 24…27 | 1000 | 5 | 25 |
| 28 | 24000 | 0.21 | 1 |
Мощность, потребляемая резисторами составляет 715 мВт.
Далее производим расчёт потребляемой мощности активными элементами схемы. Список активных элементов приведен в таблице 4.7.2.
Таблица 4.7.2 – расчёт потребляемой мощности активными элементами.
| Обозначение | Ток потребления, мА | Мощность, мВт |
| DD1 | 4 | 20 |
| DD2 | 36 | 180 |
| DD3 | 1 | 5 |
| DA3, DA4 | 40 | 200 |
| DA5…DDA8 | 80 | 400 |
| DA9 | 1 | 1 |
Мощность, потребляемая активными элементами схема составляет 806 мВт.
Общая мощность, потребляемая схемой составит:
715мВт + 806мВт = 1521мВт.
4.8 Расчёт блока питания
Ток нагрузки вычисляется по формуле:
где P – потребляемая мощность;
Uн – напряжение нагрузки.
A
Расчёт выпрямителя.
Исходными данными для расчета служат: требуемое напряжение на нагрузке (
) и потребляемый ток (
).
1.Определяю переменное напряжение, которое должно быть на вторичной обмотке сетевого трансформатора по формуле:
(4.8.1)
где Uн – постоянное напряжение на нагрузке, В;
B – коэффициент, зависящий от тока нагрузки, который определяют по таблице 4.8.1:
Таблица 4.8.1
| Коэффициент | Ток нагрузки, А | ||||||
| 0,1 | 0,2 | 0,4 | 0,6 | 0,8 | 1 | 1,2 | |
| B | 0,8 | 1 | 1,2 | 1,4 | 1,5 | 1,7 | 1,9 |
| C | 2,4 | 2,2 | 2 | 1,9 | 1,8 | 1,8 | 1,7 |
(4.8.2)
2. По току нагрузки определяю максимальный ток, текущий через каждый диод выпрямительного моста:















