147823 (580245), страница 2
Текст из файла (страница 2)
Определяем мощность АКБ где зарядное напряжение умножить на зарядный ток. 14,7В * 7,5А = 110,2Вт, 640Вт : 110,2Вт = 5,8 округляем до целого числа.
Можно подключить для зарядки 5 АКБ 6СТ-75ЭМС при десяти часовом режиме. Больше всего подходит последовательное подключение (вариант а) с применением балластного сопротивления.
Балластное сопротивление включают между аккумуляторной батареей и источником электроэнергии с постоянным напряжением. При наличии балластного сопротивления автоматически изменится величина напряжения на клеммах заряжаемой аккумуляторной батареи.
Падение напряжения на балластном сопротивлении достигает наибольшей величины в начале зарядки, т.к.ток наибольший. По мере увеличения э.д.с. аккумуляторной батареи ток снижается и величина падения напряжения на балластном сопротивлении становится меньше. А т.к. напряжение источника остаётся постоянным, то величина зарядного тока будет падать, но не в такой мере, как при зарядке без балластного сопротивления. Таким образом, балластное сопротивление уменьшает пиковую нагрузку в начале зарядки. При использовании балластных сопротивлений необходимо повысить напряжение источника с тем, чтобы обеспечить полную зарядку аккумуляторов.
Зарядка при постоянной величине зарядного тока. Для поддержания заданной величины зарядного тока напряжение на клеммах аккумуляторной батареи по мере зарядки непрерывно или ступенями повышают. Достигается это различными способами: с помощью регулируемого реостата в цепи зарядного тока (вариант в) или регулированием напряжения агрегата(вариант б). В первом случае потери электроэнергии в реостатах больше. Они особенно велики, когда количество заряжаемых батарей малое, а напряжение источника большое. В этом случае собирают большое количество из последовательно соединенных батарей и используют отдельные реостаты в каждой группе (рис.10а). Более экономичным является регулирование напряжения зарядного агрегата, но в этом случае возможна зарядка батарей только в одной группе.
Зарядка в режиме постоянной величины зарядного тока, параллельное включение не применяют, т.к. требуется много реостатов и амперметров: кроме того, необходимо непрерывное наблюдение аккумуляторщика и регулирование.
Зарядка аккумуляторных батарей малыми токами. При положительных температурах воздуха аккумуляторные батареи имеют саморазряд, достигающий 0,3—1% в сутки. Для компенсации саморазряда при малоинтенсивной эксплуа-тации машин или длительном хранении применяют устройства, позволяющие подзаряжать аккумуляторы, не снимая с машины, токами малой величины (25—100мА). Для подзарядки малыми токами применяют два способа: при постоянной величине зарядного напряжения и при постоянной величине зарядного тока. В первом случае выпрямитель включают в сеть переменного тока через стабилизатор напряжения: при этом проводка постоянного тока от выпрямителя до мест подключения должна иметь достаточное сечение(6—25мм2) с тем, чтобы величина падения напряжения в линии была минимальной.
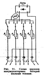
Для зарядки малыми токами при постоянной величине тока применяют выпрямитель без стабилизатора напряжения. Роль стабилизатора зарядного тока выполняют лампы накаливания, включенные в цепь зарядки каждого аккумулятора. Аккумуляторные батареи подключают к клеммам 1,2,3,4, (рис. 11). В этом случае лампа накаливания является барретером, т.к. сопротивление спирали изменяется в больших приделах при изменении температуры, которая зависит от тока в спирали.
Величина падения напряжения в лампе пропорциональна току в спирали и её сопротивлению. При повышении тока увеличивается накал спирали, и её сопротивление становится больше. Вследствие этого падение напряжения на лампе увеличивается, и напряжение на клеммах аккумуляторной батареи остаётся прежним; следовательно, и ток подзарядки почти не изменится.
5. Составьте годовой план ТО и Р для одноковшового погрузчика ТО-18 А. Погрузчик отработал после КР – 980 ч. Планируемая наработка на год составит 1600 ч
Одноковшовый фронтальный погрузчик ТО-18 предназначен для механизации погрузочно-разгрузочных работ с сыпучими и кусковыми материалами объемной массой до 2,5 т/м3, землеройных работ на грунтах I-III категории без предварительного рыхления, а также для строительно-дорожных, монтажных и такелажных работ.
5.1 Расчет годовой производственной программы по ТО и ремонту дорожных машин
ТТО-1 = 50 м.т ТТО-2 = 250 м.т ТТО-3 = 1000 м.т
ННР = 980 м.т НПЛ = 1600 м.ч
Находим количество капитальных ремонтов в планируемом году
| КР = | НФ + НПЛ | = | 980+1600 | = 0 |
| ТТО-3 | 6000 |
КР – не будет
Находим количествоТО – 3
| nТО-3= | НФ + НПЛ | = | 980+1600 | = 2 |
| ТТО-3 | 1000 |
Находим количествоТО – 2
| nТО-2= | НФ.ТО-2 + НПЛ | - nТО-3 = | 230+1600 | - 2 = 5 |
| ТТО-2 | 250 |
Находим количествоТО – 1
| nТО-1= | НФ.ТО-1 + НПЛ | - nТО-3- nТО-2= | 30+1600 | - 2- 5 = 25 |
| ТТО-1 | 50 |
План – график технического обслуживания и ремонта машин 2008 год
| Инвентарный номер машины | Наименование и марка (индекс) машины | Заводской номер машины | Фактическая наработка, мото-ч | Планируемая наработка, мото-ч | Число ТО в планируемом году | И ремон-тов | |||||||||
| с начала эксплуатации | со времени проведения | ||||||||||||||
| КР | ТР, ТО-3 | ТО-2 | ТО-1 | КР (дата проведения) | ТР и ТО-3 | ТО-2 | ТО-1 | ||||||||
| Погрузчик ТО – 18 А | 980 | 6000 | 1000 | 250 | 50 | 1600 | 2 | 5 | 25 | ||||||
Список использованной литературы
-
Головин С.Ф. Коншин В.М. Рубаблов А.В. под редакцией Локшина Е.С. Эксплуатация и техническое обслуживание дорожных машин, автомобилей и тракторов. Транспорт. 1990г.
-
Ильин Р.И. Электрооборудование автомобилей. М. Транспорт. 1982г.
-
Крамаренко Г.В. и др. Техническая эксплуатация автомобилей. М. Транспорт, 1983г.
-
Инструкция по эксплуатации. Погрузчик фронтальный одноковшовый ТО-18А. Минск. 1992г.















