147683 (580220), страница 4
Текст из файла (страница 4)
Зі зміною температури картушки змінюється її опір, що може призвести до появи похибок. Для зменшення впливу температури на роботу приладу встановлюється магнітний шунт.
Лічильний вузол спідометра приводиться в дію за допомогою понижуючих черв'ячних передач від валика 1 через валики 14 і 13. За конструкцією лічильні вузли бувають із зовнішнім і внутрішнім зачепленням барабанчиків. Найчастіше лічильні вузли спідометрів містять шість барабанчиків. Через кожні 100 тис. обертів початкового барабанчика, повний оберт якого відповідає відстані в 1 км, всі інші повертаються у вихідне положення і відлік показань лічильного вузла розпочинається з нуля.
Спідометри з приводом від гнучкого вала потребують періодичного змащування валика. Через 50–100 тис. км пробігу, або один раз на рік, у маслянку необхідно залити 3–5 крапель вазелінового масла.
Масло, закладене в оболонку гнучкого вала, рекомендується заміняти через 50–60 тис. км пробігу. У розбірних конструкцій гнучкий вал виймають із броні, промивають у гасі і наносять на нього шар масла ЦІАТИМ-201 або ЛЗ-158. Нерозбірні конструкції заповню-ють маслом за допомогою спеціального шприца або опусканням у ванну з маслом, роз-плавленим до рідкого стану.
Електричний привід спідометра буває двох типів: контактний і безконтактний. Контактний привід менш надійний і його використання менш поширене.
Контактний привід (спідометри СП134, СП125, СП119) складається з датчика, що перетворює постійну напругу бортової мережі в трифазну змінну напругу, і приймача – трифазного синхронного двигуна зі збудженням від постійних магнітів. Приймач і магні-тоіндукційний вузол спідометра являють собою єдину конструкцію.
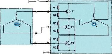
Безконтактний привід застосовується в спідометрі СП155 (рис. 1.15.), що встанов-люється на автомобілях Камаз, МАЗ.
Датчик МЕ307 спідометра СП 155 являє собою трифазний генератор змінного струму, ротором якого служить постійний магніт. Привід ротора здійснюється від веденого вала коробки передач, у результаті чого частота імпульсів напруги в обмотках датчика пропорційна швидкості руху автомобіля.
Імпульси напруги від кожної обмотки датчика подаються по проводах на бази транзисторів Т1, Т2, Т3 (КТ801А). У результаті транзистори працюють у ключовому режимі, подаючи через вимикач запалювання живлення в статорні обмотки електродвигуна приймача (покажчика). Резистори R1 – R6 служать для поліпшення умов перемикання транзисторів. При вимиканні чергового транзистора напруга бортової мережі подається до відповідної обмотки статора електродвигуна. У результаті створюється обертове магнітне поле, що приводить в обертання ротор (постійний магніт) електродвигуна, на валу якого закріплений постійний магніт швидкісного вузла. Через черв'ячну передачу приводиться в дію лічильний вузол. Покажчик датчик
Рис. 1.15. Схема спідометра з безконтактним приводом
2. Технічне обслуговування системи освітлення
Справний стан системи освітлення і світлової сигналізації є необхідною умовою безпеки руху. Це вказує на важливість регулярного профілактичного обслуговування освітлювальних приладів.
При щоденному ТО перед виїздом перевірте стан приладів освітлення при різних положеннях комбінованого перемикача фар головного освітлення, передніх і задніх ліхтарів, клавішних перемикачів протитуманних фар, клавішних вимикачів ліхтарів автопоїзда. Протріть забруднені розсіювачі приладів зовнішнього освітлення і сигналізації.
При ТО-2 відрегулюйте фари.
Світловий потік фар регулюйте на рівній площадці (рис. 2.1.) і твердим покриттям (асфальт, асфальтобетон тощо). Автомобіль повинний бути в спорядженому стані, але без вантажу. Тиск у шинах автомобіля доведіть до норми. Розсіювачі протріть.
| Цм) | Н(мм) |
| 10 ±0,05 | 250 |
| 7,5 ±0,03 | 190 |
| 5 ±0,025 | 125 |
Рис. 2.1. Схема регулювання фар
П
лоский екран з матовою поверхнею шириною не меншою 3 м установіть перпендикулярно до поверхні площадки. Відхилення екрана від перпендикулярності повинне бути не більше 1°. Лінії розмітки, нанесені на екран з допуском +0,5 см, повинні бути добре помітні.
Автомобіль установіть так, щоб його подовжня вісь була перпендикулярною до екрана, а лінія III збіглася з подовжньою площиною симетрії автомобіля. Допустиме відхилення подовжньої симетрії щодо лінії III, не більше ±5 см. Лінії II і IV повинні збігатися з проекцією центрів фар автомобіля на площину екрана. Лінія І повинна знаходитися на рівні висоти центра фар
Відстань від екрана до центрів зовнішньої поверхні розсіювачів фар 10 м. Допускається зменшення цієї величини до 7,5 і 5 м.
При установці автомобіля на віддаленні 10 ±0,05 м, 7,5 і 5 м відстань від лінії І до лінії А відповідно повинна бути 250, 190 і 125 мм.
Світло фар можна регулювати також за допомогою реглоскопа типу К-203.
При регулюванні світла протитуманних фар установіть екран на відстані 5 м від автомобіля і проведіть на ньому горизонтальну лінію, що повинна бути нижче лінії висоти центрів фар на 100 мм. Відпустіть гайку кріплення протитуманної фари до кронштейна й установіть фару так, щоб верхня межа світлової плями збігалася на екрані з горизонтальною лінією.
Величину падіння напруги на виробах світлотехніки перевіряйте за допомогою вольтметра при ввімкненому дальньому світлі фар. Для цього замірте напругу між виводом амперметра і масою, між штекерним виводом нитки дальнього світла фар і масою. Падіння напруги, рівне різниці цих напруг, не повинне перевищувати 6,5% від номінальної напруги.
Падіння напруги можна перевіряти безпосередньо мілівольтметром, забезпечивши подачу напруги до плюсового виводу амперметра і штекерного виводу нитки дальнього світла.
На внутрішній поверхні колб ламп іноді з'являється наліт вольфраму, що випаровується, який різко зменшує силу світла. Такі лампи необхідно замінити. Після їхньої заміни обов'язково регулюють напрямок світлового потоку.
Заміну ламп необхідно проводити в приміщенні, де немає пилу. Не можна тривалий час залишати оптичний елемент відкритим після того, як виймуть патрон з лампою, що не працює. Не доторкайтеся пальцями до поверхні відбивача.
При забрудненні відбивача промийте його чистою теплою водою, очищуючи ватою його поверхню. Очищення проводьте круговими рухами з невеликим зусиллям. Після промивання оптичний елемент просушіть, поклавши його для сушіння дзеркальною поверхнею вниз.
3. Технічне обслуговування контрольно-вимірювальних приладів
В основу роботи приладів (покажчиків тиску масла, температури охолодної рідини і рівня палива) покладений принцип логометра. Зміна опору датчика залежно від значення контрольованого параметра визначає силу струму, що протікає обмотками покажчика, що, у свою чергу, впливає на відхилення стрілки шкали приладу.
Несправності, що виникають у приладах даного типу, викликані в основному або поломкою датчика, або порушенням контакту в колі датчик – покажчик. Якщо стрілка покажчика температури або тиску відхиляється вліво за межі шкали, а в покажчику рівня палива зашкалює вправо, то це свідчить про обрив проводу, що з'єднує датчик і покажчик, або про те, що на покажчику переплутані клеми «Б» і «Д».
У результаті короткого замикання в колі датчик – покажчик можливе зашкалення стрілки покажчика температури охолодної рідини і тиску масла вправо, а покажчика рівня палива – вліво. Несправність визначають за відхиленням стрілки приладу. Якщо при від'єднанні проводу від датчика стрілка приладу не змінить свого положення, то це свідчить про наявність у колі короткого замикання.
Відзначимо одну особливість тахометра, що помилково можна визнати за несправність. Вона пов'язана з коливаннями стрілки при вимкнених споживачах електроенергії. При ввімкненні фар або інших споживачів показання приладу нормалізуються. Пояснюється це періодичним ввімкненням обмотки збудження генератора, коли акумуляторні батареї не вимагають підзарядки. При цьому на вхід покажчика тахометра не надходять імпульси фази генератора.
При щоденному ТО перед виїздом з парку перевірте працездатність спідометра і тахометра за показниками стрілки покажчика і лічильника пройденого шляху.
При ТО-2 перевірте стан і працездатність датчиків ввімкнення (шокування міжосьового диференціала і стоп-сигналу.
Перевірка технічного стану контрольно-вимірювальних приладів. Для контрольної перевірки спідометрів і тахометрів необхідно мати установку, за допомогою якої можна одержувати різні фіксовані значення частоти обертання на валах приладів: того, що перевіряється і контрольного.
Три перевірці датчиків приймача спідометра або тахометра имикайте по черзі контрольний датчик і той, який перевіряється. Методом порівняння двох отриманих показань оцініть похибку приладу, що перевіряється.
При перевірці приймачів спідометра або тахометра необхідно маги контрольний датчик. Перевірку можна також проводити методом порівняння. До приладів, що перевіряються і до контрольних підключіть живлення від джерела живлення відповідно, зі схемою підключення на автомобілі. Найбільш простою установкою, на якій можна робити подібну перевірку, є КТУ1.
При перевірці технічного стану амперметра з'ясуйте точність його показань порівнянням з показаннями контрольного амперметра, який разом з реостатом для регулювання сили струму ввімкніть у коло послідовно з приладом, що перевіряється. Проведіть перевірку при прямому і зворотному напрямках струму при значеннях струму 10, 20 і 3О А.
Допустима погрішність амперметра 7% від суми кінцевих значень шкали при температурі навколишнього повітря +20 ±5 °С.
Покажчики тиску в системі змащення двигуна перевіряйте разом з датчиком (порівнюючи з показаннями контрольного манометра), встановлюючи їх у резервуар з регульованим тиском і вмикаючи живлення аналогічно схемі ввімкнення на автомобілі.
Допустима погрішність покажчика ±7% від верхньої межі вимірів у діапазоні робочих тисків від 0 до 0,7 МПа і ±10% у діапазоні пісків понад 0,7 МПа при температурі навколишнього повітря плюс 20 ±5 °С.
Покажчик і датчик температури охолодної рідини перевіряйте порівнянням з показаннями ртутного термометра. Датчик разом з термометром помістіть у резервуар з водою, температуру якої поступово збільшуйте. Приєднайте покажчик до датчика відповідно зі схемою ввімкнення, корпус датчика з'єднайте з мінусовим виводом батареї.
Оцініть точність показань приладу, що перевіряється.
Перевірка контрольно-вимірювальних приладів проводиться також на контрольній установці типу Е204 та аналогічних.
Перелік використаної літератури
-
Костів Б.Ф. Експлуатація автомобільного транспорту: Підручник. – Львів: Світ, 2004. – 496 с.; іл
-
Лауш П.В. Техническое обслуживание и ремонт машин. – К.: Высшая школа, 1989. – 350 с.
-
Полянський С.К. Будівельно-дорожні та вантажопідіймальні машини. – К.: Техніка, 2001. – 624 с.
-
Строков О.В. Технічне обслуговування та ремонт вантажних і легкових автомобілів, автобусів. – К.: Грамота, 2005
-
Родичев В.А., Родичева Г.И. Тракторы и автомобили – М.: Высш. школа, 1982. – 320 с.
-
Токаренко В.М. Практикум по устройству, техническому обслуживанию и ремонту автотранспорта. – К.: Урожай, 1989. – 350 с.















