147146 (580155), страница 3
Текст из файла (страница 3)
Замедленные передачи необходимы для высококачественного выполнения некоторых технологических процессов (работы с рассадопосадочными, корнеклубне-уборочными и другими машинами), которые выполняются на скоростях 0,4 -0,16 м/с.
Коробки передач автомобилей имеют меньшее число передач потому, что автомобиль имеет более узкоцелевое назначение, чем трактор.
Низшие передачи служат для трогания автомобиля с места, разгона и преодоления тяжелых участков дороги.
Высшими передачами пользуются при движении в хороших дорожных условиях.
Автомобили имеют одну передачу заднего хода, необходимую для маневрирования. Передачи заднего хода трактора кроме маневрирования используются для выполнения различных работ, например при агрегатировании трактора с волокушами. Поэтому тракторы имеют несколько передач заднего хода. Ряд тракторов имеет реверсивный ход на все передачи.
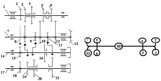
2.2 Коробка передач трактора ДТ-75 МВ
Четырехходовая, семиступенчатая коробка передач позволяет получить семь передач вперед и одну передачу заднего хода.
Коробка передач имеет ведущий, промежуточный, ведомый валы и вал заднего хода. Через расположенный сверху пустотелый ведущий вал 1 (см. рис. 2) проходит вал отбора мощности.
Рис. 2
На ведущем валу 1 жестко закреплена шестерня 2, находящаяся в постоянном зацеплении с шестерней 15 вала 14 заднего хода. На этом валу также установлены на шлицах две каретки, имеющие по две шестерни: шестерни 3 и 4 включения III и IV передач и шестерни 5 и 6 для включения I и II передач.
На ведомом валу 7 жестко закреплены шестерня 8 III передачи, шестерня 9 IV передачи, шестерня 10 I передачи, шестерня 11 VII передачи и шестерня 12 II передачи. На конце ведомого вала находится малая коническая шестерня 13 для привода механизмов заднего моста. При помощи регулировочных прокладок, расположенных под фланцем корпуса переднего шарикового подшипника ведомого вала, можно на небольшое расстояние перемещать в осевом направлении ведомый вал 7 вместе с конической шестерней 13. Это позволяет регулировать зазор в зацеплении между малой конической шестерней 13 и большой конической шестерней центральной передачи заднего моста.
В верхней части картера коробки (с правой стороны трактора) расположен вал 14 заднего хода на его переднем конце жестко закреплена шестерня 15, находящаяся в постоянном зацеплении с шестерней 2 ведущего вала. На заднем конце вала 14 на шлицах установлена передвижная шестерня 16 заднего хода.
Ниже вала заднего хода размещен промежуточный вал 17, на переднем конце которого закреплена шестерня 18, находящаяся в постоянном зацеплении с шестерней 15 вала заднего хода. На этом же валу на шлицах установлены две каретки: передняя с шестернями 19 и 20 для включения V и VI передач и задняя с шестерней 21 для включения VII передачи. При включении от I до IV передачи крутящий момент от ведущего вала 1 через одну из четырех пар шестерен сразу передается на ведомый вал 7. В этом случае вал 14 заднего хода и промежуточный вал 17 вращаются вхолостую. Когда включены V, VI и VII передачи, работают все валы.
При включении первой передачи в зацеплении находятся шестерни 5 и 10, второй – 6 и 12, третьей – 3 и 8, четвертой – 4 и 9, пятой – 2, 15, 18, 19 и 8, шестой – 2, 15, 18, 20 и 9, седьмой -2, 15, 18, 21 и 11, заднего хода – 2, 15, 16 и 10.
Коробка передач снабжена механизмом блокировки, принцип действия которого описан выше.
Смазывается коробка передач трансмиссионным маслом ТЭП-15 и ТАП-15В, заливаемым через горловину, расположенную на верхней крышке корпуса заднего моста.
Контролируют уровень масла по щупу на пробке заливной горловины.
Сливают масло через отверстие, закрываемое пробкой с магнитом в нижней части картера коробки.
2.3 Неисправности коробок передач
В коробках передач возникают следующие неисправности: течь масла, большой шум, перегрев, затрудненное переключение передач, самопроизвольное и одновременное включение двух передач.
Течь масла устраняют подтягиванием крепежных болтов и гаек. При необходимости заменяют прокладки в соединениях корпусов или крышки с корпусом. Стуки в коробке передач появляются при износе шестерен и подшипников. На торцах зубья шестерен могут быть забиты вследствие неправильного включения передач. Изношенные шестерни и подшипники следует заменить. Перегрев коробки передач возможен из-за низкого уровня масла в корпусе. Необходимо долить масло до уровня контрольного отверстия или середины мерного стекла. Если масло жидкое, то оно сильно нагревается от сопряженных деталей, поскольку в них масло не удерживается. Жидкое масло следует заменить маслом необходимой по сезону вязкости.
Затрудненное переключение передач может быть из-за износа и забоин на шлицах валов и в зубьях шестерен. В этом случае надо зачистить забоины шлицев валов, а изношенные детали заменить. затрудненное переключение шестерен возможно при нарушении регулировки блокирующего устройства коробки передач.
Блокирующее устройство регулируют следующим образом. Отсоединяют тягу, соединяющую рычаг валика блокирующего устройства с педалью сцепления. Валик блокировки устанавливают углублениями вниз (при этом ползуны свободно передвигаются). Затем выжимают педаль сцепления до отказа и отрегулировав длину тяги, соединяют педаль с рычагом валика блокирующего устройства.
Самопроизвольное выключение передач возможно вследствие неравномерного износа зубьев шестерен, неполного их зацепления и износа фиксирующего устройства. Неисправные детали следует заменить.
Две передачи включаются одновременно в результате износа шариков или стержня замков, а также поломки кулисы. Неисправные детали заменяют.
Для повышения срока службы коробки передач необходимо правильно ею пользоваться. Включать и выключать передачи у тракторов с переключением при остановке можно только при полностью выключенном сцеплении, пониженной частоте вращения коленчатого вала и остановленном тракторе. Если включение передач затруднено вследствие совпадения торцов зубьев сцепляемых шестерен, следует повторным включением сцепления провернуть ведущую шестерню при нейтральном положении рычага переключения передач, после чего включить передачу. Рычаг переключения передач надо перемещать плавно, без рывков.
3. Органические удобрения
Применение минеральных удобрений - важнейшее средство повышения урожайности сельскохозяйственных культур.
Технологический процесс поверхностного внесения минеральных удобрений включает погрузку удобрений из складов (вагонов) в транспортные средства, перевозку их к местам разбрасывания и внесение удобрений в почву.
Минеральные удобрения в основном представляют собой растворимые аммиачные, фосфорные или калийные соли.
Основной способ внесения минеральных удобрений, как и органических,- разбрасывание по поверхности поля и заделка в почву до посева.
Удобрения должны быть внесены в почву равномерно по всей площади поля. Для туковых сеялок допустимая неравномерность рассева удобрений лежит в пределах ±15%, а для разбрасывателей ±25%. Огрехи между смежными проходами агрегатов не допускаются.
Удобрения - это неорганические и органические вещества, применяемые в сельском хозяйстве и рыболовстве для повышения урожайности культурных растений и рыбопродуктивности прудов. Они бывают: минеральные (или химические), органические и бактериальные (искусственное внесение микроорганизмов с целью повышения плодородия почв).
Органические удобрения - это перегной, торф, навоз, птичий помет (гуано), различные компосты, органические отходы городского хозяйства (сточные воды, осадки сточных вод, городской мусор), сапропель, зеленое удобрение. Они содержат важнейшие элементы питания, в основном в органической форме, и большое количестве микроорганизмов. Действие органических удобрений на урожай культур сказывается в течение 3-4 лет и более.
Навоз - это основное органическое удобрение во всех зонах страны. Он представляет собой смесь твердых и жидких выделений сельскохозяйственных животных с подстилкой и без нее. В навозе содержатся все питательные вещества, необходимые растениям, и поэтому его называют полным удобрением. Качество навоза зависит от вида животных, состава кормов, количества и качества подстилки, способа накопления и условий хранения.
В зависимости от способов содержания скота различают навоз подстилочный (твердый), получаемый при содержании скота на подстилке, и бесподстилочный (полужидкий, жидкий). Подстилочный навоз содержит около 25% сухого вещества и около 75% воды. В среднем в таком навозе 0,5% азота, 0,25% фосфора, 0,6% калия и 0,35% кальция. В его состав входят также необходимые для растений микроэлементы, в частности 30-50г марганца, 3-5г бора, 3-4г меди, 15-25г цинка, 0,3-0,5 молибдена на 1тн.
Кроме питательных веществ, навоз содержит большое количество микроорганизмов (в 1т 10-15кг живых микробных клеток). При внесении навоза почвенная микрофлора обогащается полезными группами бактерий. Органическое вещество служит энергетическим материалом для почвенных микроорганизмов, поэтому после внесения навоза в почве происходит активизация азотфиксирующих и других микробиологических процессов.
Навоз оказывает многостороннее действие как на почву, так и на растение. Он повышает концентрацию углекислого газа в почвенном и надпочвенном воздухе, снижает кислотность почвы и подвижность А1, повышает насыщенность ее основаниями. При систематическом его внесении увеличивается содержание гумуса и общего азота в почве, улучшается ее структура, лучше поглощается и удерживается влага. Бесподстилочный (жидкий) навоз накапливается в большом количестве на крупных животноводческих фермах и комплексах при бесподстилочном содержании скота и применении гидравлической системы уборки экскрементов. Такой навоз представляет собой подвижную смесь кала, мочи, остатков корма, воды и газообразных веществ, образующихся в период хранения. По содержанию влаги его разделяют на полужидких ( до 90%), жидкий (90-93%). Количество и качество бесподстилочного навоза зависит от вида и возраста животных, типа кормления, способа содержания скота и технологии накопления навоза.
Большая часть питательных веществ в этом удобрении находится в легкодоступной для растений форме (до 70% азота в аммиачной форме), что обусловливает более сильное его действие по сравнению с подстилочным навозом в год внесения и слабое в последующие годы. Фосфор и калий из подстилочного навоза усваиваются растениями так же, как и из минеральных удобрений.
Птичий помет - это быстродействующее органическое удобрение. Питательные вещества в нем хорошо усваиваются растениями. Куриный помет содержит 0,7-1,9% азота, 1,5-2% Р2О5, 0,8-1% К2О и 2,4% СаО.
Птичий помет используют в качестве подкормки зерновых и технических культур, растворяют его в 8-10 частях воды и вносят в почву культиваторами-растениепитателя.
Торф - это удобрение представляет собой смесь полуразложившихся в условиях избыточного увлажнения остатков растений, в основном болотных. Торф может быть низкой степени разложения (до 20%), средней (20-40%) и высокой (более 40%). Широко применяют в сельском хозяйстве как удобрение. Различают три типа торфа: верховой, низинный и переходный.
Верховой торф образуется на бедных питательными веществами возвышенных метах рельефа (сфагновые мхи, пушицы, шейхцерия болотная, подбел, багульник, осока топяная и др.). Верховой торф характеризуется повышенным количеством органического вещества, высокой кислотностью, большой поглотительной способностью и малым содержанием питательных веществ. Применяют указанный торф главным образом в качестве подстилки и для компостирования.
Низинный торф образуется на богатых питательными веществами пониженных частях рельефа (осоки, гипновые мхи, тростник, хвощ, таволга, сабельники и др.). Низинный торф содержит больше питательных веществ и меньше органического вещества, чем верховой. Наиболее целесообразно его использовать для приготовления различных компостов.
Переходной торф занимает промежуточное положение между верховым и низинным. По количеству золы (в %) торфа подразделяют на нормальные (до 12) и высокозольные (более 12).
Торфяные компосты. Торф широко применяют для приготовления компостов. При компостировании с навозом торф быстрее разлагается и полнее используется растениями. Хорошо компостируется торф (верховой или переходной) с известью. Хорошие результаты получают при добавлении к торфу 20 кг фосфоритной муки на 1тн. Торфофосфоритные компосты особенно эффективны на супесчаных почвах, а торфоизвестковые - на кислых.
Кроме этого торф используют на полях орошения, где его компостируют с осадком сточных вод. Широко применяют также торфофекальные компосты. Эти компосты считаются сильнодействующими.
Осадки сточных вод. Их получают при очистке сточных вод городов на очистных сооружениях. Влажность свежего осадка составляет около 97%. Для снижения влажности до 80% они проходят этап естественной сушки на иловых площадках и механического обезвоживания на вакуум-фильтрах с применением реагентов (хлорное железо и известь), а для снижения влажности до 25-30% - проходят термическую сушку в барабанных печах.














