146925 (580119), страница 3
Текст из файла (страница 3)
3.Ниппели (подводящий и отводящий топливо к форсунке проверяемого цилиндра) соединить между собой.
4. Завести двигатель и заметить показания манометра при 500 об/мин коленчатого вала. Поочерёдно замерять компрессию в других цилиндрах.
Проверка и регулировка зазоров клапанов двигателей
Величина зазоров между клапанами и толкателями устанавливается из условия обеспечения плотной посадки клапанов в гнёздах и бесшумной их работы. При проверке щуп, соответствующий зазору максимальной величины (табл.), не должен входить, а щуп, соответствующий минимальному зазору, должен входить в зазор свободно.
Величины зазоров между толкателями и клапанами двигателей
| Двигатель автомобиля | Зазор (в мм) для клапана впускного выпускного | Состояние двигателя при регулировке | ||
| Москвич – 402 | 0,13-0,15 | 0,18-0,20 | холодный | |
| Москвич – 407 | 0,15 | 0,20 | То же | |
| М-21- Волга, М-20-Победа, ГАЗ-69, УАЗ-450, ГАЗ-12 | 0,25- 0,30 | 0,25-0,30 | >> | |
| ГАЗ-51, ГАЗ-51А, ЗИЛ-164, ЗИЛ-150 | 0,23 | 0,28 | >> | |
| ЗИЛ-157,ЗИЛ-158, МАЗ-200, ЯАЗ-210 | 0,20-0,25 | 0,20-0,25 | прогретый | |
| ЗИЛ-127 | ----- | 0,25-0,30 | То же | |
Рис.2. Механизм газораспределения двигателя МеМЗ-245: 1 — шайба опорная внутренней и наружной пружин, 2, 3 — наружная и внутренняя пружины, 4 — патрубок, 5 — маслоотражательный колпачок клапана, 6 — тарелка пружины клапана, 7 — сухари тарелки клапана, 8 — наконечник регулировочного винта коромысла, 9 — коромысло, 10 — гайка, 11 — регулировочный винт коромысла клапана, 12 — ось коромысел, 13 — головка цилиндров, 14 — кулачок распределительного вала, 15 — стопорное кольцо, 16 — направляющая втулка, 17 — клапан, 18 — седло клапана
Если зазор имеет одно значение ( например 0,23мм), его следует проверить двумя щупами: один должен соответствовать номинальному значению (0,23мм), а другой – на 0,02мм больше (0,25мм). Первый щуп(0,23мм) должен входить в зазор с небольшим усилием, а второй(0,25мм) не должен входить в зазор.
Проверку и регулировку зазора производят в последовательности, обуславливаемой конструкцией двигателя.
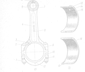
Рис.3. Шатун и шатунные вкладыши:
а - шатун двигателя автомобиля ГАЗ – 53А; б - шатунные вкладыши; 1- гайка; 2- болт; 3 и 14- отверстия для масла; 4- стержень шатуна; 5- бронзовая втулка; 6- отверстие для подачи масла к поршневому пальцу; 7- верхняя головка шатуна; 8- номер шатуна; 9- нижняя головка шатуна; 10- крышка нижней головки шатуна; 11- стопорная шайба; 12- метка; 13- усик; 15- верхний вкладыш; 16- нижний вкладыш.
Рис. 10. Коленчатый вал двигателя «Москвич-412»:
/ — храповик, 2 — стопорная шайба, 3 — шкив, 4 — передний сальник, 5 — маслоотражатель, 6 — шестерня привода масляного насоса и прерывателя-распределителя, 7 — распорная втулка, 8 — звездочка привода газораспределительного механизма, 9 — сегментные шпонки, 10 — коленчатый вал, 11 — пробка, 12 — коренные вкладыши, 13 — прокладка, 14 — крышка заднего сальника, 15 — шпилька, 16 — шайба, 17 — гайка, 18 — задний сальник, 19 — штифт кожуха сцепления, 20 — стопорная пластина, 21 — болт, 22 — маховик, 23 — трубчатые штифты, 24 — крышка коренного подшипника, 25 — упорные полукольца, 26 — крышка среднего коренного подшипника
Коренные и шатунные подшипники коленчатого вала
Состояние коренных и шатунных подшипников коленчатого вала следует проверять через каждые 10000км пробега при очередном техническом обслуживании. В случае падения давления в системе смазки или появления глухого стука при резкой смене числа оборотов коленчатого вала необходимо проверить зазоры в подшипниках.
Зазоры между подшипником и шейкой вала можно проверить с помощью контрольной прокладки, имеющей толщину, равную допустимому зазору (см.табл.), ширину 12мм, длину 25 мм.
Если после постановки контрольной прокладки между шейкою вала и подшипником и затяжки болтов подшипника вал свободно прокручивается, нужно заменить прокладки или вкладыши.
Затягивать гайки болтов крышек подшипников нужно динамометрическим ключом с усилием, создающим крутящий момент в пределах, указанных в таб.
| Двигатель автомобиля | Крутящий момент ( в кг/м² ) для подшипников | |
| шатунных | коренных | |
| Москвич - 401 ; - 402 | 6,8 – 7,5 | 12,5 – 13,6 |
| Москвич - 407 | 5,0 -6,5 | 12,5 – 13,6 |
| М-20-Победа, ГАЗ-69, УАЗ-450, ГАЗ-12, ГАЗ-51А | 6,8 – 7,5 | 12,5 – 13,6 |
| М-21- Волга, ЗИЛ-164, ЗИЛ-150, Урал, ЗИЛ-157,ЗИЛ-355М, ЗИЛ-158 | 8,0 – 9,0 | 11,0 – 13,0 |
| МАЗ-200, ЯАЗ-210 | 8,0 – 9,0 | 8,0 – 10,0 |
Уход за системой смазки
Долговечность автомобиля зависит от качества применяемого масла и ухода за системой смазки. Для заправки картера двигателя необходимо применять только масло, рекомендуемое заводской инструкцией для определённой поры года и климатического пояса, пользуясь чистой заправочной посудой.
Качество масла должно соответствовать требованиям ГОСТ. Масло не должно содержать примесей воды и механических частиц. Перед заливкой его необходимо фильтровать и отстаивать.
Смена масла в картере двигателя производиться согласно инструкциям автомобильных заводов. Сроки смены для большинства карбюраторных двигателей установлены в пределах 1000 – 2000 км пробега автомобиля. В двигателе ЯАЗ -204 срок смены смазки установлен через каждые 1500 км.
Следует иметь в виду, что на срок пригодности масла оказывают большое влияние его качество, уход за фильтрами грубой и тонкой очистки, уход за воздухоочистителем, регулировка приборов питания, условия пуска двигателя, дорожные условия и режим эксплуатации.
Для продления срока пригодности масла и уменьшения износа двигателя необходимо устранять причины, вызывающие загрязнение масла, окисление его и разжижение топливом. Износ двигателя снижается в 1,5 – 2 раза при своевременной смене фильтрующих элементов. Фильтры маслоприёмника следует очищать и промывать в керосине при каждом снятии картера.
При первом ТО следует сливать отстой фильтров, а при втором – промывать фильтры и отстойник. При смене масла необходимо промывать масляную систему. Промывать систему смазки следует чистым маловязким маслом или маслом, применяемым для двигателей в зимнее время. Для промывки системы масло заливают в картер прогретого двигателя после спуска отработанного масла и дают двигателю проработать 5 – 8 мин. при малых оборотах холостого хода. После этого следует залить свежее масло.
Давление масла в системе смазки должно быть в пределах, указанных в таб.
Давление масла в системе смазки
| Двигатель автомобиля | Рабочее давление масла ( в кг/см²) | Примечание |
| Москвич - 402 | 2,0 – 3,5 | При движении автомобиля со скоростью 40 – 50 км/час |
| Москвич - 407 | 2,0 не менее | Более 30 км/час |
| М-21- Волга | 2,0 – 4,0 | При движении автомобиля со скоростью 50 км/час |
| М-20-Победа, ГАЗ-69, УАЗ-450, ГАЗ-12, ГАЗ-51А | 2,0 – 4,0 | При движении автомобиля со скоростью 50 км/час |
| ЗИЛ-150 | Не менее 1,5 | При 1000 об/мин коленчатого вала |
| ЗИЛ-164, ЗИЛ-157, ЗИЛ-158 | Не менее 2,5 | При 1000 об/мин коленчатого вала |
| МАЗ-200, ЯАЗ-210, ЗИЛ-127 | 1,7 – 4,2 | При 2000 об/мин коленчатого вала |
При малых оборотах коленчатого вала карбюраторных двигателей в системе смазки давление снижается до 1 кг/см², а у двигателей ЯАЗ – 204 – до 0,5 кг/см². При скорости движения автомобиля 30 – 50 км/час снижение давления в системе смазки двигателя недопустимо ниже 1 кг/см².
Причинами понижения давления в системе смазки могут быть :
а) недостаточный уровень масла ;
б) разжижение масла или высокая температура смазки ;
в) неисправность магистрали ;
г) ослабление или поломка пружины редукционного клапана.
Повышение давления в системе смазки может быть в результате применения масла с большей вязкостью или засорения магистрали и нарушения регулировки редукционного клапана.
ВЫВОД:
Как мы могли узнать из выше написанного есть три (3) вида обслуживания двигателя внутреннего сгорания, это : 1) Ежедневное техническое обслуживание ( ЕО ) ; 2) Первое техническое обслуживание ( ТО - 1 ) и
-
Второе техническое обслуживание ( ТО - 2 ).
При каждом из видов обслуживания должны выполняться определённые виды работ. Все они направлены на то чтобы продлить моторесурс двигателя, и избежать неприятные последствия ремонта двигателя внутреннего сгорания вне автопредприятия ( в полевых условиях ).
Есть косметический ремонт и капитальный ремонт двигателя внутреннего сгорания. Длительность работы Д.В.С. зависит ещё от некоторых факторов : это качества деталей ; качественного масла ; и умелого использования потенциала мощности двигателя.
Список литературы:
Е. В. МИХАЙЛОВСКИЙ. К.Б. СЕРЕБРЯКОВ. Е. Я.ТУР «УСТРОЙСТВО АВТОМОБИЛЯ» ( Москва – машиностроение – 1981 г. ).
В. Ф. ЕПИФАНЦЕВ , А.С. АМЕЛИН «СПРАВОЧНИК ШОФЁРА » (Гос. Издательство технической литературы УССР Киев – 1962 г. ).
















