125739 (577894), страница 2
Текст из файла (страница 2)
Рис. 3. Проволочный тензорезистор Рис. 4. Фольговые тензорезисторы
Рис. 5. Схемы включения тензорезисторов.
Основа полупроводниковых тензорезисторов- кристалл кремния или германия. В зависимости от количества примесей типа р или п сопротивление пластинок тснзорезисторов изменяется от 100 Ом до 10 кОм. Знак тензоэффекта (при растяжении) в полупроводниках п-типа проводимости — отрицательный, а р-типа — положительный. Проводимость р-типа имеют тензорезисторы КТД. а n-типа — КТЭ.
Недостаток полупроводниковых тензорезисторов - малые значения прочности и гибкости. Другой недостаток в том, что. несмотря на большую Тензочувствительность. реализовать ее довольно сложно из-за нелинейности характеристик, высокой чувствительности к воздействию внешних условий (температуры, освещения и т.д.) и существенного разброса параметров от образца к образцу.При выборе метода измерения механических величин тензорсзисторам часто отдают предпочтение. Действительно, они являются универсальными преобразователями и могут с успехом использоваться во многих случаях, но они не всегда представляют собой лучшее средство. Тензорезисторныс датчики представляют собой упругий элемент, на который наклеены тензорезисторы. Деформация упругого элемента должна иметь достаточно большую величину. Это обстоятельство часто недооценивается при выборе метода измерения. Так, например, датчик давления, представляющий собой диафрагму с наклеенными на ней тензорезисторами, имеет линейную характеристику только в диапазоне относительно малых деформаций. Индуктивный или емкостный преобразователи в этом случае имеют лучшую линейность при более высоком уровне сигнала. Преобразователи имеют широкую область применения, прежде всего датчики динамометров для измерения усилий. Большинство динамометров представляют собой цилиндрическую колонку, которая подвергается сжатию. Для измерения усилий ниже 1 т обычно применяют кольцевые динамометры с наклеенными тензореэисторами. Для измерения давления применяются датчики с консольной балкой.При изменении температуры возникает погрешность за счет изменения сопротивления от температуры независимо от деформации, т.е. изменение от температуры крутизны градуировочной характеристики, вызванное температурной зависимостью модуля упругости упругого элемента, на который наклеены тензорезисторы, и сопротивления тензорезистора. Температурная коррекция выполняется путем включения последовательно и параллельно с тензорезистором сопротивления с отрицательным температурным коэффициентом (рис.5,а).
Корректирующие сопротивления должны обладать как можно большим температурным коэффициентом, чтобы ею значение было меньше сопротивления тснзорезистора. Этому требованию удовлетворяют только полупроводниковые материалы (термисторы).
Температурная коррекция выполняется также путем включения пар тензорезисторов в смежные плечи моста (рис. 5, б}.
1.2.2 Электромагнитные преобразователи
Индуктивные преобразователи.
Преобразователи, преобразующие естественную входную величину в виде перемещения в изменение индуктивности, называются индуктивными.
Индуктивный преобразователь представляет собой дроссель с изменяющимся воздушным зазором (рис..6. а.) или изменяющейся площадью поперечного сечения (рис.6. б)
Рис. 6. Конструкция и схемы включения индуктивных пореобразователей.
Выходной параметр индуктивного преобразователя – изменение индуктивности L обмотки, надетой на сердечник, при изменении зазора δ или площади S.
Для измерения больших перемещений применяют индуктивные преобразователи соленоидного типа ( рис.6. в.). Изменение индуктивности в этих преобразователях вызывается перемещением в катушке ферромагнитного сердечника. Соленоидные преобразователи могут применяться для измерения перемещений 100 – 1000 мм.Особенность индуктивных преобразователей в том, что чувствительность их к внешним факторам не зависит от чувствительности к измеряемой величине, поэтому увеличение чувствительности к измеряемой величине приводит к уменьшению погрешности преобразователя.Индуктивные преобразователи применяют для измерения перемещений, толщены покрытий, в микромерах. Изготавливают также индуктивные динаметры и манометры, в которых усилие и давление преобразуется в перемещение при помощи упругих элементов, т.е. промежуточных преобразователей.При эксплуатации индуктивных преобразователей следует учитывать электромеханическую силу, действующую на подвижный сердечник. Поэтому их можно использовать только для измерения достаточно больших сил.Динамические характеристики индуктивных преобразователей определяются в основном параметрами подвижной механической системы, которая чаще всего является колебательной.
Трансформаторные преобразователи.
Преобразователи, преобразующие перемещение в изменение взаимоиндуктивности, называются трансформаторными.
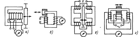
На рис.7. а и б показаны трасформаторные преобразователи с подвижным сердечником.
Рис.7. Конструкции и схемы включения трансформаторных преобразователей
Достоинства трансформаторных преобразователей : достаточная мощность сигнала без усилительных устройств, сравнительная простота для измерения усилий и давлений. Трансформаторные преобразователи применяют в сочетании с упругими элементами (мембранами, пружинами).Недостатки индуктивных и трансформаторных преобразователей - в большой инерционности, необходимости регулировки и компенсации начального напряжения на выходе преобразователя. Кроме того, для уменьшения помех оба преобразователя нуждаются в тщательной экранировке, что увеличивает размеры и массу преобразователя. Погрешности трансформаторных преобразователей вызываются в основном нестабильностью напряжения и частоты источника питания, а также влиянием изменения температуры.При измерении динамических процессов частота источника питания должна быть значительно выше частоты измеряемого процесса. При измерении медленно меняющихся процессов преобразователь подключают к источнику питания промышленной частоты.
Магнитоупругие преобразователи.
Преобразователи, основанные на изменении магнитной проницаемости ферромагнитного сердечника под воздействием механической деформации, называют магнитоупругими.Магнитоупругий преобразователь представляет собой ферромагнитный сердечник с одной или двумя обмотками, к которому прикладываются механические усилия. Усилие создает в сердечнике механическое напряжение, которое приводит к изменению магнитной проницаемости μ и, следовательно, к изменению магнитного сопротивления, что обуславливает изменение электрического сопротивления Z катушки. Таким образом, в магнитоупругом преобразователе имеется следующая цепь преобразований:F → σ → μ → R → Z или e. Магнитоупругий эффект объясняется дополнительным магнитным взаимодействием атомом вследствие искажения атомной решетки кристалла от воздействия механических усилий. В общем случае зависимость магнитной проницаемости от механических напряжений имеет довольно нелинейный характер. Однако, выбирая оптимальные режимы работы, можно получить относительно линейную зависимость.
Существует большое разнообразие конструктивных форм магнитоупругих преобразователей. Их можно разбить на две основные группы: преобразователи дроссельного и трансформаторного типов.В преобразователях дроссельного типа изменение магнитной проницаемости сердечника приводит к изменению полного электрического сопротивления катушки дросселя.В преобразователях трансформаторного типа в качестве выходной величины используется взаимная индуктивность. Такие пореобразователи – по существу трансформаторные с переменным коэффициентом трансформации. Конструкции основных типов магнитоупругих преобразователей показаны на рис. 8.
Рис.8. Конструкции магнитоупругих преобразователей.
Сердечник преобразователя при измерении сосредоточенных сил может претерпевать деформацию сжатия (растяжения) (рис. 8. а, б, и в ) или изгиба (рис.8.д.). На рис.8.г. изображен тензометрический магнитоупругий преобразователь, магнитная цепь которого выполнена из тонкого листа пермаллоя, наклеенного на исследуемую деталь.
В преобразователях, приведенных на рис.8. а-д, используется эффект изменение магнитной проницаемости сердечника в одном направлении. В настоящее время широкое применение получили магнитоупругие преобразователи, в которых используется изменение магнитной проницаемости одновременно в двух взаимно перпендикулярных направлениях, т.е. магнитная анизотропия сердечника. На рис.8. е показана конструкция магнитноанизотропного преобразователя со скрещенными обмотками. Первичная и вторичная обмотки расположены в сплошном магнитопроводе под прямым углом друг к другу. В ненагруженном состоянии преобразователя силовые линии первичной обмотки не пересекают вторичную обмотку, в результате чего ЭДС вторичной обмотки равно нулю. При действии усилия вследствие изменения магнитной проницаемости материала магнитное поле вытягивается в направлении большей проницаемости, сжимается в направлении меньшей проницаемости и, сцепляясь со вторичной обмоткой, индуцирует в ней ЭДС, пропорциональную приложенному усилию.
Магнитострикционный эффект – четный эффект, т.е. знак деформации сердечника не меняется при перемене направления поля на обратное. Частота изменения деформаций или колебаний сердечника в 2 раза больше частоты переменного тока, протекающего через обмотку преобразователя. На магнитострикционном эффекте основана работа магнитострикционных ультразвуковых преобразователей или излучателей.
Основные достоинства магнитоупругих преобразователей: высокие мощность и уровень выходного сигнала, надежность, простота конструкции. Однко магнитоупругие преобразователи обладают довольно большими погрешностями. Основные источники погрешностей: температурная погрешность и магнитоупругий гистерезис. При быстроизменяющихся усилий следует учитывать также инерционность магнитоупругих преобразователей.
Индукционные преобразователи.
Преобразователи, в которых используется яление электромагнитной индукции, т.е. наведение ЭДС в электрическом контуре при изменении магнитного потока, называются индукционными.По принципу действия индукционные преобразователи подразделяются на две группы.В преобразователях первой группы магнитное сопротивление постоянного магнитного потока остается неизменным, а индуцированная ЭДС наводится из-за линейных или угловых перемещений сердечника катушки в зазоре ( рис. 9.).
Н1
U
III
К
1
U
II = UIII - UIIII
U
1
















