62760 (573332), страница 2
Текст из файла (страница 2)
Рис. 4 - Сигнал цели снимаемый азимутальной положительной ДН
Рис. 5 - Сигнал снимаемый азимутальной отрицательной ДН
Рис. 6 - Сигнал снимаемый азимутальной разностной ДН
Рис. 7 - Сигнал снимаемый суммарной ДН
Рис. 8 - Сигнал снимаемый суммарно-разностной, азимутальной ДН
Как видно из графика, суммарно-разностной ДН (Рис. 8.), амплитуда огибающей указывает на величину отклонения цели от РСН, а фаза указывает на направление отклонения.
Эта информация содержится в обоих каналах, но в противофазе, поэтому для надежного сопровождения, достаточно иметь один исправный канал. Но для надежной защиты от уводящих помех по угловым координатам необходимо наличие двух исправных каналов.
РАБОТА ЭЛЕКТРОМЕХАНИЧЕСКОЙ ЧАСТИ
Управление лучом диаграммы направленности осуществляется перемещением рефлектора по азимуту и углу места силовыми редукторами на порошковых муфтах.
Для перемещения рефлектора вручную в силовых редукторах азимута и угла места имеются ручные приводы. Как по азимуту так и по углу места перемещение рефлектора ограничивается концевыми выключателями и пружинными упорами.
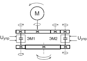
Силовые редуктора по АЗ и УМ представляют собой независимые, взаимозаменяемые электромеханические устройства, выполненные на порошковых муфтах (рис. 9).
Рис. 9 - Силовой редуктор
Принцип действия порошковых муфт основан на эффекте сцепления, которое возникает между поверхностями, разделенными зазором, содержащим ферромагнитный порошок. Если зазор пересекается магнитным потоком, то частицы порошка, связываясь друг с другом намагниченными поверхностями, образуют сцепляющий слой, который создает фрикционный момент между ведущей и ведомой частями муфты.
При отсутствии сигнала на муфте силы сцепления отсутствуют и ведущий вал может свободно вращаться независимо от ведомого.
В силовых редукторах как по азимуту так и по углу места имеются порошковые муфты ЭМ1, ЭМ2, ведущие шестерни которых соединены между собой зубчатой передачей через паразитное колесо. Вал паразитного колеса является выходным валом следящего привода. Его скорость и направление вращения зависит от разности управляющих токов муфт и моментов, передаваемых муфтами.















