62756 (573331), страница 3
Текст из файла (страница 3)
до 30 символов в позиционном обозначении компонента (символы кириллицы, пробелы, знаки табуляции, точка и точка с запятой не допускаются);
до 999 страниц схем, максимальный размер листа 60x60 дюймов;
дискретность угла поворота компонента в схеме 90°.
Для платы:
максимальный размер проектируемой печатной платы 60x60 дюймов;
до 999 слоев на печатной плате, из них 11 слоев предварительно определены;
неограниченное количество компонентов в проекте; не более 64 000 типов контактных площадок в проекте; ширина трассы до 1 см (394 мил); минимальный угол поворота объекта на плате 0,1°;
контактные площадки 11 форм, возможность создавать контактные площадки произвольной полигональной формы;
контроль соблюдения зазоров и полноты разводки ПП.
Каково назначение элементов меню пиктограмм программы System View?
Работа с программой SystemView происходит в основных двух окнах.
На рисунке показано окно формирования задания на анализ радиотехнической системы (в дальнейшем будем называть его системным окном). Для экономии места внутри рабочего окна дана расшифровка главных условных обозначений операций (пиктограмм).
Практическое задание
С помощью выбранной студентом прикладной программы нарисовать схему устройства, проектируемого по дисциплине "Схемотехника".
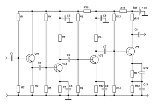
По дисциплине "Схемотехника" проектировался импульсный усилитель и источник питания.
Для рисования электрической принципиальной схемы была использована программа SPlan.
Рисунок 1. Принципиальная схема импульсного усилителя.
Рисунок 2. Принципиальная схема источника питания.












