62668 (573320), страница 2
Текст из файла (страница 2)
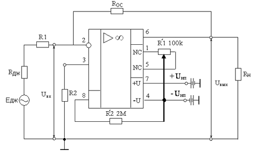
K140УД12
В зависимости от условий подачи на вход ОУ усиливаемого сигнала, а также с учетом подключения внешних компонентов можно получить инвертирующее и неинвертирующее включение усилителя. Любое схемотехническое решение с применением ОУ содержит одно из таких включений.
Инвертирующий усилитель
Напряжение источника сигнала
Внутреннее сопротивление источника сигнала
==>
Неинвертирующий усилитель
Задание 3
Рассчитать симметричный мультивибратор на ОУ. Тип ОУ определяется таблицей 3. Исходные данные для расчета:
- амплитуда импульсов
В; Umax=2В
- частота импульсов
кГц; F=14 кГц
- сопротивление нагрузки RH= (n+2) кОм. Rn=11кОм
Дать описание работы симметричного мультивибратора на ОУ.
Построить графики напряжений в точках 1, 2, 3 относительно корпуса (при наличии напряжения питания).
Определить длительность фронта генерируемого импульса.
Мультивибратор является одним из самых распространённых генераторов импульсов прямоугольной формы, представляющий собой двухкаскадный резистивный усилитель с глубокой положительной обратной связью. В электронной технике используются самые различные варианты схем мультивибраторов, которые различаются между собой по типу используемых элементов (ламповые, транзисторные, тиристорные, микроэлектронные и так далее), режиму работы (автоколебательный, ждущий синхронизации), видам связи между усилительными элементами, способам регулировки длительности и частоты генерируемых импульсов и так далее.
Отнесение мультивибратора к классу автогенераторов оправдано лишь при автоколебательном режиме его работы. В ждущем режиме мультивибратор вырабатывает импульсы только тогда, когда на его вход поступают специальные запускающие сигналы. Режим синхронизации отличается от автоколебательного лишь тем, что в этом режиме с помощью внешнего управляющего (синхронизирующего) напряжения можно изменять частоту генерируемых колебаний.
Схема симметричного мультивибратора на ОУ
1. Из условий
выбираем сопротивления резисторов: R, R2, R1=10R2, R1+R2= =(20…200)кОм.
2. Определим максимальный выходной ток ОУ в схеме мультивибратора. Ток времязадающего конденсатора С изменяется по мере перезаряда и достигает максимального значения
в момент переключения схемы при падении напряжения на резисторе R, равном
.
Ток цепи смещения через резисторы R1 и R2
Максимальный ток через нагрузку
Максимальный выходной ток операционного усилителя в схеме мультивибратора не должен превышать максимально допустимого для данного типа ОУ значения IВЫХ, т. е.
.
3. Используя формулу для длительности импульса
и учитывая, что период следования импульсов Т=2tИ, определяем емкость конденсатора времязадающей цепи С.
4. Определяем длительность фронта импульсов по заданной скорости изменения выходного напряжения V.
τф=5.232*10^8
Задание 4
Разработать схему на ОУ (табл.3) для реализации заданного нелинейного преобразования входного сигнала.
Дать описание работы полученной схемы.
Вид нелинейного преобразования определяется по последней цифре номера зачетной книжки (n).
Проверить работу схемы при подаче на ее вход напряжения
Uвх(t)= Umsin(2πft), f=1кГц, Um=(m+10)/5 В.
Заданные на рис. зависимости можно получить, включив в цепь обратной связи различные нелинейные элементы.
Зададим R3=100 кОм, тогда
1)
кОм
2)
ком
3)
ком















