62634 (573314), страница 2
Текст из файла (страница 2)
Узел управления mn предназначен для управления работой станции и коммутационного оборудования, а также для осуществления контроля за станцией, а при необходимости, и для внесения изменений в структуру самой станции. Представляет собой сервер IBM-PC, где в качестве операционной системы применяется система реального времени, например, Windows-NT. Для связи с центральной станцией применяется локальная сетъ Ethernet. Узел коммутации SN на базе коммутационной платы МСА. Выполняет услуги адресации и физического соединения между потоками данных. К узлу коммутации сходятся все узлы доступа (как местные, так и удаленные). Для подключения к узлам доступа используется интерфейсная плата ТРС, рассчитанная на организацию связи 16-ти потоками ИКМ-30. На схеме (рис. 4.1) ТРС показана только между выносами и станцией, т.к. именно для выносов выполняется расчет числа 30-ти канальных потоков данных. Для связи с выносами используем 2 платы ТРС, в общей сумме рассчитанных на 2*16=32 потока ИКМ-30, из которых мы используем только 5*5 =25 потоков ИКМ (5-ть выносов по 5-ть потоков на каждый). Остальные 7 потока остаются в резерве.
Между выносом и ТРС применяется устройство OLE-34 для организации удаленной связи (свыше 3 км). Сами выносы разделяются на два типа - выносы 1-4 (SN) с самостоятельным управлением и вынос 5 (SAN) без самостоятельного управления. К каждому выносу подключается по 400 аналоговых абонента, посредством интерфейса Z1. Исключением является вынос 1, где 315 абонентов подключается через 63 устройства цифрового уплотнения FSM-05, а 85 — через индивидуальные соединительные линии. Для связи центрального коммутатора с выносами SN используется сигнализация ОКС-7, а с выносами SAN - протокол и интерфейс У5.2.
Местные узлы доступа AN подключаются к станции через станционный интерфейс V5.2. Число таких узлов соответствует рассчитанному и равно 20-ти. Где AN1-AN17 полностью задействованы под аналоговых абонентов (10880штук); AN19-AN20 - полностью под цифровых абонентов (544 штук); AN18 - совмещенный, где на 4-ех платах обслуживаются 120 аналоговых абонента, на 16-ти платах - 256 цифровых абонента. Цифровые абоненты подключаются через базовый доступ BRA.
5. ПЕРЕМЕШИВАНИЕ ИНФОРМАЦИИ (СКРЕМБЛИРОВАНИЕ)
Перед построением структуры скремблера определим число ячеек регистра сдвига для скремблера. Т.к. длина информационного пакета по заданию составляет G = 1000 бит, то число ячеек:
n = log( G + 1)/ log(2) = log(1000 + 1)/log(2) = 9.967
принимаем n = 10.
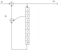
Т.к. число ячеек равно 10, то номера ячеек, которые будут использоваться для организации обратной связи такие: 3,10 .Построим структуру скремблера, учитывая, что тип скремблера по условию является скремблером с самосинхронизацией. При этом нечетные ячейки примут состояние логической 1, а четные - логического 0.
Рис. 5.1. Структура скремблера с самосинхронизацией
На вход скремблера поступают 8 бит цифрового кода для 0-го отсчета., полученного в разделе 1 данной курсовой работы, а именно: а =00000000.
Процесс скремблирования исходной последовательности покажем в таблице 5.1
Таблица 5.1. Скремблирование
| № такта |
| Ячейки регистров скремблера |
| Выход
| |||||||||||
| 1 | 2 | 3 | 4 | 5 | 6 | 7 | 8 | 9 | 10 | ||||||
| Исходное состояние | 1 | 0 | 1 | 0 | 1 | 0 | 1 | 0 | 1 | 0 | |||||
| 1 | 0 | 1 | 1 | 0 | 1 | 0 | 1 | 0 | 1 | 0 | 1 | 1 | 1 | ||
| 2 | 0 | 1 | 1 | 1 | 0 | 1 | 0 | 1 | 0 | 1 | 0 | 1 | 1 | ||
| 3 | 0 | 1 | 1 | 1 | 1 | 0 | 1 | 0 | 1 | 0 | 1 | 1 | 1 | ||
| 4 | 0 | 0 | 1 | 1 | 1 | 1 | 0 | 1 | 0 | 1 | 0 | 0 | 0 | ||
| 5 | 0 | 1 | 0 | 1 | 1 | 1 | 1 | 0 | 1 | 0 | 1 | 1 | 1 | ||
| 6 | 0 | 0 | 1 | 0 | 1 | 1 | 1 | 1 | 0 | 1 | 0 | 0 | 0 | ||
| 7 | 0 | 0 | 0 | 1 | 0 | 1 | 1 | 1 | 1 | 0 | 1 | 0 | 0 | ||
| 8 | 0 | 0 | 0 | 0 | 1 | 0 | 1 | 1 | 1 | 1 | 0 | 0 | 0 | ||
В результате получена перемешанная последовательность S0 =11101000
Вывод
В контрольной работе были рассмотрены методы расчета составляющих цифровой станции, произведен сам расчет и построена структурная схема станции. Выбраны системы электропитания, как для удаленных выносов, так и для самой станции. А также произведено перемешивание цифровой последовательности с целью уравновешивания числа 1 и 0, а также упрощения выделения тактовых импульсов.
СПИСОК ЛИТЕРАТУРЫ
1. Лозовой И. А. Параметры каналов тональной частоты аппаратуры с ИКМ. - М.: Радио и связь 1981.-88с.
2. Новиков В.А. Багуц В.П. Тюрин B.JL Многоканальная телефонная связь на железнодорожном транспорте. -М.: Транспорт, 1982. -327с.
3. SI2000 цифровая коммутационная система CS505IAA Версия 5. Справочник по эксплуатации, Документационный центр, Крань, 1998.
4. Система электропитания MPS5Q KSSOS3000-EDR-030: Справочник по эксплуатации. Документационный центр, Крань, 1999.,
5. Шмытинский. ВВ.., Котов В.К., Здоровцов И.А. Цифровые системы передачи информации; на железнодорожном транспорте. -М.: Транспорт, 1995.-23 S
















