62231 (573270), страница 2
Текст из файла (страница 2)
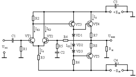
Рисунок 2.1 - Схема підсилювача потужності з НЗЗ.
Розрахунок схеми:
1. Визначаємо за невеликим запасом потужність, яку повинні віддавати транзистори обох плеч каскаду
Р 1,1· Рн. (2.1)
Р 1,1· 50 55 Вт.
Приймаємо потужність, яку повинні віддавати транзистори обох плеч каскаду Р = 60 Вт.
2. Потрібна амплітуда напруги на навантаженні
(2.2)
= 31 В.
3. Максимальній вихідний струм (струм колектора)
(2.3)
= 3,9 А.
4. Потрібна напруга живлення
(2.4)
= 64 В.
де Uк min - напруга на колекторі, що відповідає початку лінійної частки характеристик колекторного струму. Приймаємо Uк min = 1,0 В.
5. Вибираємо потужні транзистори протилежного типу провідності (так звану комплементарну пару) VT4 і VT5 за потужністю Р і
. За довідковими даними позначаємо середнє значення о. Транзистори, які можуть бути використані в даній схемі - це КТ 816В та КТ 817В, їхні параметри: КТ 818АКТ 819А
Pк max = 25 Вт,Pк max = 25 Вт,
Uкбо = 60 B,Uкбо = 60 B,
h21е 25,h21е 25,ІКМ = 3А, ІКМ = 3А,
f 3 МГц, f 3 МГц,
тир p-n-pтир n-p-n
Приймаємо середнє значення о рівним 25 для VT4 і VT5.
6. Підсилювач класу АВ повинен мати достатньо великий струм спокою у момент переходу сигналу через нуль, тобто тоді протягом деякого інтервалу часу обидва транзистори находитимуться у стані провідності, що забезпечується за допомогою діодів VD1…VD3 зміщених у прямому напрямку. Вони повинні забезпечити потрібну напругу зміщення U. Яка створюється сумою напруг база-емітер Uбе обох транзисторів VT4 і VТ5 і Іо (R7 + R8), тобто U = 2Uбе + Іо (R7 + R8). Звичайно приймають для потужних транзисторів Uбе = 0,6В (кожному транзистору потрібні 0,6 В на переході база-емітер для того, щоб через нього протікав помітний струм).
Струм спокою Іо слід вибрати з мінімуму перехідних нелінійних спотворень. Якщо потужність на гучномовці обмежена 1 Вт, то Іо = 5…10 мА. Для потужності 10…30 Вт - Іо = 40…60 мА. Тому обираємо струм спокою рівний Іо = 60 мА. Опір резисторів R7,R8 вибирають не більш як декілька ом або менше, а падіння напруги на них дорівнює не більш декількох частин вольта. Разом з тим вони ввімкнути послідовно з Rн і тому зменшують потужність, яка віддається в навантаження. Виходячи з цього доцільніше прийняти Іо (R7 + R8) = Uбе= 0,6В і визначаємо R7 = R8, тобто
R7 = R8 = Uбе / Іо × 2 (2.5)
R7 = R8 = 0,6/ (100 × 10-3 × 2) = 3 Ом.
Із ряду номіналів Е24 приймаємо резистори рівні 3 Ом.
Приймаємо потужність резисторів рівною 0,125 Вт.
Для роботи транзисторів VT4 і VТ5 потрібні 0,6 В на переході база-емітер, для цього потрібні три діоди, кожен з котрих дає Uд = 0,6 В.
7. Вибираємо діоди 2Д 106А. Находимо з ВАХ (додаток Б)
струм Ід = 20 мА, який потрібен для отримання Uд.
8. Вхідний сигнал до двотактного каскаду знімається з колектора проміжного каскаду на VT3, у якому R6 є колекторним резистором і формує струм Ід для зміщення діодів, тому струм спокою VT3 І03 = Ід = 20 мА, а на резисторі R6 падає приблизно “-Еж". Визначаємо опір резистора
R6 = Еж / Іоз. (2.6)
R6 = 64/0,02 = 3,2 кОм.
Із ряду номіналів Е24 приймаємо резистор рівний 3,24 кОм.
9. За номінальним вихідним струмом і середнім коефіцієнтом підсилення за струмом 0 вибраних транзисторів VT4, VT5 струм колектора VT3.
(2.7)
0,156 А.
10. Потужність, яка розсіюється транзистором VT3 у режимі спокою,
Р3 = Еж × І03. (2.8)
Р3 = 64 × 0,02= 6,4 Вт.
Вибираємо транзистор VT3 за критерієм надійності. ГТ 406В
Pк max = 10 Вт,
Uкбо = 80 B,
h21е 30,ІКМ = 5А,
f 3 МГц,
тир p-n-p
Позначаємо 3 = 25
11. База транзистора VT3 приєднана до колектору VT1, тому резистор R2 треба вибрати таким, щоб струм спокою VT1 створював падіння напруги UR2 = UД, тоді струми ІК1 і ІК2 диференційної пари будуть рівні між собою. Виходячи з цього UR2 = Uд = 0,6 В. Вибираємо значення струмів ІК1 = ІК2 (диференціальний каскад працює з малими струмами, наприклад 1 мА), тоді визначаємо:
R2 = UR2/ІК1. (2.9)
R2 = 0,6/1× 10-3 = 600 Ом.
Із ряду номіналів Е24 приймаємо резистор рівний 620 Ом.
Приймаємо потужність резистора рівною 0,125 Вт.
12. Потенціал емітерів VT1,VT2 в режимі спокою можна прийняти рівним нулю, тоді струм
Іе = Іе1 + Іе2 = (-Еж) / R3. (2.10)
Звичайно:
Іе ІК1 + ІК2 (2.11)
Іе = 1 ∙ 10-3 + 1 ∙ 10-3 = 2 мА
Визначаємо R3 за формулою:
R3 = (-Еж) / Іе. (2.11), R3 = 64/2 ∙ 10-3 = 32 кОм.
Із ряду номіналів Е24 приймаємо резистор рівний 32,4 кОм. Приймаємо потужність резистора рівною 0,125 Вт.
13. Для забезпечення міцності на пробій VT1 і VT2 слід вибрати транзистори, які мають:
Uке 2 × Еж, (2.12)
Uке 2 × 64 128 В.,
малий тепловий струм і достатнє високий коефіцієнт. За даними параметрами вибираємо транзистори КТ 630В.
Uке max = 150 B,
h21е = 40...120,ІКМ = 1 А,
f 3 МГц,
Визначаємо середній коефіцієнт підсилення транзисторів:
1 = 2 = (40 + 120) / 2 = 80.
14. Коефіцієнт підсилення підсилювача по напрузі:
(2.13)
= 11,1.
15. Для сигналу коефіцієнт зворотного зв’язку зз = R5/ (R4+R5). Треба вибрати опір R4. Звичайно для симетричної роботи диференціального підсилювача опори баз VT1 і VT2 повинні бути рівними, тобто R4 = R1. Паралельне з’єднання R1 та опір з боку бази VT1 визначає вхідний опір підсилювача. З цих умов вибираємо R4 = R1 = 50…100 кОм.
Із ряду номіналів Е24 приймаємо резистори номіналом 50 кОм.
Приймаємо потужність резисторів рівною 0,125 Вт, тому, що через них протікають малі струми.
Тоді:
R5 = R4/ (Кu - 1). (2.14)
R5 = 50 × 103/ (11,1 - 1) = 5 кОм.
Струми через резистор протікають не значні, тому приймаємо його потужність рівною 0,125 Вт.
16. Ємність конденсатора кола зворотного зв’язку С2 розраховується виходячи з нижніх граничних частот fН
(2.15)
= 1,59 мкФ.
Із ряду номіналів приймаємо конденсатор рівний 2 мкФ.
17. Ємність розділювального конденсатора визначається з умови:
1/C1 = Rвх / 10, (2.16)
де Rвх R1, звідси:
(2.17)
= 0,16 мкФ.
Із ряду номіналів приймаємо конденсатор рівний 2 мкФ.
Аналіз схеми. Коло ЗЗ розімкнуто у точці В, а правий вивід R4 заземлений. Вхідний опір підсилювача визначається паралельним з’єднанням опору R1 і вхідному опору транзистора VT1, який складається з збільшеного в h21е разів власного емітерного опору rе плюс опір з боку емітера VT2 з урахуванням кола ЗЗ (R5):
, (2.18)
де rе = 25/Ік [мА].
Rвх = 80 × (2 × (25/5) × 10-3 + 5 × 103/80) = 5 × 103 Ом.
Вихідний опір підсилювача:
Rвих = (Rе / h21е + R7). (2.19)
де опір Rе = R6, тому що на вихідні транзистори практично працює джерело з опором R6 (опір колектора VT3 значний).
Rвих = (3,2 × 103/25 + 3) = 131 Ом.
Опір навантаження диференційного каскаду визначається паралельним з’єднанням R2 і вхідним опором з боку Rбе транзистора VT3. Тоді коефіцієнт підсилення диференціальної пари
,
Кд =
(2.20)
де rе3 = 25/Іо3 = 25/20 = 1,25 Ом,
а вхідний опір з боку бази VT3
Rвх = h21е × rе3. (2.21), Rвх = 25 × 1,25 = 31,25 Ом.
Підставляємо дані значення в формулу (2.20)
Кд =
= 11,88
Коефіцієнт підсилення проміжного каскаду.
Кз = R6/rе3. (2.22)
Кз = 3,2/1,25 = 2,56.
У точці спокою повний коефіцієнт підсилення становить
Кп = Кд × Кз. (2.23)
Кп = 11,88 × 2,56 = 30,4.
Зауважимо, що К3 залежить від струму Ік3, тому він змінюється при зміні сигналу.
Коло ЗЗ замкнено. Коло ЗЗ являє собою подільник напруги з відношенням плечей ЗЗ. Тоді коефіцієнт підсилення у петлі ЗЗ
К = Кп × ЗЗ. (2.24)
К = 30,4 × 25 = 760
Вхідний імпеданс збільшується у (1+К) разів і визначається паралельним з’єднанням опору (1+К) × Rвх та R1:
Rвх33 = (1+ К) × Rвх × R1/ (К × Rвх+ R1). (2.25)
Rвх33 =
= 16,1кОм.
Можна вважати, що вхідний опір визначається резистором зміщення R1.
Вихідний опір, навпаки, зменшується у (1+К) разів. Тоді:
RвихЗЗ = Rвих / (1 + К). (2.26)
RвихЗЗ = 131 (1 + 760) = 0,17.
Коефіцієнт підсилення:
Кпзз= Кп / (1+К). (2.27)
Кпзз= 30,4/ (1 + 760) = 0,039.
Висновок
В даній розрахунково-графічній роботі при графоаналітичному методі розрахунку робочого режиму транзистора, задача 1, присутні деякі розбіжності, що внеслися при побудові графіків. З розрахунку підсилювача напруги та підсилювача потужності ми дійшли висновку, що на АЧХ підсилювачів на низький частотах найбільше впливають розділювальні ємності та конденсатор Се. Місцевий НЗЗ, потрібний для стабілізації показників підсилювача та зниження спотворень. Розрахункові дані дозволяють висловить, що негативний зворотний зв’язок істотно поліпшує характеристики підсилювача, в першу чергу зростає стабільність підсилювання.
Також, для розрахунку багатокаскадного підсилювача можна, не використовуючи вихідні характеристики транзисторів. Коефіцієнт підсилення обраховується виходячи з параметрів зворотного зв'язку, що значно зменшує клопоти з графічною частиною роботи, або взагалі їх виключає. Таке схематичне рішення, яке обране для роботи є далеко не оптимальним, мається на увазі малі місцеві негативні зворотні зв'язки, що робить схему нестабільною. Вмикати таку схему без загального НЗЗ (R4, R5) взагалі немає ніякого сенсу, бо вона просто не працюватиме, перейшовши в режим насичення одного з вихідних транзисторів. Як показують результати симуляції, робота підсилювача набагато лінійніша, що пояснюється меншою кількістю конденсаторів у схемі та наявністю НЗЗ.
Література
1. Терещук П.М. и др. Полупроводниковые приемно-усилительные устройства Справочник радиолюбителя. - К.: Наукова думка, 1987. - 801с.
2. Брежнева К.М. и др. Транзисторы Для Аппаратуры Широкого Применения., - М.: Радио и связь, 1981. - 658 с.
3. Москатов Е.А., Справочник по полупроводниковым приборам - М.: Журнал “Радио”, 2005. - 208 с., ил. М.: Связь, 1977. - 359 с.
4 ГОСТ 2.417-68. Правила выполнения чертежей печатных плат. - 17 с.
5. Войшвилло Г.В. Усилительные устройства., - М.: - М.: Радио и связь, 1983. - 264 с.
7. Титце У. Шенк К. Полупроводниковая схемотехника: Справ. руко-водство: Пер. с нем. - М.: Мир, 1983. - 512 с.
8. Проектирование усилительных устройств: Учеб. пособие / Под ред. Н.В. Терпугова. - М.: Высш. шк., 1982.













