50275 (572529), страница 2
Текст из файла (страница 2)
-
Скласти перемикальні схеми функцій
4. Реалізувати функції з завдання 3 з допомогою логічних елементів.
Лабораторна робота №2
Синтез схем
Теоретичні відомості
1. Основні етапи побудови схеми
Цифрові електронні схеми на логічних елементах застосовуються в якості схем керування для різних задач контролю і регулювання технологічних об’єктів. Під синтезом схеми розуміють її проектування (розробку).
Перед початком синтезу схеми має бути чітко і однозначно сформульована задача, яку буде розв’язувати схема. У першу чергу призначаються вхідні і вихідні змінні і визначається, за яких умов вони приймають значення 1 і 0. На основі цього будується таблиця істинності. Таблиця істинності однозначно визначає, як буде працювати схема. Після побудови таблиці істинності підбирають логічні елементи, на яких її можна реалізувати. Схема має бути якомога простішою.
2. Нормальні форми запису
Нормальна диз’юнктивна форма (нормальна форма АБО) - форма запису рівнянь алгебри логіки, в якій повні кон’юнкції пов’язані між собою логічним додаванням.
Повна кон’юнкція-операція логічного множення, в якій беруть участь всі наявні вхідні змінні або їх інвертовані значення. Наприклад, якщо є змінні А і В, то одержуються 4 повні кон’юнкції:
Кожному 1-стану вихідного стовпця відповідає повна кон’юнкція. Якщо в таблиці істинності змінна приймає значення 0, у відповідній повній кон’юнкції вона інвертується.
Нормальна кон’юнктивна форма (нормальна форма І) - форма запису рівнянь алгебри логіки, в якій повні диз’юнкції пов’язані між собою логічним множенням.
Повна диз’юнкція-операція логічного додавання, в якій беруть участь всі наявні вхідні змінні або їх інвертовані значення.
Приклад:
Перевести нормальну форму І в нормальну форму АБО
За нормальною формою АБО можна синтезувати задану таблицю істинності.
Приклад
Спростити нормальну форму АБО
Спочатку спрощують кон’юнкції 1 і 2
Аналогічно спрощують 3 і 4
Тоді
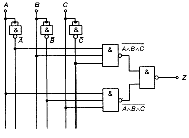
Нормальна форма може бути переведена на елементи І-НЕ або АБО-НЕ. Для переведення на І-НЕ здійснюють подвійне заперечення, а потім використовують формули де Моргана.
Схема, що реалізує рівняння, представлена на рисунку:
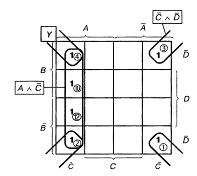
3. Метод карт Карно.
Карти Карно служать для наочного представлення і спрощення нормальної форми АБО. Карти Карно можуть бути представлені у вигляді таблиць істинності для повних кон’юнкцій. Карти Карно завжди мають кількість полів рівну кількості можливих повних кон’юнкцій.1 в полі карти Карно означає наявність повної кон’юнкції.
Приклад
Занести в карту Карно нормальну форму АБО
Представлена на карті Карно нормальна форма АБО може бути спрощена за певних умов.
„Сусідні” повні кон’юнкції можна об’єднувати в групи.
У одній групі можуть бути об’єднані 2 чи 4 повні кон’юнкції. Вміст групи характеризується її координатами. Змінні, координати яких присутні і прямій, і інверсній формах, виключаються. При наявності декількох груп спрощене рівняння є результатом логічного додавання значень окремих груп.
Приклад
Максимально спростити за допомогою карти Карно нормальну форму АБО
Спочатку повні кон’юнкції заносяться в карту
Утворюються 2 групи по 2 поля. Спрощений вираз виглядає
Карта Карно для трьох змінних має форму циліндра, тому клітинки в протилежних кінцях одного рядка є сусідніми. У вигляді циліндра карту Карно малювати незручно, і тому зазвичай її представляють в наступному вигляді
В одній групі можуть бути об’єднані 2, 4 чи 8 повних кон’юнкцій.
Приклад
Записати і максимально спростити нормальну форму АБО, задану в карті Карно
Можуть бути утворені 2 групи з 4 клітинок. Спрощене рівняння
Карта Карно для 4 змінних:
Варіанти мінімізації:
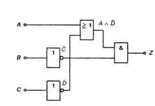
Приклад
Скласти схему, що задовольняє заданій таблиці істинності
Карта Карно
Схема
Завдання до лабораторної роботи
1. Побудувати схему перемикача "2 з 3" на елементах АБО-НЕ
Перемикач "2 з 3" - на виході 1, коли 2 з 3 входів встановлені в 1.
2. Побудувати схему контролю парності
Схема контролю парності - 1 на виході тоді, коли парне число входів дорівнює 1.
Лабораторна робота № 3
АЛГОРИТМИ ЛІНІЙНОЇ СТРУКТУРИ, РЕАЛІЗОВАНІ НА С++
Теоретична частина
У загальному мова програмування базується на двох основних поняттях - дані і алгоритми. Дані-це інформація, яку обробляє програма. Алгоритми - методи, які використовує програма. Мова С++ є процедурною, тобто основний акцент в ній робиться на алгоритмах. Це означає, що спочатку визначається послідовність дій, а потім ці дії реалізуються з допомогою мови програмування. Програма містить набір процедур, які комп’ютер повинен виконати для досягнення необхідного результату. Програмування на С++ є структурним. Програми проектуються за принципом "зверху вниз", ідея якого полягає у розбитті великої задачі на менші і такі, що легко розв’язуються.
Дані в С++ бувають прості і складені. Прості типи наведено в таблиці.
Типи даних:
| Тип | Розмір, байт | Діапазон | Опис |
| char signed char | 1 | Від - 128 до 127 | Символьний тип. Містить один символ або рядок символів. Кожен символ представляється одним байтом. Компілятор розрізняє як окремі наступні типи: char, signed char і unsigned char |
| unsigned char | 1 | Від до 255 | Символьний тип. Кожен символ представляється одним байтом (значення в діапазоні від 0 до 255) |
| short signed short | 2 | Від - 32768 до 32767 | Цілий тип. Скорочене позначення типу short int. Довжина цього типу поза залежністю від використовуваного компілятора завжди більше або дорівнювати довжині значення типу char і менше або дорівнює довжині значення типу int |
| Unsigned short | 2 | Від 0 до 65535 | Беззнаковий цілий тип |
| int signed int | 42 | Від - 2147483648 до 2147483647 | Цілий тип. Довжина цього типу поза залежністю від використовуваного компілятора завжди більше або дорівнює довжині значення типу short int |
| unsigned int | 4 | Від 0 до 4294967259 | Беззнаковий цілий тип |
| intn | n/8 | Цілий тип, розмір у бітах якого визначається значенням п, і може бути рівним 8, 16, 32 або 64 бітам | |
| long signed long | 4 | Від - 2147483648 до 2147483647 | Цілий тип. Скорочене позначення типу long int |
| unsigned long | 4 | Від до 4294967259 | Беззнаковий цілий тип |
| float | 4 | Від 3.4Е-38 до 3.4Е+38 | Тип даних із плаваючою крапкою |
До складених типів належать покажчики, масиви, перерахування, об’єднання, структури, класи. Більш детально вони будуть розглянуті в наступних лабораторних роботах.
Програмування включає в себе наступні етапи
-
Скориставшись текстовим редактором, написати текст програми і зберегти її в файлі. Цей файл буде вихідним кодом програми.
Допустимі розширення імен вихідного коду
-
Скомпілювати вихідний код. Це означає виконання програми, яка транслює вихідний файл у машинний код. Файл, що містить трансльований код, називається об’єктним кодом.
-
Зв’язати об’єктний код програми з об’єктними кодами функцій, використаних в програмі (додатковим кодом) і скомпонувати їх у єдину програму. Файл, який містить цю програму, називається виконуваним кодом.
Програми на С++ мають наступну структуру
-
Директиви препроцесора
#include
Змушує препроцесор включити у файл програми файли стандартних бібліотек або будь-який інший файл.
-
Блок опису вхідних змінних
-
Заголовок функції main () і її тіло у фігурних дужках{}. Тіло функції містить інструкції для комп’ютера. Кожна завершена функція називається оператором і завершується крапкою з комою. Слово, що стоїть перед назвою функції, називається типом функції (фактично, це тип результату, одержаного при виконанні функції). У круглих дужках після назви функціі мітиться список аргументів (параметрів) функції.
-
Оператор return, що завершує виконання функції main ()
Нижче наведено приклад програми, що здійснює перемноження двох чисел
#include // підключення стандартної бібліотеки вводу/виводу
#include // підключення стандартної бібліотеки математичних функцій
float x,y,z; // змінні типу „з плаваючою крапкою”
float main ()
{
printf ("Enter the number x: "); // вивід на екран тексту вимоги введення 1-го множника
scanf ("%f",&x); // зчитування введеного числа у форматі„з плаваючою крапкою”
printf ("Enter the number y: "); // вивід на екран тексту вимоги введення 2-го множника













