150041 (566345), страница 3
Текст из файла (страница 3)
Для данной подстанции с учетом длительности ступени перегрузки 4 часа
= 1,5, для вида охлаждения ONAF (Д - принудительная циркуляция воздуха и естественная циркуляция масла).
= 23 МВА
Выбираем два трансформатора ТРДН-25000/110.
5.3 Выбор трансформатора на понижающей подстанции ПС-3
Выбираем трансформатор на понижающей подстанции ПС-2 110/10 кВ с максимальной мощностью нагрузки на пятый год эксплуатации подстанции: Рmax = 14 МВт, Qmax = 8 МВАр.
Строим зимний график нагрузки (рис.4), так как трансформатор наиболее загружен в зимний период.
Рис.4. Зимний график нагрузки для подстанции ПС-3
Средняя нагрузка характерных зимних суток подстанции Sсред = 11,3 МВА. Выделим продолжительность ступени перегрузки К2 = 16,1 МВА, а К1 как среднеквадратичное значение оставшейся нагрузки. Оно равно К1 = 10,8 МВА.
Соотношение a + b = c + d: a + b = 3,2 МВА. ч; c + d = 3 МВА. ч.
Для данной подстанции с учетом длительности ступени перегрузки 4 часа
= 1,5, для вида охлаждения ONAF (Д - принудительная циркуляция воздуха и естественная циркуляция масла).
= 7,5 МВА
Выбираем два трансформатора ТДН-10000/110.
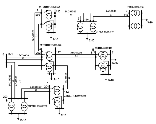
6. Принципиальная схема расчетного варианта развития энергосистемы
Рис.5. Принципиальная схема расчетного варианта развития энергосистемы















