курсовая работа (563249), страница 2
Текст из файла (страница 2)
Серия 588
Разрядность МП КР588ВС2 позволяет выполнить алгоритм на одной микросхеме, но система команд КР588ВС2 не включает операцию умножения. Оценим время выполнение операции умножения на КР588ВС2:
Программа содержит 8 сложений и 4 умножения, следовательно, время выполнения программы:
Время выполнение базовой операции выше требуемого по заданию (Тд = 15 мкс).
Вывод: для повышения производительности используем аппаратный умножитель КР588ВР2.
Время выполнения программы БО:
Время выполнения базовой операции снова не удовлетворяет заданию (Тд = 15 мкс).
Вывод: это превышение обусловлено производительностью процессора КР588ВС2. Значит, нам надо распараллелить операции сложений (вычитаний) и рассмотреть структуру из умножителя КР588ВР2 и двух процессоров КР588ВС2, каждый из которых реализует по 4 операции сложений (вычитаний). Тогда:
Время выполнения программы БО:
Такое время выполнения базовой операции удовлетворяет условию задания (Тд = 15 мкс).
Серия 1804
Для построения 14-ти разрядного процессора на базе процессорных секций КР1804ВС2 необходимо 4 микросхемы КР1804ВС2 и одна схема ускоренного переноса КР1804ВР1. Время выполнения операции сложения при этом будет равно:
Время выполнения умножения будет равно:
Время выполнения программы БО БПФ примерно составит:
Время выполнения базовой операции удовлетворяет заданию (ТД = 15 мкс).
| Вариант структуры | 1 | 2 | ||
| Тип используемых микросхем | КР588ВС2 | КР588ВР2 | КР1804ВС2 | КР1804ВР1 |
| Период вычисления БО, мкс | 8 | 8,51 | ||
| Число микросхем, шт | 1 | 1 | 4 | 1 |
| Число выводом микросхемы, шт | 42 | 24 | 42 | 16 |
| Корпус микросхемы | 4129.42 | 4118.24 | 4129.42 | 4106.16 |
| Размеры корпуса, мм | 27 х 13,5 | 15,75 х 12,2 | 27 х 13,5 | 10 х 6,5 |
| Площадь МП, мм2 | 556,65 | 1523 | ||
| Потребляемая мощность, Вт | 0,05 | 0,05 | 1,1 | 0,3 |
| Потребляемая мощность МП, Вт | 0,1 | 4,7 | ||
Из таблицы видно, что вариант построения МП БО на микросхемах 588 серии является более предпочтительным.
Вывод: для построения устройства обработки будут использоваться МС 588 серии.
Для выполнения условия быстродействия необходимо использовать структуру с двумя сумматорами КР588ВС2 и одним умножителем КР588ВР2.
5.2. Выбор элементной базы устройства управления
Рассмотрим вариант построения ПЗУ , поскольку по ТЗ емкость ПЗУ составляет 32Кбайта,а для ее реализации потребуется 1 микросхема К573РФ8А с организацией 32Кх8, временем доступа 350 нс, 28-ти выводные (4119.28 – 18,25х12,75 мм).
-
Определение количества обращений к ПЗУ.
Т.к. в ПЗУ хранятся команды и два поворачивающих вектора, количество обращений к ПЗУ равно:
-
Определение коэффициента распараллеливания.
-
Определение разрядности микрокоманды.
Разрядность микрокоманды КР588ВС2 равна 13 разрядам.
Разрядность микрокоманды КР588ВР2 равна 3 разрядам.
При параллельной работе сумматора и умножителя микрокоманда будет иметь разрядность:
-
Число микросхем для реализации ПЗУ.
Вывод: для реализации ПЗУ выбираем микросхемы К573РФ8А, корпус 4119.28 – 18,25х12,75 мм.
5.3. Выбор элементной базы ОЗУ
Рассмотрим 2 варианта построения ОЗУ:
1) На микросхемах КР565РУ9Д с организацией 1024Кх1 и временем доступа 180 нс, 16-ти выводные (4106.16 – 10x6,5 мм).
2) На микросхемах 62256 с организацией 128Кх8 и временем доступа 70 нс, 28-ми выводные (CDIP 28 – 35,73x13,8 мм).
-
Определение коэффициента распараллеливания ОЗУ, обеспечивающего временное согласование работы АЦП и ОЗУ, предназначенного для хранения входного массива.
-
Определение коэффициента распараллеливания ОЗУ, обеспечивающего считывание и запись информации в режиме реального времени.
-
Определение коэффициента распараллеливания.
-
Кр = max{1,1} = 1
-
Кр = max{1,1} = 1
-
Число микросхем для реализации ОЗУ.
-
Определение количества микросхем ОЗУ, которые можно расположить на одной ФЯ.
На одной ФЯ можно расположить 55 микросхем КР565РУ9Д (4119.28).
На одной ФЯ можно расположить 12 микросхем 62256 (holtek) (CDIP 28).
-
Определение удельной мощности рассеивания.
Это не удовлетворяет условию задания (
).
Следовательно, количество микросхем на ФЯ надо уменьшить. Возьмем количество микросхем на одной ФЯ равное 35 штук.
Это удовлетворяет условию задания (
).
Это удовлетворяет допустимой мощности рассеивания (
).
-
Определение числа ФЯ, необходимых для размещения МС ОЗУ.
Вывод: для реализации ОЗУ выбираем микросхемы КР565РУ9Д, корпус 4106.16 - 10х6,5мм. Для их размещения необходимы две ФЯ.
5.4. Выбор элементной базы АЦП
-
Определение разрядности АЦП.
-
Определение частоты дискретизации.
-
Определение потерь квантования.
Принимаем
,
/
=1, тогда из таблицы Пкв = 0,34 дБ
-
Определение энергетических потерь квантования.
Пθ = 1 – 0,34 = 0,66 дБ
-
Определение πfcθ.
Из таблицы для Пкв = 0,34 дБ, πfcθ = 0,65
-
Определение времени выборки АЦП.
Вывод: по полученным результатам выбираем АЦП К1108ПВ1.
Данная микросхема устанавливается на отдельную ФЯ как показано в ТЗК.
6. Разработка конструкции ФЯ и блока
6.1. Обоснование компоновочной схемы модулей и блока в целом
6.1.1. Обоснование компоновочной схемы модулей первого уровня
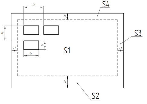
S1 – зона размещения ЭРЭ
S2 – зона размещения электрического соединителя
S3 – зона монтажа крепления ячейки в блоке
S4 – зона размещения элементов контроля и крепления
Примем расстояние между соседними микросхемами по горизонтали 5 мм:
Примем расстояние между соседними микросхемами по вертикали 5 мм:
Примем ширину зоны S3 равную 5 мм:
х1 = х2 = 5 мм
Примем размер зоны S4 равный 5 мм:
у1 = 5 мм
Примем размер зоны S2 равный 17,5 мм, т.к. это необходимо для установки на плату разъёма СНП34:
у2 = 17,5 мм
6.1.2. Обоснование компоновки модуля второго уровня
Рассмотрим следующую компоновку:
V1 – зона размещения функциональных ячеек
V2 – зона передней панели
V3 – объём межъячеечной коммутации
V4 – зона заднее панели
Данная компоновка модуля второго уровня имеет следующие достоинства:
– большая вместительность ФЯ
– хороший теплообмен
– хорошая трассировка
Вывод: выберем данную компоновку модуля второго уровня.
6.2. Выбор материала монтажных плат
СФ-2-35 - стеклотекстолит, облицованный с двух сторон медной электролитической гальваностойкой фольгой толщиной 35 мкм.
Плотность ρ = 1,85 г/см3
Модуль упругости Е = 30,2∙109 Н/м2
Коэффициент Пуассона ε = 0,22
СТФ-2-35 - стеклотекстолит теплостойкий, облицованный с двух сторон медной электролитической гальваностойкой фольгой толщиной 35 мкм.
Плотность ρ = 2,47 г/см3
Модуль упругости Е = 32∙109 Н/м2
Коэффициент Пуассона ε = 0,279
Увеличение приведённых параметров материала ПП ведёт к увеличению собственной частоты ФЯ, что в свою очередь ведёт к повышению вибропрочности.
Вывод: в качестве материала монтажных плат выберем стеклотекстолит СТФ-2-35.
6.3. Расчёт типоразмера модуля процессора
-
Определение числа эквивалентных выводов.
-
Выбор эквивалентного корпуса.
В соответствии с полученным результатом выбран корпус 4117.22-1 с размерами 14.8 х 12 мм.
-
Расчет площади.
Размеры краевых полей:
Микросхемы располагаются горизонтально.
Расстояние между соседними микросхемами – 5 мм.
















