Задания семинары (562265)
Текст из файла
Сигнализатор неисправности кулера
Стабилизатор питания
Характеристики :
пределы регулировки напряжения 1.5 - 4 Вольта ,
максимальный ток - 10 Ампер ,
нестабильность по напряжению на выходе 0.2 % ,
Транзисторы КТ815 , КТ819 с любым буквенным индексом ;
Переменный резистор R2 - типа СП5-1ВА , обеспечивает плавное изменение напряжения с точностью до 0.01В ;
Микросхема КР142ЕН1Б (КРЕН1Б) , не путать с К142ЕН1 !!! т.к у нее другая разводка ножек !
Остальные детали могут быть любых типов.
Неинвертирующий линейный усилитель
Неинвертирующий линейный усилитель получается при включении микросхемы, как показано на рис. 1 (в скобках указаны номера аналогичных по назначению выводов второго канала). Максимальное входное напряжение устройства составляет примерно 0,3 В. Коэффициент усиления постоянного тока K=1+R3/R1.
Инвертирующий линейный усилитель
Инвертирующий линейный усилитель (рис. 2) позволяет избежать ограничения входного сигнала и устойчив без дополнительной коррекции, если усиление по постоянному току равно или больше 10. Скорость нарастания выходного сигнала усилителя в таком включении составляет не менее 4В/мкс (при отсутствии внешнего коррек- тирующего конденсатора). Коэффициент усиления по постоянному току определяется отношением сопротивлений резисторов цепи ООС R3 и R2 (K=R3/R2), по переменному - резисторов R3 и RI (Ku=R3/R1).
Усилитель воспроизведения
имеет следущие технические характеристики:
Рабочий диапазон частот, Гц . . . . . . . . 40...18000
Номинальное напряжение, мВ,
на частоте 1 кГц;
входное . . . . . . . . . . . . . . . . . . 1
выходное . . . . . . . . . . . . . . . . 250
Коэффициент гирмоническнх искажений
на частоте 1 кГц, %, не более . . . . . 0,2
Относительный уровень шумов в
канале воспроизведения, дБ, не более . . . -53
Микрофонный усилитель
Номинальный диапазон частот, Гц,
при неравномерностн АЧХ не более 1 дБ. . . . . . 20...20000
Hoминальное напряжение, мВ:
входное . . . . . . . . . . . . . . . . . . . . . 1
выходное . . . . . . . . . . . . . . . . . . . .250
Максимальное входное напряжение, мВ . . . . . . . 30
Входное сопротивление, кОм . . . . . . . . . . . 4,7
Отношение сигнал/шум в номинальном
диапазоне частот, дБ, не менее. . . . . . . . . . 60
Коэффициент гармоник, %, при
выходном напряжении 5 В . . . . . . . . . . . . . .0.2
Темброблоки высококачественных стереофонических усилителей НЧ
Темброблоки высококачественных стереофонических усилителей НЧ можно выполнить но схемам, показанным на рис. 5 и 6. В первом из них (рис. 5) для изменения АЧХ применен пассивный мостовой регулятор. а микросхема служит для компенсации вносимых им потерь на средних частотах, во втором (рис. 6) мостовой регулятор включен в цепь ООС, охватывающей микросхему (активный регулятор).
Рис. 5
Темброблоки высококачественных стереофонических усилителей НЧ
Темброблоки высококачественных стереофонических усилителей НЧ можно выполнить но схемам, показанным на рис. 5 и 6. В первом из них (рис. 5) для изменения АЧХ применен пассивный мостовой регулятор. а микросхема служит для компенсации вносимых им потерь на средних частотах, во втором (рис. 6) мостовой регулятор включен в цепь ООС, охватывающей микросхему (активный регулятор).
Рис. 6
Имитатор звонка
| Индикатор уровня жидкости |
|
|
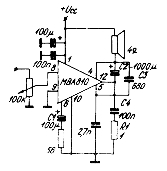
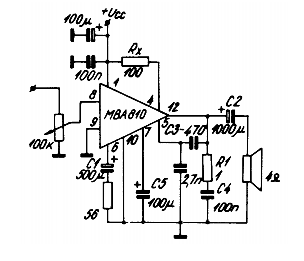
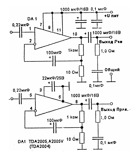
Усилитель низкой частоты
˚
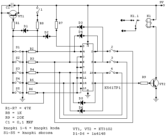
Кодовый замок
Характеристики
Тип файла документ
Документы такого типа открываются такими программами, как Microsoft Office Word на компьютерах Windows, Apple Pages на компьютерах Mac, Open Office - бесплатная альтернатива на различных платформах, в том числе Linux. Наиболее простым и современным решением будут Google документы, так как открываются онлайн без скачивания прямо в браузере на любой платформе. Существуют российские качественные аналоги, например от Яндекса.
Будьте внимательны на мобильных устройствах, так как там используются упрощённый функционал даже в официальном приложении от Microsoft, поэтому для просмотра скачивайте PDF-версию. А если нужно редактировать файл, то используйте оригинальный файл.
Файлы такого типа обычно разбиты на страницы, а текст может быть форматированным (жирный, курсив, выбор шрифта, таблицы и т.п.), а также в него можно добавлять изображения. Формат идеально подходит для рефератов, докладов и РПЗ курсовых проектов, которые необходимо распечатать. Кстати перед печатью также сохраняйте файл в PDF, так как принтер может начудить со шрифтами.















