РЭС курсач (560409)
Текст из файла
Московский Государственный Авиационный Институт
(Технический Университет)
Расчетно-пояснительная записка
к курсовой работе на тему:
Разработка конструкции и технологии изготовления
суммирующего усилителя.
Выполнил: Шикунова А.Ю.
Консультировал: Алексеев Г.В.
Кафедра 404.
Москва
2003 год
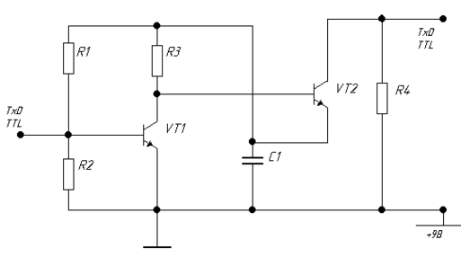
1. Задание.
Рис. 1.
Перечень элементов.
| Позиционное обозначение | Наименование | Кол-во | Примечание |
| R1, R2 | Резистор, 33 кОм10% | 2 | Напылять |
| R3 | Резистор, 5 кОм10% | 1 | Напылять |
| R4 | Резистор, 10 кОм10% | 1 | Напылять |
| C1 | Конденсатор, 50 пФ, 10% | 1 | Напылять |
| T1, T2 | Транзистор, n-p-n, КТ315, f=250 МГц, h12э=30, Pk max=150 МВт | 2 | Навесной |
Технические данные.
U+9В=+9B;
UTXD/TTL=090.5B;
Перегрузки одиночные до 15g, многократные до 150g, g=9,8
Рабочий диапазон температур: -4060С;
Минимальная наработка Т=5000ч.
Задание: Разработать топологию ТП МСБ.
2. Введение.
Цель курсового проекта (работы) - закрепить, систематизировать и расширить теоретические знания студентов, полученные после освоения курса "Конструирование и расчет микросхем".
Задачами проектирования являются:
1) овладение студентами навыками конструкторского проектирования наиболее распространенных изделий микроэлектронной техники: гибридных интегральных схем и микросборок, включая изучение технической литературы по проектированию (конструированию) микросхем, анализ принципиальной электрической схемы, заданного микроэлектронного изделия, которое должно быть реализовано в виде интегральной схемы; выбор материалов, выбор и обоснование элементной базы, проведение топологических расчетов, решение задач размещения элементов и трассировки соединений в ГИС (МСБ) и др.;
2) овладение практическими навыками в разработке рабочей конструкторской документации в соответствии с требованиями ЕСКД;
3) разработка проектной и рабочей конструкторской документации на конкретное изделие (микросхему). При выполнении данного курсового проекта необходимо:
- провести выбор элементной базы, анализ и конструкторско-технологическую отработку принципиальной электрической схемы;
- выбрать технологический метод изготовления БГИС (МСБ);
- разработать топологию конструируемого устройства, произведя предварительно рас-чет пассивных элементов;
- провести тепловой расчет и расчет паразитных связей, на основе которых скорректировать (при необходимости) топологический чертеж;
- разработать конструкторскую документацию, включающую графическую часть и пояснительную записку.
3. Описание принципа работы схемы.
Назначение: приемное усилительное устройство.
Конденсатор, включенный параллельно с источником напряжения, необходим для того, чтобы не пропускать переменную составляющую тока в цепь питания.
5. Проверочный расчет принципиальной электрической схемы.
Проводить не требуется, так как используется заданная элементная база. Следовательно, необходимо рассчитать только рассеиваемые мощности и напряжения на элементах.
При расчете по постоянному току из схемы исключаются транзисторы, так как в установившемся состоянии рассеиваемая ими мощность равна нулю.
При Uпит=0В мощности, рассеиваемые на резисторах, равны нулю. Напряжение на конденсаторе C1 также равно нулю.
При Uпит=+9В напряжение на конденсаторе C1 равно +9В. Мощности, рассеиваемые, на резисторах:
| Элемент | R1 | R2 | R3 | R4 |
| Р, мВт | 0,6468 | 0,6468 | 16,2 | 8,1 |
Упрощенная схема:
6. Выбор технологического метода изготовления.
Для изготовления МСБ используется фотолитография (термовакуумный метод).
Параметры метода:
- Минимальная ширина пленочного резистора 0,1мм;
- Минимальные зазоры между элементами 0,1мм.
- Диапазон номиналов резисторов 0,1100кОм;
- Диапазон номиналов конденсаторов 108000пФ;
7. Разработка топологии.
7.1. Выбор материала.
Используется материал РС-4400. Он имеет следующие параметры:
| Параметр | Обозначение | Значение |
| Удельное поверхностное сопротивление, Ом/ | | 10005000 |
| ТКС*104, 1/С, в интервале -60…+125С | ТКС | 3 |
| Допустимая мощность рассеяния, Вт/см2 | Р0 | 10 |
| Уход номинала сопротивления, % | dR | — |
7.2. Расчет геометрии пассивных элементов и конденсаторов.
Расчет резисторов.
Ф
орма резистивного элемента определяется значением коэффициента формы. Он определяется по формуле:
В данном случае: n1=n2=6,6; n3=1; n4=2. Следовательно, все резисторы имеют прямоугольную форму.
-
Расчет допустимой относительной погрешности коэффициента формы.
,
где R.доп=10%, Rл=3%, л=1%
n.доп=6,928%
| Элемент | R1 | R2 | R3 | R4 |
| bmin_R_точн | 0,166 | 0,166 | 0,289 | 0,217 |
-
Определение минимальной ширины резистора в зависимости от рассеиваемой мощности:
-
Определение расчетной ширины резистора:
Bрасчmax{bmin.техн, bmin.точн, bmin.P}
| Элемент | R1 | R2 | R3 | R4 |
| bmin.техн мм | 0.1 | 0.1 | 0.1 | 0.1 |
| bmin.точн мм | 0,166 | 0,166 | 0,289 | 0,217 |
| bmin.P мм | 0,031 | 0,031 | 0,402 | 0,201 |
| bрасч мм | 0,2 | 0,2 | 0,4 | 0,3 |
-
Определение длины резистора:
l=b*n
| Элемент | R1 | R2 | R3 | R4 |
| l мм | 1.32 | 1.32 | 0.4 | 0.6 |
-
Определение площади резистора:
S=l*b
| Элемент | R1 | R2 | R3 | R4 |
| S мм2 | 0.219 | 0.219 | 0.115 | 0.130 |
-
Расчет величины рассеиваемой удельной мощности P0` и ее сравнение с заданной P0.
P0`=P/S
| Элемент | R1 | R2 | R3 | R4 |
| P0` Вт/мм2 | 0,000295 | 0,000295 | 0,14 | 0,0623 |
| P0 Вт/мм2 | 0,1 | 0,1 | 0,1 | 0,1 |
Величины удельных мощностей, выделяемых на резисторах P0`, не превышают заданной P0.
Расчет тонкопленочного конденсатора.
с.доп=10%; с0=3%; Кз=3;l=b=0.001см; Епр=3*106 В.
-
Определение возможной толщины диэлектрического слоя.
-
Определение максимально допустимой относительной погрешности площади конденсатора.
-
Определение максимального значения удельной емкости Сопр.макс, исходя из электрической прочности диэлектрического слоя.
-
Определение максимального значения удельной емкости конденсатора, исходя из заданной точности.
С0min{C0 max.пр; C0 max.точн}=10,62*104пФ/см2
-
Определение толщины диэлектрика для выбранного С0.
d=0,0885*/C0=9*10-6
-
Определение рабочей площади пленочного конденсатора.
Sc=C/C0=9,4*10-3см2
-
Расчет площадей верхней и нижней обкладок конденсатора.
-
Определние размеров диэлектрического слоя конденсатора.
LD=L1+2*(L+ly)=0.101 см
BD=B1+2*(B+ly)=0.101 см
-
Определение действительной погрешности конденсатора.
s=L/L2+B /B2=0.021%
3<9,539
Условие выполняется.
| R1 | R2 | R3 | R4 | C1 | |
| b, мм | 0.2 | 0.2 | 0.4 | 0.3 | 0.101 |
| l, мм | 1.32 | 1.32 | 0.4 | 0.6 | 0.101 |
| S, мм2 | 0.219 | 0.219 | 0.115 | 0.130 | 1.0201 |
-
Выбор материала и типоразмера подложки.
Материал подложки.
Важнейшим компонентом плёночной микросхемы является изоляционная подложка, которая существенно влияет на параметры плёночных элементов и на надёжность микросхемы в целом. Кроме того, подложка должна иметь хорошую адгезию и поляризуемость поверхности, а так же малые неровности микрорельефа. Перечисленными качествами обладает Ситалл СТ-51. Приведём его параметры:
•ТКЛР=50*1071/°С.
•Теплопроводность (Вт/м град): 3
9>Характеристики
Тип файла документ
Документы такого типа открываются такими программами, как Microsoft Office Word на компьютерах Windows, Apple Pages на компьютерах Mac, Open Office - бесплатная альтернатива на различных платформах, в том числе Linux. Наиболее простым и современным решением будут Google документы, так как открываются онлайн без скачивания прямо в браузере на любой платформе. Существуют российские качественные аналоги, например от Яндекса.
Будьте внимательны на мобильных устройствах, так как там используются упрощённый функционал даже в официальном приложении от Microsoft, поэтому для просмотра скачивайте PDF-версию. А если нужно редактировать файл, то используйте оригинальный файл.
Файлы такого типа обычно разбиты на страницы, а текст может быть форматированным (жирный, курсив, выбор шрифта, таблицы и т.п.), а также в него можно добавлять изображения. Формат идеально подходит для рефератов, докладов и РПЗ курсовых проектов, которые необходимо распечатать. Кстати перед печатью также сохраняйте файл в PDF, так как принтер может начудить со шрифтами.















