Моя КР по РЭС (560407), страница 2
Текст из файла (страница 2)
2.4 Выбор конструктивно-технологического варианта изготовления МСБ
Тонкопленочные элементы МСБ выполняют на основе проводящих, полупроводниковых и диэлектрических пленок. Процесс нанесения тонкопленочного элемента должен удовлетворять следующим условиям:
- исходный материал должен наносится на подложку диспергированным до атомарного (молекулярного) состояния;
- содержание в рабочем пространстве посторонних веществ, способных реагировать с наносимым материалом, или абсорбироваться в нем, должно быть ничтожно малым;
Указанным требованиям практически в полной мере удовлетворяют два основных метода получения тонких пленок: термического испарения вещества в вакууме и ионное распыление вещества (мишени) в вакууме или в плазме. Процесс проводят в вакууме, так как в воздухе происходит окисление ионов. Кроме того вакуум обеспечивает лучшую адгезию и более низкую температуру кипения, а в воздухе после испарения ионы конденсируются в пар.
Для нанесения резистивных слоев обычно используют два этих метода, однако, учитывая 10% точность резистора и предполагаемый резистивный материал - кермет К50С будем использовать метод ионно-плазменного распыления мишени из кермета. К достоинствам этого метода можно отнести более равномерную структуры напыляемой пленки, сравнительно большую загрузку подложек в барабан установки. Метод термовакуумного испарения (с вибродозированием из бункера) в настоящее время мало распространен, а также требует предварительного прогрева камеры установки, откачивания до высокого вакуума для очистки камеры. В случаи метода ионно-плазменного распыления время ионной очистки значительно меньше. Использование метода ионного распыления позволяет варьировать скоростью испарения (для обеспечения требуемого ТКС и, следовательно, обеспечения управляемости процессов старения). Учитывая это, будем использовать для нанесения резистивного слоя метод ионно-плазменного распыления.
Для нанесения проводящих слоев будем использовать метод термо-вакуумного испарения из тиглей, т.к. в этом случае не требуется большая точность.
Существующие установки вакуумного напыления позволяют наносить резистивные и проводящие материалы как методом ионно-плазменного распыления, так и методов термовакуумного испарения. Т.е. фактически можно формировать резистивные и проводящие слои в одной установке. Для этих целей оптимально применять установку УВН-75П1.
Структура проводящих элементов выбирается с учетом метода контактирования компонентов, который зависит от их конструкции (материал и форма выводов, пайка или сварка), плотности коммуникационных проводников и ограничений по применению драгоценных металлов. В схеме контактирование компонентов осуществляется пайкой и сваркой. Можно использовать в качестве материала проводников и контактных площадок золото или медь. Поскольку медь окисляется, будем использовать золото. Для улучшения адгезии под тонкопленочные проводники и контактные площадки наносят подслой из хрома. Для технологической защиты нанесенных на подложку слоев можно использовать фоторезист негативный. В нашем случае, оптимально применять трехслойную проводящую структуру: хром, золото, фоторезист. Сведем данные по этим слоям в Таблицу 2.
Таблица 2 – Слои проводящей структуры
| Назначение слоя | Материал слоя, марка | ГОСТ, ТУ Материала слоя | Толщина, мкм | Метод нанесения |
| адгезионный слой | Хром ЭРХ | ЧМТУ 4-30-70 | 0,03 | Вакуумное напыление |
| слой проводников | Золото, Зл 999.9 | ГОСТ 6.835-72 | 0.05 | Вакуумное напыление |
| защитный слой | Фоторезист ФН-11 | ТУ 6-14-631-71 | 2 | Нанесение сухой пленки |
Основное внимание в данном подразделе следует уделить выбору метода получения конфигурации тонкопленочных элементов. Для формирования конфигурации элементов применяют свободные маски в сочетании с процессами фотолитографии (одинарная фотолитография) или процессы селективного травления по многослойным структурам (двойная и тройная фотолитография). Применение одинарной фотолитографии в нашем случае нежелательно. При использовании одинарной фотолитографии в технологический процесс необходимо вводить два цикла откачки атмосферы из установки УВН-75П1 (1-й цикл, чтобы сначала напылить резистивный слой, 2-й цикл, для того, чтобы напылить слой проводников), что значительно увеличивает трудоемкость процесса, а также загрязняет напыленные материалы. Применение метода двойной фотолитографии позволяет обойтись одним циклом откачки атмосферы из установки (так как при двойной фотолитографии последовательно напыляются резистивный слой и слой проводников), что позволяет существенно повысить чистоту напыленных пленок и уменьшить трудоемкость процесса напыления. Выбираем метод двойной фотолитографии.
Стоит отметить, что двойная фотолитография позволяет изготавливать контактные площадки под тонкопленочные резисторы без необходимого перекрытия (т.к. при двойной фотолитографии обеспечивается автоматическое совмещение резистивного и проводящего слоев).
2.5 Выбор элементной базы
При разработки конструкции МСБ предпочтительным решением является замена корпусной ИС ее бескорпусным аналогом.
Выберем исходя из необходимости обеспечения заданного температурного диапазона и наименьшего тока потребления микросхему Б521СА3-2.
Микросхема изготовлены по биполярной технологии и представляют собой прецизионный компаратор напряжения. Имеют малый входной ток и большой коэффициент усиления. Предусмотрена возможность совместной работы с ЭСЛ-, ТТЛ- и МОП- схемами, для чего напряжение питания на коллектор выходного транзистора подается от внешнего источника в зависимости от типа логики.
Основные электрические параметры МСМ приведены в Таблице 3 [Перельман Б. Л., Шевелев В. И. Отечественные микросхемы и зарубежные аналоги. Справочник, «НТЦ Микротех», 1998г, стр.185]. Массогабаритные характеристики представлены в Таблице 4.
Таблица 3 - Основные электрические параметры компаратора напряжения микросхемы Б521СА3-2
| Тип МСМ | нс | В | мА | мВ | мкА | В | В | Корпус | Т, °С | Изготови- тель |
| Б521СА3-2 | 300 | ±15 | 6,0 | 3,0 | 20 | 1,5 | 33* | - | -45…+85 | АО Альфа |
- временная характеристика включения,
- номинальное напряжение или диапазон напряжений питания,
- максимальный ток потребления,
- выходное напряжение низкого уровня,
* - выходное напряжение высокого уровня или максимальное, выходное напряжение (отмечено *).
Таблица 4 – Массогабаритные характеристики микросхемы Б521СА3-2
| Тип МСМ | Размеры, мм | Масса МСМ с рамкой, не более, г | ||
| L max | B max | H max | ||
| Б521СА3-2 | 5.2 | 2.225 | 0.6 | 0.06 |
Конструктивные параметры ИС принимаются типовыми, расположение выводов бескорпусной ИС соответствует корпусной.
Схема расположения и назначение выводов и условное обозначение компаратора напряжения Б521СА3-2 представлены в приложении А.
Зарубежным аналогом микросхемы является ИС LM311N.
Повышению технологичности МСБ способствует применение в конструкции навесных конденсаторов, вместо тонкопленочных. Кроме того, реализация емкости в виде тонкопленочного конденсатора неприемлема, из-за его больших габаритов. Учитывая условия эксплуатации (низкочастотные вибрации и линейные перегрузки) использование конденсаторов с гибкими выводами нецелесообразно. Для повышения надежности МСБ применим конденсаторы с лужеными выводами, которые позволяют осуществить присоединение непосредственно к контактным площадкам МСБ с помощью пайки. Конденсаторы С1 и С2 постоянной емкости выберем из группы керамических по номинальному значению 0.15 мкФ, напряжению, приложенному к обкладкам 4.947 В, диапазону рабочих температур. Выберем бескорпусной конденсатор К10-17-4 «в». Справочные данные по конденсатору приведены в Таблице 5.
Таблица 5 – Бескорпусной конденсатор К10-17-4 «в»
| Тип конденсатора | Классификация, назначение | Номинальная Ем кость, мкФ | Номинальное Напряжение, В | Допускаемые Отклонения емкости, % | Диапазон температур, °С | Габаритный чертеж | |
| К10-17-4 «в» | Керамические постоянной емкости. Предназначены для работы в цепях постоянного и переменного токов и в импульсных режимах | 0.15 | 40 | +80… -20 | -60…+85 | Н90 |
|
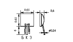
Вместо бескорпусного диода выберем бескорпусной маломощный низкочастотный транзистор КТ366А. Реализуем диод на его коллекторном переходе. Габаритный чертеж транзистора представлен на рисунке 3.















