Цепи 3 курс курсовая (557386)
Текст из файла
Московский Государственный Авиационный Институт
(ТУ)
Курсовая работа
по дисциплине:
«Радиотехнические цепи и сигналы»
Выполнила: Емельянова А.С.
Студент группы 04-313
Проверил: Латышев В.В.
Москва 2003
-
Рассчитать полосно-пропускающий эллиптический фильтр
Исходные данные:
1. Вычисления:
Вид АЧХ:
-
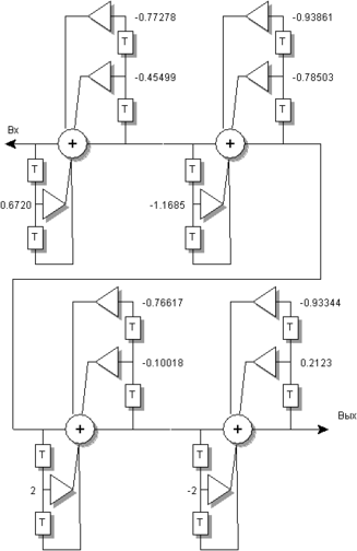
Дискретный и цифровой фильтры
По справочнику определяем
p2 = -0.479 – 0.367j
p3 = -0.129 + 0.981j
p4 = -0.129 – 0.981j
Билинейное преобразование
Пересчитываем полюса по формуле
Получаем полюса
Пересчитываем нули по формуле
С учетом появившихся нулей получаем:
Проверим затухания в полосе пропускания и в полосе задерживания
В заданные пределы укладываемся
Z-преобразование
Пересчитанные полюса и нули для аналогового фильтра:
Пересчитываем полюса и нули для дискретного фильтра
Полюса:
Нули:
Диаграмма полюсов-нулей:
Передаточная функция:
АЧХ:
Проверим затухания:
Вывод: при билинейном преобразовании затухания в полосе пропускания меньше.
14
Характеристики
Тип файла документ
Документы такого типа открываются такими программами, как Microsoft Office Word на компьютерах Windows, Apple Pages на компьютерах Mac, Open Office - бесплатная альтернатива на различных платформах, в том числе Linux. Наиболее простым и современным решением будут Google документы, так как открываются онлайн без скачивания прямо в браузере на любой платформе. Существуют российские качественные аналоги, например от Яндекса.
Будьте внимательны на мобильных устройствах, так как там используются упрощённый функционал даже в официальном приложении от Microsoft, поэтому для просмотра скачивайте PDF-версию. А если нужно редактировать файл, то используйте оригинальный файл.
Файлы такого типа обычно разбиты на страницы, а текст может быть форматированным (жирный, курсив, выбор шрифта, таблицы и т.п.), а также в него можно добавлять изображения. Формат идеально подходит для рефератов, докладов и РПЗ курсовых проектов, которые необходимо распечатать. Кстати перед печатью также сохраняйте файл в PDF, так как принтер может начудить со шрифтами.















