ФВЧ Чебышева (557385)
Текст из файла
-
Рассчитать высокочастотный фильтр Чебышева
fз = 10 кГц
fп = 25 кГц
ап = 1,25 дБ
аз > 40 дБ
По справочнику находим полюса
Пересчитываем полюса по формуле
Получаем полюса:
Проверим затухание
В заданные пределы укладываемся
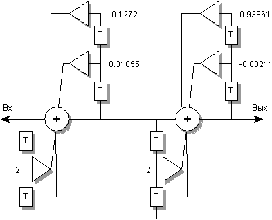
Z-преобразование
Перечситанные полюса:
Диаграмма особых точек:
Передаточная функция
АЧХ:
Затухание:
Характеристики
Тип файла документ
Документы такого типа открываются такими программами, как Microsoft Office Word на компьютерах Windows, Apple Pages на компьютерах Mac, Open Office - бесплатная альтернатива на различных платформах, в том числе Linux. Наиболее простым и современным решением будут Google документы, так как открываются онлайн без скачивания прямо в браузере на любой платформе. Существуют российские качественные аналоги, например от Яндекса.
Будьте внимательны на мобильных устройствах, так как там используются упрощённый функционал даже в официальном приложении от Microsoft, поэтому для просмотра скачивайте PDF-версию. А если нужно редактировать файл, то используйте оригинальный файл.
Файлы такого типа обычно разбиты на страницы, а текст может быть форматированным (жирный, курсив, выбор шрифта, таблицы и т.п.), а также в него можно добавлять изображения. Формат идеально подходит для рефератов, докладов и РПЗ курсовых проектов, которые необходимо распечатать. Кстати перед печатью также сохраняйте файл в PDF, так как принтер может начудить со шрифтами.















