лаба по тоэ3 (555344)
Текст из файла
Лабораторная работа №3
Исследование резонансного усилителя.
Работу выполнили студенты группы Рк-204: Тарасов Иван, Иванов Алексей, Миронов Сергей, Диаз Николай.
Цель работы: Ознакомление с особенностями схем резонансных усилителей и исследование основных характеристик избирательных усилителей с различными типами резонансной нагрузки.
Задание:
1) Снять и построить амплитудную характеристику исследуемого усилителя. Определить амплитуду входного сигнала для измерения Амплитудно-частотных характеристик.
2) Снять, сравнить и построить Амплитудно-частотную характеристику усилителя с одиночным контуром при различных значениях коэффициента трансформации.
3) Экспериментально исследовать влияние величины связи между контурами на форму АЧХ усилителя со связанными контурами.
4) Снять и построить АЧХ усилителя с ФСС на связанных LC контурах.
5) Определить избирательность исследованных усилителей и дать сравнительную оценку влияния типа резонансной системы на свойства усилителя.
6) Исследовать прохождение радиоимпульсного сигнала через усилитель с различными типами резонансной системы
Структурная схема экспериментальной установки.
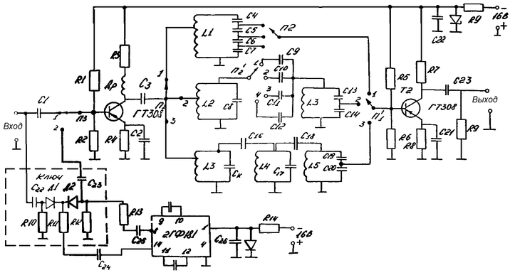
Принципиальная схема макета усилителя.
Характеристики
Тип файла документ
Документы такого типа открываются такими программами, как Microsoft Office Word на компьютерах Windows, Apple Pages на компьютерах Mac, Open Office - бесплатная альтернатива на различных платформах, в том числе Linux. Наиболее простым и современным решением будут Google документы, так как открываются онлайн без скачивания прямо в браузере на любой платформе. Существуют российские качественные аналоги, например от Яндекса.
Будьте внимательны на мобильных устройствах, так как там используются упрощённый функционал даже в официальном приложении от Microsoft, поэтому для просмотра скачивайте PDF-версию. А если нужно редактировать файл, то используйте оригинальный файл.
Файлы такого типа обычно разбиты на страницы, а текст может быть форматированным (жирный, курсив, выбор шрифта, таблицы и т.п.), а также в него можно добавлять изображения. Формат идеально подходит для рефератов, докладов и РПЗ курсовых проектов, которые необходимо распечатать. Кстати перед печатью также сохраняйте файл в PDF, так как принтер может начудить со шрифтами.















