РГР1 (553942)
Текст из файла
Московский Авиационный Институт (Технический Университет)
Расчетно-графическая работа по РТЦиС.
“Исследование прохождения импульсных и периодических сигналов через линейные цепи”.
Часть II.
Вариант №8.
Выполнила: ст. гр. 04-215
Малкова Екатерина
Принял: А.Б. Баев
Москва
-2009-
Задание.
Анализ импульсных сигналов.
-
С помощью свойств Фурье определить аналитическое выражение и построить спектр импульсного сигнала в следующих формах:
- действительная и мнимая части;
- модуль и аргумент спектра.
-
Определить аналитическое выражение и построить автокорреляционную функцию импульсного сигнала.
-
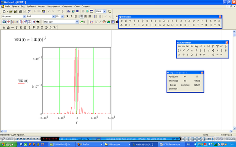
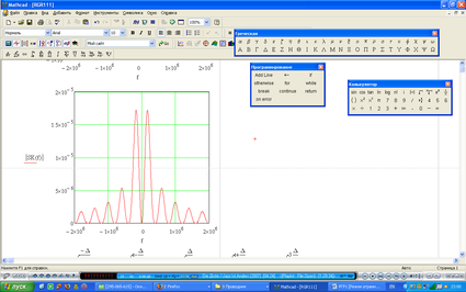
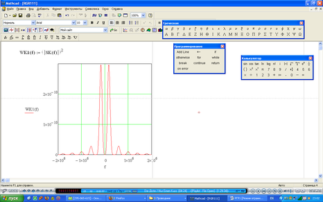
Определить аналитическое выражение и построить энергетический спектр импульсного сигнала.
-
Рассчитать энергию импульсного сигнала непосредственно по сигналу, по автокорреляционной функции и по энергетическому спектру.
-
Построить зависимость энергии сигнала, попадающей в полосу частот
, от ширины полосы
. По графику определить полосы частот, в которые попадает:
- 50% энергии спектра;
- 75% энергии спектра.
- 95% энергии спектра.
-
Восстановить импульсные сигналы из спектра в полосе частот, определенной в предыдущем пункте. Сопоставить эти сигналы между собой и с исходным импульсным сигналом.
-
Уменьшить длительности сигнала в 2-3 раза, построить графики спектра, АКФ и энергетического спектра.
-
Сделать выводы по анализу заданного импульсного сигнала, его характеристик и влияния длительности сигнала на его характеристики.
Вариант №8.
Дано:
-
С помощью свойств Фурье определить аналитическое выражение и построить спектр импульсного сигнала в следующих формах:
- действительная и мнимая части;
- модуль и аргумент спектра.
-
Определить аналитическое выражение и построить автокорреляционную функцию импульсного сигнала.
-
Определить аналитическое выражение и построить энергетический спектр импульсного сигнала.
-
Рассчитать энергию импульсного сигнала непосредственно по сигналу, по автокорреляционной функции и по энергетическому спектру.
-
Построить зависимость энергии сигнала, попадающей в полосу частот
, от ширины полосы
. По графику определить полосы частот, в которые попадает:
- 50% энергии спектра;
- 75% энергии спектра.
- 95% энергии спектра.
-
Восстановить импульсные сигналы из спектра в полосе частот, определенной в предыдущем пункте. Сопоставить эти сигналы между собой и с исходным импульсным сигналом.
-
Уменьшить длительности сигнала в 2-3 раза, построить графики спектра, АКФ и энергетического спектра.
Уменьшим длительность в 2 раза:
-
Сделать выводы по анализу заданного импульсного сигнала, его характеристик и влияния длительности сигнала на его характеристики.
При уменьшении длительности сигнала:
-спектр расширяется (становится более широкополосным), однако амплитуда его уменьшается;
- амплитуда автокорреляционной функции импульсного сигнала уменьшается;
-энергетический спектр расширяется, амплитуда уменьшается.
Характеристики
Тип файла документ
Документы такого типа открываются такими программами, как Microsoft Office Word на компьютерах Windows, Apple Pages на компьютерах Mac, Open Office - бесплатная альтернатива на различных платформах, в том числе Linux. Наиболее простым и современным решением будут Google документы, так как открываются онлайн без скачивания прямо в браузере на любой платформе. Существуют российские качественные аналоги, например от Яндекса.
Будьте внимательны на мобильных устройствах, так как там используются упрощённый функционал даже в официальном приложении от Microsoft, поэтому для просмотра скачивайте PDF-версию. А если нужно редактировать файл, то используйте оригинальный файл.
Файлы такого типа обычно разбиты на страницы, а текст может быть форматированным (жирный, курсив, выбор шрифта, таблицы и т.п.), а также в него можно добавлять изображения. Формат идеально подходит для рефератов, докладов и РПЗ курсовых проектов, которые необходимо распечатать. Кстати перед печатью также сохраняйте файл в PDF, так как принтер может начудить со шрифтами.















