ГОСТ 17608-91 (с изм. 1 1997) (523321), страница 3
Текст из файла (страница 3)
Примечания:
1. Размер
приведен для тротуара шириной 3 м. Для тротуара другой ширины размер
определяют расчетом. Максимальная величина
должна быть меньше 2
.
2. Допускается изготовлять плиты с рифленой лицевой поверхностью с размерами углублений до 3 мм.
3. Допускается изготовление плит с фаской шириной до 10 мм и углом наклона до 45° по периметру лицевой поверхности.
ПРИЛОЖЕНИЕ 2
Рекомендуемое
АРМИРОВАНИЕ ПЛИТ
1. Детали установки петель указаны на черт.1.
2. Расположение арматуры в плитах указано на черт. 2-7.
3. Арматурные изделия приведены на черт. 8-13.
4. Спецификация арматурных изделий на одну плиту и на одно арматурное изделие, выборка стали на одну плиту приведена в табл. 5-7.
Примечание. По согласованию с потребителем допускается изменение армирования плит (конструкции сеток, диаметра и класса арматуры, формы и привязки монтажных петель), связанной с установкой монтажных петель.
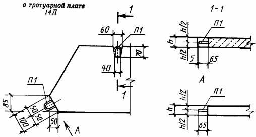
Детали установки петель П1
Примечание. Допускается установка петель на нижней поверхности или боковых гранях плит.
Черт. 1
Армирование тротуарных плит 7К, 8К
Черт. 2
Армирование тротуарных плит 4П, 5П, 6П
Черт. 3
Армирование тротуарной плиты 3Ш
Черт. 4
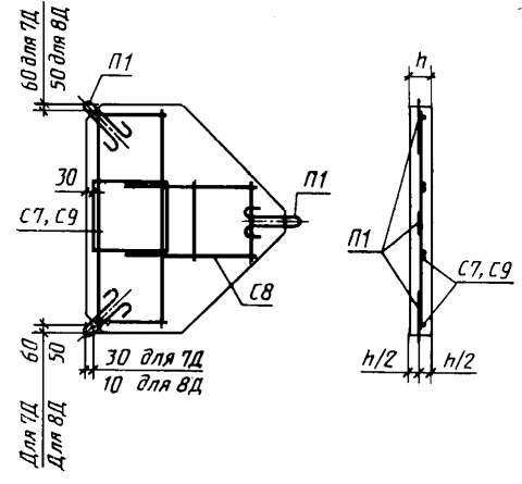
Армирование тротуарных плит 7Д, 8Д
Черт. 5
Армирование тротуарной плиты 11Д
Черт. 6
Армирование тротуарной плиты 14Д
Черт. 7
Арматурные сетки С1, С2
Черт. 8
Арматурные сетки С3, С4, С5
Черт. 9
Арматурная сетка С6
Черт. 10
Арматурные сетки С7, С8, С9
Черт. 11
Арматурная сетка С10
Черт. 12
Петля П1
Черт. 13
Таблица 5
Спецификация арматурных изделий на одну плиту
| Марка плиты | Сетка | Петля | ||
| Марка | Кол., шт. | Марка | Кол., шт. | |
| 7К | С1 | |||
| 8К | С2 | |||
| 4П | С3 | 4 | ||
| 5П | С4 | 1 | П1 | |
| 6П | С5 | |||
| 3Ш | С6 | |||
| 7Д | С7, С8 | |||
| 8Д | С8, С9 | 3 | ||
| 11Д | С10 | |||
| 14Д | ||||
Таблица 6
Спецификация и выборка стали на одно арматурное изделие
| Марка | Поз. | Диаметр, | Длина, | Кол., | Общая | Масса | Выборка стали | |
| изделия | мм | мм | шт. | длина, м | поз., кг | Диаметр, мм | Масса изделия кг | |
| С1 | 1 | 690 | 8 | 5,52 | 0,51 | 4Вр-I | 0,57 | |
| 2 | 170 | 4 | 0,68 | 0,06 | - | |||
| С2 | 3 | 940 | 8 | 7,52 | 0,69 | 4Вр-I | 0,75 | |
| 2 | 170 | 4 | 0,68 | 0,06 | - | |||
| С3 | 1 | 4Вр-I | 690 | 2 | 1,38 | 0,13 | 4Вр-I | 0,25 |
| 4 | 315 | 4 | 1,26 | 0,12 | - | |||
| С4 | 1 | 690 | 3 | 2,07 | 0,19 | 4Вр-I | 0,35 | |
| 5 | 440 | 4 | 1,76 | 0,16 | - | |||
| С5 | 3 | 940 | 3 | 2,82 | 0,26 | 4Вр-I | 0,46 | |
| 5 | 440 | 5 | 2,20 | 0,20 | - | |||
| C6 | 3 | 640 | 6 | 3,84 | 0,35 | 4Вр-I | 0,35 | |
| C7 | 3 | 940 | 2 | 1,88 | 0,35 | 4Вр-I | 0,72 | |
| 7 | 340 | 4 | 1,36 | 0,37 | - | |||
| С8 | 6 | 640 | 2 | 1,28 | 0,24 | 4Вр-I | 0,33 | |
| 7 | 340 | 3 | 1,02 | 0,09 | - | |||
| С9 | 8 | 1240 | 2 | 2,48 | 1,23 | 4Вр-I | 1,67 | |
| 9 | 190 | 5 | 0,95 | 0,44 | - | |||
| С10 | 6 | 640 | 2 | 1,28 | 0,24 | 4Вр-I | 0,33 | |
| 7 | 340 | 3 | 1,02 | 0,09 | - | |||
| П1 | 10 | 6A-I | 665 | 1 | 0,665 | 0,15 | 6A-I | 0,15 |
Таблица 7
Расход стали на одну плиту
| Типоразмер, марка плиты | Арматурная сталь по ГОСТ 5781 | Арматурная сталь по ГОСТ 6727 | Всего, кг | ||
| Класс A-I | Класс Вр-I | ||||
| Диаметр 6 мм | Итого, кг | Диаметр 6 мм | Итого, кг | ||
| 7К | 0,60 | 0,60 | 0,57 | 0,57 | 1,17 |
| 8К | 0,60 | 0,60 | 0,75 | 0,75 | 1,35 |
| 4П | 0,60 | 0,60 | 0,25 | 0,25 | 0,85 |
| 5П | 0,60 | 0,60 | 0,35 | 0,35 | 0,95 |
| 6П | 0,46 | 0,46 | 1,06 | ||
| 3Ш | 0,45 | 0,45 | 0,35 | 0,35 | 0,80 |
| 7Д | 0,45 | 0,45 | 1,05 | 1,05 | 1,50 |
| 8Д | 2,00 | 2,00 | 2,45 | ||
| 11Д | 0,45 | 0,45 | 0,33 | 0,33 | 0,78 |
| 14Д | 0,45 | 0,45 | 0,33 | 0,33 | 0,78 |
ПРИЛОЖЕНИЕ 3
Рекомендуемое
ПЕРЕЧЕНЬ
ПОВЕРХНОСТНО-АКТИВНЫХ ДОБАВОК, КОТОРЫЕ РЕКОМЕНДУЕТСЯ
ПРИМЕНЯТЬ ПРИ ПРИГОТОВЛЕНИИ БЕТОНА ДЛЯ ПРОИЗВОДСТВА ПЛИТ














