лабораторная работа 5.1 (Gorn) (1248151)
Текст из файла
МИНИСТЕРСТВО ОБРАЗОВАНИЯ И НАУКИ РОССИЙСКОЙ ФЕДЕРАЦИИ
НОВОСИБИРСКИЙ ГОСУДАРСТВЕННЫЙ УНИВЕРСИТЕТ
Физический факультет
Кафедра общей физики
Горн Александр Адреевич
ОТЧЕТ
о лабораторной работе
«Измерение скорости звука в воздухе методом бегущей волны»
Измерительный практикум,1 курс, группа 12351
Преподаватель лабораторного практикума
Брагин О. А.
« » 2012г.
Преподаватель компьютерного практикума
Задорожный А. М.
« » 2012г.
Новосибирск, 2012 г.
Аннотация. Объект исследования – звук и его скорость в воздухе. Определялся характер зависимости между амплитудой звуковых колебаний и расстоянием от источника до приёмника. Кроме того, методом бегущей волны было вычислено приблизительное значение скорости звука в воздухе при данной температуре, а также приблизительное значение скорости воздушного потока. При измерении обеих величин использовались фигуры Лиссажу. Был проведён статистический анализ результатов измерений: подсчитано среднеквадратичное отклонение и погрешности. Причины возможных ошибок подробно описаны в разделе “Оценка погрешностей”. С учётом этих погрешностей данные совпадают с табличными значениями.
Введение
Звуком называется продольное распространение упругих волн в среде (в данном случае – в воздухе). Цель работы – измерить скорость этого явления. Для этого применялись методы бегущей волны и фигур Лиссажу. Кроме того, в рамках работы была экспериментально подтверждена обратно пропорциональная зависимость между амплитудой волн и расстоянием от источника до приёмника, а также определена скорость воздушного потока.
-
Описание эксперимента
-
Методика измерений
-
В первой части работы к генератору и приёмнику звуковых сигналов был подключён осциллограф, и звуковые колебания (исходные и полученные от приёмника), трансформированные в электромагнитные, были представлены в виде двух синусоид. Изначально, когда расстояние между источником и приёмником близко к нулю, графики почти идентичны. По мере увеличения расстояния амплитуда второй синусоиды начинает изменяться. Отодвигая приёмник всё дальше и измеряя амплитуды курсорами через равные промежутки (на участке от 1 до 4 см – с шагом 0,5 мм, на участке от 4 до 30 см – с шагом 1 см), можно установить характер зависимости амплитуды от расстояния и экспериментально проверить теоретический вывод об обратно пропорциональной зависимости между ними (
, где A – текущая амплитуда,
– начальная). Во второй части работы осциллограф был переключён в режим фигур Лиссажу, и вместо двух синусоид на экране отобразился эллипс, характеризующий сдвиг фазы принимаемых звуковых колебаний относительно передаваемых. В точках, где разность фаз составляет 0+2πn или π+2πn (n – произвольное целое число), эллипс вырождается в прямую, имеющую соответственно положительный или отрицательный наклон. Поскольку длине одной волны соответствует сдвиг фазы на 2π (а половине длины - соответственно, на π), то расстояние от приёмника до любой такой точки равно целому числу полуволн, а расстояние между двумя ближайшими точками – половине длины волны. Поэтому, зафиксировав две рядом расположенные точки, можно вычислить длину волны, а зная частоту генератора, можно найти и скорость звука (из соотношения:
). Этот метод измерения и называется “методом бегущей волны”.
Рис. 1. Фигуры Лиссажу.
В третьей части работы, связанной с вычислением скорости воздушного потока, применяются данные, известные из предыдущей части. При включении вентилятора воздух, в котором распространяется звук, начинает перемещаться, и к скорости звука в среде добавляется скорость самой среды. Если изначально установить приёмник в точку, расстояние до которой равно целому числу длин волн (фигура Лиссажу представляет собой прямую, лежащую в первой и третьей четвертях), то после включения вентилятора фаза сместится, и прямая превратится в эллипс. Этот сдвиг фаз соответствует разнице между временем, за которое звук изначально проходит расстояние между источником и приёмником, и временем, которое требуется звуку с большей скоростью:
Вычислив
и зная расстояние, можно легко найти разницу между скоростями, как раз равную скорости ветра:
При нахождении скорости ветра нам понадобится находить разность фаз так же при помощи фигур Лиссажу. φ=arcsin(x0/xmax); φ=arcsin(y0/ymax)
Рис. 2. Эллипс.
-
Описание установки
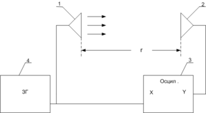
Экспериментальная установка состоит из источника звука (1), приёмника (2), осциллографа (3) и генератора звуковых колебаний (4). Электромагнитные сигналы генератора поступают на осциллограф (канал 1) и проходят через источник, где трансформируются в звук. Приёмник поглощает звук от источника, затем звук вновь трансформируется в электромагнитные колебания и также поступает на осциллограф (канал 2). Таким образом, мы можем сравнивать два сигнала: изначальный сигнал и сигнал от приёмника. Устройство перемещения позволяет изменять расстояние между источником и приёмником, тем самым влияя на характер сигналов на канале 2.
Рис.2. Экспериментальная установка.
Подробнее остановимся на конструкции источника и приёмника. Источник и приёмник звуковой волны одинаковы по конструкции и параметрам (см. рис. 2). Они представляют собой цилиндрические пластинки 1 из сегнетоэлектрического материала с укрепленным на излучающей (приемной) поверхности небольшим диффузором 2. На торцевые поверхности пластинок нанесены серебряные электроды 3. Если к электродам подведено переменное напряжение, то в сегнетоэлектрике 1 возникают упругие механические колебания с частотой подведенного напряжения и с амплитудой, пропорциональной амплитуде напряжения. Эти механические колебания передаются на диффузор и создают в окружающем пространстве звуковые волны. И наоборот, если подобная пластина испытывает механические воздействия (в частности, воздействие волны звукового давления), то на ее обкладках возникает электрическое напряжение той же частоты с амплитудой, пропорциональной амплитуде звукового давления. Сегнетоэлектрические излучатели (приемники) обладают высокой чувствительностью в рабочей полосе частот, расположенной вблизи частоты механического резонанса пластины. В нашем случае резонансная частота равна примерно 40 кГц.
Рис. 4. Конструкция источника и приемника.
-
Результаты измерений
Отодвигая приёмник дальше от источника и измеряя амплитуды курсорами через равные промежутки (на участке от 1 до 4 см – с шагом 0,5 мм, на участке от 4 до 30 см – с шагом 1 см), были получены данные, представленные в таблице 1.
Таблица.1. Зависимость амплитуды звуковых колебаний от расстояния между источником и приёмником
на участке от 1 до 4 см с шагом 0,5 мм и на участке от 4 до 30 см – с шагом 1 см.
А - амплитуда, r – расстояние от источника до приемника.
| r, мм | 2A, mV | r, мм | 2A, mV | r, мм | 2A, mV | r, мм | 2A, mV | r, мм | 2A, mV |
| 10,0 | 182 | 20,0 | 76 | 30,0 | 52 | 50 | 38 | 150 | 18 |
| 10,5 | 158 | 20,5 | 68 | 30,5 | 56 | 55 | 34 | 155 | 16 |
| 11,0 | 134 | 21,0 | 66 | 31,0 | 60 | 60 | 30 | 160 | 15 |
| 11,5 | 110 | 21,5 | 72 | 31,5 | 64 | 65 | 30 | 165 | 18 |
| 12,0 | 98 | 22,0 | 80 | 32,0 | 62 | 70 | 28 | 170 | 16 |
| 12,5 | 94 | 22,5 | 88 | 32,5 | 58 | 75 | 28 | 175 | 14 |
| 13,0 | 102 | 23,0 | 92 | 33,0 | 52 | 80 | 26 | 180 | 14 |
| 13,5 | 118 | 23,5 | 84 | 33,5 | 46 | 85 | 22 | 185 | 14 |
| 14,0 | 142 | 24,0 | 74 | 34,0 | 46 | 90 | 22 | 190 | 14 |
| 14,5 | 148 | 24,5 | 60 | 34,5 | 46 | 95 | 20 | 195 | 14 |
| 15,0 | 134 | 25,0 | 58 | 35,0 | 52 | 100 | 22 | 200 | 14 |
| 15,5 | 110 | 25,5 | 60 | 35,5 | 54 | 105 | 18 | 205 | 14 |
| 16,0 | 90 | 26,0 | 62 | 36,0 | 56 | 110 | 18 | 210 | 14 |
| 16,5 | 80 | 26,5 | 66 | 36,5 | 50 | 115 | 20 | 215 | 14 |
| 17,0 | 76 | 27,0 | 74 | 37,0 | 48 | 120 | 18 | 220 | 14 |
| 17,5 | 84 | 27,5 | 74 | 37,5 | 44 | 125 | 18 | 225 | 14 |
| 18,0 | 90 | 28,0 | 68 | 38,0 | 42 | 130 | 16 | 230 | 14 |
| 18,5 | 108 | 28,5 | 60 | 38,5 | 42 | 135 | 18 | 235 | 12 |
| 19,0 | 114 | 29,0 | 54 | 39,0 | 44 | 140 | 18 | 240 | 12 |
| 19,5 | 90 | 29,5 | 50 | 39,5 | 46 | 145 | 18 | 245 | 12 |
Значения расстояний от источника до приемника в точках, где эллипс вырождается в прямую и вычисленные из этого длины волн представлены в таблице 2.
Характеристики
Тип файла документ
Документы такого типа открываются такими программами, как Microsoft Office Word на компьютерах Windows, Apple Pages на компьютерах Mac, Open Office - бесплатная альтернатива на различных платформах, в том числе Linux. Наиболее простым и современным решением будут Google документы, так как открываются онлайн без скачивания прямо в браузере на любой платформе. Существуют российские качественные аналоги, например от Яндекса.
Будьте внимательны на мобильных устройствах, так как там используются упрощённый функционал даже в официальном приложении от Microsoft, поэтому для просмотра скачивайте PDF-версию. А если нужно редактировать файл, то используйте оригинальный файл.
Файлы такого типа обычно разбиты на страницы, а текст может быть форматированным (жирный, курсив, выбор шрифта, таблицы и т.п.), а также в него можно добавлять изображения. Формат идеально подходит для рефератов, докладов и РПЗ курсовых проектов, которые необходимо распечатать. Кстати перед печатью также сохраняйте файл в PDF, так как принтер может начудить со шрифтами.














