Пояснительная записка (1234679), страница 22
Текст из файла (страница 22)
Обоснование выбора элементов
Рисунок Г.1 Конструктивная система здания
ПРИЛОЖЕНИЕ Г
план разрез
N – расчетная точка
Рисунок Г.2 Эскиз помещения
N – расчетная точка; В – глубина помещения, мм;
l – расстояние от окна до расчетной точки N, мм;
ln – длина помещения , мм;
УУРП – уровень условной рабочей поверхности;
h – высота от УРП до верха окна, мм.
ПРИЛОЖЕНИЕ Д
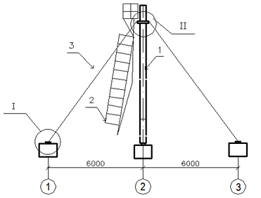
Рисунок Д.1 Схема расположения фундаментов
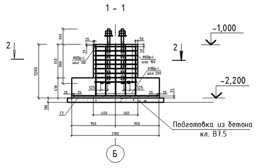
ПРИЛОЖЕНИЕ Д
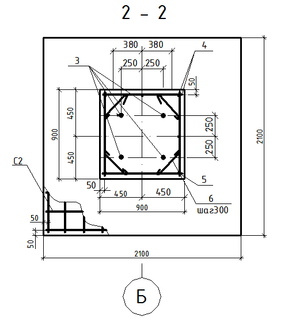
Рисунок Д.2 Схема коробчатого монолитного железобетонного фундамента
ПРИЛОЖЕНИЕ Д
Рисунок Д.3 Наружная железобетонная стена
ПРИЛОЖЕНИЕ Д
Рисунок Д.4 Горизонтальное сечение перегородок С111(а) и С112(б)
Рисунок Д.5 Стык перегородок. Горизонтальное сечение
ПРИЛОЖЕНИЕ Д
Рисунок Д.6 Вертикальное сечение перегородок
Рисунок Д.7 Примыкание к конструкции пола
ПРИЛОЖЕНИЕ Д
Рисунок Д.8 Конструкция оконного блока
ПРИЛОЖЕНИЕ Д
Рисунок Д.9 Детали и узлы крепления дверных коробок
ПРИЛОЖЕНИЕ Е
Расчет плиты перекрытия по профилированному листу
Рисунок Е.1 Схема каркаса
ПРИЛОЖЕНИЕ Е
Рисунок Е.2 Определение приведенной толщины бетона
Рисунок Е.3 Расчетная схема и усилия от монтажной нагрузки
ПРИЛОЖЕНИЕ Е
Рисунок Е.4 Конструкция фундамента
ПРИЛОЖЕНИЕ Ж
| Нагрузка | Нормативная нагрузка, кН/м2 | γf | Расчетная нагрузка, кН/м2 |
| Постоянная | |||
| Ребристая плита лестничной площадки | 1.5 | 1.1 | 1.65 |
| Временная (полная) | 3 | 1.2 | 3.6 |
| В том числе длительная (понижающая) | 1.05 | 1.2 | 1.26 |
| Кратковременная | 1.95 | 1.2 | 2.34 |
| Полная | 4.5 | 5.25 | |
| В том числе постоянная и длительная | 2.55 | ||
| Кратковременная | 1.95 |
ПРИЛОЖЕНИЕ Ж
Рисунок Ж.1 Основные размеры плиты
ПРИЛОЖЕНИЕ Ж
Рисунок Ж.2 Расчетная схема марша
Рисунок Ж.3 Расчетная схема лобового ребра
ПРИЛОЖЕНИЕ Ж
Рисунок Ж.4 Схема армирования панели
Рисунок Ж.5 Приведенное сечение плиты
ПРИЛОЖЕНИЕ З
Расчет сборной железобетонного марша
Рисунок З.1 Расчетная схема марша
Рисунок З.2 Основные размеры марша
ПРИЛОЖЕНИЕ И
Технологическая карта на устройство металлического каркаса
Таблица И.1 Выбор технологической оснастки
| Наименование конструктивного элемента или груза | Масса, т | Наименование технологической оснастки (тип, марка) | Хар-ка оснастки | Эскиз приспособлений | ||
| Грузоподъ- емность, т | Масса, кг | Расчетная высота, м | ||||
| Металлическая рама, балки, ригели. | 10 | строп 2-х ветвевой тип 2СК-0,4-12 | 12 | 400 | 4 |
|
| Металлическая полурама | 3,5 | Траверсы решетчатой конструкции с вершиной угла фермы, направленной вниз | 5 | 200 | 2 | |
ПРИЛОЖЕНИЕ К
Технологическая последовательность выполнения работ
Рисунок К.1 Стык колонн в укрупнительной сборки
Рисунок К.2 Рама в процессе подъема
1 Рама, 4 Опорное приспособление, 5 Направляющие
ПРИЛОЖЕНИЕ К
Рисунок К.3 Временное крепление колонн
1 Рама, 3 Расчалка. 2 Лестница
Рисунок К.4 Закрепление расчалки на фундамент
1 Фундамент, 3 Расчалка, 7 Талреп, 8 Анкерный болт, 9 Гайка, 10 Анкер
ПРИЛОЖЕНИЕ К
Рисунок К.5 Закрепление расчалки на хомуте
1 Колонна, 3 Расчалка, 6 Хомут.
ПРИЛОЖЕНИЕ Л
Калькуляция трудовых затрат
Таблица Л.1 Калькуляция затрат труда и машинного времени
| Обоснование норм | Наименование процесса | Ед. изм. | Объем работ | Норма времени | Затраты труда | Рекомендуемый состав звена по ЕНиР | |||||||||
| чел.ч. | маш-ч | чел.ч. | маш-ч | ||||||||||||
| §Е 5-1-3 т.2, п.1, 3к | Укрупнение конструктивных элементов каркаса в рамы и полурамы | 1 конс-й эл-т | 113 | 0,18 | 0,04 | 20 | 4,5 | Монт-ки: 6,5,3р-1; 4р-2 Маш-т: 6р-1 | |||||||
| п. 2,4к | То же, добавлять на 1т | т | 73,98 | 0,55 | 0,11 | 38 | 7,6 | ||||||||
| §Е 5-1-6 т.2, п.1,3и | Монтаж рам | 1 укр-й блок | 8 | 7,6 | 1,1 | 61 | 8,8 | Монт-ки: 6,3р-1; 5р-2; 4р-3 Маш-т: 6р-1 | |||||||
| п. 2, 4и | То же, добавлять на 1т | т | 42 | 0,87 | 0,12 | 37 | 5 | То же | |||||||
| §Е 5-1-6 т.2, п.1,3и | Монтаж полурам | 1 укр-й блок | 8 | 7,6 | 1,1 | 61 | 8,8 | Монт-ки: 6,3р-1; 5р-2; 4р-3 Маш-т: 6р-1 | |||||||
| п. 2, 4и | добавлять на 1т | 19 | 0,87 | 0,12 | 17 | 2,3 | То же | ||||||||
| §Е 5-1-9 п.1а,б | Монтаж колон | 1 конс-й эл-т | 27 | 3,5 | 0,7 | 10,5 | 2,1 | Монт-ки: 6,3р-1; 4р-2 Маш-т: 6р-1 | |||||||
| ПРИЛОЖЕНИЕ Л Окончание табл. Л.1 | |||||||||||||||
| Обоснование норм | Наименование процесса | Ед. изм. | Объем работ | Норма времени | Затраты труда | Рекомендуемый состав звена по ЕНиР | |||||||||
| чел.ч. | маш-ч | чел.ч. | маш-ч | ||||||||||||
| §Е 5-1-9 п.2а,б | То же, добавлять на 1т | т | 51,08 | 0,75 | 0,15 | 4,3 | 0,9 | То же | |||||||
| §Е 5-1-9 п.1в,г | Монтаж ригелей | 1 конс-й эл-т | 94 | 2,1 | 0,42 | 197 | 40 | Монт-ки: 6,3р-1; 4р-2 Маш-т: 6р-1 | |||||||
| п. 2в,г | То жедобавлять на 1т | т | 44 | 0,48 | 0,1 | 21 | 4,4 | ||||||||
| §Е 5-1-9 п.1д | Общая выверка балок | 1 конс-й эл-т | 94 | 1,7 | - | 160 | - | Монт-ки: 6,3р-1; 4р-2 | |||||||
| §Е 5-1-9 п.2д | То же, добавлять на 1т | т | 44 | 0,76 | - | 35 | - | ||||||||
| §Е 5-1-6 т.2, п.1в,3в | Монтаж вертикальных связей | 1 конс-й эл-т | 40 | 0,33 | 0,11 | 13,2 | 4,4 | Монт-ки: 5,4,3р-1; Маш-т:6р 1 | |||||||
| §Е 5-1-6 т.2, п.2в,4в | добавлять на 1т | 8,73 | 1,5 | 0,5 | 13 | 4,4 | |||||||||
| Итого: | 825 | 124 | |||||||||||||
ПРИЛОЖЕНИЕ Л
Таблица Л.2 Потребность в инструменте и инвентаре при устройстве металлического каркаса
| Наименование | Тип | Марка | Количество | Техническая характеристика |
| Монтажный кран | - | МКГ – 25 | 1 | Оборудован 22,5 м |
| Сварочный аппарат | ТД-500, мощность 32 кВт | 2 | ||
| Траверса с полуавтоматическими захватами | - | ПИ Промстальконструкции | 1 | Грузоподъемность 6 т., вес 93 кг. |
| Кондуктор для временного закрепления рам | - | ПК Проектстальконструкции | 30 | Вес 146 кг |
| Теодолит | - | - | 2 | - |
| Отвес | - | - | 1 | Весом 400 – 600 г. |
| Уровень | - | - | 2 | - |
| Метр стальной складной | - | - | 4 | - |
| Ключ сборный торцевой | - | Нормаль НР-56-57 | 5 | |
| Скребок для снятия заусенцев | - | Нормаль НР-34-55 | 5 | |
| Пояс монтажника | - | ГОСТ 5718-67 | 5 | |
| Каска защитная | ГОСТ 9819-61 | 5 | ||
| Щетка стальная | - | - | 2 | |
| Электроножницы | - | С-424 | 1 | |
| Ручные ножницы | ГОСТ 107-00.000 | 2 | ||
| Электропила ручная | - | - | 1 | |
| Аэрозольный баллончик с краской | - | - | 1 | |
| Электродрель с насадкой для винтов | - | - | 1 | |
| Молоток стальной | - | ГОСТ 11042-72 | 1 | |
| Щетка волосяная | - | - | 2 |
ПРИЛОЖЕНИЕ М














