ПЗ Теслин С.О. (1233407), страница 4
Текст из файла (страница 4)
Начало погрузки опасных грузов в порожние вагоны-цистерны разрешается производить не позднее 24 часов с момента окончания технического обслуживания.
После проверки герметичности котла цистерны, технической исправности арматуры и универсальных сливных приборов, грузоотправитель обязан предоставить старшему освобожденному осмотрщику-ремонтнику вагонов «Свидетельства о техническом состоянии вагона», гарантирующее безопасность перевозки этого груза, с подписью представителя грузоотправителя.
При техническом осмотре цистерн также проверяется правильность окраски котла и нанесения на нее владельцем (арендатором) специальных надписей и трафаретов.
Категорически запрещается подавать вагоны под погрузку без документов, подтверждающих техническую пригодность вагонов и принадлежность вагона государству-собственнику.
2.3 Операции с поездами, поступающими в расформирование
Получив сообщение со станции Комсомольск-на-Амуре об отправлении поезда, дежурный по станции Дземги извещает оператора СТЦ, приемосдатчика станции, работников пункта технического обслуживания вагонов, ведомственной охраны о номере поезда, пути приема поезда.
Обработка состава по прибытии включает: техническое обслуживание вагонов; коммерческий осмотр вагонов; прием документов у машиниста поездного локомотива и сверку их с натурным листом.
Технический и коммерческий осмотр состава производится после остановки поезда, закрепления состава, отцепки поездного локомотива, ограждения состава. Дежурный по станции извещает осмотрщиков-ремонтников вагонов парка Дземги с указанием пути, количестве вагонов с последующим оформлением записи в книге формы ВУ-14 (предъявления грузовых вагонов к техническому обслуживанию) находящейся на рабочем месте дежурного по станции.
Вагоны, прибывшие на станцию Дзёмги, осмотрщики-ремонтники вагонов осматривают с пролазкой, тщательно проверяют техническое состояние ходовых частей, рам, ударно-тяговых приборов, крепление котлов к рамам, нижних частей и заглушек сливных приборов с целью выявления всех неисправностей, требующих отцепочного и безотцепочного ремонта, в том числе цистерн.
Параллельно с техническим обслуживанием производится коммерческий осмотр состава в целом с целью выявления вагонов с неисправностями, угрожающими сохранности груза и безопасности движения.
Порожние цистерны, подаваемые под погрузку опасных грузов, предъявляются повторно к техническому обслуживанию не позднее 24 часов с момента окончания технического обслуживания с записью в книге формы ВУ-14.
Подготовленные под налив на путях необщего пользования ООО «ППК Дзёмги» цистерны, подлежащие подаче на железнодорожный путь необщего пользования АО «РН-Транс», осматриваются приёмосдатчиками груза и багажа в коммерческом отношении совместно с представителями ООО «ППК Дзёмги» и АО «РН-Транс» на эстакадах ООО «ППК Дзёмги».
На подготовленную группу цистерн на АРМ ПС приёмосдатчиком повторно оформляется книга формы ВУ-14 с указанием наименования груза, под перевозку которого эти цистерны предназначены с росписью за коммерческий осмотр.
При коммерческом осмотре обращается внимание на наличие и состояние пломб, дверных штырей и накладок, закруток, состояние нижних сливных приборов, люков, правильность размещения и крепления груза на открытом подвижном составе. Вагоны перед подачей под погрузку для осмотра в техническом и коммерческом отношении предъявляются дежурным по станции работникам вагонного хозяйства и приемосдатчикам.
Книга формы ВУ-14МВЦ формируется и находится на рабочем месте приемосдатчика в которой напротив каждого номера вагона ставят свои росписи старший осмотрщик-ремонтник вагонов и приемосдатчик, с указанием годности или негодности вагона под сдвоенные операции, а также проставлением старшим осмотрщиком-ремонтником вагонов номера свидетельства о техническом состоянии цистерны под погрузку опасного груза. В случае обнаружения вагонов с коммерческими неисправностями, не обеспечивающими безопасность движения и сохранность перевозимых грузов, приемосдатчик станции оформляет акт формы ГУ-23ВЦ о характере неисправности сообщается дежурному по станции, осмотрщику-ремонтнику вагонов (в случае если имеется подозрение на порчу или утрату груза вследствие технической неисправности). При обнаружении следов хищения, кроме того, информировать начальника станции или его заместителя и органы Внутренних дел на транспорте.
Вагоны, требующие отцепочного ремонта, подаются в ремонт после выгрузки, если передвижение их по станционным путям не угрожает безопасности движения. После окончания технического обслуживания и снятия ограждения осмотрщик-ремонтник сообщает дежурному по станции о готовности состава к расформированию и наличии вагонов, требующих отцепочного ремонта, с последующей передачей информации о направлении вагона в ремонт оператору ПТО станции Комсомольск. Оператор ПТО на «АРМ ТОВ» вводит в автоматизированную систему уведомление формы ВУ-23, на основании которого оператор СТЦ делает корректировку натурного листа.
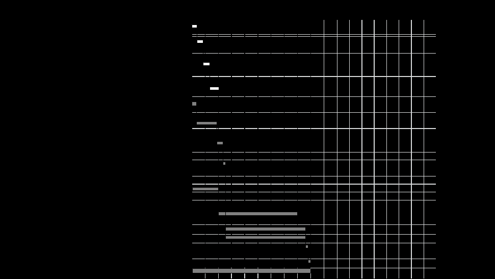
На рис. 2.1 показан порядок обработки поезда, поступившего на станцию Дземги в расформирование длинной 57 условных вагонов.
Р
ис. 2.1. Порядок обработки поезда, поступившего в расформирование (57 условных вагонов)
2.4 Операции с поездами своего формирования
По окончанию формирования состава дежурный по станции извещает осмотрщиков-ремонтников вагонов парка Дземги, оператора СТЦ, приемосдатчика станции о сформированном поезде, с указанием пути, количестве вагонов с последующим оформлением записи в книге формы ВУ-14 предъявления грузовых вагонов к техническому обслуживанию.
Перед отправлением поезда своего формирования выполняются следующие операции: контрольная проверка состава с натуры, техническое обслуживание и текущий безотцепочный ремонт вагонов, коммерческий осмотр, устранение коммерческих неисправностей, прицепка поездного локомотива и опробование автотормозов, сдача документов локомотивной бригаде.
Отправляемый со станции поезд должен быть сформирован в соответствии с планом формирования, ПТЭ, ИДП и иметь установленные сигналы.
Формирование грузовых поездов, длина которых не превышает унифицированную норму, установленную графиком движения поездов, производится согласно требованиям пункта 43 ПТЭ, без подборки вагонов по количеству осей и массе.
При формировании тяжеловесных грузовых поездов массой свыше 5000 тонн и длинносоставных длинна, которых превышает 71 условный вагон, постановка груженых вагонов с массой груза (нетто) менее 40 тонн производится в последнюю треть поезда.
Согласно пункту 8 Приложения №15 ИДП вагоны, загруженные ВМ, запрещается ставить в поезда, превышающие длину, установленную графиком движения поездов. В остальных случаях вагоны с ВМ ставить в грузовые поезда, в соответствии с условиями перевозок, установленными «Правилами перевозок опасных грузов по железной дороге».
Запрещается отправлять поезда, длина которых превышает максимальную длину длинносоставного поезда, установленную графиком движения поездов для данного участка.
По окончании технического обслуживания осмотрщик-ремонтник вагонов уведомляет ДСП о технической готовности состава. ДСП снимает ограждение.
После прицепки поездного локомотива осмотрщики-ремонтники производят полное опробование автотормозов.
По указанию дежурного по станции сигналист станции снимает закрепление с докладом дежурному по станции.
Одновременно с техническим осмотром и ремонтом вагонов выполняется коммерческий осмотр состава, и устраняются обнаруженные неисправности, угрожающие сохранности груза и безопасности движения.
Коммерческий осмотр производится согласно Правил коммерческого осмотра вагонов с двух сторон.
После окончания технического и коммерческого осмотра дежурный по станции заносит все номера вагонов в книгу формы ВУ-14, в которой напротив каждого номера вагона ставят свои росписи старший осмотрщик-ремонтник вагонов и приемосдатчик, с указанием годности или негодности вагона в техническом и коммерческом отношении.
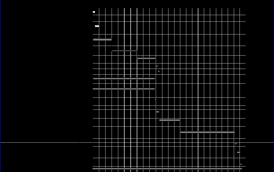
На рис. 2.2 показан порядок обработки поезда своего формирования, следующего до станции Комсомольск-сортировочный длинной 57 условных вагонов.
В разделе описана существующая технология местной работы станции, приведены графики обработки поездов поступающих в расформирование и порядок обработки поездов своего формирования, следующих до станции Комсомольск - Сортировочный .
Р
ис. 2.2. Порядок обработки поезда своего формирования, следующего до станции Комсомольск – Сортировочный (57 условных вагонов)
3 Организация грузовой и коммерческой работы станции
3.1 Основные положения грузовой работы
Грузовая работа станции включает: прием груза к перевозке; грузовые и коммерческие операции на путях необщего пользования; осмотр грузовых поездов и вагонов под погрузку в коммерческом отношении; погрузка, выгрузка на путях необщего пользования, прием вагонов после погрузки-выгрузки на путях необщего пользования; оформление перевозочных документов по погрузке и выгрузке, взимание провозных платежей и сборов в системе ЭТРАН; пломбирование вагонов, информирование грузополучателей и грузоотправителей о подходе местного груза и порожних вагонов; учет и передача сведений о грузовой работе; при необходимости исправление коммерческих неисправностей.
Грузовой и коммерческой работой станции руководит заместитель начальника по грузовой и коммерческой работе который несет ответственность за:
1) Выполнение плана погрузки по роду груза, назначением, по каждому грузоотправителю;
2) Выгрузку вагонов, выполнение нормы простоя под грузовыми операциями и статической нагрузки вагонов;
3) Соблюдение грузоотправителями габарита погрузки;
4) Правильность погрузки и крепления груза на открытом подвижном составе;
5) Правильное оформление приемосдатчиками памяток приемосдатчика, актов общей формы, коммерческих актов, вагонных листов, операционных книг и другой документации;
6) Работой на объектах, путях необщего пользования в части соблюдения технических норм загрузки;
7) Разработку мероприятий по обеспечению безопасности при перевозке опасных грузов.
Оформление перевозочных документов на погруженные и прибывшие под выгрузку вагоны и контейнеры осуществляют агенты СФТО Линейного Агенства Фирменного Транспортного Обслуживания (ЛАФТО) станции Дземги.
3.2 Организация взаимодействия работников станции с Линейным
агентством фирменного транспортного обслуживания
Основной задачей линейного агентства фирменного транспортного обслуживания является обслуживание пользователей услуг ОАО «РЖД» в части оказания услуг по перевозкам грузов и использованием инфраструктуры железнодорожного транспорта общего пользования, принадлежащей ОАО «РЖД», информационным и иным дополнительным услугам.
Линейное агентство фирменного транспортного обслуживания осуществляет следующие функции: контроль за выполнением плана погрузки грузов по станции и по каждому грузоотправителю в отдельности; оформление железнодорожных перевозочных документов; информирование грузополучателей о прибытии груза и предстоящей подаче; ведение установленных форм учета и отчетности; выполнение расчетов по перевозкам; оформление несохранных перевозок.
ЛАФТО осуществляет телеграфную связь через ШЧ-9, оборудована телефонной связью, системой ЭТРАН, шкафами для хранения грузовых документов и нормативной литературы, сейфом, мебелью и другим конторским оборудованием [19,25].
3.3 Операции по прибытию грузов
Перевозочные документы по прибытии грузов на станцию поступают оператору СТЦ, который на каждом документе проставляет два календарных штемпеля с датой фактического прибытия груза (с московским и местным временем), после этого накладные, дорожные ведомости передаются в ЛАФТО станции Дземги с отметкой в книге формы ГУ-48 ВЦ «Книга сдачи грузовых документов» с росписью оператора СТЦ и работника ЛАФТО. В соответствии со ст. 34 Устава железнодорожного транспорта агент СФТО производит уведомление грузополучателя о прибывших в его адрес вагонах с оформлением книги ГУ-6 ВЦ. После раскредитования перевозочных документов представителем грузополучателя, маневровый диспетчер станции Дземги не менее чем за 2 часа до предстоящей подачи уведомляют ответственного работника АО «РН-Транс» о количестве подаваемых вагонов.
Уведомление грузополучателя о прибытии в его адрес груза производится не позднее 12 часов дня, следующего за днем прибытия.
В случае прибытия груза, следующего в режиме внутреннего таможенного транзита с таможенным оформлением на станции назначения, агент СФТО также уведомляет по телефону работников таможенного поста города Комсомольск-на-Амуре.
Книга прибытия грузов формы ГУ-42/Э ВЦ в системе «ЭТРАН» формируется автоматически, агент СФТО регистрирует перевозочные документы указывая порядковый номер записи в дорожной ведомости, проверяет полное наличие перевозочных документов, накладывает календарный штемпель об уведомлении и выдаче груза.















