Ар-ра на печать (1233263), страница 2
Текст из файла (страница 2)
Рис 1.4 Свайный фундамент с ж/б ростверком
1.2.1.2 Колонны
Колонны 300х300мм с отметки подвала и выше . колонны из бетона класса В25 F50, армируемые вертикальной арматурой диаметр 16АIII, диаметр 20АIII, диаметр 25АIII .
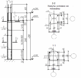
Конструкция колонны КМ12 представлена на рис.1.5
Рис. 1.5 Колонна монолитная КМ12
1.2.1.3 Перекрытия
Безбалочные перекрытия толщиной 200 мм . По наружному контуру безригельные перекрытия завершаются монолитной обвязочной балкой сечением 300х700 (h) мм, проходящей через крайние колонны каркаса.
Перекрытие из бетона класса В25, F50.
Плита перекрытия армируется 2-мя сетками: внизу диаметр 12АIII с шагом 200х200мм, в верху диаметр 12АIII с 200х200мм.
Часть разреза перекрытия показана на рис.1.6
Рис. 1.6 Разрез перекрытия по оси 4
1.2.1.4 Лестницы
Лестницы в здании из индивидуальных железобетонных ступеней по металлическим косоурам . Все металлические косоуры защищаются армированной штукатуркой цементно-песчаным раствором толщиной 30мм для обеспечения предела огнестойкости R 60. Ниже представлена Схема расположения лестницы на отм. -3600 Рис 1.7; 1.8
Рис.1.7 Схема расположения лестницы на отм. -3600
Рисунок 1.8 Разрез 1-1
1.2.2 Ограждающие конструкции
1.2.2.1 Наружные стены.
Устанавливаются в виде заполнения в пределах 1 этажа с опиранием на конструкции перекрытия. Наружные стены выполнены из Бетонных блоков на растворе М100 толщиной 200 мм с утеплением (плиты ROCKWOOL Венти Баттс, толщиной 200 мм) с влаговетрозащитной пленкой ЮТАФОЛ Д, в составе навесного вентилируемой системы КРАСПАН Керплит-А по металлическому каркасу. Ограждения с указанием слоев указаны на рисунке 1.9
Рис.1.9 Устройство ограждения стены
1.2.2.1.1Теплотехнический расчёт наружных стен.
Ограждающие конструкции зданий по своим теплотехническим качествам должны обеспечивать в помещениях необходимый температурно-влажностный режим и ограничивать теплопотери зданий в отопительный период года .
Ограждающая конструкция должна иметь сопротивление теплопередаче не менее требуемого. Неравенсво определяется по формуле (1).
. (1.1)
Нормируемое (требуемое) сопротивление теплопередаче наружных ограждений выбирается по условиям необходимости энергосбережения за отопительный период и определяется по формуле (2)
. (1.2)
где
- базовое значение требуемого сопротивления теплопередаче ограждающей конструкции, м2·oС/Вт, принимается по [22]
mр – коэффициент, учитывающий особенности региона строительства, в расчете принимается равным 1.
Градусо-сутки отопительного периода рассчитываются по формуле (3)
(1.3)
где tв - расчетная температура внутреннего воздуха для основных помещений здания, оС [ табл. 1.1], tо.п, zо.п – средняя температура, оС, и продолжительность, сут, отопительного периода в районе строительства [5, табл. 3.1].
ГСОП = (21-(-9,3))· 211 = 9882°С·сут.
- условное сопротивление теплопередаче однородной части фрагмента теплозащитной оболочки здания i-го вида, м2 оС/Вт, которое определяется по формуле (4)
. (1.4)
где в – коэффициент теплоотдачи внутренней поверхности ограждающей конструкции, Вт/(м2·°С), принимается по [22, табл. 4];
н – коэффициент теплоотдачи наружной поверхности ограждающей конструкции, Вт/(м2·°С), принимается по [22, табл. 4]; Rs – термическое сопротивление слоя однородной части фрагмента, (м2С)/Вт; принимается по формуле (6), для невентилируемых воздушных прослоек по [22, прил. Е, табл. Е.1]
. (1.5)
δs - толщина слоя, м; λs - теплопроводность материала слоя, Вт/(м оС), принимаемая [2, прил. Т, табл. Т.1];
Сведения о конструкции, её составе, толщине слоев, теплотехнических характеристиках материалов слоев ограждения сводятся в таблице 1.5
Таблица 1.5-Характеристика элементов
| Материал | Плотность ρ, кг/м3 | Теплопроводность λ, Вт/м0С | Толщина δ, м |
| утеплитель ROCKWOOL (ВЕНТИ БАТТС) | 175 | 0.042 | 0.200 |
| Бетонный блок ГОСТ 530-2012 | 1800 | 0.700 | 0.200 |
| Улучшенная штукатурка из ц/п раствора | 1800 | 0.93 | 0.015 |
Найдем толщину утеплителя, выразив её из формулы 4:
Принимаем плиты утеплителя толщиной 200(мм) и определяем фактическое сопротивление теплопередаче ограждающей конструкции:
Вывод: принимаем утеплитель ВЕНТИ БАТТС.
γ=175 кг/м3; λ=0.042 Вт/м0С; δ=200мм
1.2.2.2 Перегородки
Внутренние перегородки выполнены из ГВЛ гипсо-волокнистого листа [23];
по системе "КНАУФ". В качестве теплозвукоизоляционного слоя в системах перегородок "КНАУФ" следует применять минераловатные плиты на основе стекловолокна ISOVER Звукозащита Требуемая плотность и толщина материала, общая толщина перегородки определяется исходя из расчета звукоизолирующей способности перегородки, требований к пределу огнестойкости и предельно допустимых показателей по геометрическим характеристикам перегородки. Конструкция перегородки показана на рис.1.19
Рис.1.10 Конструкция перегородки
1.2.2.3 Окна
Оконные блоки - из ПВХ профилей по [24];
Спецификация оконных проемов приведена в прил. Д
1.2.2.4 Двери
Наружные дверные блоки противопожарные с пределом огнестойкости ЕI160
Дверные блоки внутренние - деревянные, по [25]; спецификация заполнения дверных проемов представлена в прил. Е
1.2.2.5 Полы
Полы – керамогранит с противоскользящей поверхностью на цементно-песчаном растворе спецификация пола приведена в прил. Ж
1.2.2.6 Крыша и кровля
Крыша - скатная с холодным чердаком.
Несущие конструкции крыши - металлопрокат.
Кровля – гибкая черепица по деревянной обрешетке.
Элементы крыши и кровли приведены в исходном чертеже АР (лист 2)
1.2.2.7 Генеральный план
Генеральный план выполнен в соответствии с требованиями экологических, санитарно-гигиенических, противопожарных и других норм строительного проектирования.
На огороженном участке кроме непосредственно здания склада-магазина расположен холодный склад для хранения строительных материалов, малые архитектурные формы и переносные изделия, вокруг здания имеется круговой проезд для пожарных машин.
Для обеспечения нормальных санитарно-гигиенических и эстетических условий вся территория благоустраивается и озеленяется. В пределах отведенного участка высаживается газон. На данной территории имеется автопарковка на 40 маш./мест, а также разворотная площадка. Сбор мусора осуществляется в мусоросборные контейнеры находящиеся на хоздворе, который расположен с тыльной стороны возводимого здания. Хоздвор также используется для снабжения учреждения продовольствием. Покрытие проездов принято двуслойное асфальтобетонное, пешеходные дорожки и площадка перед главным входом имеют плиточное покрытие (прямоугольной формы). Вдоль асфальтобетонного покрытия предусмотрена установка бортового камня БР 100.30.15, вдоль плиточного - БР100.20.8 ГОСТ 6665-91. Отвод поверхностных вод осуществляется от здания по твердым покрытиям с последующим сбросом на существующие покрытия улично-дорожной сети.
Технико-экономические показатели генплана:
площадь участка – 0,98га;
площадь застройки – 1134.00 м2;
площадь покрытия – 4515.00 м2;
площадь озеленения – 1834.00 м2.
Д 27010265.К 407 ПЗ-К13 -127















