Диплом (1233151), страница 5

Файл №1233151 Диплом (Создание обучающих программ по электрическим схемам электровоза 2ЭС5К) 5 страницаДиплом (1233151) страница 52020-10-06СтудИзба
Просмтор этого файла доступен только зарегистрированным пользователям. Но у нас супер быстрая регистрация: достаточно только электронной почты!

Текст из файла (страница 5)

Электрическая схема главного выключателя в обучающей программе соответствует участку электрической схемы цепи главного выключателя из Руководства по эксплуатации электровоза 2ЭС5К (3ЭС5К) книга № 1, который представлен на рисунке 3.1.

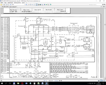
Внешний вид обучающей программы по электрической схеме главного выключателя электровоза 2ЭС5К представлен на рисунке 3.3.

Переключатели SA5 всех секций устанавливаются в положение «ВКЛ» и замыкают свои контакты в цепях катушек включающего и удерживающего электромагнитов главных выключателей [2].

Рисунок 3.3 – Интерфейс обучающей программы по электрической схеме главного выключателя электровоза 2ЭС5К

Панели диодов U61 - U64 головной (хвостовой) секции исключают подачу напряжения на провод Н20 других секций от проводов Э61, Э62, Э65, Э66, обеспечивая возможность управления переключателями SA5 из головной (хвостовой) секции независимо от положения тумблеров S61 - S64 других секций;

- перевести главную рукоятку контроллера машиниста в положение "О", при этом получит питание реле KV21. Кратковременно (от 2 до 3 с) включить выключатель «ВОЗВРАТ ЗАЩИТЫ» блока выключателей S20 головной (хвостовой) секции. При этом по проводу Э27 через замкнутый контакт реле KV21 замыкаются цепи питания катушек реле KV43 на всех секциях электровоза, которые своими контактами подают питание включающим электромагнитам УА1 главных выключателей QF1. Главные выключатели включаются на всех секциях. С включением главного выключателя размыкаются его контакты в цепи включающего электромагнита и замыкаются контакты в цепи катушки реле KV41. Включившись, реле KV41 самоблокируется и размыкает дополнительную цепь катушки включающего электромагнита главного выключателя, предотвращая звонковую работу выключателя в случае его включения при коротком замыкании в силовых и вспомогательных цепях [2].

Катушки включающего и удерживающего электромагнитов главного выключателя соединены с корпусом через контакты реле минимального давления SP. Контакты этого реле замыкаются при давлении сжатого воздуха в резервуаре главного выключателя 0,58 МПа - 0,02 МПа (5,8 кгс/см2 - 0,2 кгс/см2) и размыкаются при давлении 0,48 МПа - 0,02 МПа (4,8 кгс/см2 - 0,2 кгс/см2) [2].

Напряжение на катушку удерживающего электромагнита УА2 главного выключателя подается по цепи: выключатель SF22 «ГЛАВНЫЙ ВЫ-КЛЮЧАТЕЛЬ», провод Н022, выключатель «ГЛАВНЫЙ ВЫКЛЮЧА-ТЕЛЬ» блока S20, провод Э26, контакты переключателя SA5, реле KV44, реле KV2, реле заземления KV1, реле перегрузки КА8, КА9, реле максимального тока К2 главного выключателя QF1. Напряжение на катушку удерживающего электромагнита УА2 главных выключателей QF1 других секций электровоза подается по проводу Э26 с головной (хвостовой) секции. Отключение главного выключателя QF1 контактами аппаратов происходит: реле KV1 - при замыканиях на корпус силовых цепей, реле KV2 -при снижении давления в резервуаре токоприемника ниже 0,19 МПа (1,9 кгс/см2), реле KV44 - при отключении цепи токоприемника, реле КА8, КА9 - при коротких замыканиях, соответственно, в цепях питания обмоток возбуждения тяговых двигателей и вспомогательных машин, реле К2 - при токовых перегрузках и коротких замыканиях в цепи первичной обмотки тягового трансформатора. Контакты переключателя SA5 в цепях катушек включающего и удерживающего электромагнитов обеспечивают возможность отключения главного выключателя на любой из секций в случае ее неисправности [2].

Для ограничения перенапряжений, возникающих на катушке удерживающего электромагнита УА2 главного выключателя QF1 при его отключении, установлено шунтирующее устройство А22 [2].

3.3 Питание цепей управления и заряд аккумуляторной батареи

Система питания цепей управления однопроводная с заземленным минусом. Обратным проводом (минусовым) являются металлические конструкции электровоза. Источниками питания являются шкаф питания А25 и щелочные никелькадмиевые аккумуляторные батареи GB1, GB2. Шкаф питания представляет собой статический преобразователь напряжения пременного тока в напряжение пульсирующего тока и служит для питания цепей управления стабилизированным напряжением 50 В, а также для подзаряда аккумуляторных батарей [2].

Электрическая схема заряда аккумуляторной батареи и питания цепи управления в обучающей программе соответствует участку электрической схемы из «Руководства по эксплуатации электровоза 2ЭС5К (3ЭС5К) книга № 1», который представлен на рисунке 3.3.

Рисунок 3.3 – Участок электрической схемы цепи управления и аккумуляторной батареи

Питание шкафа А25 осуществляется от обмотки собственных нужд тягового трансформатора (405 В) или от сети депо по проводам C1, C45 при включенном контакторе КМ5. Контактор включается тумблером S1 «ВКЛЮЧЕНИЕ ШП» шкафа питания А25 [2].

Внешний вид обучающей программы по электрической схеме заряда аккумуляторной батареи электровоза 2ЭС5К представлен на рисунке 3.4.

Рисунок 3.4 – Интерфейс обучающей программы по электрической схеме заряда аккумуляторной батареи и питания цепей управления электровоза 2ЭС5К

Питание цепей управления осуществляется по следующей цепи: диод V5 или тиристор V1 (в первый полупериод), V2 (во второй полупериод), рубильники SA1, SA2, провод Э01 и дроссель L1, рубильники SA1, SA2, провод Э03; цепи управления, корпус, диоды V4 (в первый полупериод), V3 (во второй полупериод). Дроссель L1 предусмотрен для снижения величины пульсации выпрямленного напряжения [2].

Величина напряжения цепей управления устанавливается с помощью резистора R8. Напряжение измеряется вольтметром PV при установке тумблера S4 в положение «НАПРЯЖЕНИЕ ВЫПРЯМИТЕЛЯ» и тумблера S3 в положение «НОРМАЛЬНО». Для измерения напряжения аккумуляторных батарей необходимо тумблер S4 переключить в положение «НАПРЯЖЕНИЕ БАТАРЕИ» [2].

Питание цепей управления от деповского источника постоянного или пульсирующего тока напряжением от 45 до 55 В может осуществляться через розетку Х8. При этом рубильник SA2 должен находиться в полжении «ИСТОЧНИК ДЕПО», а рубильник SA3 «БАТАРЕЯ» - в положении «НОРМАЛЬНО» или в среднем положении [2].

Подзаряд аккумуляторных батарей осуществляется по цепи: плюс выпрямителя, сглаживающий реактор L2, трансформатор тока Т2, тиристор V7, рубильник SA3, предохранитель F1, провод Н01, аккумуляторные батареи GB1 и GB2, провод Н02, предохранитель F2, рубильник SA3, шунт амперметра RS, минус выпрямителя. Подзаряд разряженных (полностью или частично) аккумуляторных батарей осуществляется током, не превышающим 31 А. По мере подзаряда напряжение на батареях растет и при достижении определенной величины, зависящей от температуры окружающей среды, стабилизируется [2].

Уровень ограничения тока подзаряда устанавливается с помощью резистора R9, напряжение подзаряда с помощью резистора R14. Ток аккумуляторных батарей измеряется с помощью амперметра РА.

Заряд от деповского источника напряжения постоянного или пульсирующего тока может осуществляться через розетку Х8. При подготовке к заряду необходимо в шкафу питания установить рубильник SA3 в положение «ИСТОЧНИК ДЕПО», а рубильник SA2 - в положение «НОРМАЛЬНО» или в среднее положение [2].

При исчезновении напряжения на обмотке трансформатора Т1 шкафа питания А25 (выключение главного выключателя, проезд нейтральной вставки и т.д.) цепи управления автоматически переключаются на питание от аккумуляторных батарей GB1 и GB2 по цепи: плюс батареи GB2, провод Н01, предохранитель F1, рубильник SA3, тиристор V8, рубильники SA1, SA2, провод Э01, дроссель L1, провод Э0З, цепи управления, корпус, шунт амперметра RS, рубильник SA3, предохранитель F2, провод Н02, минус батареи GB1. После отключения контактора КМ тиристор V8 шунтируется контактами КМ и реактором L2, тем самым исключается возможность продолжительной токовой перегрузки тиристора [2].

От токов короткого замыкания цепи управления защищены выключателями SF21 - SF47, SF75, SF76, SF86, SF89, SF90 - SF93 и предохранителями F33, F34, F36 - F38, F41 - F43 [2].



4 ВНЕДРЕНИЕ ОБУЧАЮЩИХ ПРОГРАММ ПО ЭЛЕКТРИЧЕСКИМ СХЕМАМ ЭЛЕКТРОВОЗА 2ЭС5К

Повышение требований к качеству подготовки специалистов, обучающимся по специальности 23.05.03 «Подвижной состав железных дорог», а также к работникам локомотивного хозяйства, обслуживающим электровозы серии 2ЭС5К, приводит к необходимости совершенствования системы образования, для более эффективного усвоения новой информации.

Активное внедрение в образовательный процесс такой разновидности информационных технологий, как средства мультимедиа, приводит к формированию новых, более эффективных подходов к обучению и совершенствованию методики преподавания. Помимо этого, внедрение таких методик способствует более глубокому усвоению материала, повышению мотивации обучения учащихся, экономии учебного времени.

В сервисном локомотивном депо «Дальневосточное» ведущим технолом СЛД-91 Жилиным А.Ф. и студентом кафедры «Локомотивы» ДВГУПС Китаевым А.В. были проведены испытания обучающих программ по электрическим схемам:

- поднятия токоприемников;

- включения главного выключателя;

- заряда аккумуляторной батареи электровоза 2ЭС5К.

Момент изучения программ представителем сервисного локомотивного депо «Дальневосточное» представлен на рисунке 4.1.

В результате испытаний было установлено, что внедрение и дальнейшее применение обучающих программ по электрическим схемам электровоза 2ЭС5К в сервисных локомотивных депо, позволит повысить уровень профессиональных знаний работников предприятий.

Рисунок 4.1 – Процесс изучения программы.

По результатам внедрения был составлен акт, внешний вид которого представлен в приложении.



5 ОХРАНА ТРУДА ПРИ ЭКСПЛУАТАЦИИ СИЛОВОГО ОБОРУДОВАНИЯ ЭЛЕКТРОВОЗОВ

В настоящее время проблемы безопасности трудовой деятельности, в том числе и охраны труда, очень актуальны, так как каждую секунду на Земле в рамках производственной деятельности травмируются четыре человека, и каждые пятнадцать секунд один из них получает смертельную травму [13].

Таким образом, рассмотрение данной темы является неотъемлемой дипломного проектирования.

Охрана труда на производстве – это система обеспечения безопасности, сохранения жизни и здоровья работника в процессе трудовой деятельности, которая включает в себя правовые, социально-экономические, организационно-технические, санитарно-гигиенические, лечебно-профилактические, реабилитационные и иные мероприятия.

Основной целью охраны труда является изучение закономерности формирования и проявления вредных и опасных производственных факторов в системе человек – производственная среда. А также изучение и разработка путей, методов и средств предупреждения аварий, производственного травматизма и профессиональных заболеваний.

Безопасность жизнедеятельности (БЖД) – это наука о сохранении жизни и здоровья, обеспечении безопасности человека в любой среде обитания, которая выявляет и идентифицирует опасные и вредные факторы, разрабатывает методы и средства защиты человека путем снижения вредных и опасных факторов до приемлемых значений. А также вырабатывает меры по предупреждению и ликвидации последствий чрезвычайных ситуаций [12].

БЖД представляет собой область знаний, в которой изучаются опасности, угрожающие человеку и живой природе, закономерности их проявления и способы защиты от них.

В отличие от охраны труда, которая изучает опасности и способы защиты от них на производстве, БЖД включает в себя все виды деятельности, защиту от опасностей в любой среде обитания.

Тем самым охрана труда и БЖД становится элементом социальной защиты трудящихся и элементом поддержания социального мира.

5.1 Анализ технологии работ при эксплуатации силового оборудования электровозов с точки зрения безопасности жизнедеятельности

Все технологические работы при эксплуатации силового оборудования электровозов связаны с электробезопасностью.

Электробезопасность – система правовых, организационных и технических мер и средств, обеспечивающих защиту людей от вредного и опасного воздействия электрического тока, электрической дуги, электромагнитного поля и статического электричества [13].

По условиям электробезопасности электроустановки разделяют на электроустановки напряжением до 1000 В включительно и выше 1000В.

Обеспечение безопасности при обслуживании электроустановок требует четкого соблюдения правил технической эксплуатации. Для работников железнодорожного транспорта, связанных с такими работами, обязательными документами являются: «Межотраслевые правила по охране труда (правила безопасности) при эксплуатации электроустановок»,448 введенные в действие с 1 июля 2001 г. (ПОТ РМ-016-2001 РД 153-34.0-03.150-00) [13]. А так же Правила по охране труда при техническом обслуживании и текущем ремонте тягового подвижного состава и грузоподъемных кранов на железнодорожном ходу ПОТ РО-32-ЦТ-668-99, утвержденных МПС России 31 мая 1999 г., Типовая инструкции по охране труда для слесарей по ремонту электроподвижного состава ТОИ Р-32-ЦТ-535-98, утвержденной МПС России 28 декабря 1999 г., и другие нормативные акты по вопросам охраны труда слесаря-электрика по ремонту электрооборудования, слесаря по контрольно-измерительным приборам и слесаря по осмотру и ремонту локомотивов на пунктах технического обслуживания локомотивов, занятых техническим обслуживанием и текущим ремонтом электровозов и электропоездов в локомотивных депо и на пунктах технического обслуживания локомотивов железных дорог [12].

Все работы, связанные с электрооборудованием электровоза должны выполняться по наряду – допуску или распоряжению.

Оформление работ по нарядам и распоряжениям ведется в "Журнале учета работ по нарядам и распоряжениям" и регистрацией в оперативном журнале.

Подготовка рабочего места и допуск бригады к работе по наряду и распоряжению могут проводиться только после получения разрешения от оперативного персонала, определяемого локальным документом по депо.

Характеристики

Список файлов ВКР

Создание обучающих программ по электрическим схемам электровоза 2ЭС5К
Плакаты
Плакат №1.vsd
Плакат №2.vsd
Плакат №3.vsd
Плакат №4.vsd
Плакат №5.vsd
Плакат №6.vsd
Плакат №7.vsd
Плакат №8.vsd
Плакат №9.vsd
Свежие статьи
Популярно сейчас
Как Вы думаете, сколько людей до Вас делали точно такое же задание? 99% студентов выполняют точно такие же задания, как и их предшественники год назад. Найдите нужный учебный материал на СтудИзбе!
Ответы на популярные вопросы
Да! Наши авторы собирают и выкладывают те работы, которые сдаются в Вашем учебном заведении ежегодно и уже проверены преподавателями.
Да! У нас любой человек может выложить любую учебную работу и зарабатывать на её продажах! Но каждый учебный материал публикуется только после тщательной проверки администрацией.
Вернём деньги! А если быть более точными, то автору даётся немного времени на исправление, а если не исправит или выйдет время, то вернём деньги в полном объёме!
Да! На равне с готовыми студенческими работами у нас продаются услуги. Цены на услуги видны сразу, то есть Вам нужно только указать параметры и сразу можно оплачивать.
Отзывы студентов
Ставлю 10/10
Все нравится, очень удобный сайт, помогает в учебе. Кроме этого, можно заработать самому, выставляя готовые учебные материалы на продажу здесь. Рейтинги и отзывы на преподавателей очень помогают сориентироваться в начале нового семестра. Спасибо за такую функцию. Ставлю максимальную оценку.
Лучшая платформа для успешной сдачи сессии
Познакомился со СтудИзбой благодаря своему другу, очень нравится интерфейс, количество доступных файлов, цена, в общем, все прекрасно. Даже сам продаю какие-то свои работы.
Студизба ван лав ❤
Очень офигенный сайт для студентов. Много полезных учебных материалов. Пользуюсь студизбой с октября 2021 года. Серьёзных нареканий нет. Хотелось бы, что бы ввели подписочную модель и сделали материалы дешевле 300 рублей в рамках подписки бесплатными.
Отличный сайт
Лично меня всё устраивает - и покупка, и продажа; и цены, и возможность предпросмотра куска файла, и обилие бесплатных файлов (в подборках по авторам, читай, ВУЗам и факультетам). Есть определённые баги, но всё решаемо, да и администраторы реагируют в течение суток.
Маленький отзыв о большом помощнике!
Студизба спасает в те моменты, когда сроки горят, а работ накопилось достаточно. Довольно удобный сайт с простой навигацией и огромным количеством материалов.
Студ. Изба как крупнейший сборник работ для студентов
Тут дофига бывает всего полезного. Печально, что бывают предметы по которым даже одного бесплатного решения нет, но это скорее вопрос к студентам. В остальном всё здорово.
Спасательный островок
Если уже не успеваешь разобраться или застрял на каком-то задание поможет тебе быстро и недорого решить твою проблему.
Всё и так отлично
Всё очень удобно. Особенно круто, что есть система бонусов и можно выводить остатки денег. Очень много качественных бесплатных файлов.
Отзыв о системе "Студизба"
Отличная платформа для распространения работ, востребованных студентами. Хорошо налаженная и качественная работа сайта, огромная база заданий и аудитория.
Отличный помощник
Отличный сайт с кучей полезных файлов, позволяющий найти много методичек / учебников / отзывов о вузах и преподователях.
Отлично помогает студентам в любой момент для решения трудных и незамедлительных задач
Хотелось бы больше конкретной информации о преподавателях. А так в принципе хороший сайт, всегда им пользуюсь и ни разу не было желания прекратить. Хороший сайт для помощи студентам, удобный и приятный интерфейс. Из недостатков можно выделить только отсутствия небольшого количества файлов.
Спасибо за шикарный сайт
Великолепный сайт на котором студент за не большие деньги может найти помощь с дз, проектами курсовыми, лабораторными, а также узнать отзывы на преподавателей и бесплатно скачать пособия.
Популярные преподаватели
Добавляйте материалы
и зарабатывайте!
Продажи идут автоматически
7021
Авторов
на СтудИзбе
260
Средний доход
с одного платного файла
Обучение Подробнее