Буйских ВКР (1231184), страница 10
Текст из файла (страница 10)
Рисунок 3.2 – График реализуемых тормозных путей экстренного торможения одиночно-следующего локомотива при различных вариантах действия тормозных систем
Анализ полученных результатов показывает, что применение объединенных тормозных систем обеспечивает следующие сокращение тормозного пути при экстренных или автостопных торможениях:
- при одиночном следовании электровоза 360,7 м на 39,1 %, кривая 2 – совместное действие ограниченной мощности рекуперативного тормоза и пневматического тормоза с максимальным давлением в тормозных цилиндрах 0,4 МПа по сравнению 592,2 м кривая 1 – действие только пневматического тормоза электровоза с давлением в тормозных цилиндрах 0,4 МПа.
- при одиночном следовании электровоза 233,8 м на 60,5 %, кривая 3 – совместное действие максимальной мощности рекуперативного тормоза и пневматического тормоза с давлением в тормозных цилиндрах не выше 0,15 МПа по сравнению 592,2 м кривая 1 – действие только пневматического тормоза электровоза с давлением в тормозных цилиндрах 0,4 МПа.
4 ПРОЕКТ ЭЛЕКТРИЧЕСКОЙ СХЕМЫ ОБЪЕДИНЕНИЯ ЭЛЕКТРОДИНАМИЧЕСКОГО И ПНЕВМАТИЧЕСКОГО ТОРМОЗОВ ЛОКОМОТИВА
Реализация действия предлагаемой системы объединения ЭДТ и АТ, обеспечивающей существенное сокращение тормозных путей, на электровозах типа ВЛ-80 может быть достигнута следующим образом.
4.1 Проект изменений в пневматическую схему локомотива
В пневмосхеме тормоза (рисунок 4.1) для исключения отключения электроблокировочного клапана (КЭБ) при снижении давления в ТМ ниже его уставки, осуществляется следующее:
- питательный штуцер клапана КЭБ отсоединяется от выхода воздухораспределителя (ВР) и сообщается со своим управляющим штуцером;
- импульсный вход крана вспомогательного тормоза (КВТ) отсоединяется от выходного штуцера переключательного клапана (КПР1) и сообщается с выходом ВР;
- воздухопровод к управляющему штуцеру клапана КЭБ от тормозной магистрали (ТМ) отсоединяется, и штуцер на ней заглушается;
- управляющий штуцер клапана КЭБ сообщается с воздухопроводом цепей управления (от выхода редуктора давления КР1);
- клапан замещения рекуперативного тормоза КЭП9 и пневматический выключатель управления ВУП5 из пневмотической схемы тормоза исключаются и штуцеры подходящих к ним воздухопроводов заглушаются;
- входной отросток переключательного клапана КПР1 (от которого отсоединен исключенный КЭП9) сообщается с магистралью вспомогательного тормоза (МВТ);
- воздухопровод к управляющему входу реле давления (РД) и тормозным цилиндрам Ц3–Ц4 разобщается от МВТ и сообщается с выходным штуцером переключательного клапана КПР1.
Рисунок 4.1 – Изменения в пневматической схеме тормоза
4.2 Принцип работы объединенной системы тормозов (электрическая схема)
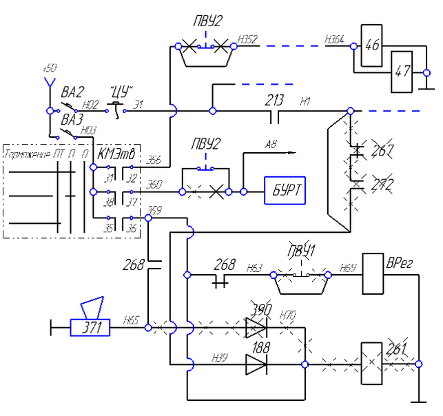
При введении в работу пульта управления кабины (замыкании замыкающих контактов автоматических выключателей ВА2 и ВА3, кнопки цепей управления «ЦУ» и устройства блокировки тормозов 213) от провода Н1 получает возбуждение катушка вентиля регенерации ВРег по цепи:
- провод Н1 – перемычка к проводу Н39 – диод развязки цепи 188;
- перемычка между проводами Н70 и Э59 – размыкающий контакт промежуточного реле 268 (размыкается при срыве рекуперативного тормоза) – перемычка между проводами Н63 и Н69 – катушка ВРег – корпус электровоза (минус аккумуляторной батареи). В результате, вне зависимости от режима работы электровоза («тяга» или «рекуперативное торможение») катушка вентиля регенерации ВРег (электроблокировочный клапан КЭБ по пневмосхеме) остается возбужденной и действие АТ и ВП электровоза осуществляется за счет работы КВТ (как повторителя или крана).
Включение и действие рекуперативного тормоза (перевод тормозного вала контроллера машиниста КМЭтв из нулевого положения на позиции торможения) не зависят от уровня давления в ТМ.
Полная мощность рекуперативного тормоза может реализовываться при условии непревышения избыточного давления сжатого воздуха в МВТ уровня 0,15 МПа. В случае же превышения в МВТ упомянутого уровня давления размыкается размыкающий контакт пневматического выключателя управления ПВУ2 в проводе Э60 и блоком управления рекуперативным тормозом БУРТ тормозная мощность рекуперативного тормоза ограничивается величиной, соответствующей позиции ПТ (предварительное торможение) тормозного вала контроллера машиниста КМЭтв.
При срыве рекуперативного торможения – возбуждении промежуточного реле 268 его размыкающим контактом в цепи проводов Э59–Н63 прерывается цепь питания катушки вентиля регенерации ВРег (электроблокировочный клапан КЭБ по пневмосхеме). Это приводит к открытию электроблокировочного клапана КЭБ и наполнению тормозных цилиндров Ц3–Ц4 и управляющей камеры реле давления РД (а значит и тормозных цилиндров Ц5–Ц6 второй тележки) до уровня давления, определяемого редуктором давления КР1 (рисунок 4.2) по цепи: КР1 – питательный входной КЭБ – выходной (выход) КЭБ–КН20 – левый входной отросток КПР1 – выходной отросток КПР1 –тормозные цилиндры Ц3–Ц4 и одновременно управляющая камера РД.
В результате обеспечивается автоматическое замещение тормозной силы рекуперативного тормоза электровоза тормозной силой его пневматического тормоза. Одновременно, с замыканием замыкающего контакта 268 в цепи проводов Э59–Н65, традиционно включается звуковой сигнал ЗС, извещающий о факте срыва рекуперативного торможения.
Рисунок 3.4 – Изменения в электрической схеме цепей
В случае отказа системы совместной работы ЭДТ и автоматических тормозов (АТ) возможность продолжения работы электровоза в тяговом режиме обеспечивается отключением крана КН20. При этом левый (по пневмосхеме) входное соединение КПР1 сообщается с атмосферой и действия АТ и вспомогательного тормоза (ВТ) осуществляется за счет работы КВТ (как повторителя или крана) по цепи: КВТ – АБТ – МВТ – правое входное соединение КПР 1– выходное соединение КПР1 – тормозные цилиндры ТЦ3–ТЦ4 и одновременно управляющая камера РД.
Реализация предлагаемой объединенной системы тормозов на тяговом подвижном составе других серий также возможна при соответствующих изменениях в их пневмосхеме тормоза и электрической схеме цепей управления.
4.3 Действия локомотивной бригады при пользовании объединенной системой тормозов
Система объединенных тормозов предназначена для обеспечения возможности совместного действия рекуперативного и пневматического тормозов электровоза в любой ситуации и последовательности без повышения вероятности возникновения юза колесных пар электровоза.
Рекуперативный тормоз может быть приведен в действие в любой момент времени и из любой кабины управления вне зависимости от величины давления сжатого воздуха в тормозной магистрали.
Величина реализуемой тормозной силы электродинамического тормоза зависит от величины давления сжатого воздуха в тормозных цилиндрах электровоза. При величине этого давления менее 0,15 МПа реализуемая тормозная сила электродинамического тормоза определяется работой блока БУРТ и может достигать предельных значений, ограничиваемых токами обмоток возбуждения и якорей тяговых электродвигателей или по сцеплению. В случае превышения указанного уровня давления в тормозных цилиндрах электровоза реализуемая тормозная сила электродинамического тормоза ограничивается величиной, соответствующей позиции ПТ тормозного вала контроллера машиниста.
Для возможности увеличения тормозной силы электродинамического тормоза электровоза при наличии давления в тормозных цилиндрах более 0,15 МПа необходимо:
- вернуть рукоятку тормозного контроллера в положение ПТ (если электродинамический тормоз действовал), либо перевести ее в указанное положение существующим порядком при включении электродинамического тормоза;
- снизить давление в тормозных цилиндрах ТЦ электровоза с помощью крана вспомогательного тормоза КВТ ниже 1,5 кгс/см2;
- переводом рукоятки тормозного контроллера в сторону торможения установить необходимую силу электродинамического тормоза. Прекращение действия электродинамического тормоза осуществляется существующим порядком.
В случае отказа представлененой системы необходимо её отключить перекрытием разобщительного крана КН20. Срыв пломбы на кожухе пневматического выключателя управления ПВУ-2 (ВУП-2 по пневмосхеме) должен фиксироваться в Журнале формы ТУ-152.
5 БЕЗОПАСНОСТЬ И ЭКОЛОГИЧНОСТЬ РЕШЕНИЙ ПРОЕКТА
5.1 Общая характеристика и анализ потенциальных опасностей на локомотиве
В разделе «Охрана труда» предложены организационные и технические мероприятия по обеспечению здоровья и безопасности производственного персонала при ремонте локомотивов.
Под условиями труда понимается совокупность факторов производственной среды, оказывающих влияние на здоровье и работоспособность человека. Производственный фактор, воздействие которого на работающего приводит к травме, называют опасным фактором, а производственный фактор, воздействие которого на работающего приводит к заболеванию, – вредным фактором.
Опасные и вредные производственные факторы подразделяют по природе действия на физические, химические, биологические и психофизиологические. Каждая из этих групп содержит множество факторов. Так, к группе физически опасных и вредных производственных факторов относят движущиеся машины и механизмы (в том числе подвижной состав), не защищенные подвижные элементы производственного оборудования, электрический ток, повышенный уровень шума и др. Химические факторы подразделяют по характеру воздействия на организм человека и по пути их проникновения в организм. Биологические факторы делят на микро- и макроорганизмы. В группе психофизиологических факторов выделяют физические и нервно-психические перегрузки. Воздействие на работающих в локомотивном хозяйстве перечисленных опасных производственных факторов, как правило, приводит к возникновению несчастных случаев. Вредные производственные факторы, ухудшая условия труда на рабочих местах, снижают внимание работающих, слышимость и видимость подаваемых сигналов, повышают утомляемость и увеличивают время ответной реакции человека на внешние раздражители. Все это способствует появлению профессиональных заболеваний и во многих случаях уменьшает возможности человека четко реагировать на грозящую ему опасность травмирования.
При выполнении специализированных работ, антисептической пропитки древесины, гидроизоляционных работ, проведении сварочных работ, травлению металлов, работе машин с двигателями внутреннего сгорания и сжигании отходящих газов, в других местах на рабочих могут воздействовать вредные факторы в виде токсичных паров и газов, приводящих к различным степеням отравления людей. Ряд технологических процессов сопровождается выделением пыли, ядовитых газов, паров или ведется с применением агрессивных жидкостей. Все это приводит к поражению человеческого организма через органы дыхания, пищеварения кожу лица, рук, вызывая отравления, заболевания органов дыхания, кожи и глаз.
Анализ заболеваемости работников локомотивного хозяйства показывает, что значительная их часть вызвана простудами, зависящими от микроклимата на рабочих местах.
Высокая температура и низкая влажность воздуха, его малоподвижность и выраженная инсоляция могут привести к тому, что теплоотдача организма практически выразится в испарении с поверхности тела. Горячий воздух сушит кожу, усиливает жажду, приводит к перегреванию и обезвоживанию организма. Это в свою очередь снижает работоспособность и вызывает преждевременное утомление работающих.
Повышенный уровень шума и вибрации на рабочих местах неблагоприятно действуют на организм человека, вызывают головную боль, под его влиянием развивается раздражительность, снижается внимание, замедляются сенсомоторные реакции, повышаются, а при чрезвычайно интенсивном действии понижаются возбудительные процессы в коре головного мозга. Воздействие шума и вибрации повышает пороги слышимости звуковых сигналов, снижает остроту зрения и нарушает нормальное цветоощущение. Работа в условиях шума может привести к появлению гипертонической или гипотонической болезни, развитию профессиональных заболеваний – тугоухости и глухоте. Вибрации, особенно воздействие на человека колебаний частотой свыше 35 Гц, могут привести к вибрационной болезни. Для вибрационной болезни характерны изменения в суставах, нарушения деятельности нервной системы, повышение кровяного давления, нарушения деятельности желудочно-кишечного тракта.
Одним из показателей охраны труда для локомотивного депо является освещенность рабочих мест. Хорошее освещение способствует уменьшению зрительного и общего утомления, повышению производительности труда и служит действенной мерой для предупреждения производственного травматизма. Условия зрительной работы зависят не только от уровня, но в значительной степени и от качества освещения слепящего действия и неравномерности распределения освещенности.














