ПЗ (1230909), страница 3
Текст из файла (страница 3)
При дроссельном регулировании и любом способе включения дросселя полный КПД гидропривода определяется как потерями энергии в насосе и гидродвигателе, так и потерями, обусловленными процессом управления.
КПД процесса управления представляет собой отношение мощности потока, проходящего через гидродвигатель, к мощности потока, подаваемого насосом
тп =
= pг ·
·
,
и по его величине оценивают потери мощности на регулирование скорости выходного звена гидропривода.
Полный КПД регулируемого гидропривода равен произведению КПД насоса, КПД процесса управления и КПД гидродвигателя. При использовании в качестве гидродвигателей гидроцилиндров полный КПД равен
тп = F ·
=
·
·
= н· тп · г .
КПД регулируемого гидропривода с последовательным включением дросселя не может быть больше значения 0,385, которое достигается при оптимальном значении относительной нагрузки F/Fmax = 2/3 Столь низкое значение КПД процесса управления объясняется тем, то даже на оптимальном режиме работы гидропривода только 58% подачи насоса направляется в гидродвигатель (остальное количество идет через клапан на слив) и лишь 2/3 давления насоса используется в гидродвигателе (остальная часть теряется в дросселе), т.е. потери мощности происходят одновременно и в дросселе и в клапане.
Дроссельное регулирование гидропривода при параллельном включении дросселя
Скорость выходного звена - штока гидроцилиндра, регулируется изменением степени открытия дросселя. Чем она меньше, тем большая доля подачи насоса направляется в гидроцилиндр и тем больше скорость движения поршня Vп. При полном закрытии дросселя скорость наибольшая, а при полном его открытии - уменьшается до нуля или до минимального значения в зависимости от нагрузки F.
Qн = Qг + Qдр ;
pн = pт = pдр =
.
При параллельном включении дросселя исключается возможность регулирования в случае направления действия преодолеваемой силы вдоль штока по направлению его перемещения.
КПД гидропривода при параллельном включении дросселя определяют по той же формуле, что и для последовательного включения:
тп = F·
= н· пу· г ,
а КПД процесса управления:
пу =
= pг ·
· Qн = pг · Qг .
Таким образом, в рассмотренном случае КПД процесса управления однозначно определяется относительным расходом жидкости через дроссель, т.е. степенью его открытия.
-
Релейная схема управления
Получили широкое распространение системы управления, построенные на релейно-контакторной элементной базе. Управление в этих системах осуществляется контактными и бесконтактными переключающими электроаппаратами релейного действия (электромагнитные контакторы и статические переключатели); различными реле управления, реле времени (электромагнитными, маятниковыми и др.); электромагнитными реле напряжения и тока; бесконтактными реле (логические аппараты); командоапаратами (кнопки, командоконтролеры, ключи управления и др.). [9]
Релейно-контакторные системы управления можно разделить на две части. Силовую цепь — часть цепи, элементы которой участвуют в производстве основной части электроэнергии (двигатель, преобразователь). И цепь управления, создающая управляющий сигнал, которая в свою очередь также делится на две группы:
-
формирующая алгоритм управления (реле);
-
воздействующая на двигатель по этому алгоритму.
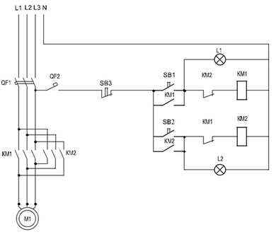
На рисунке 1.2 представлена принципиальная схема управления электроприводом насоса. Установка позволяет качать воду в резервуар и откачивать при заполнении резервуара. Включением автоматического выключателя QF1 подается питание в цепь. При нажатии кнопки SB1 получает питание магнитный пускатель КМ1, который своими контактами замыкает цепь двигателя и тем самым включает его в режиме подачи воды. Своим вторым контактом он шунтирует кнопку SB1, что позволяет не держать ее во время работы насоса. Остановка производится кнопкой SB3. Кнопка SB2 включает электропривод в режиме откачки воды. Лампами L1 и L2 осуществляется индикация работы. Присутствующие в схеме автоматические выключатели QF1 и QF2 выполняют защиту двигателя от перегрузок и коротких замыканий
Рисунок 1.2 — Пример схемы управления насосом
-
Частотное регулирование
Существуют несколько возможностей управления скоростью вращения ротора трёхфазного электродвигателя переменного тока: изменение частоты питающей сети; изменение конфигурации бегущего магнитного поля внутри двигателя; изменение величины питающего напряжения; управление передачей момента вращения с вала двигателя на вал приводимого механизма через промежуточное механическое устройство.
Изменение частоты питающей сети является задачей, решаемой преобразователями частоты. Современные достижения электроники позволяют осуществлять изменение частоты с погрешностью 0,01 %.
Возможность изменения конфигурации бегущего магнитного поля привела к созданию специальных типов электродвигателей: наиболее простые — многоскоростные электродвигатели; посложнее — асинхронные электродвигатели с фазным ротором. Безусловно, их применение для специальных задач, со специфическими режимами и условиями работы — оправдано. Но применение таких машин в регулируемом электроприводе, как минимум неэффективно.
Чтобы подать воду в кран потребителя, нужно создать необходимый напор (H) на выходе насосной станции. Его величина складывается из двух составляющих:
-
статической (Нс) — равной разнице абсолютных высот расположенного выше других потребителя и насосной станции, плюс необходимое давление у потребителя;
-
динамической — необходимой для преодоления гидравлического сопротивления (S) системы трубопроводов току воды, и зависящей от величины водоразбора (Q):
H = Hc + S·Q2 .
Зависимость характеризует систему водоснабжения, однозначно определяя величину необходимого напора на выходе насосной станции для водоснабжения самого дальнего потребителя в зависимости от величины водоразбора из системы.
Производительность насоса определяется из произведения величины обеспечиваемого им напора на соответствующую величину подачи, и фактически пропорциональна скорости вращения ротора насоса.
Допустим, водоснабжение обеспечивается одним насосным агрегатом, выбранным по максимальному напору и производительности (наиболее распространённый случай). Тогда при величинах водоразбора меньших максимальной этот насос будет создавать избыточное давление в системе. Это опасное для системы трубопроводов давление может в несколько раз превышать необходимый напор.
Устройство частотного регулирования обеспечивает поддержание такой скорости вращения ротора насоса, которая достаточна для создания необходимого напора при данной величине водоразбора. Изменяется не характеристика системы водоснабжения, а производительность насосного агрегата.
Следует отметить, что для точного регулирования требуется задание двух параметров: давления и расхода воды на выходе из насосной станции (лучше — в диктующей точке системы). На практике бывает достаточно удерживать давление на определённом уровне. Энергия, потребляемая электродвигателем привода от сети, расходуется:
-
при дроссельном регулировании (1) — как на водоснабжение потребителей, так и на преодоление гидравлического сопротивления создаваемого регулирующей задвижкой;
-
при частотном регулировании (2) — только на водоснабжение потребителей;
– разница (3) составляет экономию электроэнергии за счёт внедрения частотного регулирования электропривода;
Рисунок 1.3 – График соотношения мощьности двигателя к скорости перекачивания
Если средняя величина водоразбора из системы водоснабжения меньше Q1, внедрение частотного регулирования электропривода насоса, безусловно, выгодно.
Применение частотного регулирования электропривода можно рекомендовать для всех механизмов, работающих с приводом от электродвигателей переменного тока.
Какие выгоды следует ожидать от внедрения ЧРП:
-
экономия электроэнергии 20…60 %;
-
снижаются пусковые токи;
-
экономия воды до 15 %;
-
исключаются гидравлические удары в системе;
-
экономия тепла ~ 5 %;
-
экономия топлива до 10 % при внедрении АСУ котла с ЧРП на ТДМ;
-
снижение затрат на обслуживание;
-
продлевается срок службы оборудования;
-
снижается вероятность аварийных ситуаций;
-
имеется возможность точной настройки режима работы технологической системы;
-
повышается производственная безопасность;
-
экологичность.
2 РАСЧЕТ ПАРАМЕТРОВ СТАНЦИИ
-
Постановка проблемы
В среднем, КПД насосных станций составляет 10-40 %. Несмотря на то, что КПД наиболее часто применяемых насосов, составляет от 60 % для насосов типа К и КМ и более 75 % для насосов типа Д.
Главные причины неэффективного использования насосного оборудования следующие:
– установка насосов с параметрами подачи и напора большими, чем требуется для обеспечения работы насосной системы;
– регулирование режима работы насоса при помощи задвижек;
– отсутствие регулирование с обратной связью по датчику давления;
– при отсутствии необходимости создавать давление моторы
не отключаются.
2.1.1 Причины неправильного использования насосов:
На стадии проектирования закладывается насосное оборудование с запасом на случай непредвиденных пиковых нагрузок или с учетом перспективного развития микрорайона, производства и т.д. Подобный коэффициент запаса может достигать 50 %, что приводит к значительному увеличению потребляемой мощности из-за работы насоса в зоне низкого КПД. Не редко, для обеспечения требуемых параметров насосной станции по подаче, напору в системе, эксплуатирующие организации прибегают к регулированию потока при помощи задвижек, еще больше снижая эффективность станции за счет потерь при дросселировании.
Изменение параметров сети – отступления от проектной документации при строительстве, несоблюдение необходимых условий монтажа, нарушение методов укладки кабелей, установки датчиков, износ токоведущего оборудования в процессе эксплуатации, условия коррозии труб во время эксплуатации, замена участков трубопроводов при ремонте и т.п.
Изменение объемов водопотребления в связи с ростом или сокращением численности населения, изменением количества промышленных предприятий, изменение расхода в течении недели (в выходной день больше, чем в будни), разница потребления в течении дня.
-
Способы устранения недостатков НС
Для создания энергоэффективной и коммерчески успешной станции, на стадии проектирования насосной станции нужно обратить пристальное внимание на:
















