Пояснительная записка (1230251)
Текст из файла
СОДЕРЖАНИЕ
ВВЕДЕНИЕ............................................................................................................ 6
1 АНАЛИЗ СУЩЕСТВУЮШИХ СХЕМ СИНХРОНИЗИЦИИ НА СОВРЕМЕННОМ ПОДВИЖНОМ СОСТАВЕ................................................... 8
1.1 Зависимость характеристик вспомогательного двигателя
электровоза АНЭ-225 от параметров беличьей клетки.............................. 10
1.2 Блок синхронизации импульсов БСИ-541.............................................. 10
1.3 Формирователь синхронизирующих импульсов.................................... 23
2 РАЗРАБОТКА ТЕХНИЧЕСКИХ РЕШЕНИЙ УПРАВЛЕНИЯ КРМ И ОЦЕНКА ТЕХНИКО-ЭКОНОМИЧЕСКОЙ ЭФФЕКТИВНОСТИ................. 34
3 РАЗРАБОТКА ИНСТРУКЦИИ ПО ОХРАНЕ ТРУДА ПРИ ОБСЛУЖИВАНИЕ АККУМУЛЯТОРНЫХ БАТАРЕЙ.................................. 55
3.1 Общие требования по охране труда........................................................ 55
3.2 Требования по охране труда перед началом работы............................. 57
3.3 Требования по охране труда во время работы...................................... 58
3.4 Требования по охране труда по окончании работы............................... 60
3.5 Требования по охране труда в аварийных ситуациях........................... 61
3.6 Оказанию первой (доврачебной) помощи пострадавшим.................... 62
3.6.1 Электротравмы..................................................................................... 62
3.6.2 Механические травмы...................................................................... 63
3.6.3 Термические ожоги........................................................................... 64
3.6.4Ожоги кислотами и щелочами........................................................ 65
3.6.5 Отравления........................................................................................ 65
3.6.6 Травмы глаз....................................................................................... 65
3.7 ОБСЛУЖИВАНИЕ АККАМУЛЯТОРНЫХ БАТАРЕЙ.............................. 66
4. ЭКОНОМИЧЕСКОЕ ОБОСНОВАНИЕ РАСХОДОВ НА
ПРОЕКТИРОВАНИЕ ЛАБОРАТОРНОГО СТЕНДА....................................... 69
ЗАКЛЮЧЕНИЕ...................................................................................................... 77
СПИСОК ИСПОЛЬЗОВАННЫХ ИСТОЧНИКОВ............................................. 78
ВВЕДЕНИЕ
Работа электронной аппаратуры выпрямительного электровоза должна быть синхронизирована с напряжением контактной сети. С этой целью в состав его аппаратуры управления входит формирователь синхронизирующих импульсов. Однако при их работе может возникнуть смещение в формировании синхроимпульсов относительно момента перехода через ноль первой гармоники напряжения питающей сети. Это вызвано сильными искажениями формы кривой напряжения на токоприемнике электровоза.
В известном устройстве синхронизация осуществляется за счет замены искаженной кривой питающего напряжения ее первой гармонической составляющей и приближения ее фазы к фазе питающего напряжения. Регулирование фазы осуществляется схемой автоматической подстройки фазы, при этом в моменты прохождения напряжения первой гармоники через ноль формируются синхроимпульсы. Формирователь обеспечивает синхронизацию импульсов путем автоматического приближения к фазе напряжения вторичной обмотки трансформатора фазы его первой гармоники
Целью дипломного проектирования выступает разработка устройства формирования синхроимпульсов работающего при сильных искажениях напряжения тяговой сети.
Проделанная работа позволит повысить устойчивость работы электронной аппаратуры электровоза при сильных искажения напряжения тяговой сети.
1 АНАЛИЗ СУЩЕСТВУЮЩИХ СХЕМ СИНХРОНИЗАЦИИ НА СОВРЕМЕННОМ ПОДВИЖНОМ СОСТАВЕ
Эффективность работы электроподвижного состава с плавным регулированием напряжения во многом зависит от синхронной работы его преобразователя с питающей сетью. Синхронизация заключается в формировании синхронизирующих импульсов в моменты естественного перехода питающего напряжения через ноль. Однако форма этого напряжения может отличаться от синусоидальной. Искажения формы кривой питающего напряжения на токоприемнике тиристорного электровоза складываются из провала напряжения во время коммутации тока в преобразователях н свободных колебаний, возникающих в моменты начала и окончания коммутации. Каждая из этих составляющих искажения определяется параметрами системы электроснабжения и электровоза.
Одним из способов получения синхронизирующих импульсов в условиях искажения формы напряжения является применение различных типов фильтров. Однако известно, что первая гармоника питающего напряжения, выделяемая фильтром, имеет фазовый сдвиг, достигающий в различных режимах работы 15—20 эл. град. при этом знаки угла противоположны для режимов тяги и рекуперации. Синхронизация преобразователя по первой гармонике снижает энергетические показатели электровоза и приводит к сбоям в работе системы управления при искаженной форме питающего напряжения.
Компенсировать фазовый сдвиг первой гармоники позволяет система автоматической подстройки фазы, которая осуществляет синхронизацию системы управления не по первой гармонике, а по усредненному за несколько десятков полупериодов моменту перехода синхронизирующего напряжения через ноль.
В настоящее время такая схема синхронизации применяется на серийных электровозах ВЛ65, ВЛ85, способствуя повышению во многих режимах работы коэффициента мощности преобразователя. Испытания показали, что погрешность синхронизации в установившемся режиме работы электровоз; не превышает 1—2 эл. град.
Однако во время эксплуатационных испытаний электровоза ВЛ65 на Братском отделении Восточно - Сибирской дороги в отдельных режимах выявлена нестабильная работа электронной аппаратуры управления при сильных искажения; формы кривой питающего напряжения. Ранее такая же нестабильность отмечалась на электровозах ВЛ80 Р во время их испытаний в экстремальных условиях электроснабжения на экспериментальном кольце ВНИИЖТа.
Разрабатываемые до последнего времени меры по борьбе с этим явлением были направлены в основном на защиту различных узлов электронной системы управления от вредного воздействия искажений формы кривой питающего напряжения или на приспосабливание этих узлов к работе при искажениях.
Такой подход решает только частные задачи. Более эффективны способы, позволяющие уменьшить эти искажения. Один из таких способов разнофазного управления' двумя группами тиристорных преобразователей предложен сотрудниками ВНИИЖТа . Идея способа заключается в разнесении во времени начал, а также окончаний коммутации различных групп преобразователей, что позволяет уменьшить скачок принужденного напряжения при включении и выключении каждой труппы преобразователей и амплитуду свободных колебаний напряжения на токоприемнике. Созданное для электровоза устройство разнофазного управления, с помощью блоков задержки обеспечило асинхронное включение двух преобразователей каждой секции.
Испытании электровозов показали,, что на участках, например, консольного питания может отказывать штатная аппаратура управления электровоза. Отказы возникают вследствие искажения формы кривой напряжения в тяговой, сети. Введение разнофазного управления существенно снизило амплитуду свободных послекоммутационных колебаний напряжения на токоприемнике электровоза, приблизило коэффициент формы кривой питающего напряжения к коэффициенту формы синусоиды, что позволило увеличить точность .формирования синхронизирующих импульсов и повысить устойчивость работы аппаратуры управления.
Другим способом, позволяющим существенно повысить устойчивость работы системы синхронизации, является реализованное на его базе устройство формирователя синхронизирующих импульсов.
Принцип действия формирователя основан на улучшения формы кривой напряжения, поступающего в блок синхронизации. Это достигается путем дополнительного введения в схему синхронизации заграждающего фильтра, сумматора и инвертора. С помощью заграждающего фильтра, настроенного на частоту 50 Гц, выделяются все гармонические составляющие входного сигнала, отличающиеся от основной гармоники. При этом фазовый сдвиг, вносимый фильтром на частоте этих гармоник, близок к нулю. Выделенные гармоники инверсно складываются на входе сумматора с входным напряжением. В этом случае происходит компенсация гармонических составляющих входного напряжения, форма его приближается к синусоидальной, а фаза при сложении не изменяется.
Макетные испытания устройства показали его достаточную эффективность и подтвердили правильность схемных решений. При этом было выявлено, что эффективность работы устройства синхронизации во многом определяется параметрами фильтра. При настройке фильтра необходимо, чтобы гармоники 150 Гц и выше передавались им как можно с меньшими искажениями как по фазе, так и по амплитуде. Аналогичным является и требование по пропусканию низкочастотных составляющих. Только и этом случае достигается высокая эффективность работы устройства в целом. Наибольшую эффективность имеет узкополосный заграждающий фильтр на 50 Гц с добротностью больше 2D. Такой фильтр может быть реализован на базе каскадного включения двух активных звеньев на базе операционных усилителей.
Таким образом, улучшение формы сходного напряжения позволило значительно повысить точность формировать синхроимпульсов при работе электровоза в условиях сильных искажений формы кривой питающего напряжения.
1.1 Зависимость характеристик вспомогательного двигателя электровоза АНЭ-225 от параметров беличьей клетки
Система вспомогательных машин локомотивов является довольно энергоемким звеном. Так, например, у грузовых электровозов отечественных серий потребляемая вспомогательными машинами мощность, отнесенная к номинальной мощности электровоза, составляет от 3,2 до 5,3%.
Следует отметить, что локомотивы, как правило, не загружены на полную мощность и при этом относительное значение мощности, потребляемой вспомогательными машинами, возрастает, а во время выбега или простоя локомотива составляет почти 100 % мощности, потребляемой из сети.
В системах вспомогательных машин электровозов переменного тока применяют асинхронные двигатели (АД) с короткозамкнутой обмоткой ротора.
Так на новом электровозе ВЛ85 установлено 14 двигателей серии АНЭ-225, два из которых работают в приводах мотор-компрессоров, а остальные в приводах мотор-вентиляторов. Питание электродвигателей в схеме электровоза осуществляется от однофазной сети с использованием включенной емкости и такого же двигателя, работающего в качестве расщепителя фаз, двигатель имеющий номинальную мощность 55 кВт, работает в приводах, мощность которых в несколько раз меньше номинальной мощности АД. Такое использование приводит к снижению КПД двигателя, а значит и всей системы вспомогательных машин локомотива.
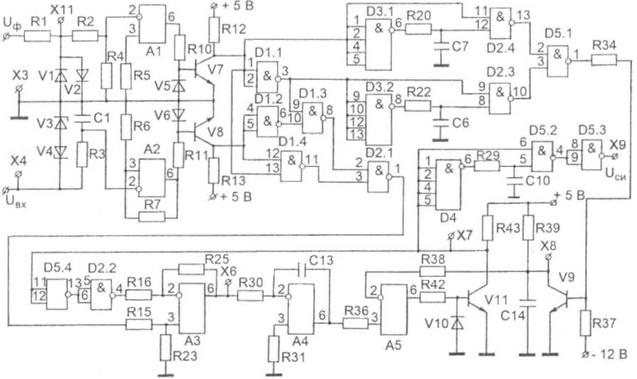
1.2 Блок синхронизации импульсов БСИ-541
Блок синхронизации импульсов БСИ рисунки 1.1и 1.2 предназначен для формирования импульсов, с помощью которых синхронизируется работа блоков управления БУВИП. Формирование импульсов происходит в моменты перехода питающего напряжения через нуль.
Напряжение UBX поступает на вход кассеты БСИ (контрольные точки Х4, ХЗ) со вторичной обмотки трансформатора синхронизации Т18, подключенного ко вторичной отмотке силового трансформатора электровоза. Однако осуществлять непосредственно синхронизацию по этому напряжению не представляется возможным так как провалы до нуля напряжения приведут к сбоям.
Рисунок 1.1 - Схема канала фазовой автоподстройки
Характеристики
Тип файла документ
Документы такого типа открываются такими программами, как Microsoft Office Word на компьютерах Windows, Apple Pages на компьютерах Mac, Open Office - бесплатная альтернатива на различных платформах, в том числе Linux. Наиболее простым и современным решением будут Google документы, так как открываются онлайн без скачивания прямо в браузере на любой платформе. Существуют российские качественные аналоги, например от Яндекса.
Будьте внимательны на мобильных устройствах, так как там используются упрощённый функционал даже в официальном приложении от Microsoft, поэтому для просмотра скачивайте PDF-версию. А если нужно редактировать файл, то используйте оригинальный файл.
Файлы такого типа обычно разбиты на страницы, а текст может быть форматированным (жирный, курсив, выбор шрифта, таблицы и т.п.), а также в него можно добавлять изображения. Формат идеально подходит для рефератов, докладов и РПЗ курсовых проектов, которые необходимо распечатать. Кстати перед печатью также сохраняйте файл в PDF, так как принтер может начудить со шрифтами.















