Пояснительная записка (1229289), страница 3
Текст из файла (страница 3)
Далее производим транспортировку ротора к стенду дефектоскопии навесного оборудования. Используя тележку ручную, кран-балку и захват для транспортировки ротора. Использовать при транспортировке индивидуальные средства защиты рукавицы брезентовые ГОСТ 12.4.010-75, каска защитная универсальная «ТРУД-У» ГОСТ 12.4.128-83.
На стенде дефектоскопии, используя дефекстоскоп МД-12ПС, произвести магнитную дефектацию вала ротора. При дефектоскопии использовать водную суспензию (состав) концентрат «ДИАГМА» ТУ2662-003-41086427-97. Контроль ОТК 100 %. Транспортировать ротор на подставку токарно-винторезного станка. Транспортировку произвести при помощи крана-балки и захвата для транспортировки ротора. Использовать индивидуальные меры защиты при транспортировке, рукавицы брезентовые ГОСТ 12.4.010-75, каска защитная универсальная «ТРУД-У» ГОСТ 12.4.128-83 [11].
Затем установить ротор на токарно-винторезный станок 16К20П согласно рисунка 2.1.
Рисунок 2.1 – Ротор турбокомпрессора ТК-34
При установке использовать тельфер монорельса, захват для транспортировки ротора. После установки ротора на станок, вставить индикатор и проверить на биение центровое отверстие вала ротора в случае наличия забоин, проточить центровое отверстие. Использовать для проверки люнет, индикаторную стойку ГОСТ 10197-70, индикатор ГОСТ 577-68. При проточке центрового отверстия использовать резец проходной Т15К6 ГОСТ 18877-73, отрезной резец шириной 12 мм с передним положительным углом не менее 140°. Затем переустановить ротор согласно рисунка 2.2, повторить предыдущие операции [5].
Рисунок 2.2 – Ротор турбокомпрессора ТК-34
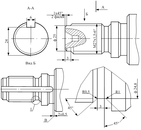
Проверить резьбу резьбовым калибром, в случае необходимости перерезать резьбу, используя плашку ГОСТ 9740-71, по размерам рисунка 2.3, размер резьбы внести в ремонтный лист ротора.
Переустановить ротор. Удалить поврежденные гребешки и проволоку с вала ротора. При износе ручьев под уплотнительные кольца, проточить шейки вала ротора под напрессовку новых втулок по размерам согласно рисунка 2.4а и рисунка 2.4б. Использовать резец проходной Т15К6 ГОСТ 18877-73, отрезной резец шириной 12 мм с передним положительным углом не менее 140° [12].
Рисунок 2.3 – Нарезание резьбы
Рисунок 2.4а – Вал ротора турбокомпрессора ТК-3404
Рисунок 2.4б – Вал ротора турбокомпрессора ТК-3404
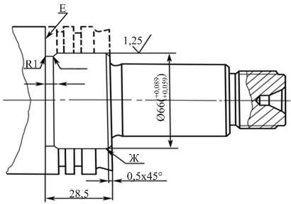
После обработки при проверке в центрах, биение поверхностей «Д» и «Ж» должно быть не более 0,05 мм, торцевое биение поверхностей «Г» и «Е» не должно превышать 0,03 мм. Размеры диаметра шеек вала ротора под напрессовку втулок внести в ремонтный лист ротора. Проверку размеров производить с помощью микрометра ГОСТ 6507-90 [14].
После переустановить ротор согласно рисунка 2.2 повторить операции, а затем снять ротор со станка. Точить ремонтную втулку для постановки на вал ротора под подшипник со стороны колеса компрессора.
- по внутреннему диаметру на ремонтный размер, длиной 41 мм.
Точить ремонтную втулку для постановки на вал ротора под подшипник со стороны турбины
- по внутреннему диаметру на ремонтный размер, длиной 53 мм.
Точить ремонтную втулку для постановки на вал ротора под уплотнительные кольца со стороны колеса компрессора
- по внутреннему диаметру на ремонтный размер, длиной 27,5 мм
Точить ремонтную втулку для постановки на ротора под уплотнительные кольца со стороны турбины
- по внутреннему диаметру на ремонтный размер, длиной 29 мм.
Размеры внутреннего диаметра втулок внести в ремонтный лист ротора. Проверку размеров ремонтной втулки производить нутромером ГОСТ 868-82. Контроль исполнителя при выполнении работ 100 %. При выполнении технологических операции использовать меры индивидуальной защиты, рукавицы брезентовые ГОСТ 12.4.010-75, каска защитная универсальная «ТРУД-У» ГОСТ 12.4.128-83, очки защитные ГОСТ Р 12.4.230-1-2007 [5].
Затем произвести специальную токарную обработку ротора. С помощью крана и захвата для транспортировки ротора, транспортировать ротор к токарно-винторезному станок 16К20П. Специальная токарная обработка производится по следующим технологическим операциям:
а) Установка ротора на токарно-винторезный станок 16К20П;
б) Установить ленту в канавку со стороны компрессора вложить проволоку и зачеканить ее конец;
в) Закатать ленту на 30 % диаметра окружности, при помощи ролика для завальцовки лабиринтной ленты;
г) Отрезать излишек проволоки и ленты;
д) Зачеканить ленту в вал ротора полностью. Для ТК-3404 повторить операции три раза, а для ТК-3419 четыре раза [5].
Проточить ленту лабиринта со стороны колеса компрессора на ремонтный размер. Повторить данную операцию для ТК-3404 три раза для ТК-3419 четыре раза, размер диаметра ленты лабиринта занести в ремонтный лист ротора. Замеры при обработке ротора производить при помощи штангенциркуля ГОСТ 166-89. После чего переустановить ротор и повторить операции девять раз. Проточить ленту лабиринта со стороны колеса турбины на ремонтный размер. Повторить данную операцию восемь раз, размер диаметра ленты лабиринта занести в ремонтный лист ротора. Снять ротор со станка. Замеры производить согласно дефектации. Контроль исполнителя при работе 100 %. Индивидуальные средства защиты при специальной токарной обработке, рукавицы брезентовые ГОСТ 12.4.010-75, каска защитная универсальная «ТРУД-У» ГОСТ 12.4.128-83 [12].
Затем с помощью ручной тележки, транспортировать ротор на участок по ремонту турбокомпрессоров. Используя при транспортировке рукавицы брезентовые ГОСТ 12.4.010-75. Ротор доставляют на подставку для сборки ротора. После чего начинается процесс замены дефектных лопаток, для этого необходимо, отогнуть замочную пластину дефектной лопатки, выбить замочную пластину, выбить дефектные лопатки турбины. Эту операцию производят при помощи молотка 7805-0101 ГОСТ 2310-77 и зубила 2810-0195 ГОСТ 7211-86. С помощью весов «TANITA 1479S» произвести контроль разновеса вновь устанавливаемых лопаток турбины. Разновес лопаток должен быть не более 3 г, разность веса диаметрально расположенных лопаток не более 1 г. Установить замочные пластины и новые лопатки проконтролированные на разновес в диск колеса турбины. Замочные пластины контролировать при помощи калибра. Зазор между лопатками 0,04–0,5 мм обеспечить подбором лопаток. Проверку зазора производить набором щупов № 2 ТУ-034-225-87. После чего загнуть замочные пластины ротора. Данные о замене лопаток ротора занести в ремонтный лист ротора. Править лопатки колеса турбины без повреждения профиля. Замеры производить согласно карте дефектации. Контроль исполнителя при работе 100 %. Индивидуальные средства защиты очки защитные ГОСТ Р 12.4.230-1-2007. После оправки лопаток ротор транспортируют к стеллажу круглошлифовального станка 3М131 с помощью ручной тележки. При транспортировке использовать рукавицы брезентовые ГОСТ 12.4.010-75 [15].
Затем ротор со стеллажа при помощи крана балки, захвата для транспортировки ротора и крана консольного свободностоящего подается к круглошлифовальному станку 3М131. При перемещении ротора использовать индивидуальные средства защиты, рукавицы брезентовые ГОСТ 12.4.010-75, каска защитная универсальная «ТРУД-У» ГОСТ 12.4.128-83. После чего произвести шлифовку колеса турбины по лопаткам на чертежный размер для ТК-3404 316,4 мм (или ремонтный 316,2 мм) для ТК3419 325 мм (или ремонтный 324,9 мм). Размер диаметра лопаток произвести при помощи штангенциркуль ГОСТ 166-89 и занести в ремонтный лист ротора. При шлифовке колеса турбины использовать защитные очки ГОСТ Р 12.4.230-1-2007 [5].
Затем ротор транспортируют на ручной тележке к прессу ПР193Б. Транспортировку производить в рукавицах брезентовых ГОСТ 12.4.010-75. После ротор устанавливают на подставки и спрессовывают колесо компрессора с вала ротора. Контроль исполнителя при выполнении работ 100 %. Индивидуальные средства защиты рукавицы брезентовые ГОСТ 12.4.010-75. Далее на ручной тележке транспортировать ротор, колесо компрессора от пресса ПР193Б на участок ремонта ротора и установить на подставку. При транспортировке использовать рукавицы брезентовые ГОСТ 12.4.010-75.
После чего произвести замер зазора «а» рисунок 2.5, диаметра шейки вала под колесо компрессора и внутреннего диаметра колеса компрессора данные внести в ремонтный лист ротора.
Рисунок 2.5 – Ротор турбокомпрессора ТК-3404
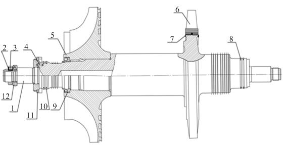
Колесо компрессора (для ТК-3419 колесо компрессора с ВНА в собранном виде) нагреть до температуры 140–160 °С, в печи для нагрева деталей. Нагретое колесо компрессора установить на вал ротора под собственным весом до упора в бурт вала. Гайку (позиция 9 рисунок 2.6) установить на вал ротора только после полного остывания колеса компрессора. Для запрессовки колеса компрессора использовать пресс запрещается. Натяг колеса компрессора (0,07–0,11 мм) обеспечить подбором деталей. Замеры производить микрометром МК Н100 ГОСТ 6507-90, нутромером ГОСТ 868-82. Контроль исполнителя 100 %. Меры индивидуальной защиты при работе рукавицы комбинированные ГОСТ 12.4.010-75 [16].
Рисунок 2.6 – Ротор турбокомпрессора ТК-3404
Далее ротор транспортировать к круглошлифовальному станку 3А423Н, используя тележку ручную. Индивидуальные меры защиты при транспортировке рукавицы брезентовые ГОСТ 12.4.010-75 [6].
Затем произвести шлифовальную обработку вала ротора, для этого установить вал ротора на станок в центре закрепить. Устанавливать вал на круглошлифовальный станок 3А423Н, при помощи крана балки и захвата для транспортировки ротора. После чего произвести шлифовку шейки на глубину 0,05 мм на сторону, при этом использовать смазывающе-охлаждающую жидкость «Kutweel-42». Контроль исполнителя 100 %. Контроль глубины шлифовки производить при помощи микрометра МК Н50 ГОСТ 6507-90. При работе использовать индивидуальные средства защиты, рукавицы брезентовые ГОСТ 12.4.010-75, каска защитная универсальная «ТРУД-У» ГОСТ 12.4.128-83.
Далее произвести напрессовывание втулки на ротор с нагревом. Для этого нагреть с помощью индукционного нагревателя SKF TIN 030 втулку до t=110–120 °С, после чего нанести лак Ф40 на шейку ротора на место посадки втулки. Надеть ремонтную втулку на шейку вала ротора стоящего на подставке при помощи клещей кузнечных. Натяг втулки (0,03–0,06 мм) обеспечить подбором деталей. Контроль исполнителя 100 %. Контроль ОТК 100 %. При выполнении работ использовать клещи продольно-поперечные плоские ГОСТ 11384-75, рукавицы комбинированные ГОСТ 12.4.010-75 [5].
После чего произвести транспортировку ротора, с помощью тележки ручной к стеллажу токарно-винторезного станка 16К20П (16Р25М). При транспортировке использовать рукавицы брезентовые ГОСТ 12.4.010-75.
Произвести токарную обработку ротора, на токарно-винторезном станке 16К20П. С помощью крана балки и захвата для транспортировки ротора ,установить ротор на станок закрепить. Обработать напрессованные втулки по наружным поверхностям до чертежных размеров в соответствии с рисунком 2.7. Обработку произвести резцом Т15К6 ГОСТ 18877-73. При этом при проверке в центрах торцевое биение поверхностей «К» должно быть не более 0,05 мм, на перпендикулярность поверхностей «К» не должна превышать 0,01 мм на длине 3,5 мм, биение поверхностей «Л» не более 0,05 мм, биение поверхностей «М» не более 0,1 мм [12].
Данные замеров занести в ремонтный лист ротора, а ротор снять со станка. Все замеры производить с помощью штангенциркуля ГОСТ 166-89, индикаторной стойки ГОСТ 10197-70, индикатора ГОСТ 577-68, микрометра
ГОСТ 6507-90. Контроль исполнителя 100 %.
Меры индивидуальной защиты при токарной обработке, рукавицы брезентовые ГОСТ 12.4.010-75, каска защитная универсальная «ТРУД-У» ГОСТ 12.4.128-83, очки защитные ГОСТ Р 12.4.230-1-2007.
Рисунок 2.7 – Обработка напрессованных втулок ТК-3404
Затем с помощью ручной тележки транспортировать ротор к стеллажу шлифовального станка 3А423Н. При транспортировке использовать рукавицы брезентовые ГОСТ 12.4.010-75.Затем произвести шлифовку шеек ротора в чертежный размер 38 мм, используя смазывающе-охлаждающую жидкость «Kutweel-42». Ротор устанавливать к круглошлифовальному станку 3А423Н, с помощью крана-балки, крана консольного свободностоящего и захвата для транспортировки ротора. После шлифовки отполировать шейки. Полировку производить с помощью круга ГОСТ 2424-83. Полученный размер шеек под подшипники занести в ремонтный лист ротора. Замер производить микрометром МК Н50 ГОСТ 6507-90. Контроль исполнителя 100 %. При работе использовать средства индивидуальной защиты, рукавицы брезентовые ГОСТ 12.4.010-75, каска защитная универсальная «ТРУД-У» ГОСТ 12.4.128-83, очки защитные ГОСТ Р 12.4.23-2007. Затем произвести технический контроль ротора на биение согласно карты дефектации поверхности А, Г, П, Б, И, Ш (рисунок 2.8). Биение проверить с помощью индикаторной стойки ГОСТ 10197-70, индикатора ГОСТ 577-68. Контроль исполнителя 100 %. Данные занести в ремонтный лист ротора [7].
Рисунок 2.8 – Ротор турбокомпрессора ТК-3404














