П З (1227814), страница 6
Текст из файла (страница 6)
- регулировка и действие крана вспомогательного тормоза усл. № 254;
- действие комбинированного крана;
- действие воздухораспределителей;
- работа блокировочного устройства;
- действие аппаратуры ЭПТ (исполнение прибора для пассажирских локомотивов и локомотивов, оборудованных аппаратурой ЭПТ).
На железнодорожном транспорте, в рамках сервисного обслуживания и диагностирования применятся система ОКО-Е предназначена проверки секвенции силовых и низковольтных цепей локомотивов, электрических параметров машин и аппаратов. Встроенная база данных позволяет произвести идентификацию исполнителя, качественную оценку процесса диагностики и автоматическую загрузку данных по беспроводной связи на сервер рабочего места мастера для формирования электронного паспорта локомотива. Возможно применение как в составе диагностических комплексов ОКО различных конфигурации, так и отдельной системой. На рисунке 3.10 изображен прибор «ОКО-Е».
Рисунок 3.10. – Прибор «ОКО-Е»
Система состоит из измерительного модуля и переносного терминала оператора. Измерительный модуль посредством щупов подключается к измерительной цепи, при помощи переключателя выбирается параметры измерений, а управление измерением производится исполнителем c терминала по беспроводной связи. В процессе диагностики, исполнитель находится за органами управления (контроллер машиниста), выбирая необходимую проверку из списка на терминале, оператор устанавливает необходимый режим нагружения цепей и нажатием кнопки на экране терминала дает команду на сохранение измеренных данных. Данные диагностики, полученные с измерительного модуля, сохраняются в памяти терминала оператора согласно выбранным проверкам. По результатам измерений автоматически строится график отображаемый на дисплее, который сравнивается с эталонным, для электрической цепи данного типа, загруженного в прибор.
Контролируемые параметры:
- проверка секвенции электрических цепей;
- силовых;
- управления;
- измерение переходных сопротивлений коммутационных аппаратов;
- измерение сопротивлений дугогасительных катушек.
4 МОДЕЛЬ СИТЕМЫ ДИАГОНСТИКИ ЛОКОМОТИВА
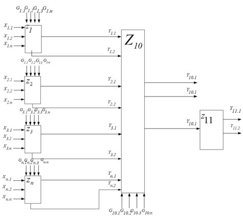
4.1 Схема диагностирования тяговых электродвигателей
На рисунке 4.1 представлена схема модели диагностирования ТЭД.
Рисунок 4.1. – Структурная схема диагностики ТЭД
На рисунке 4.1 представлена схема диагностики технического состояния тяговых электродвигателей. Двигатели были объединены в систему для сравнения их работы друг с другом. На схеме индексами
,
показаны ТЭД. Сигналы приходящие и выходящие в каждый блок идентичны. Сигнал
ток двигателя получаем из МСУДа – это аналоговый сигнал обозначается (I1). Сигнал
напряжение двигателя снимается с данных МСУД является аналоговым сигналом и обозначается (Ud1).
сигнал тока возбуждения аналоговый сигнал, который снимается с датчика Т15 является аналоговым. Сигнал
ток возбуждения, получаем с провода А301 обозначается.
Блок
в котором происходит сравнения параметров всех двигателей. В конце выдается заключение о исправности или неисправности как всей системы в целом, так и одного или нескольких двигателей по отдельности.
В блоке
происходит проверка двигателей по наработке на отказ. Данные приходя с общего блока системы.
Таблица 4.1 – Расшифровка сигналов
| Входные сигналы | Сигналы управления | Выходные сигналы | |||
| Обозначение | Расшифровка | Обозначение | Расшифровка | Обозначение | Расшифровка |
| 1 | 2 | 3 | 4 | 5 | 6 |
|
| Ток первого ТЭД по данным МСУД |
| Время работы на предельных токах |
| Сигнал исправности ТЭД и нормальном режиме эксплуатации |
|
| Напряжение ТЭД |
| Случаи перенапряжения |
| Сигнал о неисправности |
|
| Ток возбуждения ТЭД |
| Время работы в режиме перенапряжения |
| Система двигателей исправна |
|
| Ток заданный на контроллере |
| Максимальные токи |
| Система двигателей не исправна |
|
| Данные о профиле пути |
| Случаи нарушения эксплуатации одного из двигателей (отклонение от нормальной работы) | ||
|
| Данные о массе поезда |
| Данные по состоянию работоспособности двигателя | ||
|
| Данные о времени года |
| |||
|
| Напряжение контактной сети | ||||
4.2 Схема обще локомотивного диагностирования
На схеме 4.2 представлена структура диагностики всего локомотива.
Рисунок 4.2 – Структурная схема диагностики локомотивов
В блок
приходят данные со всех узлов локомотива. Элементы системы
,
,
,
передают данные с различных узлов электровоза, которые в свою очередь тоже объединены в систему. Такую систему на примере ТЭД рассмотрели ранее. На схеме мы видим один центральный блок, который обозначен
. Данные от него передаются в центр по принятию решения о ремонте локомотивов, в котором в свою очередь и принимается решение о ремонте. Схему работы центра рассмотрим ниже в схеме № 3. В таблице 4.2 расшифрованные все сигналы, показанные на схеме 4.2.
Таблица 4.2 Расшифровка сигналов
| Сигналы управления | Выходные сигналы | ||
| Обозначение | Расшифровка | Обозначение | Расшифровка |
| 1 | 2 | 3 | 4 |
| Данные о местоположения локомотива | Данные о исправности и нормальной работе всех узлов и агрегатов системы | ||
| Время до прохождения ТО-2 | Локомотив требует немедленной постановки на ремонт | ||
Окончание таблицы 4.2
| 1 | 2 | 3 | 4 |
| Данные о узлах требующих ремонт по заходу в депо | |||
| Данные передаваемые в центр принятия решений |
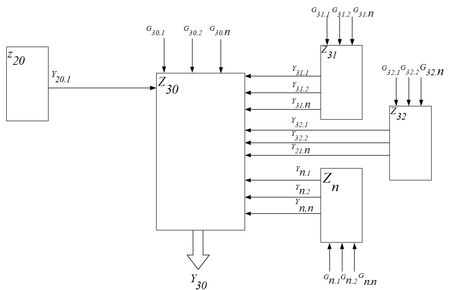
4.3 Схема центра по принятию решения ремонта локомотива
На рисунке 4.3 представлена схема центра по принятию решения о ремонте локомотива.
В блок
приходят данные с различных блоков.
блок, который был рассмотрен в схеме, это общелокомотивный блок и он передает данные о состоянии локомотива в целом и узлах требующих ремонт. Так же в основной блок приходят данные с серверов депо. Блоки серверов депо обозначены
,
,
. Управляющими воздействиями в данной схеме являются данные о возможности передвижения локомотива самостоятельно, расстояние до депо приписки, местоположение локомотива, время до следующего ТО-2. Все входные и выходные сигналы представлены в таблице 3. В центре по принятию решения производится анализ всех полученных данных полученных с серверов депо и неисправных локомотивах и дается заключения о дальнейших действиях. Данные с блока
идентичны данным с блока
. Пример процесса принятия решения рассмотрим далее. Расшифровка сигналов представлена в таблице 4.3
Таблица 4.3 Расшифровка сигналов
| Сигналы управления | Выходные сигналы | ||
| Обозначение | Расшифровка | Обозначение | Расшифровка |
| 1 | 2 | 3 | 4 |
| Местоположение локомотива | Наличие запасных частей для ремонта в депо | ||
Окончание таблицы 4.3
| 1 | 2 | 3 | 4 |
| Время до следующего ТО-2 | Свободные места для ремонта в депо | ||
| Расстояние до депо приписки | Свободные «рабочие руки» | ||
| Возможность передвижения локомотива самостоятельно | Возможность ремонта для данного локомотива | ||
| Данные с блока диагностики всего локомотива |
Рисунок 4.3 – Структурная схема центра по принятию решений о ремонте локомотива
4.4 Имитация работы системы
На рисунке 4.4 схематично обозначены ремонтные депо в границах Дальневосточной железной дороги.















