пояснительная записка (1225869), страница 2
Текст из файла (страница 2)
Рисунок 1.2 – Компоновка оборудования тепловоза ТГ-16М
На локомотиве применена микропроцессорная система управления и диагностики МСУД, которая была разработана ЦИР СТМ.
1.2 Силовая установка локомотива ТГ-16М
Важно отметить, что для локомотива ТГ-16М было решено разработать новую модификацию дизеля 12ДМ-21Л. Он был разработан в 2012-2013 гг. на базе выпускаемого ранее двигателя 12ДМ-21ЭЛ. Изготовлен дизель 12ДМ-21Л Уральским дизель-моторным заводом (УДМЗ, входит в холдинг «Синара − Транспортные Машины»).
Дизель 12ДМ-21Л представляет собой двенадцати цилиндровый двигатель внутреннего сгорания с V- образным расположением цилиндров под углом 90 градусов, жидкостного охлаждения, с непосредственным впрыском топлива, с газотурбинным наддувом и промежуточным охлаждением наддувочного воздуха. Общий вид дизеля 12ДМ-21Л и его технические характеристики приведены на рисунке 1.1 и в таблице 1.2
Таблица 1.2 – Технические характеристики дизеля 12ДМ−21Л
| Модель | ДГ-1400Л |
| Дизель | 12ДМ-21Л |
| Род тока | переменный |
| Номинальная мощность на клеммах, л.с. | 2000 |
| Частота вращения, об/мин | 1500 |
| Расход топлива, г/л.с.∙ч | 154 |
| Расход масла на угар, г/л.с.∙ч | 0,8 |
| Напряжение, В | 400 |
Рисунок 1.3 − Общий вид дизеля 12ДМ-21Л
1.3 Системы дизеля 12ДМ-21Л
Далее рассмотрим основные системы дизеля 12ДМ-21Л.
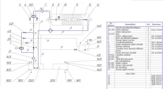
Система смазки дизеля 12ДМ-21Л (рисунок 1.4) обеспечивает непрерывную подачу масла к трущимся деталям дизеля для уменьшения трения, отвод от них тепла и охлаждение поршней. В систему смазки дизеля входят: масляный насос, центробежный фильтр, нижний и верхний масляные коллекторы, маслосборник и масляные трубопроводы дизеля. Из масляной системы тепловоза масло подводится по трубопроводу в нижний и верхний масляные коллекторы дизеля.
Из коллекторов масло по трубкам подается к подшипникам коренных опор коленчатых валов и далее по каналам в валах идет на смазку шатунных подшипников, по каналу в шатуне подводится на смазку поршневого пальца и охлаждение днища поршня.
От верхнего масляного коллектора масло подается к верхней паре конических шестерен, к приводному центробежному нагнетателю, к подшипникам валов привода топливных насосов, к реле давления и дистанционному манометру замера давления масла в верхнем масляном коллекторе. По центральному и радиальным каналам в валах привода топливных насосов масло поступает к подшипникам и шестерням этих валов. Масло, разбрызгиваемое шестернями привода валов топливных насосов, смазывает механизмы управления дизелем.
Рисунок 1.4 − Принципиальная система смазки дизеля 12ДМ−21Л
Масло, сливающееся из отсека верхнего коленчатого вала, смазывает толкатели топливных насосов высокого давления и по отводному трубопроводу и отверстиям в блоке стекает в маслосборник рамы дизеля, куда также сливается масло из приводного центробежного нагнетателя через отсек вертикальной передачи. Подшипники верхней части вертикальной передачи смазываются маслом, разбрызгиваемым верхней парой конических шестерен передачи. От нижнего масляного коллектора масло подается к нижней паре конических шестерен вертикальной передачи и к подшипникам нижней части вертикальной передачи.
Шестерни привода насосов и регулятора частоты вращения смазываются маслом, разбрызгиваемым эластичной шестерней привода насосов, к которой масло поступает по трубке от нижнего масляного коллектора. Для смазки деталей антивибратора масло поступает по специальным каналам в крайней коренной опоре коленчатого вала через каналы в ступице антивибратора.
К турбокомпрессорам масло поступает от нагнетательной полости масляного насоса по трубопроводу. Из подшипников турбокомпрессоров масло сливается по трубам через маслосборник, служащий одновременно для контроля слива масла, в отсек управления.
Система охлаждения разделяется на систему охлаждения дизеля и систему охлаждения наддувочного воздуха и масла. Соответственно на дизеле установлены два водяных насоса.
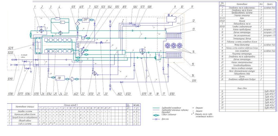
Система охлаждения дизеля 12ДМ−21Л. В систему входят: труба подвода воды к дизелю, труба подвода воды к турбокомпрессорам, патрубки подвода воды к цилиндровым гильзам, трубы слива воды из гильз в коллектор и водяной коллектор рисунок 1.5.
Из насоса системы охлаждения дизеля вода по трубам поступает в водяные полости выпускных патрубков, затем в водяные полости правого и левого коллекторов и далее в водяные полости в выпускных коробок. От выпускных коробок вода поступает в верхнюю часть выпускных коллекторов и по патрубкам подается в водяные полости Г и Д гильз цилиндров.
Охладив цилиндровые гильзы, адаптеры форсунок и индикаторных кранов, вода через сливные трубы отводится в коллектор, расположенный вдоль блока дизеля с левой стороны, а из него в тепловозную водяную систему. Из распределительной трубы часть воды отводится на охлаждение турбокомпрессоров. Водяные насосы установлены на плите насосов и приводятся во вращение от нижнего коленчатого вала дизеля через шестеренчатую передачу. Корпус, станина и всасывающая головка насоса − чугунные.
Рисунок 1.5 – Принципиальная система охлаждения дизеля 12ДМ-21Л
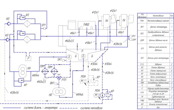
Топливная система тепловоза ТГ-16М. Подача необходимого количества топлива для нормальной работы топливных насосов дизеля обеспечивается топливной системой тепловоза (рисунок 1.6). Запас топлива на тепловозе содержится в баке, подвешенном к главной раме в средней части. Топливный бак сварен из листовой стали толщиной 4−5 мм с внутренними перегородками, обеспечивающими достаточную жесткость конструкции и гашение колебаний топлива при движении тепловоза. В нижнюю часть бака вварен отстойник, в боковых стенках имеются люки для промывки внутренних полостей. Топливо через заборное устройство бака засасывается топливоподкачивающим насосом, который работает от электродвигателя П21 через эластичную муфту. Насос шестеренчатого типа – при вращении ведущей втулки вращается звездочка. Топливо из полости всасывания А по зазорам между зубьями перегоняется в полость нагнетания Б и далее по трубопроводу в топливный коллектор дизеля.
Герметичность насоса обеспечивает уплотнение сильфонного типа. Давление нагнетания насоса ограничивается предохранительным клапаном, который сбрасывает излишек топлива в бак при превышении давления свыше – 3,5 кгс/см2. Топливо, поступающее к насосам высокого давления, проходит две степени очистки: в фильтре грубой очистки, устанавливаемом на всасывании топливоподкачивающего насоса, и фильтре тонкой очистки на нагнетательной части топливного трубопровода.
Рисунок 1.6 – Топливная система тепловоза ТГ-16М
Каждая секция локомотива имеет одну кабину управления, приспособленную для управления в одно лицо.
Тепловоз ТГ-16М оборудован следующими приборами регистрации и безопасности:
- Автоматизированной локомотивной сигнализацией (АЛСН);
- Комплексом средств сбора и регистрации КПД-3ПВ;
- Блоком несанкционированного отключения ЭПК ключом;
- Микропроцессорной системой управления и диагностики МПСУ и Д;
- Автоматическим гребнесмазывателем;
-Телемеханической системой контроля бодорствования машиниста ТСКБМ;
- Электропневматическим клапаном ЭПК−153А−01;
- Системой пожарной сигнализации и автоматического пожаротушения СПСТ Эл4−04;
- Локомотивной радиостанцией РСЛМ−1002;
- Измерительным комплексом объема топлива тепловоза КВАРТА-Р1.
1.4 Описание гидромеханической передачей Voith L530 bre U2
Машина оборудована гидромеханической передачей, изготовленной немецкой компанией Voith Turbo GmbH & Co. KG. Для тепловоза ТГ-16М выбрана гидропередача Voith L530 bre U2, которую германская фирма рекомендует для локомотивов средней мощности в диапазоне от 1000 до 1700 кВт. Гидропередача преобразует и передает крутящий момент от коленчатого вала дизеля на колесные пары тепловоза посредством карданных валов и осевых редукторов. Передача крутящего момента от коленчатого вала дизеля к входному валу гидропередачи происходит через высокоэластичную муфту и карданный вал. От входного вала гидропередачи через механические и гидродинамические узлы гидропередачи, крутящий момент передается на выходной вал гидропередачи.
Гидропередача обеспечивает:
-
автоматическую безступенчатую и безударную реализацию силы тяги;
-
гидродинамическое торможение;
-
трогание тепловоза с места без боксования;
-
буксировку тепловоза в холодном состоянии без ограничения времени и скорости;
-
противоюзную защиту.
На тепловозах ТГ-16 применяли унифицированные гидропередачи как с гидромуфтой, так и без нее. Осевые редукторы – двухступенчатые, первая ступень – цилиндрическая косозубая пара, вторая ступень – конические зубчатые колеса с круговым зубом. В системе охлаждения тепловоза используются крышевые холодильники и вентиляторы с гидростатическим приводом.
По сравнению с ранее строившимися тепловозами ТГ-102 компоновка оборудования на локомотиве серии ТГ-16М коренным образом изменена. Силовые установки развернуты так, что гидропередачи расположены ближе к середине секции тепловоза, а дизели – ближе к кабине и переходному тамбуру. Это позволило связать карданными валами выходные валы гидропередач не только с осевыми редукторами, но и между собой, получив тем самым групповой привод всех осей секции, что уменьшает склонность локомотива к боксованию.
Кинематическая схема гидропередачи тепловоза ТГ-16М приведена на рисунке 1.7. При поездном режиме вперед, крутящий момент от дизеля передается на входной вал 1. Через шестерни повышающего редуктора момент передается на насосный вал 2.Через шестерни (z1 и z2, при работе пускового гидротрансформатора, z3 и z4, при работе маршевого) крутящий момент передается на промежуточный вал 3. Через шлицевую муфту переднего хода и шестерни крутящий момент передается на раздаточный вал 4. От 4 крутящий момент передается на раздаточные карданные валы 5. От 5 крутящий момент передается на внутренние колеса через тележечные карданные валы 6, соединенные с двухступенчатыми осевыми редукторами 7. От редуктора крутящий момент передается на наружные колеса колесной пары 8.
Рисунок 1.7 – Кинематическая схема гидропередачи Voith L530 bre U2
Кабина машиниста, изготовленная НПО «РОСТ» отвечает нормам безопасности НБ ЖТ. В кабине машиниста установлен пульт управления, контрольно-измерительные приборы и аппараты, необходимые для управления тепловозом, контроля за работой силовой установки и тормозного оборудования. В санитарно-бытовом отсеке расположены: туалет замкнутого типа и умывальник.
На рисунке 1.8 представлена схема гидростатики ТГ-16М.
Рисунок 1.8 – Схема гидростатики ТГ-16М
Кабина машиниста, изготовленная НПО «РОСТ» отвечает нормам безопасности НБ ЖТ. В кабине машиниста установлен пульт управления, контрольно-измерительные приборы и аппараты, необходимые для управления тепловозом, контроля за работой силовой установки и тормозного оборудования. В санитарно-бытовом отсеке расположены: туалет замкнутого типа и умывальник.
2 АНАЛИЗ ДАННЫХ РЕЗУЛЬТАТОВ ОПЫТНЫХ ПОЕЗДОК ТЕПЛОВОЗА ТГ-16М №002
В ходе испытаний использовался тепловоз ТГ-16М №002 приписка и полигон тяговых плеч депо Южно-Сахалинск ТЧЭ-15. Схемы опытных поездов с тепловозом ТГ-16М №002 на дальневосточной железной дороге Сахалинский регион.
Опытная поездка №1 − 21 апреля 2015 г. Холмск Сорт − Невельск вес 3006 т. 50 вагонов, 208 осей, усл. дл.-50.
Опытная поездка №2 − 21 апреля 2015 г. Невельск – Чехов вес 3006 т. 50 вагонов, 208 осей, усл. дл.-50.
Опытная поездка №3 − 21 апреля 2015 г. Чехов − Холмск Сорт вес 3006 т. 50 вагонов, 208 осей, усл. дл.-50 .
Опытная поездка №4 − 21 апреля 2015 г. Холмск Сорт − Невельск вес 3475 т. 70 вагонов, 288 осей, усл. дл.-70.















