3 пункт диплома (1224589)
Текст из файла
3 ОТКАЗЫ И ОСНОВНЫЕ НЕИСПРАВНОСТИ АГС
3.1 Перечень возможных неисправностей гидропневматической части гребнесмазывателя и рекомендации по их устранению приведены в таблице 3.1.
В данной таблице применяются следующие условные обозначения:
ЭПВ – вентиль электромагнитный.
Таблица 3.1 - Перечень возможных неисправностей
| Характер неисправности | Возможная причина | Способ обнаружения | Метод устранения |
| 1 | 2 | 3 | 4 |
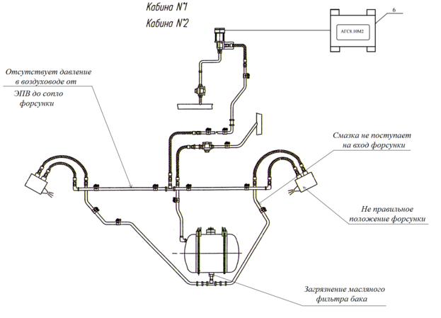
| ЭПВ срабатывает, смазка в баке есть, но впрыск отсутствует. | 1.1Отсутствует давление в воздуховоде от ЭПВ до сопла форсунки. | Нажать вручную на кнопку ЭПВ и убедиться в отсутствии выхода воздуха из сопла форсунки с характерным свистом | 1Продуть воздуховод от ЭПВ до форсунки. 2Востановить или заменить сопло, если оно «затерто». 2Снять форсунку, прочистить ее воздушный канал. |
| 1.2 Смазка не поступает на вход форсунки. | Ослабить подсоединение рукава к масляному штуцеру форсунки и убедиться в отсутствии поступления смазки | 1Разработать и промыть масляный фильтр бака. 2Промыть и продуть маслопровод от бака до форсунки | |
| 1.3Утечки воздуха из-под крышки форсунки. | Нажать вручную на кнопку ЭПВ и убедиться в утечке воздуха | Поджать винты крепления крышки или заменить прокладку. | |
| 1.4Регулировочный шток форсунки ввернут до отказа. | Ослабить гайку, шток вывернуть на 1,5 – 2 оборота. Нажать вручную на кнопку ЭПВ и убедиться в наличии впрыска. | Отрегулировать форсунку на необходимую дозу. | |
| Продолжение таблицы 3.1 | |||
| 1 | 2 | 3 | 3 |
| 2Смазка впрыскивается на поверхность катания или на край гребня колеса. | 2.1Неправильное положение форсунки. | Убедиться в несоответствии реального расположения форсунки сборочному чертежу. | Выставить форсунку. |
| 2.2«Затерто» сопло форсунки. | Убедиться визуальным осмотром. | 1.Востановить сопло. 2.Заменить форсунку. | |
3.2 Поиск неисправностей блока рекомендуется проводить с использованием стенда контроля типа СК АГС, серийно выпускаемом НПП «САРМАТ».
При отсутствии стенда поиск неисправностей целесообразно проводить в объеме всей электрической схемы гребнесмазывателя.
3.3 Перечень возможных неисправностей и рекомендации по их устранению приведены в таблице 3.2.[5]
В данной таблице применяются следующие условные обозначения:
ЭБУ – электронный блок управления гребнесмазывателем;
ЭПВ – вентиль электромагнитный.
Таблица 3.2 - Перечень возможных неисправностей
| № неисправности | Характер неисправности | Возможная причина | Способ обнаружения | Метод устранения |
| 1 | 2 | 3 | 4 | 5 |
| 1 | При включении на ЭБУ тумблера «ВКЛ» горит инд. «АВАРИЯ». | Сгорел или отсутствует предохранитель. | Проверить наличие и целостность предохранителя. | Установить предохранитель. |
| Продолжение таблицы 3.2 | ||||
| 1 | 2 | 3 | 4 | 5 |
| 2 | При включении на ЭБУ тумблера сгорает предохранитель. | Короткое замыкание провода «+ЭПВ» с проводом «-Пит.» или корпусом. | Отключить питание ЭБУ. Отсоединить жгут от ЭБУ и вентиля, замерить сопротивление изоляции провода относительно корпуса и «-Пит.» | При понеженном сопротивлении изоляции устранить замыкание или заменить поврежденный провод. При нормальном сопротивлении изоляции заменить ЭБУ. |
| 3 | При включении ЭБУ кроме индикатора «ВКЛ» постоянно горит индикатор «СМАЗКА». | 1 Отсоединить ЭПВ, обрыв провода и цепи подключения ЭПВ или в катушке ЭПВ. 2 Замыкание провода «-ЭПВ» с проводом «-Пит.» или корпусом. | 1 Отсоединить жгут от ЭБУ и замерить сопротивление между цепями «+ЭПВ» и «-ЭПВ». 2 Отсоединить жгут от ЭБУ и замерить сопротивление изоляции между цепями «-ЭПВ» и «-Пит.», «-ЭПВ» и корпусом. | 1 При обнаружении обрыва цепи устранить его или заменить неисправный вентиль. 2 При низком сопротивлении изоляции устранить причину. При отсутствии обрыва и нормальном сопротивлении изоляции заменить ЭБУ. |
| 4 | При нажатии на ЭБУ кнопки «КОНТРОЛЬ» или при движении локомотива на скоростях выше пороговой отсутствует периодическое загорание индикатора «СМАЗКА». | 1 Цепь «-ЭПВ» закорочена на «+ЭПВ» или «+Пит.» (короткое замыкание в монтаже или катушке ЭПВ». 2 На входе «ПЕСОК» («ТОРМОЗ») при отсутствии команды имеется напряжение. | 1 Отсоединить жгут от ЭБУ и замерить сопротивление между цепью «-ЭПВ» и цепями «+ЭПВ» и «+Пит». 2 Отсоединить жгут от ЭБУ и замерить напряжение между цепями «ПЕСОК» («ТОРМОЗ») и «-Пит.». | 1 При наличии короткого замыкания или если сопротивление между цепями «-ЭПВ» и «+ЭПВ» ниже, чем указано в технических данных применяемого вентиля, устранить замыкание или замените ЭПВ. 2 Устранить наличие напряжения в этих цепях. При исправном ЭПВ и отсутствии дефектов в цепях подключения ЭПВ и «ТОРМОЗ» («ПЕСОК») заменить ЭБУ |
| Продолжение таблицы 3.2 | ||||
| 1 | 2 | 3 | 4 | 5 |
| 5 | В режиме «КОНТРОЛЬ» гребнесмазыва-тель работает нормально, при движении вентиль не включается. | Не поступают сигналы с датчика скоростемера | Проверить цепи подключения датчика к ЭБУ и сами датчики в соответствии с их эксплуатационной документацией. | Устранить неисправность в цепях подключения датчика, проверить правильность установки датчика. При необходимости заменить датчик. При исправных датчиках и цепях их подключения заменить ЭБУ. |
Рисунок 3.1 - Основные неисправности АГС
Рисунок 3.2 – Основные неисправности АГС
Лист
Изм.
Лист
№ документа
Подпись
Дата
ДП 190301.65.К09-Л-308.ПЗ
Характеристики
Тип файла документ
Документы такого типа открываются такими программами, как Microsoft Office Word на компьютерах Windows, Apple Pages на компьютерах Mac, Open Office - бесплатная альтернатива на различных платформах, в том числе Linux. Наиболее простым и современным решением будут Google документы, так как открываются онлайн без скачивания прямо в браузере на любой платформе. Существуют российские качественные аналоги, например от Яндекса.
Будьте внимательны на мобильных устройствах, так как там используются упрощённый функционал даже в официальном приложении от Microsoft, поэтому для просмотра скачивайте PDF-версию. А если нужно редактировать файл, то используйте оригинальный файл.
Файлы такого типа обычно разбиты на страницы, а текст может быть форматированным (жирный, курсив, выбор шрифта, таблицы и т.п.), а также в него можно добавлять изображения. Формат идеально подходит для рефератов, докладов и РПЗ курсовых проектов, которые необходимо распечатать. Кстати перед печатью также сохраняйте файл в PDF, так как принтер может начудить со шрифтами.














