Пояснительная записка (1222534), страница 4
Текст из файла (страница 4)
Рисунок 2.2 – Схемы замещения асихронной машины: а) в осях d; б) в осях q
Электромеханическая часть машины описывается уравнениями:
Описание и размерность параметров, входящих в уравнения (2.1) и (2.2), представлены в таблице 2.1.
Таблица 2.1 – Параметры асинхронного двигателя
| Параметр схемы замещения | Физический смысл параметра |
| Rs (Ом), Lls (Гн) | Сопротивление и индуктивность рассеяния статора |
| R`s (Ом), L`ls (Гн) | Приведенные сопротивление и индуктивность рассеяния ротора |
| Lm (Гн) | Взаимная индуктивность между статором и ротором |
| Ls, L`r (Гн) | Полные индуктивность статора и приведенная индуктивность ротора |
| Vqs (B), iqs (А) | Проекции пространственных векторов напряжения и тока статора на ось q |
| V`qr (B), i`qr (А) | Проекции пространственных векторов напряжения и тока ротора на ось q |
| Vds (B), ids (А) | Проекции пространственных векторов напряжения и тока статора на ось d |
| V`dr (B), i`dr (А) | Проекции пространственных векторов напряжения и тока ротора на ось d |
| | Проекции пространственного вектора потокосцепления статора на ось q и d |
| | Проекции пространственного вектора потокосцепления ротора на ось q и d |
| | Угловая скорость вращения ротора |
| | Угол поворота ротора |
| p | Число пар полюсов |
| | Электромагнитный момент машины |
В качестве источника питания виртуального асинхронного двигателя применяются три элемента AC Voltage Source. Этот блок обеспечивает получение синусоидального напряжения с постоянной амплитудой.
Выбирается значение напряжения 1860 В (Реак Amplitude), частота 50 Гц (Frequency), а также оставание фазных напряжений на 120 эл. град Phase. Для этого выбираются начальные значения фаз напряжения 0, 120 и 240 эл. град. соответственно. Параметр Sample time – шаг дискретизации. С помощью этого параметра задается шаг дискретизации по времени выходного напряжения источника при создании дискретных моделей. Measurments – измеряемые переменные. Задаются переменные, передаваемые для измерения в блок Multimeter или для наблюдения с помощью блока Scope. Значение параметра выбирается из списка:
- None – переменные не отображаются;
- Voltage – отображается выходное напряжение источника.
Блок является идеальным источником напряжения и имеет нулевое внутреннее сопротивление. Окно настройки источников переменного напряжения изображено на рисунке 2.3.
Рисунок 2.3 – Окно настройки элемента AC Voltage Source
Элемент виртуального асинхронного двигателя в программе Matlab называется Asynchronous Machine SI Units. В параметрах этого элемента устанавливаем основные характеристики двигателя, установленные на электровозе 2ЭС5 (таблица 2.2). Порты модели А, В и С – выводы статорной обмотки машины. Порт Тт предназначен для получения момента сопротивления движению. На выходе порта т формируется векторный сигнал, состоящий из 21 элемента: токов, потоков и напряжений ротора и статора в неподвижной и вращающейся системах координат, электромагнитного момента, скорости вращения вала, а также его углового положения.
Таблица 2.2 – Параметры асинхронного двигателя электровоза 2ЭС5
| Параметр | Значение |
| Тип асинхронного двигателя | С короткозамкнутым ротором |
| Номинальное напряжение, В | 1860 |
| Номинальный ток, А | 430 |
| Номинальная мощность на валу якоря двигателя, кВт | 2623 |
| Частота напряжения, Гц | 50 |
| Сопротивление статора, Ом | 0,4 |
| Индуктивность статора, Гн | 0,002 |
| Сопротивление ротора, Ом | 0,8 |
| Индуктивность ротора, Гн | 0,002 |
| Число пар полюсов | 2 |
| Скольжение, % | 0,05 |
Окно ввода параметров виртуальной асинхронной машины показано на рисунке 2.4.
Рисунок 2.4 – Окно ввода параметров асинхронной машины
В первом поле (Machine type) окна настройки параметров блока вводится тип машины. В остальных полях галочками отмечаются переменные состояния, которые выводятся для измерения.
Во втором поле Preset model можно выбрать одну из моделей библиотеки или отказаться от выбора и ввести параметры собственной модели. Во втором поле (Mechanical input) в выпадающем списке можно выбрать два варианта:
а) torque Tm (момент);
Б) speed w (скорость).
В первом случае асинхронная машина представляет собой источник скорости, а момент в ней компенсирует момент на валу (на входе Tm виртуальной модели). Во втором случае асинхронная машина представляет собой источник момента, а скорость в ней устанавливается равной заданной на входном порту.
В третьем поле (Rotor type) выбирается либо короткозамкнутый ротор (Squirre-cage), либо фазный ротор (Wound).
В четвертом поле (Reference frame) выбирается система координат, в которой измеряются переменные состояния машины. Здесь из выпадающего списка можно выбрать неподвижную систему координат, синхронно вращающуюся систему координат и систему координат вращающуюся со скоростью ротора.
В остальные поля окна (при отмеченном поле Show detailed parameters) вводятся параметры модели в соответствии с математическим описанием.
Для измерения переменных состояния машин переменного тока используется универсальный блок Measurement (рисунок 2.5).
Начальные условия машины вычисляются при необходимости с помощью блока Powergui. Powergui установлен режим расчета на переменном токе (Phasor simulation). В этом случае значение параметра выбирается из списка:
- magnitude – амплитуда (скалярный сигнал);
- complex – комплексный сигнал;
- real-imag – вектор, состоящий из двух элементов – действительной и мнимой составляющих сигнала;
- magnitude-angle – вектор, состоящий из двух элементов – амплитуды и аргумента сигнала.
Для извлечения переменных состояния из вектора измеряемых переменных электрической машины используется блок Machines Measurement Demux. Блок работает совместно с моделями синхронных и асинхронных машин.
Окно задания параметров представлено на рисунке 2.5.
Рисунок 2.5 – Диалоговое окно настройки параметров блока Machines
Measurement Demux
Как видно из рисунка, в нашем случае будем измерять только скорость ротора (wm) и электромагнитный момент (Те).
Для измерения линейного напряжения между фазами используется элемент Voltage measurement. Этот элемент измеряет мгновенное значение напряжения между двумя узлами цепи. На выходе блока имеется сигнал, который может использоваться любым блоком из Simulink.
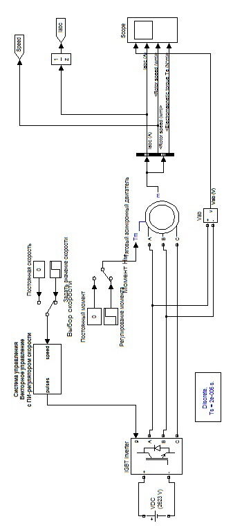
Построенная модель асинхронного двигателя представлена на рисунке 2.6.
| | Рисунок 2.6 – Модель асинхронного двигателя с короткозамкнутым ротором в программе Matlab |
Для построения схемы вызываются два окна: окно обозревателя библиотеки Simulink Library Browser кнопкой «Play» и окно модели через меню File/New/Model. Располагаются окна рядом на рабочем столе. В левой части окна обозревателя следует закрыть дерево Simulink, открыть дерево SimPowerSystems и активировать строку дерева Electrical Sources (источники электрической энергии), а затем поочередно все перечисленные выше разделы. Схема собирается по технологии «drag-and-drop». Для управления ключами используется генератор прямоугольных импульсов Pulse Generator, подключенный к управляющим электродам g идеальных ключей.
Настройка схемы заключается в установке уровня напряжений источников, частоты и фазовых сдвигов, а также в выборе параметров асинхронного электродвигателя. У генератора Pulse Generator задается амплитуда 1 В, длительности периода 3 с и длительности импульса величиной 50% от длительности периода. Измерения осуществляются с помощью осциллографов Scope (раздел Sinks библиотеки Simulink), первый из которых подключен к порту т блока Machines Measurement Demux, второй — к фазам А и В асинхронного электродвигателя через измеритель напряжения Voltage Measurement из раздела Measurements (измерительные и контрольные устройства). Все настройки осциллографов были подробно рассмотрены в материалах предыдущих уроков. Модельное время Stop time, равное периоду импульсного сигнала 3 с, и максимальный шаг дискретизации Max step size (величина auto) устанавливаются в меню Simulation/Simulation parameters окна модели. Результаты моделирования в виде временных диаграмм представлены на рисунке 2.7 и 2.8. Видно, что в пределах 1,5 с электродвигатель разгоняется, а затем тормозится. Скорость ротора асинхронного электродвигателя при этом нарастает и спадает по экспоненциальному закону.
Рисунок 2.7 – График изменения числа оборотов ротора двигателя с течением времени
.
.















