ДИПЛОМ КОНЕЧНЫЙ (1222521), страница 6
Текст из файла (страница 6)
Рисунок 4.1 - Образование силы тяги по инновационному представлению с реакцией рельса, в динамике
К рассматриваемому движению применимы законы механики, а именно теоремы Даламбера и Н.Е. Жуковского[7].
Всякое движение твердого тела в бесконечно малый промежуток времени может быть разложено на поступательное движение со скоростью некоторой точки тела и вращательное движение вокруг мгновенной оси, проходящей через эту точку (теорема Н.Е. Жуковского)[7]:
(4.2)
При этом в формуле кинетической энергии присутствует значение скорости и момента инерции. Обычно принимаю значение линейной скорости, но взаимодействие колеса и рельса происходит в точке их контакта, поэтому необходимо принимать скорость взаимодействия колеса с рельсом. Кроме этого момент инерции необходимо принимать приведенным к точке взаимодействия колеса и рельса.
Конический профиль бандажа колеса, наличие зазоров, меняющихся в эксплуатации в широких пределах (от 7 до 43 мм), приводит к произвольным поперечным перемещениям колесных пар и тележек относительно оси пути. Особенно при достаточном износе элементов экипажа возникает перекос колесной пары относительно оси пути.
Перекос колесных пар в значительной степени влияет на коэффициент потерь энергоресурсов от дополнительного трения.
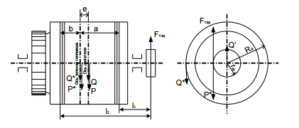
В точке контакта гребня с рельсом возникает нормальное давление N и сила трения T, равная произведению нормального давления на коэффициент трения гребня по рельсу. Проекция на нормаль к рельсу от суммарной силы давления и трения в точке контакта гребня и рельса приложена сила ∆Р . Сила
∆Р смещена на величину забега е. Воздействие силы ∆Р приводит нетолько к изменению нагрузки на рельсы, но и к появлению момента сопротивления. Одним из факторов, влияющим на догрузку или разгрузку колесной пары,
является расположение тягового двигателя в момент движения и расположение тяговых редукторов, от которых зависит распределение моментов на колесах.
Кроме того, согласно теоремы Н.Е. Жуковского, сила давления движущейся по поверхности материальной точки на эту поверхность равна сумме проекций на нормаль движущей силы и центробежной силы инерции:
(4.3)
В расчетах традиционно принимают нагрузку от колеса на рельс статической. Как показано выше, необходимость учета некоторых факторов, заменяют коэффициентом динамики. Общая нагрузка на ось колесной пары будет суммироваться из проекций действующих сил в режиме тяги, дополнительных сил от положения колесной пары в колее и приведенных моментов инерции вращающихся частей колесно- моторного блока. Помимо скорости взаимодействия, диаметр колеса характеризует удельное давление на контактную площадку коэффициентом статической нагрузки. Целесообразность оценки тяговых возможностей локомотива удельным коэффициентом статической нагрузки C подтверждается опытом локомотивостроения многих государств мира и основывается на зависимости линейных размеров колеса и площади взаимодействия колеса и рельса:
(4.4)
Анализируя данное выражение можно заметить, что чем меньше диаметр колеса, тем больше статическая нагрузка на контактную площадку рельса, тем больше удельное давление. Соответственно, чем больше статическая нагрузка, тем больше сила сцепления колеса с рельсом.
Крутящий момент, на валу тягового двигателя находят в зависимости от тока электрической машины, который можно представить как момент пары сил Q-Q’. Этот момент создается благодаря наличию электромагнитной связи между якорем и корпусом двигателя. Сила Q действует на расстоянии радиуса Rа от геометрической оси якоря. Она уравновешивается касательной силой давления на зубья зубчатого колеса F ТЭД.
Середина якоря, являющаяся местом приложения сосредоточенных нагрузок Q или Р, относительно оси симметрии тележек смещена на величину e рисунок 4.2. В результате при работе привода нагрузка P распределяется неравномерно. Сила на зубчатом колесе в количественном отношении отлична от момента, развиваемого тяговым двигателем.
Количественную зависимость можно определить, составив пропорциональную зависимость:
(4.5)
(4.6)
(4.7)
Рисунок 4.2 - Пояснения асимметрии якоря
На основании выполненных теоретических исследований в качестве базового аналитического алгоритма для решения поставленных задач выбрана функция:
(4.8)
Где приведенные функциональные зависимости выражаются следующим образом:
(4.9)
f(a)- так называемый, фактор сцепления. Под термином «фактор сцепления» (factor of adhesion) понимается один из строительных коэффициентов локомотива, а именно – отношение его сцепной массы к силе тяги по приводам. В отечественной практике расчет массы поезда производится не по «фактору сцепления», а по опытным поездкам. Заметим, что «фактор сцепления» вовсе не является величиной, обратной нашему коэффициенту сцепления. На данный момент локомотивостроителям нет необходимости количественного повышения мощности локомотива с существующей колесной формулой и мощностью тяговых двигателей. В этом как раз можно убедиться с помощью фактора сцепления. Если фактор будет больше определенного значения, то мощность привода недостаточна, и ее можно увеличить для данного привода. Если фактор меньше, то локомотив склонен к буксованию. f ( x ) - функция зависимости геометрических и кинетических параметров, таких как, асимметрия якоря, разница диаметров колес. Функция выражается через коэффициент использования сцепной массы:
(4.10)
где ∆Р - наибольшее уменьшение давления колесной пары под влиянием силы тяги;
f ( d ) - динамическая составляющая, выраженная в качестве кинетической энергии и силы воздействия шестерни на зубчатое колесо, f ( j ) - функция, учитывающая приведенный к точке касания колеса и рельса момент инерции вращающихся масс колесно-моторного блока.
Для каждого положения колесно-моторного блока приведенный моментинерции звеньев находится по формуле:
(4.11)
где mi – масса i-го звена, si J – момент инерции i-го звена относительно оси, проходящей через центр масс этого звена, ωi – угловая скорость i-го звена, Vsi – скорость центра масс i-го звена, ωc – угловая скорость входного звена. В данном случае это звено – колесо, вращающееся относительно точки контакта колеса с рельсом. f (t ) - функция, учитывающая разницу характеристик тяговых электромашин.
В данной работе выполнена попытка поиска подходов к созданию методологии оценки и нормирования тяговых свойств локомотивов. В обобщенной комплексной функции представлены методы и математические модели:
- Факторов, влияющих на тягово-сцепные свойства локомотивов.
- Коэффициентов (фактор сцепления, как строительный коэффициент и коэффициент C, который определяет зависимость между диаметром колеса и статической нагрузкой).
- Оптимального соотношения числа колесных пар, нагрузок на ось, мощности по приводам и диаметра колес.
- Соотношений и зависимостей, позволяющих разрабатывать и проектировать системы управления передачей мощности локомотива с нормированными сцепными свойствами и бортовой системой оценки тяговых возможностей локомотивов.
-
СРАВНИТЕЛЬНЫЙ АНАЛИЗ ПАРАМЕТРОВ И ХАРАКТЕРИСТИК ТЕПЛОВОЗОВ
-
Формирование математической структуры оценки уровня тяговых свойств локомотивов
В данной разделе объясним представление об образование силы тяги и коэффициенте сцепления, а также факторов, влияющих на них в виде математической структуры.
Известно, что коэффициент сцепления у колеса с рельсом определяется силой сцепления Fсц и нагрузкой Р от колеса на рельс
Ψ = Fсц / Р. (5.1)
Коэффициент трения скольжения μ между различными материалами - в соответствии с законом Амонтона-Кулона уравнением:
μ = FТС / Р, (5.2)
где FТС - сила трения скольжения.
На рисунке 5.1 приведена зависимость коэффициентов сцепления и трения скольжения между заторможенным колесом и рельсом от скорости.
1 – у по Пуаре (1852год); 2 – у по Михелю и Виккерту (1927год); 3 – у по Мюллеру (1928 год); 4 - у по Пароди и Тетрелю (1935 год); 5 – у по Котеру (1935 год); 6 – у для железных дорог России (1986 год); 7 - у для европейских железных дорог (1974 год); 8 – среднее значение у; 9 – μ по Метцкову; 10 – μ по техническому справочнику железнодорожника (1949 год)
Рисунок 5.1 – Зависимость коэффициентов сцепления у и трения скольжения μ от скорости
Видно, что значения коэффициента трения скольжения практически в 2 - 3 раза меньше, чем коэффициента сцепления. Однако сравнивая зависимости (5.1) и (5.2), можно сделать следующий вывод: коэффициенты сцепления колеса с рельсом и трения скольжения определяются одинаковыми формулами и, следовательно, должны быть равны друг другу, так как сила нормального давления Р от колеса на рельс в обеих формулах одинакова, а силы трения скольжения и сцепления равны друг другу, поскольку обе являются касательными к ободу колеса, имеют одинаковую физическую природу и возникают благодаря преодолению межмолекулярных сил и шероховатостей контактирующих поверхностей.
Одной из причин несоответствия коэффициентов сцепления и трения скольжения является неправильное, представление об образовании сил тяги на ободе колеса и сцепления колес с рельсами, а вследствие этого неверное определение коэффициента сцепления. В теоретических и экспериментальных исследованиях электроподвижного состава в действительности определялся не коэффициент сцепления колеса с рельсом, а коэффициент тяги, так как сила тяги определялась на автосцепке.
Автор Гордиенко делает допущения, что к зубчатому колесу колесной пары в точке А (рисунок 5.2) приложена внешняя сила Fзк, а к оси колеса - сила сопротивления движению W. Сила Fзк по традиционным представлениям является внутренней. То есть колесная пара получает от тягового двигателя крутящий момент, единственным образом представляемый парой сил.
Рисунок 5.2 – Образование силы тяги на колесе
Ввиду того что W препятствует перемещению колеса вдоль пути, внешняя сила стремится повернуть колесо вокруг его центра О. Однако этому препятствует сила сцепления Fсц, возникающая в месте контакта колеса с рельсом. Как видно, эти три силы образуют рычаг второго рода с плечами СО, ОА, а силы Fзк и Fсц стремятся преодолеть силу сопротивления движению. При этом обеспечивается равенство моментов
Fзк Rзк = Fсц Rб , (5.3)
где Rзк - диаметр зубчатого колеса;
Rб, - диаметр колеса по кругу катания.
Из чего следует
Fсц = Fзк
. (5.4)
Fзк = Fсц
. (5.5)
Для обеспечения движения и равновесия системы необходимо, чтобы сумма внешней силы и силы сцепления была равна силе сопротивления движению, то есть
W = Fзк + Fсц. (5.6)
Из (5.6) следует, что сумма сил Fсц и Fзк, уравновешивает силу сопротивления движению W и является силой тяги на колесе FТК
FТК = Fзк + Fсц. (5.7)
Подставляя в (5.7) значение силы сцепления Fсц из (5.4) и (5.5), получим уравнение, определяющее значение силы тяги на колесе
FТК = Fзк
. (5.8)
В соответствии с рисунком 5.2 справедливо следующее уравнение моментов















