Диплом (1222379), страница 18
Текст из файла (страница 18)
ПРИЛОЖЕНИЕ Х
Расчетная конструкция стены
Рисунок Х 1
1 – железобетонный слой (
); 2 – утеплитель (
);
Теплотехнические характеристики элементов стены
Таблица Х 1
| Наименование материала слоя | Толщина слоя (м) | Средний объемный вес (плотность) (кг/м3) | Коэффициент теплопроводности Вт/моС |
| железобетонный слой | 0,2= | 2500 | 1.69 |
| утеплитель |
| 40 | 0,046 |
| цементно-песчаный р-р |
| 0,87 | |
| цементно-песчаный р-р |
| 0,87 |
Экономические показатели
Таблица Х 2
| Наименование показателя и формула подсчёта | Обозначение | Ед. изм. | Величина |
| Площадь застройки Площадь жилья Площадь вспомогательная Площадь общая Строительный объём | ПЗ ПЖ ПВ ПП QК | м2 м2 м2 м2 м3 | 919,3 923,0 1010,4 1933,4 11217,5 |
ПРИЛОЖЕНИЕ Ц
Технические характеристики экскаватора Komatsu S4D
Таблица Ц 1
| Характеристики экскаватора | Значение |
| Радиус поворота задней части платформы, мм | 1990 |
| Скорость поворота платформы, об/мин. | 13,3 |
| Высота копания, мм | 9670-10040 |
| Максимальный радиус копания, мм | 9430-9920 |
| Максимальная досягаемость (по уровню грунта), мм | 9250-9750 |
| Объем ковша, м3 | 0,65 |
Технические характеристики крана Komatsu LW250-5
Таблица Ц 2
| Характеристики | Значение |
| Грузоподъемность, кг | 25000 |
| Грузоподъемность при максимальной длине стрелы, т | 7 |
| Максимальная длина стрелы, м | 32 |
| Максимальный рабочий радиус,м | 28,2 |
| Расстояние между аутригерами (опорами), мм | 2,2-6,3 |
| Длина, мм | 10990 |
| Ширина, мм | 2620 |
| Колесная база, мм | 3500 |
| Масса, т | 26,5 |
ПРИЛОЖЕНИЕ Ч
Монтажный предохранительный пояс
Рисунок Ч 1
Универсальное ограждение кровли
Рисунок Ч 2
ПРОДОЛЖЕНИЕ ПРИЛОЖЕНИЯ Ч
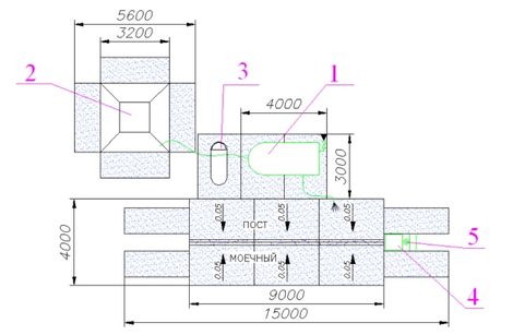
Схема организации моечной площадки
Рисунок Ч 3
1-Очистная установка;
2-Шламоприемный кювет;
3-Система сбора осадка (при невозможности выполнить поз.2);
4-Песколовка;
5-Насос погружной;
ПРИЛОЖЕНИЕ Ш
Технические характеристики мойки колес оборотного водоснабжения
Таблица Ш 1
| Технические характеристики | 220В | 380В |
| Пропускная способность машин в час | 10 | 10 |
| Установленная мощность кВт | 3.5 | 11 |
| Мощность компрессора | 2.5 | 7.5 |
| Мощность тепловентилятора кВт | 1.5 | 1.5 |
| Рабочее давление Атм | 10 | 10 |
| Расход воздуха л\мин | 270-335 | 830-850 |
| Объем ресивера л | 100 | 270 |
| Масса кг | 300 | 375 |
| Габариты Д*Ш*В мм | 2000*1215*1335 | 2000*1215*1335 |
Рисунок Ш 1
ПРИЛОЖЕНИЕ Щ
Функциoнальная схема двухкомнатной квартиры
кухня
Хозяйственная
Жилая комната общая
прихожая
зона
Жилая комната спальня
Лестничная Жилая
Клетка зона
С/У
Уборная
Санитарно-гигиеническаяЗона
=0,02














