Бойцов Н.С. (1219556), страница 3
Текст из файла (страница 3)
Для управления выключателем в каждом приводе установлены: 1 электромагнит включения и 2 электромагнита отключения. Электромагниты поставляються на напряжение 220 В. В электрической схеме привода имеется переключатель выбора режима управления «местное/дистанционное» и реле блокировки от многократных включений.
В качестве дугагасительной и изоляционной среды в выключателе применен специальный инертный негорючий газ – элегаз (во всём диапазоне рабочих температур), что делает выключатель практически необслуживаемым во время всего срока эксплуатации, а также благодаря этому выключатель взрыво- и пожаробезопасен. Полюсы выключателя снабжены защитными мембранами, что делает его взрывозащищённым даже при возникновении внутреннего короткого замыкания.
Каждый полюс выключателя снабжён электроконтактными сигнализаторами плотности, для осуществления постоянного мониторинга состояния элегаза. Полюсы выключателя ВЭБ снабжены аварийной разрывной мембраной.
Выключатели изготавливаются в климатических исполнении У1. В шкафу привода установлена автоматическая система включения и контроля работы подогрева и неотключаемый антиконденсатный нагреватель. Снабжен устройствами электрообогрева полюсов, который состоит из двух ступеней. Каждая ступень обогрева автоматически включается и отключается соответствующими элементами управления, размещенными в шкафу вторичных соединений. Номинальное напряжение питания устройств подогрева ~220 В. Предусмотрена сигнализация об исправной работе нагревателей.
Рабочий диапазон окружающих температур: +40°С до -55°С.
Высота установки над уровнем моря - не более 1000 м.
Гололед с толщиной корки льда до 20 мм и ветре скоростью до 15 м/с, а при отсутствии гололеда - при ветре скоростью до 40 м/с.
Окружающая среда - невзрывоопасная, не содержащая агрессивных газов и паров в концентрациях, разрушающих металлы и изоляцию. Содержание коррозионно-активных агентов по ГОСТ 15150 (для атмосферы типа II);
Тяжение проводов в горизонтальном направлении - не более 1000 Н.
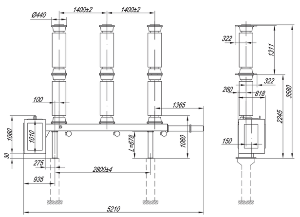
Общий вид, габаритные, установочные и присоединительные размеры, разрез фазы выключателя и дугогасительной камеры, представлены на
рисунке 1.3.
Рисунок 1.3 - Общий вид элегазового выключателя ВГТ–110/220
Высокая надежность работы, достигаемая благодаря:
- пониженным усилиям оперирования выключателей. Энергия, необходимая для гашения токов короткого замыкания, частично используется из самой дуги, что существенно уменьшает работу привода и повышает надежность
- использованию в соединениях двойных уплотнениях, что обеспечивает пониженный уровень естественных утечек. Уровень утечек - не более 1% год - подтверждается испытаниями каждого выключателя на заводе-изготовителе по методике, применяемой в космической технике;
- современным технологическим и конструкторским решениям и применению надежных комплектующим, в том числе высокопрочных изоляторов зарубежных фирм.
Высокая заводская готовность, простой и быстрый монтаж и ввод в эксплуатацию.
Высокая коррозионная стойкость покрытий, применяемых для стальных конструкций выключателя.
Отсутствие необходимости в сложном техническом обслуживании и ремонтах при нормальных условиях эксплуатации. Высокие механический и коммутационный ресурсы, повышенные сроки службы уплотнений и комплектующих, обеспечивающих 20-летний межремонтный период.
Возможность отключения токов нагрузки при потере избыточного давления элегаза в выключателе.
Сохранение электрической прочности изоляции выключателя при напряжении равном 1,15 наибольшего фазного напряжения в случае потери избыточного давления элегаза в выключателе.
Отключение емкостных токов без повторных пробоев, низкие перенапряжения.
Отсутствие феррорезонанса в сетях при эксплуатации выключателя
ВГТ-220.
Низкий уровень шума при срабатывании соответствует высоким природоохранным требованиям.
Низкие динамические нагрузки на фундаментные опоры.
Допустимое для каждого полюса выключателя без осмотра и ремонта дугогасительных устройств число операций отключения, ресурс по коммутационной стойкости составляет:
-
при токах в диапазоне свыше 60 до 100 % номинального тока отключения- 20 операций;
-
при токах в диапазоне свыше 30 до 60 % номинального тока отключения- 34 операции;
-
при рабочих токах, равных номинальному току- 30 операций «включение - произвольная пауза- отключение».
Допустимое число операций включения для токов короткого замыкания должно составлять не более 50% от допустимого числа операций отключения; допустимое число операций включения при нагрузочных токах равно допустимому числу операций отключения.
Выключатели имеют следующие показатели надежности и долговечности:
- ресурс по механической стойкости до капитального ремонта 5000 циклов «включение - произвольная пауза - отключение»;
- срок службы до первого ремонта- 20 лет, если до этого срока не исчерпаны ресурсы по механической или коммутационной стойкости;
- срок службы- 40 лет.
Основные технические данные и характеристики приведены в таблице 1.5.
Таблица 1.5 – Паспортные данные элегазовых выключателей
| Параметры выключателя | Величина | |
| Тип | ВГТ-110 | ВГТ-220 |
| Номинальное рабочее напряжение, кВ | 110 | 220 |
| Наибольшее рабочее напряжение, кВ | 126 | 252 |
| Номинальный ток, А | 2500 | 2500 |
| Номинальный ток отключения, кА | 40 | 40 |
| Собственное время отключения, с | 0,035 | 0,05 |
| Полное время отключения, с | 0,055 | 0,08 |
| Собственное время включения выключателя, с | 0,07 | 0,8 |
| Сквозной ток короткого замыкания: - наибольший пик, кА - начальное действующее значение переодической состовляющей, кА - ток термической стойкости, кА - время протекания термической стойкости, с | 102 40 40 3 | 125 50 50 3 |
| Напряжение устройств подогрева, В | 220 | 220 |
| Мощность устройств подогрева: - выключателя,кВт | 2,4 | 2,4 |
| Масса элегаза, кг | 27,3 | 27,3 |
| Масса выключателя с приводами, кг | 1665 | 1665 |
Выключатели ВГТ-110/220 не комплектуются встроенными трансформаторами тока. На заводе предусматривают металлоконстукцию с покрытием горячим цинком для установки трех трансформаторов тока ТРГ-110/220 завода изготовителя ЗАО «Энергомаш-Уралэлектротяжмаш».
(рисунок 1.4).
Рисунок 1.4 - Общий вид элегазового выключателя ВГТ–110/220
совместно с трансформаторами тока ТРГ-110/220
1.4. Характеристики трансформаторов тока ТРГ-110 и ТРГ-220
Рассмотрим подробнее конкретную модель трансфоратора тока, а именно преимущества трансформаторов данной серии, технические данные, принцип работы и устройство.
При написании данного раздела была использована техническая информация завода изготовителя ЗАО «Энергомаш-Уралэлектротяжмаш».
Трансформаторы тока серии ТРГ предназначены для передачи сигнала измерительной информации измерительным приборам и устройствам защиты и управления в установках переменного тока частоты 50 Гц с номинальным напряжением 110 и 220 кВ.
Трансформаторы предназначены для эксплуатации в открытых и в закрытых распределительных устройствах в районах с умеренным, тропическим (до плюс 55°С) или холодным климатом (до минус 60°С), невзрывоопасной окружающей средой, не содержащей агрессивных газов и паров в концентрациях, разрушающих металлы и изоляцию. Содержание коррозионно-активных агентов по ГОСТ 15150 (для атмосферы типа II).
Изоляционной средой трансформаторов тока серии ТРГ является шестифтористая сера SF6 (элегаз), или смеси SF6 и CF4 (тетрафторметан-14). Контроль газовой среды осуществляется с помощью сигнализатора плотности.
В специальном исполнении трансформатора предусмотрено пломбирование выводов вторичных обмотки для измерения.
Трансформатор тока серии ТРГ представляет собой конструкцию, в верхней части которой расположен металлический корпус, закрепленный на опорном изоляторе. Изолятор в свою очередь закреплен на основании, в котором находится коробка выводов вторичных обмоток. В металлическом корпусе закреплена первичная обмотка и ее выводы, внутри корпуса размещаются вторичные обмотки. Внутренняя полость корпуса и изолятора заполнена изолирующим газом.
Конструкция первичной обмотки позволяет получить различные коэффициенты трансформации при изменении количества витков путем последовательно-параллельного соединения секций первичной обмотки. Возможно изготовление без переключения с одним коэффициентом трансформации.
Вторичные обмотки помещены в электростатические экраны, с целью выравнивания внутреннего электрического поля.
Магнитопровод вторичной обмотки для измерения изготовлен из нанокристаллического сплава, магнитопровод вторичной обмотки для защиты изготовлен из холоднокатаной анизотропной электротехнической стали.
Контроль давления газа производится с помощью сигнализатора плотности, имеющего температурную компенсацию. Сигнализатор плотности оснащен двумя парами контактов, что позволяет получать сигнал при двух значениях плотности (давления) газа и дистанционно осуществлять контроль давления газа.
При необходимости, имеется возможность пломбирования выводов вторичной обмотки для учета электроэнергии. Пломбирование осуществляется любым удобным способом. Для этого в конструкции трансформатора предусмотрены специальные места.
В верхней части трансформатора тока расположено защитное устройство, которое соединяет внутренний газовый объем с атмосферой при значительном превышении внутреннего давления (например, при избыточном заполнении газом или внутреннем дуговом перекрытии), что делает аппарат взрывобезопасным.
Трансформатор тока взрыво- и пожаробезопасен, так как в качестве главной изоляции применен инертный негорючий газ, или смесь газов. Каждый трансформатор тока оснащен эффективно действующим взрывозащитным устройством (мембраной), исключающим повреждение трансформатора тока даже при коротком внутреннем замыкании. Взрывобезопасность трансформатора подтверждена испытанием, проведенным по методикам МЭК в аккредитованном испытательном центре.
Во всех уплотнительных соединениях применены сдвоенные уплотнения из специального полимерного материала, который в отличие от резины нечувствителен к воздействию низких температур и практически не подвержен старению. Повышенная надежность узла уплотнения вторичных цепей (эпоксидный клемник), в котором используется многоуровневое лабиринтное уплотнение. Многократные испытания в камерах холода и накопленный опыт эксплуатации подтвердил абсолютную герметичность изделия, в том числе и при температурах окружающего воздуха до минус - 55°С. Алюминиевые газоплотные корпуса изготавливаемые методом высококачественной сварки на специализированном оборонном предприятии с использованием самых современных методов обеспечения и контроля герметичности. Все это обеспечивает низкий нормируемый уровень утечек изолирующего газа в год менее 0,5% от общей массы.
Высокий класс точности обмотки для измерения (вплоть до класса коммерческого учета электроэнергии 0,2S).















