Герасимчуков диплом (1216061), страница 3
Текст из файла (страница 3)
Открытие задвижек и откачку нефти с взвешенными отложениями в технологический трубопровод производить при работающем устройстве «Диоген». В процессе откачки нефти из резервуара устройство «Диоген» необходимо выключить при достижении минимального уровня нефти для безопасной работы устройства в резервуаре в соответствии с таблицей 2. Откачку продолжить зачистным насосом до минимального возможного уровня нефти.
Через 2 ч после окончания откачки нефти из резервуара проводится замер уровня донных отложений (не менее чем в трех точках) замерной рулеткой с лотом через замерный и световые люки резервуара. Для резервуаров типа РВСП, РВСПА замер производится в одной точке через замерный люк. Запрещается проводить замеры уровня нефти и донных отложений при поступлении или откачке нефти из резервуара.
Размыв донных отложений за один цикл должен быть не менее значений, указанных в таблице 2. и обеспечивать по результатам размыва уровень донных отложений не более 20 мм.
Результаты размыва заносятся в журнал, оформленный в соответствии с приложением 1.
По моему мнению, технология достаточно эффективна, но есть значительные минусы в том, что очистка производится достаточно долго по времени и нет вывода отложений в процессе размыва.
-
Вывод резервуара из эксплуатации
Вывод резервуара из эксплуатации предусматривает выполнение следующих работ:
-
разработка ППР на вывод резервуара из эксплуатации (по резервуарам типа РВСПК, ЖБРПК оформляется совместно с ППР на зачистку);
-
откачка нефти (нефтепродукта) из резервуара до нижнего нормативного уровня подпорным насосом, согласно технологической карте; -
откачка нефти (нефтепродукта) из резервуара до минимального возможного уровня зачистным насосом;
-
закрытие задвижек ПРП (с обтяжкой клиновых задвижек вручную);
-
проверка герметичности задвижек ПРП на отсутствие поступления нефти (нефтепродукта) в резервуар замерной рулеткой с периодичностью 1 ч в течение 3 ч;
-
обесточивание электрооборудования и оборудования КИП и А;
-
отключение электропитания приводов задвижек производится путем отсоединения питающего кабеля с обоих концов. Отсоединенный кабель должен быть закорочен и заизолирован. На кнопках управления вывешиваются запрещающие плакаты «Не включать! Работают люди»;
-
демонтаж (или блокирование от несанкционированного открытия) штурвалов с задвижек ПРП;
-
отключение электропитания устройства «Диоген» производится путем отсоединения питающего кабеля с обоих концов. Отсоединенный кабель должен быть закорочен и заизолирован. На кнопках управления вывешиваются запрещающие плакаты «Не включать! Работают люди»;
-
дооткачка нефти (нефтепродукта) из резервуара насосом через сифонный кран и зачистной патрубок;
-
установка плоских металлических заглушек на фланцевые соединения трубопроводов ПРП, ГУС, системы размыва, трубопровода аварийного сброса давления, промышленной канализации (для ЖБР (П, ПА, ПК)). При отсутствии фланцевых соединений на ПРП ЖБР (П, ПА, ПК) проверяется герметичность задвижек. Результаты контроля оформляются актами в соответствии с [29].
Сопротивление контура заземления резервуара не должно превышать 4 Ом.
Установленные заглушки регистрируются в журнале в соответствии с
[30]. Заглушки должны иметь паспорта-формуляры. Заглушки изготавливаются из металла, толщиной согласно таблице 3, должны иметь «хвостовики» с выбитым на них номером, диаметром и допустимым давлением. «Хвостовик» должен выступать не менее 0,1 м над образующей фланца. Выполняется расчет толщины заглушки.
При возможности проведения контрольных замеров протечек между задвижкой ПРП и плоской заглушкой величину давления в трубопроводе принимать менее 0,01 МПа.
Т а б л и ц а 3 – Толщина плоской заглушки в зависимости от давления в трубопроводе
| № п/п | Номинальный диаметр трубопровода | Толщина плоской заглушки в зависимости от давления в трубопроводе, мм | ||
| Не более | Не более | Не более | ||
| 1 | 200 | 3 | 2 | 1 |
| 2 | 250 | 4 | 3 | 1 |
| 3 | 300 | 4 | 3 | 2 |
| 4 | 350 | 5 | 3 | 2 |
| 5 | 400 | 5 | 4 | 2 |
| 6 | 500 | 6 | 5 | 2 |
| 7 | 600 | 7 | 5 | 3 |
| 8 | 700 | 9 | 6 | 3 |
| 9 | 800 | 9 | 6 | 3 |
Окончание таблицы 3
| 10 | 1000 | 12 | 8 | 5 |
По результатам подготовки резервуара к зачистным работам составляется акт.
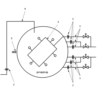
На рисунке 1 представлена схема установки заглушек к акту готовности резервуара
Рисунок 1. Схема установки заглушек к акту готовности резервуара
1 – трубопроводы ПРП; 2 – металлические заглушки с хвостиком; 3- сифонный кран; 4 – трубопровод аварийного сброса, ГУС; 5 – система размыва донных отложений.
2.4. Зачистка от донных отложений внутренней поверхности резервуара РВС -5000 м3
Максимальные сроки проведения работ по зачистке резервуаров принимаются в соответствии с [32] и не должны превышать значений, указанных в таблице 4.
Т а б л и ц а 4 – Сроки проведения работ по зачистке резервуаров
| № п/п | Тип резервуара | Зачистка резервуара, дней | |
| В летний период (апрель – октябрь) | В зимний период (ноябрь – март) | ||
| 1 | 2 | 3 | 4 |
| 1 | РВС-5000 | 25 | 30 |
Технологический процесс зачистки резервуара от донных отложений включает следующие операции:
-
откачка остатков нефти из резервуара через сифонный кран или зачистную задвижку;
-
лабораторный контроль содержания углеводородов в остатках нефти и донных отложениях в зачищаемом резервуаре;
-
вскрытие люков-лазов второго (третьего) пояса, замер концентрации паров углеводородов в надпонтонном пространстве, при необходимости дегазация с применением естественной и принудительной вентиляции до снижения ПДК углеводородов ниже 300 мг/м3, для бензинов – ниже 100 мг/м3; для ДТ, ТС-1– ниже 300 мг/м3;
-
перевод стоек понтона, ПК из эксплуатационного положения в ремонтное положение;
-
откачка воды с нефтью (нефтепродуктом) из резервуара в дополнительный резервуар или в технологический трубопровод с применением сепараторов;
-
предварительная дегазация путем пропарки или вентиляции (естественной или принудительной) резервуара;
-
при необходимости, демонтаж устройств размыва донных отложений «Диоген» с целью предотвращения повреждения уплотнения во время последующей зачистки резервуара, включая пескоструйную обработку внутренней поверхности металлоконструкций резервуара;
-
зачистка (размыв, мойка, в том числе с использованием ПАВ, или пропарка внутренней поверхности резервуара) от донных отложений; -
разделение воды и нефти (нефтепродукта) с использованием сепаратора или дополнительной емкости отстойника, закачка нефти (нефтепродукта) в действующий резервуар или технологический трубопровод и сброс воды в систему промышленной канализации;
-
замер объема твердых донных отложений;
-
дозачистка резервуара скребками из искробезопасного материала;
-
лабораторный контроль содержания углеводородов в твердых донных отложениях, оставшихся в резервуаре после мойки и откачки;
-
промывка твердых донных отложений с содержанием углеводородов более 15 % с помощью ТМС с применением ПАВ или органических растворителей с целью снижения содержания в них углеводородов до концентрации не более 15 %. Используемые при выполнении указанных работ вещества не должны ухудшать показатели качества нефти (нефтепродукта) согласно [16], [7], [27];
-
разделение воды и нефти (нефтепродукта) с использованием сепаратора или дополнительной емкости отстойника, закачка нефти (нефтепродукта) в действующий резервуар или технологический трубопровод и сброс воды в систему промышленной канализации;
-
удаление из резервуара твердых донных отложений;
-
отделение нефти (нефтепродукта) и воды от твердых донных отложений с использованием оборудования типа центрифуги (при необходимости, для снижения концентрации углеводородов в твердых донных отложениях менее 15 %), с последующей закачкой нефти (нефтепродукта) в действующий резервуар или технологический трубопровод и сбросом воды в систему промышленной канализации;
-
зачистка канализационных колодцев резервуара от остатков нефтяных загрязнений, образовавшихся в процессе эксплуатации и при зачистке резервуара с оформлением акта в соответствии с приложением 3; -
лабораторный контроль содержания углеводородов в твердых донных отложениях после промывки и замер объемов нефтешлама, подлежащего утилизации с составлением акта;
-
вывоз и утилизация нефтешламов (при необходимости);
ш) контроль качества зачистки внутренней поверхности резервуара и проверка концентрации паров углеводородов в резервуаре после зачистки.
3.4.1 Предварительная дегазация резервуарам
Предварительная дегазация резервуара осуществляется путем естественной или принудительной вентиляции до снижения концентрации паров углеводородов менее 2,1 г/м3 внутри резервуара с нефтью, ТС-1, менее 3,46 г/м3 внутри резервуара с ДТ, и менее 1,63 г/м3 внутри резервуаров с бензинами.
Открытие люков на резервуарах при проведении дегазации производить в следующей последовательности:
Для РВС – два световых люка на крыше с установкой газоотводных труб, люк-лаз на первом поясе с установкой воздуховода от вентилятора, все остальные люки на стенке и крыше резервуара закрыты;
Схема с указанием точек замеров концентрации углеводородов нефти (нефтепродукта) при естественной и принудительной вентиляции резервуара приведена в приложение 4.
Схема с указанием точек замеров концентрации паров нефти (нефтепродукта) при зачистке резервуара приведена в приложение 5.
При естественной или принудительной вентиляции резервуара замеры концентрации паров углеводородов в каре резервуаров производятся не реже 1 раза в час.
Схема замера точек в каре приведена на рисунке 2.
Рисунок 2 - Схема точек замера концентрации паров нефти в каре при зачистке
1-4 – расстояния от точек замера до стенки резервуара (1 м);
откачка нефти (нефтепродукта) из резервуара до нижнего нормативного уровня подпорным насосом, согласно технологической карте;
зачистка (размыв, мойка, в том числе с использованием ПАВ, или пропарка внутренней поверхности резервуара) от донных отложений;
зачистка канализационных колодцев резервуара от остатков нефтяных загрязнений, образовавшихся в процессе эксплуатации и при зачистке резервуара с оформлением акта в соответствии с приложением 3;















