ПЗ_Диплом.Хлынов (1214915), страница 5
Текст из файла (страница 5)
Используя полученные ранее формулы, несложно получить, что:
(3.4)
Из этого следует, что коэффициент α равняется:
При равномерной нагрузке плеч трансформатора токи левого и правого плеча будут равны и сдвинуты относительно друг друга на 180-99=81 градус. До внесения изменений этот угол составлял 180-120=60 градусов.
Из равенства магнитодвижущих сил следует, что:
(3.5)
. , Разделим эти уравнения на
и введем передаточное число
:
.
(3.6)
,Учитывая, что в нулевой точке трехфазной системы:
(3.7)
, решаем полученные уравнения:
(3.8)
(3.9)
.Таким образом, для реконструированного трансформатора получены соотношения между токами плеч и токами первичной стороны:
(3.10)
.
Используя полученные соотношения, построим для рассматриваемого трансформатора векторную диаграмму токов первичной стороны. Из векторной диаграммы видно, что внесенные изменения дают значительный симметрирующий эффект.
Рисунок 3.1.3. Векторная диаграмма токов предлагаемого трансформатора
Для количественной оценки полученного эффекта, разложим систему токов по методу симметричных составляющих:
.
(3.11)
.. Из данных выражений следует, что коэффициент обратной последовательности измененного трансформатора равен:
.
Несмотря на то, что полученное значение к больше коэффициента обратной последовательности симметрирующего трансформатора, результат от внедрения предлагаемого решения все же позволит значительно снизить несимметрию токов и напряжений в точках присоединения тяговых подстанций к питающим линиям. Как следует из расчетов, составляющая обратной последовательности токов снизится с 50% до 15%. При этом, очевидным преимуществом является отсутствие необходимости во вложении значительных капитальных затрат.
3.2. Симметрирование с использованием стабилизатора напряжения высокой надежности с функцией симметрирования ТСН
Стабилизаторы напряжения типа ТСН с функцией симметрирования одновременно точно стабилизируют выходное линейное и фазное напряжение.
Стабилизаторы напряжения типа ТСН создают свою собственную устойчивую нулевую точку, не связанную с «0» питающей сети. Стабилизаторы напряжения типа ТСН высокой надежности обладают:
1. повышенной надежностью в работе практически на любые виды нагрузки; имеют защиту от перегрузок по току;
2. фильтр сетевых помех;
3. подавляют электромагнитные помехи, распространяющиеся по питающей сети; работают при температуре от - 45 Со до + 45 С.
Стабилизаторы типа ТСН обеспечивают нормальную работу оборудования, причем, если линейное напряжение сети находится в диапазоне 290 В ÷ 437 В, фазные напряжения при этом могут изменяться от 140 до 270 В.
Вносимые нелинейные искажения в форму кривой выходного напряжения в симметричных режимах работы не более 5%. Время восстановления выходного напряжения не хуже 0,1 – 0,2 сек. При сбросе-набросе нагрузки от нуля до 100% и не хуже 0,2 – 0,45 сек. при скачкообразном изменении входного напряжения от нижней до верхней границы диапазона (большее значение соответствует большей мощности). В стабилизаторе предусмотрена возможность установки номинального выходного линейного напряжения в диапазоне от 380 В до 400 В и соответственно фазного напряжения от 220 В до 231 В.
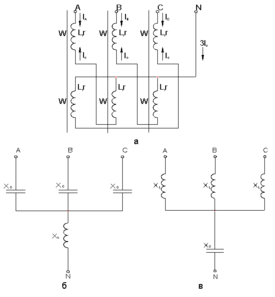
3.3. Симметрирование с использованием нессиметричным включением конденсаторных батарей и схем симметрирования
Снижение систематической несимметрии в сетях низкого напряжения осуществляется рациональным распределением однофазных нагрузок между фазами.
Если несимметрию напряжения не удается уменьшить с помощью схемных решений, то применяют специальные устройства: несимметричное включение конденсаторных батарей (рисунок 3.3.1) или схемы симметрирования (рисунок 3.3.2):
Рисунок 3.3.1 - устройство с конденсаторной батареей
Рисунок 3.3.2 - Специальная схема симметрирующего устройства.
Если несимметрия меняется по вероятностному закону, то для ее снижения применяют автоматические симметрирующие устройства, схема одного из которых представлена на рисунок 3.3.3.
Регулируемые симметричные устройства дороги и сложны, их применение порождает новые проблемы (в частности, несинусоидальность напряжения). Поэтому положительного опыта использования симметрирующих устройств в России нет.
Рисунок 3.3.3 - Типовая схема симметрирующего устройства
3.4.1 Симметрирование с использованием шунто – симметрирующего устройства ШСУ
Снизить сопротивление нулевой последовательности сети можно с помощью специальных устройств, имеющих минимальное сопротивление нулевой последовательности. Такие устройства называются шунто-симметрирующими устройствами (ШСУ). Их устанавливают в конце или начале линии и подключают параллельно нагрузке. В этом случае токи нулевой последовательности замыкаются на контуре "нагрузка - ШСУ" и не протекают в линии и трансформаторе. Напряжение нулевой последовательности на нагрузке будет минимальным и определится только сопротивлением нулевой последовательности ШСУ. Устройства с минимальным сопротивлением нулевой последовательности могут быть выполнены как с электромагнитными связями (трансформаторного типа), так и с электрическими связями (на индуктивно-емкостных элементах).
3.4.2 ШСУ электромагнитного типа
Выполняется на трехстержневом магнитопроводе со схемой соединения обмоток "встречный зигзаг". Следует отметить, что ШСУ электромагнитного типа, являясь индуктивной нагрузкой, увеличивают реактивную составляющую тока прямой последовательности, что приводит к снижению коэффициента мощности сети.
3.4.3. ШСУ на индуктивно-емкостных элементах
Эта схема имеют более простую конструкцию. Схема такого устройства с тремя емкостными и одним индуктивным элементом, которые соединены по схеме четырехлучевой звезды, приведена на рис. 3.4.1. Емкостные элементы этого ШСУ подключаются к фазам сети, а индуктивный – к нейтральному проводу. Такое устройство, помимо эффекта симметрирования осуществляет компенсацию реактивной мощности токов прямой последовательности.
Можно построить и ШСУ с тремя индуктивными и одним емкостным элементом, подключив к фазам сети индуктивные элементы, а к нейтральному проводу – емкостный (рисунок 3.4.1).
Рисунок 3.4.1. Схемы шунто-симметрирующих устройств конденсаторного и индуктивного типа.
индуктивного типа.
Таким образом, подключение таких устройств в значительной степени улучшает качество напряжения у потребителей и повышает симметрию токов в линии и трансформаторе. Достоинством ШСУ является также то, что его параметры не зависят от нагрузки, и, следовательно, они могут изготавливаться нерегулируемыми.
Эти устройства рассчитываются исходя из максимального уровня несимметрии, которая не всегда имеет место.
Шунто-симметрирующие устройства могут изготавливаться и регулируемыми. Они используются для избежания дополнительных пот
4. ОПРЕДЕЛЕНИЕ КОЭФФИЦИЕНТА НЕСИММЕТРИИ НАПРЯЖЕНИЯ ПО ОБРАТНОЙ ПОСЛЕДОВАТЕЛЬНОСТИ НА ШИНАХ ТЯГОВЫХ ПОДСТАНЦИЙ
4.1 Расчет коэффициента несимметрии напряжения
Критериями качества электрической энергии в тяговых сетях являются: отклонение и колебания напряжения, несимметрия и несинусоидальность. В соответствии с этим применяют различные меры по повышению качества электрической энергии. К ним относятся регулирование напряжения на трансформаторах, продольная и поперечная емкостная компенсация. Вследствие отклонений напряжения в системе и потерь напряжения в самой подстанции, напряжение на ее шинах не остается постоянным. Для того, чтобы обеспечить высокое и стабильное напряжение, применяют регулируемые трансформаторы. Большие изменения напряжения не позволяют держать его среднее значение достаточно высоким. Увеличение напряжения сверх номинального без превышения пределов, допускаемых по условиям работы локомотивов привело бы к соответствующему повышению их мощности или , иначе, к увеличению скорости. Поэтому пойти на это повышение напряжения можно только при одновременном обеспечении стабильности напряжения.
На тяговых подстанциях переменного тока используют конденсаторные батареи, последовательно с которыми включают реакторы. Индуктивность реактора подбирают так, чтобы его индуктивное сопротивление для третьей гармоники было равно емкостному сопротивлению батареи. При этом условии резонанс напряжений станет невозможным.
Следующий критерий качества электроэнергии – несимметрия напряжения. Степень несимметрии напряжения оценивают с помощью коэффициента несимметрии напряжения по обратной последовательности.
Его значение определяется как отношение модуля составляющей обратной последовательности к модулю составляющей прямой последовательности.
В симметричных цепях симметричные составляющие одной последовательности не влияют на симметричные составляющие другой последовательности. В несимметричных цепях симметричные составляющие одной последовательности оказывают влияние на симметричные другой последовательности. В общем случае, токи каждой из последовательностей будут вызывать падения напряжения в каждой из симметричных составляющих сопротивлений.
Несимметрия напряжений вызывает перегрев вращающихся электрических машин, подключенных к энергосистеме, вибрацию их валов, уменьшает вращающий момент асинхронных двигателей, увеличивает потери мощности в линиях электропередачи и трансформаторах системы, а так же искажение кривой напряжения выпрямительных преобразований, и уменьшает коэффициент их мощности, уменьшает или увеличивает по сравнению с номинальными значениями световой поток и срок службы ламп накаливания, ухудшает работу релейной защиты и конденсаторных установок.
Чем больше несимметрия трехфазной системы токов и напряжений, тем сильнее проявляются отрицательные воздействия несимметрия на элементы первичной системы. Количественно степень несимметрии напряжения оценивают с помощью коэффициента несимметрии напряжения по обратной последовательности
.
При переменной тяговой нагрузке коэффициенты несимметрии напряжения по обратной последовательности величины переменные. Для того чтобы знать, сколько времени этот коэффициент находится в тех или иных пределах, необходимо найти закон распределения его модуля. Несимметрия характеризуется относительным значением напряжения обратной последовательности, вектор обратной последовательности напряжения определится, кВ:
, (4.1)
где
,
,
– комплексные значения напряжения фаз, a, b, c, кВ;
– оператор поворота, рад:















