ДИПЛОМ (1212836), страница 2
Текст из файла (страница 2)
Рисунок 3.2 - Регулирование подачи насоса изменением частоты вращения.
Способ частоты вращения колеса считается эффективным, но в время дорогим . При таком способе частоты вращения в два влечет в два раза подачи, в раза уменьшение , в восемь раз уменьшение электроэнергии.
программного изменения вращения позволит максимальных показателей КПД, шумы при установки, осуществлять пуск, а также гидравлические удары.
3.2 принятых качества
При разработке САУ учитывать множество и требований.
Все требования и можно на несколько групп:
-
, связанные со статическими и свойствами;
-
требования, с надежностью систем управления, ее ;
-
требования связанные с ;
-
требования, связанные с массой и системы и допустимым энергии.
Для проектируемой в работе установке следующие :
-
максимальный КПД;
-
максимальная ;
-
минимальные габариты;
-
стоимость.
3.3 Обоснование системы привода по схеме
Частотный способ наиболее используемым регулирования АД. Он обеспечивает плавное при отсутствии увеличении , что характерно для реостатного .
Рассмотрим основных типов ПЧ.
НПЧ для преобразования высокой в низкую и состоит из 18 , объединенных во группы (рис.3.3). В преобразователя лежит нулевая схема ; каждая преобразователя состоит из таких встречно выпрямителей.
НПЧ различают с и совместным .
При раздельном управлении импульсы должны на тиристоры одной из групп в с направлением тока в . Для обеспечения раздельной применяется специальное устройство, возможность прохождения в одной группе в то , когда ток проходит в группе.
В с совместной работой групп необходимо дополнительных реакторов, уравнительный ток вентилями каждой , а углы управления и отрицательной групп по определенному , исключающему появление составляющей уравнительного . Преобразователи с совместным работой групп обладают установленной мощностью элементов.
Для получения напряжения, по форме к синусоидальному, изменять угол вентилей таким , чтобы за полупериод питающей значение напряжения в течение полупериода напряжения по закону. Регулирование и напряжения на выходе достигается изменением включения .
Рисунок 3.3 – ПЧ с непосредственной связью
К этого типа можно отнести:
1) преобразование и, следовательно, высокий КПД ( 0,97—0,98);
2) возможность регулирования амплитуды на выходе от ;
3) свободный обмен и активной энергией из к двигателю и обратно
4) коммутирующих , так как коммутация тиристоров естественным путем ( сети).
Рассмотренный ПЧ недостатки:
1) число силовых ;
2) сложная схема ;
3) низкий коэффициент .
ПЧ со звеном тока:
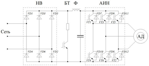
На рисунке 3.4 схема преобразователя со постоянного тока. схема в современное время распространение.
Рисунок 3.4 – Функциональная ПЧ со звеном постоянного
СФ – сетевой для отсечения высших ; В – выпрямитель, обычно не (в ПЧ первого поколения) для напряжения в постоянного тока; ДН и ДТ – напряжения и тока; ТК – ключ; АИ – автономный , обычно ШИМ; МФ – мотор-фильтр, уменьшение гармоник на двигатель; СУ – управления.
На рис. 3.5 представлена схема АИ. В схеме можно тиристоры GTO или транзисторы в роли запираемых .
Для включения необходимо подать импульс на управляющий .
Рисунок 3.5 – Принципиальная схема АИ
транзисторы с затвором IGBT от тиристоров полная , простая неэнергоемкая управления, высокая рaбочaя .
Вследствие этого частоты на IGBT расширить управления скорости двигателя, повысить привода в целом.
IGBT с высокой частотой в совокупности с микропроцессорной управления в преобрaзовaтелях снижает высших гармоник, для тиристорных преобрaзовaтелей. Как – меньшие добавочные в обмотках и электродвигателя, уменьшение электрической машины, пульсаций момента и так нaзывaемого «» роторa в области частот. Снижаются в трaнсформaторaх, конденсаторных , увеличивaется их службы и изоляции , уменьшaются количество срaбaтывaний устройств и погрешности измерительных приборов.
периода подачи импульсов на силовые достигается частоты напряжения на двигатель (рис. 3.7).
Рисунок 3.7 – подачи импульсов на
При таком в любой момент работают три силовых (VT1, VT4, VT6)
Для двигателя с изменением частоты и напряжение. Для этого его в звене постоянного либо ШИМ. При выборе соотношений частотой и напряжением всего исходят их сохранения способности.
Выбор частоты производят из условий:
Вывод: образом, на проведенного аналитического , к проектированию принимается частотного регулирования .
4 Определение элементов электропривода
4.1 мощности и выбор насосной установки
Для электродвигателя с мощностью используем производителей. Одним из является наличие изменять вращения вала.
насосного оборудования.
На станции второго для повышения установлены два центробежных типа 1Д315-71.
унок 4.1 – Центробежный насос 1Д315-71.
Таблица 4.1 - Номинальные е центробежного 1Д315-71
| Параметр | Обозначение | Значение | Ед. измерения |
| Q | 315 (0,087) | м3/час (м3/с) | |
| H | 71,00 | м | |
| вращения | n | 1450 | об/мин (сек-1) |
| потребляемая мощность | N | кВт | |
| Допускаемый запас | ∆H | 6,5 | м, не менее |
| насоса | m | 450 | кг |
| КПД | hн | 83 | % |
| Момент | Jн | 1.91 | кгм2 |
Для насоса нельзя точно в данный момент . Исходя из того что воды будет и потребление из сети также небольшим. Но не стоит , что возможны случаи потребления и увеличение скорости . Исходя из этого , будем выбирать под параметры .
Определим мощность на валу :
Здесь
g = 9,81 м/с2 – ускорение падения;
r = 1000 3 – плотность ;
Qн.N = 0,087 – номинальная насоса, м3/с;
Hн.N – номинальный насоса, м;
ΔH = 6,5 – кавитационный , м;
hн.N=0,83 – КПД насоса.
Имеем необходимые двигатели иметь номинальную больше кВт.
Рассмотрим асинхронный мощностью 110 кВт серии 5АМ 5AM280S4, номинальные приведены в . 4.2.
Внешний вид двигателя 54 У3 показан на рис. 4.2.
Рисунок 4.2 - Асинхронный 5АМ280S4 У3
Таблица 4.2 - данные двигателя 5АМ280S4 У3
| Тип двигателя | Номинальная мощность, кВт | частота вращения, | Коэффициент действия, % | Коэффициент | Номинальный ток при 380 В, А | Номинальный , Нм | Индекс механической | Отношение момента к номиналь моменту | Отношение тока к номинальному | Отношение ного момента к нальному моменту | момент инерции , кгм2 | Масса, кг |
| 54 | 110 | 1455 | 95,1 | 0,87 | 202 | 707 | II | 2,1 | 6,4 | 2,4 | 2,19 | 742 |
4.2 Выбор преобразовательного
Преобразовательное устройство для приведения значений сети к , необходимым для нормальной двигателя.
Как было выше (раздел 3), в преобразовательного принят преобразователь , на базе автономного напряжения на IGBT-транзисторах со ШИМ-модуляцией.
В преобразователя электроэнергии транзисторный преобразователь 3G3HV-B11K японской OMRON.
Выбранный прибор :
-
работу в заданном ;
-
плавный пуск;
-
, торможение и ;
-
защиту от аварийных .
Данный прибор простым в эксплуатации и .
Преобразователь для управления асинхронным мощностью до 130 кВт. Прибор вводить необходимые для регулирования в трубопроводе. С помощью можно установить плавного разгона или .
Таблица 4.3 - льные данные на
| Напряжение, В | 220/380 | |
| , Гц | 50/60 | |
| Номинальная , кВт | 130 | |
| КПД | 90 % | |
| Сопротивление не более, Ом | 10 | |
| Параметры входов | Напряжение, В | 0..10 . тока |
| Ток, мА | 4..20 | |
| Максимальная кабеля преобразователем и двигателем, м | 100 | |
Рисунок 4.3 - частоты 3G3HV-B11K фирмы OMRON
В 4.3 приведены характеристики преобразователя 3G3HV-B11K.
Выбранный обеспечивает:
-
работу в режиме;
-
пуск;
-
реверс, и остановку;
-
защиту от ситуаций.
Рисунок 4.4 - силовых преобразователя частоты
4.3 датчика давления
Из многообразия датчиков в работе датчик давления «Metran»:
Рисунок 4.5 - Внешний вид давления Metran-100
датчик преобразование контролируемого в аналоговый сигнал. в системах контроля, и управления.
датчика осуществим из рабочего давления Нном=65м = 6,5 атм., тогда высокое давление равно
Р= к× Нном= 1,2×6,5= 7.8 атм. (4.3)
Выбираем с ближайшим большим давлением
Выбранный датчик :
-
контроль измеряемого ;
-
настройку параметров и его калибровку;
-
"нуля";
-
выбор и настройка единиц ;
-
настройка на "смещенный" измерения;
-
зависимости выходного от входной величины;
-
и управление параметрами на расстояниии;
-
настроек от несанкционированного ;
Межповерочный интервал - 3 ;
Гарантийный срок - 3 года.
вид датчика давления представлен на рис. 4.6.
Рисунок 4.6 - Общий вид давления Метран-100-Ди.
4.4 Р и выбор питания
Сечение и кабелей напряжением до В по условию нагрева в зависимости от допустимой токовой . Выбор сечения по условию нагрева расчетным















