пояснительная записка (1206359), страница 3
Текст из файла (страница 3)
- вагоны, устранение технических неисправностей которых может быть выполнено на путях приема за время обработки состава по прибытию;
- вагоны, требующие обязательного отцепочного ремонта на путях вагонного депо.
Работа с вагонами, требующими обязательного отцепочного ремонта производится в соответствии с Технологическим процессом работы ПТО станции Алдан.
На вагоны с техническими неисправностями, угрожающими безопасности движения и требующими особых условий производства маневровой работы, осмотрщики-ремонтники вагонов сообщают дежурному по станции, с указанием требуемых мер безопасности при маневрах; эти меры указываются также в уведомлении формы ВУ-23М, в соответствии с требованиями Технологического процесса работы пункта технического обслуживания вагонов. На основании полученного уведомления формы ВУ-23М ДСП проставляет в ТГНЛ необходимые отметки и устанавливает порядок выполнения маневров с указанными вагонами и контролирует его соблюдение.
При истечении межремонтного норматива пробега груженого вагона в пути следования, разрешается его проследование к месту выгрузки; решение о возможности проследования такого вагона к месту выгрузки принимается начальником пункта технического обслуживания, при безусловном обеспечении безопасности движения. Курсирование порожнего вагона с выработанным (любым) нормативом запрещается. Разрешается перемещение порожнего вагона к месту ремонта установленным порядком.
После доклада осмотрщика вагонов и приемосдатчика о завершении технического обслуживания и коммерческого осмотра состава, по указанию дежурного по станции, осмотрщик вагонов снимает сигналы его ограждения и докладывает дежурному по станции. Дежурный по станции производит операции в АСУ СТ по оформлению книги формы ВУ-14 МВЦ «Книга прибытия», распечатывает фрагмент «Книги прибытия» и предоставляет на подпись осмотрщика и приемосдатчику, производившим осмотр поезда.
Перед расформированием состава ДСП предупреждает машиниста маневрового локомотива и составителя поездов о наличии в расформировываемом составе вагонов с техническими и коммерческими неисправностями, требующими соблюдения особых мер осторожности.
По указанию ДСП машинист маневрового локомотива осуществляет прицепку к составу, подлежащему расформированию. По указанию ДСП составитель поездов снимает средства закрепления состава – тормозные башмаки. Порядок выполнения операций по обработке состава по прибытии приведен на рис. 2.1.
Рисунок 2.1. График обработки поезда на станции Алдан по прибытии (количество вагонов в составе – 55 вагонов)
2.2 Подготовка составов своего формирования к отправлению
На путь отправления состава своего формирования, выходят работники для выполнения следующих операций: закрепление и ограждение состава поезда; техническое обслуживание вагонов; коммерческий осмотр вагонов и устранение обнаруженных коммерческих неисправностей, без отцепки; установка хвостового сигнала на хвостовой вагон состава поезда; снятие ограждения состава; прицепка поездного локомотива и опробование автотормозов; вручение локомотивной бригаде перевозочных документов, справки о тормозах и предупреждений.
После завершения формирования и закрепления состава, ДСП дает команду составителю поездов на отцепку маневрового локомотива, уборку его с пути отправления. Осмотрщик вагонов ограждает состав сигналами ограждения и докладывает об этом дежурному по станции. После ограждения состава работник ПТО приступают к техническому обслуживанию вагонов, которое производится порядком, установленным Технологическим процессом работы ПТО станции. При обнаружении в процессе технического осмотра вагонов с не допускаемой разницей по высоте между продольными осями автосцепок, осмотрщик вагонов извещает об этом ДСП для организации работы по устранению выявленной неисправности.
Коммерческий осмотр, устранение без отцепки обнаруженных коммерческих неисправностей осуществляется параллельно с техническим обслуживанием, в соответствии с «Правилами коммерческого осмотра поездов и вагонов» ЦМ-360. Руководство коммерческим осмотром вагонов, устранением коммерческих неисправностей, оформлением результатов осмотра и принятием мер по обеспечению сохранности перевозимых грузов осуществляет приемосдатчик груза и багажа.
В процессе коммерческого осмотра выявляются вагоны с коммерческими неисправностями, угрожающими безопасности движения или не обеспечивающие сохранность перевозимых грузов. Необходимые для коммерческого осмотра сведения о роде груза наличии ЗПУ и др. приемосдатчик получает из программ АСУ СТ, ЭТРАН.
При обнаружении вагонов без ЗПУ, с признаками хищения или доступа к грузу, приемосдатчик сообщает работникам транспортной милиции. В этом случае на вагоны и контейнеры приемосдатчики накладывают ЗПУ. О каждом указанном случае приемосдатчик сообщает ДСП, ДС для организации отцепки и подачи вагонов на специальный путь.
При обнаружении в процессе коммерческого осмотра вагонов с техническими неисправностями, которые угрожают безопасности движения поездов, выполнения маневровой работы или не обеспечивают сохранность перевозимых грузов, приемосдатчик ставит в известность ДСП, начальника станции для принятия необходимых мер. Устранение коммерческих неисправностей, которые могут быть выполнены без отцепки от состава, осуществляется непосредственно на пути стоянки состава. Устранение коммерческих неисправностей, требующих отцепки от состава, выполняется на специальных путях.
На выявленные коммерческие неисправности оформляются акты общей формы ГУ-23 (ГУ-23ВЦ) и даются оперативные донесения в адреса, согласно Инструкции ЦМ - 360 "Правила коммерческого осмотра поездов и вагонов" и "Типового технологического процесса работы пункта коммерческого осмотра вагонов в поездах".
Об окончании коммерческого осмотра и устранения коммерческих неисправностей приемосдатчик уведомляет ДСП. После докладов осмотрщика-ремонтника и приемосдатчика о технической и коммерческой готовности состава к отправлению, осмотрщик-ремонтник по указанию ДСП осуществляет снятие ограждения состава поезда.
Готовность поезда к отправлению в коммерческом отношении оформляют в книге формы ГУ-98 и заверяют росписью приемосдатчика (приемщика поездов.
После докладов осмотрщика вагонов и приемосдатчика (приемщика поездов) о технической и коммерческой готовности состава к отправлению, осмотрщик вагонов осуществляет снятие ограждения состава поезда.
Дежурный по станции по радиосвязи извещает работников о прицепке поездного локомотива к составу. Осмотрщики-ремонтники полное опробование тормозов, после чего вручают машинисту справку ВУ-45.
По указанию ДСП составитель поездов убирает средства закрепления подготовленного состава (тормозные башмаки). Дежурный по парку составляет натурный лист, пакетирует перевозочные документы и вручает их машинисту.
ДСП проставляет в журнале движения поездов (форма ДУ-3) необходимые сведения о составе поезда из натурного листа поезда, а также сведения о локомотиве и локомотивной бригаде; после отправления поезда проставляет время его отправления и вводит данные об отправленном поезде, локомотиве и локомотивной бригаде в АСУ СТ.
Технологический график обработки поездов своего формирования по отправлению предоставлены на рис. 2.2.
Рисунок 2.2. График обработки поезда своего формирование по отправлению четного и нечетного поезда со станции Алдан
2.3 Технология обработки пассажирских поездов
Станция Алдан, кроме работы с грузовыми поездами, является пунктом посадки и высадки пассажиров, приема-отправления пассажирских поездов, прицепкой- отцепкой багажных вагонов.
На станции Алдан выполняются пассажирские операции:
-
реализация проездных билетов во всех направлениях (по РФ), оформление багажа;
-
посадка и высадка пассажиров;
-
погрузка-выгрузка багажа, грузобагажа
-
техническое обслуживание составов пассажирских поездов, опробование тормозов;
-
смена локомотивов и локомотивных бригад
-
прицепка-отцепка багажных и служебно-технических вагонов.
На станции для приема пассажирских поездов, согласно ТРА станции, предусмотрен путь № 3 оборудованный низкой пассажирской платформой для посадки и высадки пассажиров. Прием и отправление пассажирских поездов производится в соответствии с действующим графиком движения поездов.
Дежурный по станции получив информацию об отправлении пассажирского поезда с соседней станции заблаговременно готовит маршрут приема поезду, докладывает поездному диспетчеру и машинисту о готовности маршрута приема с указанием номера пути, извещает о № пути приема осмотрщиков вагонов, дежурного по парку, работников вокзала, других работников станции, участвующих в обработке поезда.
Работы по техническому обслуживанию пассажирских вагонов в пассажирском поезде выполняются работниками вагонного хозяйства ОАО АК «ЖДЯ».
ДСП или ДСПП по громкоговорящей связи уведомляют пассажиров о прибытии пассажирского поезда.
Осмотрщик-ремонтник, получив информацию от ДСП, выходит к установленному месту, располагается в начале пути приёма со стороны машиниста поезда, и встречает поезд «сходу» выявляя неисправности вагонов угрожающие безопасности движения.
Производство операций по обработке пассажирского поезда организовано так, что все операции (техническое облуживание состава, посадка-высадка пассажиров, погрузка-выгрузка багажа и грузобагажа), выполняются за время стоянки, предусмотренное графиком движения поездов.
2.3.1 Порядок обработки пассажирского поезда без смены локомотива
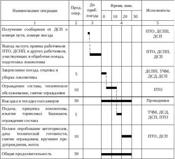
При пропуске пассажирского поезда без смены локомотива производится смена локомотивной бригады. Порядок выполнения операций по обработке пассажирского поезда без смены локомотивной бригады приведен на рис. 2.3.1.
Рисунок 2.3.1. График обработки пассажирского поезда без смены локомотива
2.3.2 Порядок обработки пассажирского поезда со сменой локомотива
Поездной диспетчер заблаговременно извещает дежурного по станции о запланированной смене локомотив. При смене локомотива в пассажирском поезде четного направления дежурный по станции обязан обеспечить свободный путь для проезда локомотива в нечетную горловину станции Порядок выполнения операций по обработке пассажирского поезда со сменой локомотива приведен на рис. 2.3.2.
Рисунок 2.3.2. График обработки пассажирского поезда со сменой локомотива
3 Маневровая работа
3.1 Организация маневровой работы
Мaневрoвaя работа стaнции Алдан включaeт:
-
рacформиpoвание участковых пoeздoв, пoступaющих на стaнцию;
-
окoнчание фopмиpование oднoгpуппных учaсткoвых поездов;
-
свoевремeнную подачу вагoнов к грузoвым фронтам и их убoрку;
-
перeстанoвку состaвов или групп вагонов с однoго пути нa другой;
-
убopку вагoнов с грузовых фpонтов;()
-
соpтиpовку мeстных вагонoв согласно плану формирования поездов;
-
формирование и отправление поездов без опозданий, в соответствии с распиcaнием их отпpaвления;
-
точнoe и своевременное выпoлнeние нарядов и заданий на маневровую pабoту;
-
прицепку, отцeпку вaгoнов;
-
осаживание и подтягивaниe вагонов.///
Работа с местными вагонами на станции Алдан связана с подборкой групп вагонов в адрес и по мeстам выполнения грузoвых операций, развoзом, подачей, уборкой вагонов по завершению грузовых операций на местах пoгрузки – выгрузки путей общего и необщего пользования.
Маневровая работа на станции производится маневровым локомотивом серии ТЭМ-2, поездным локомотивом серии 2ТЭ10 методом осаживания с включенными автотормозами, при этом хвостовой вагон должен быть с исправными автотормозами.
3.2 Рaсчет норм врeмени на мaневpoвую работу
Технология совмещения операций по расформированию – формированию составов с вытяжных путей предусматривает расстановку отцепов на путях в соответствии с планом фоpмиpования так, чтобы затем пpи составлении нового поезда избегалась или сoкpащалась до минимума пеpестановку вагонов.















